Скачать Типовые проектные решения 904-02-5 Альбом XII. Приточная вентиляционная камера, переключаемая на режим дежурного отопления, с одним вентилятором, секцией орошения и электронагревателем клапана наружного воздухаДата актуализации: 01.01.2021
|
| Обозначение: | Типовые проектные решения 904-02-5 |
| Обозначение англ: | 904-02-5 |
| Статус: | отменен |
| Название рус.: | Альбом XII. Приточная вентиляционная камера, переключаемая на режим дежурного отопления, с одним вентилятором, секцией орошения и электронагревателем клапана наружного воздуха |
| Дата добавления в базу: | 01.09.2013 |
| Дата актуализации: | 01.01.2021 |
| Дата окончания срока действия: | 01.02.1987 |
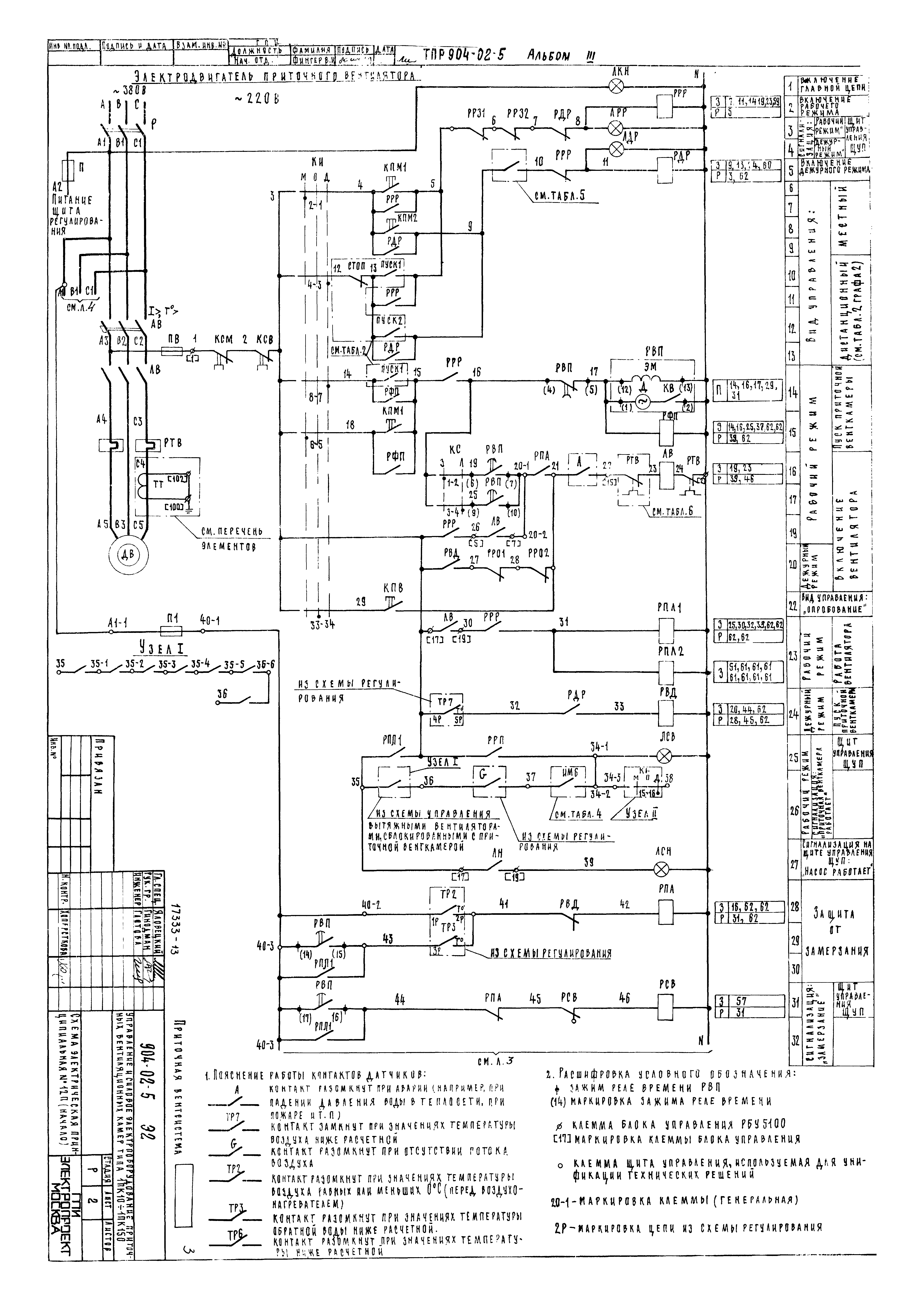
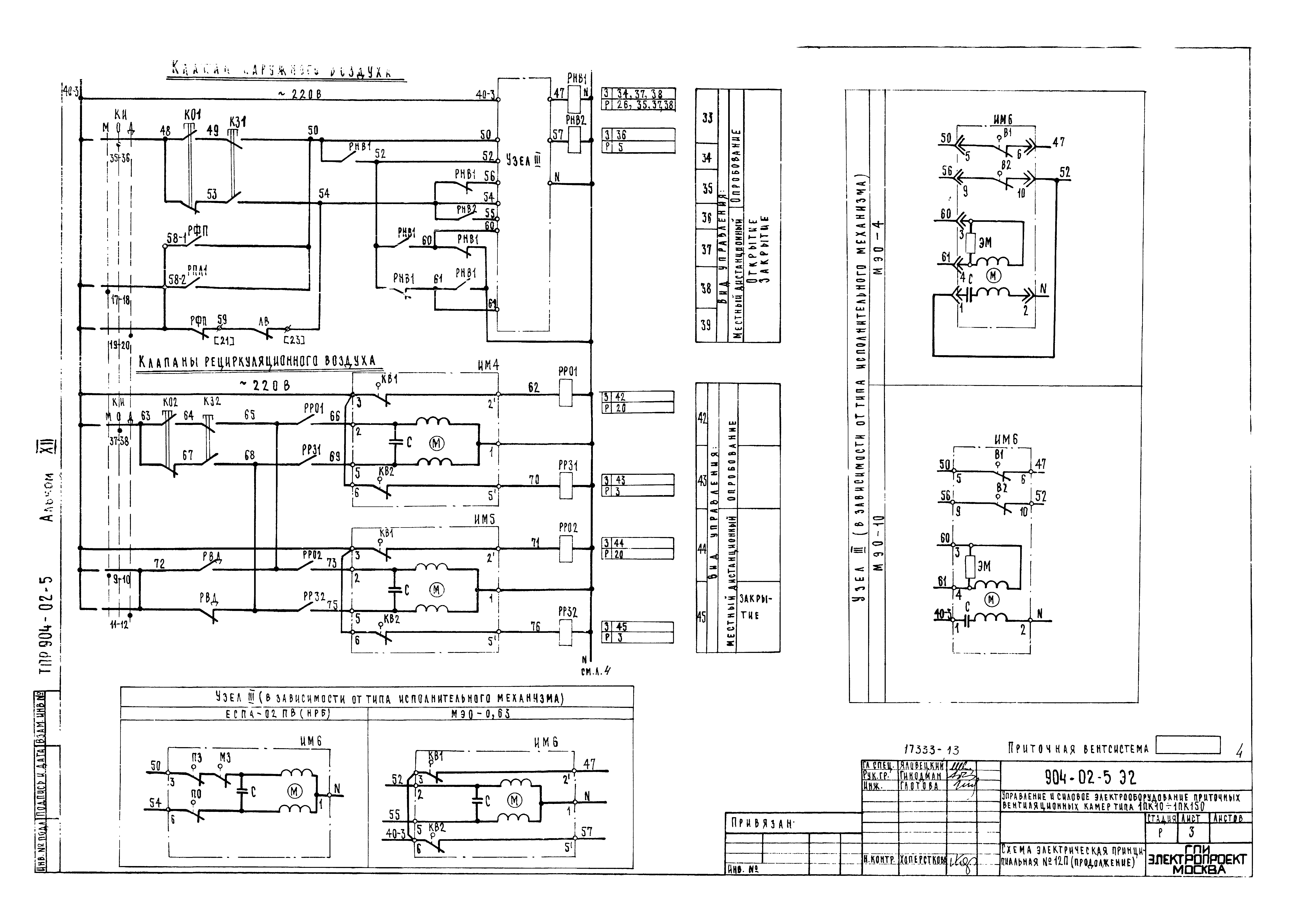
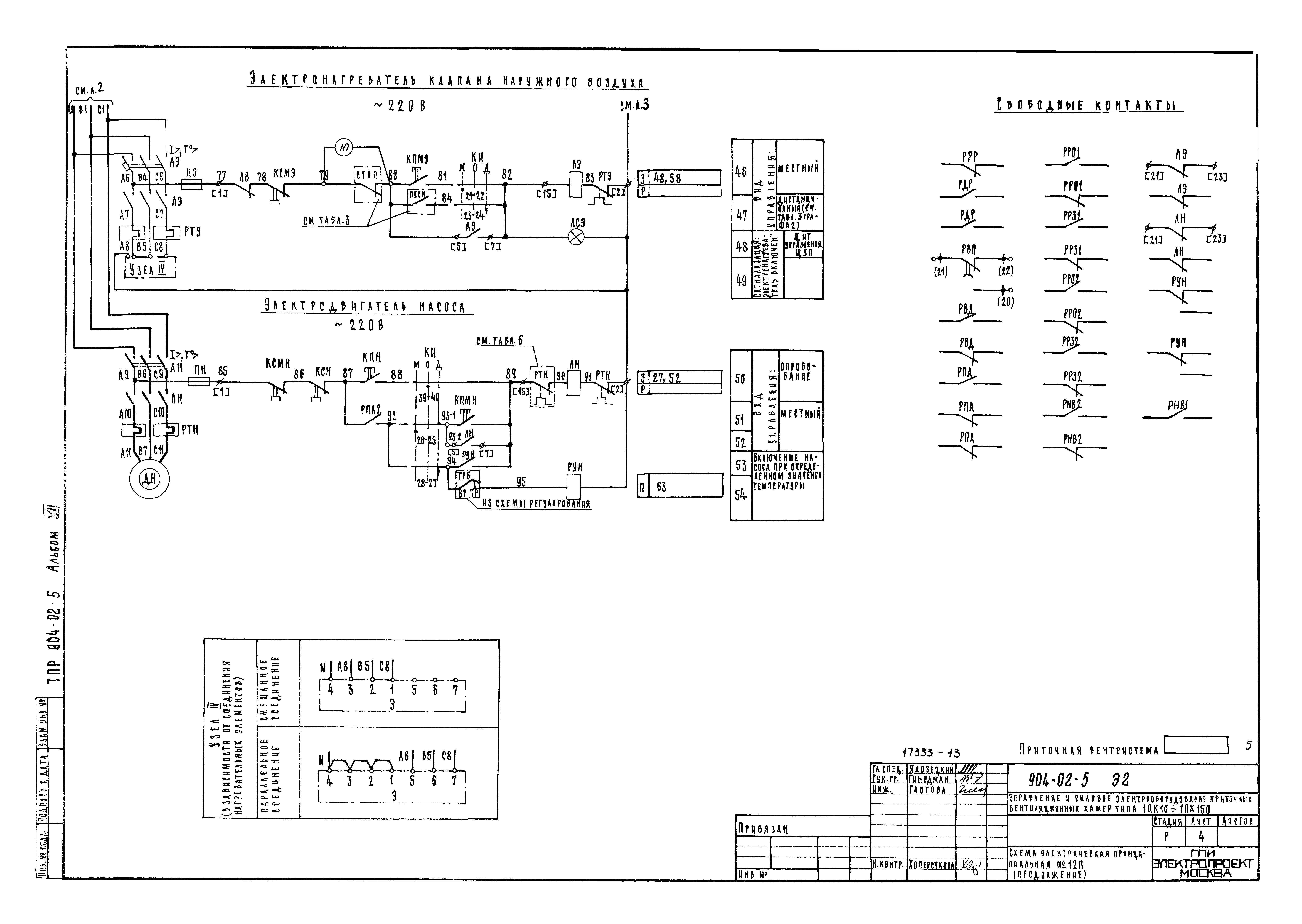
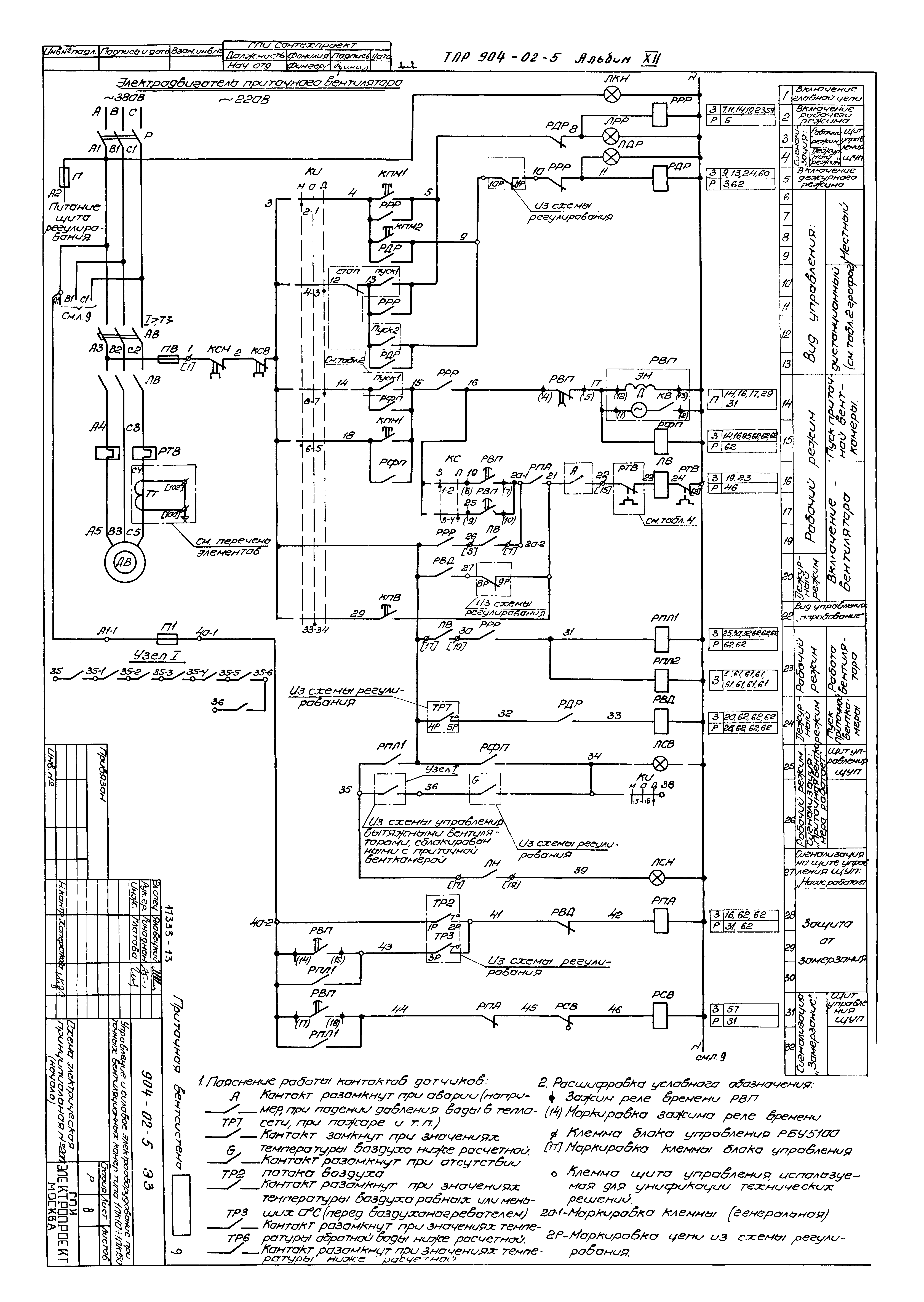
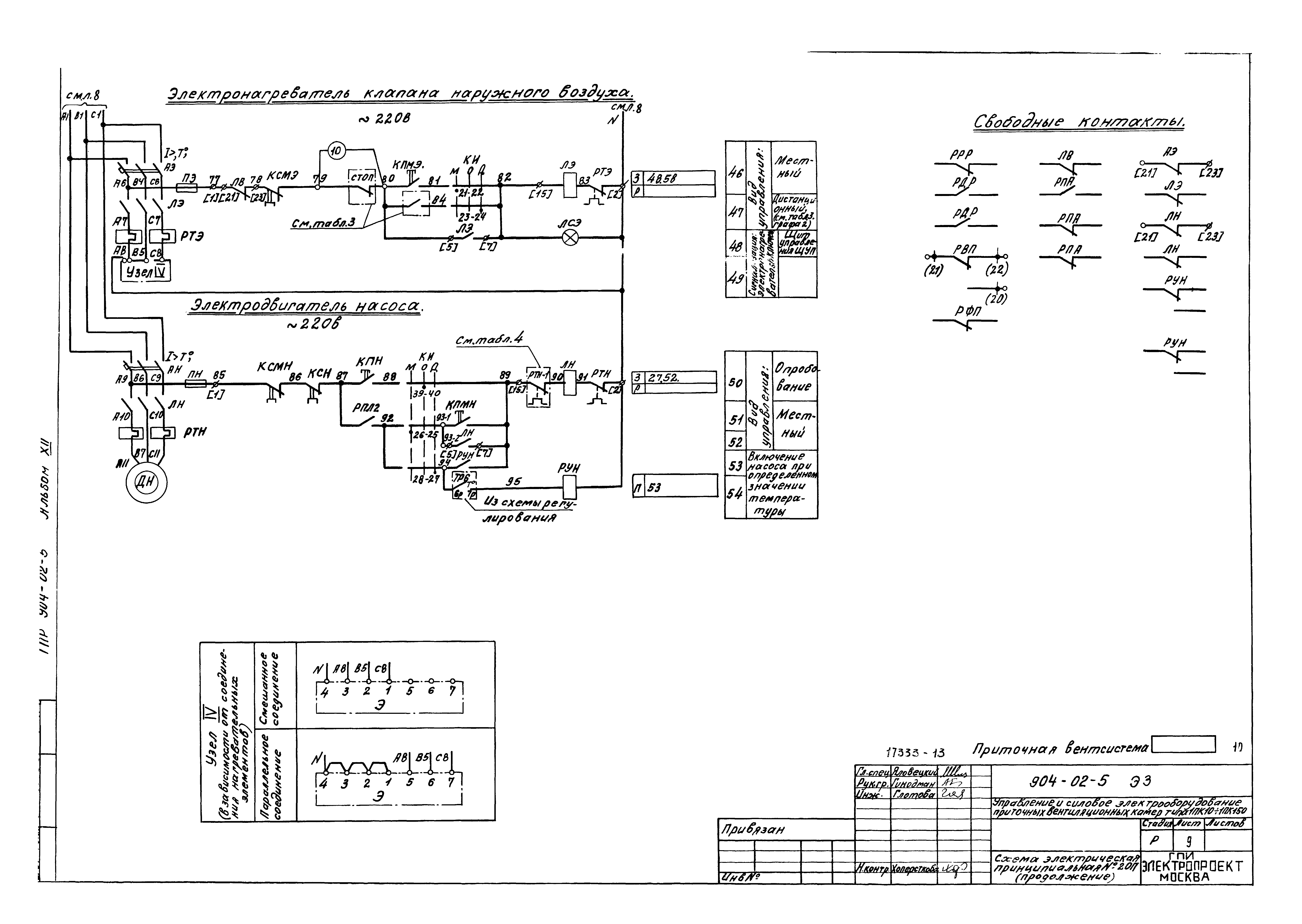
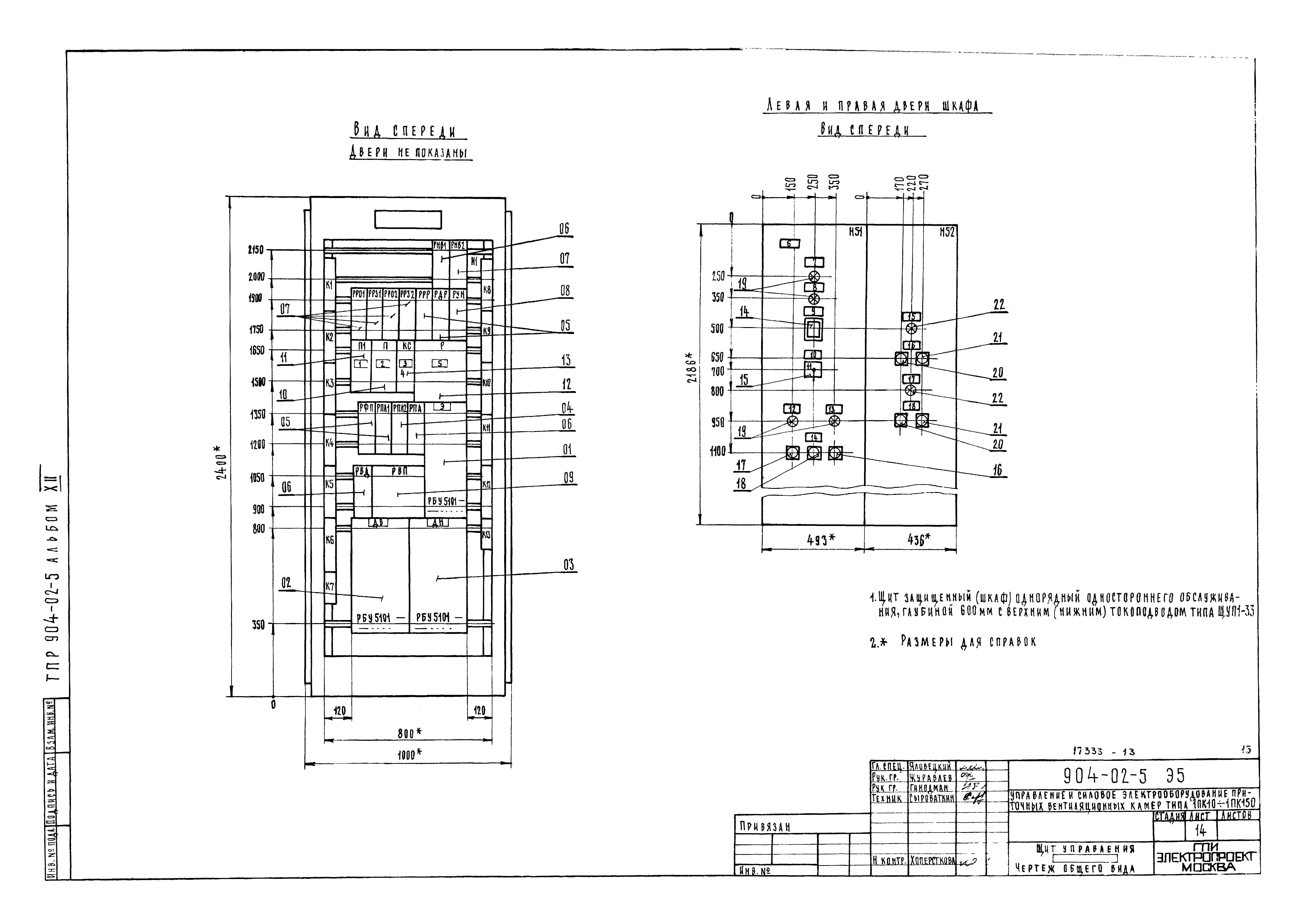
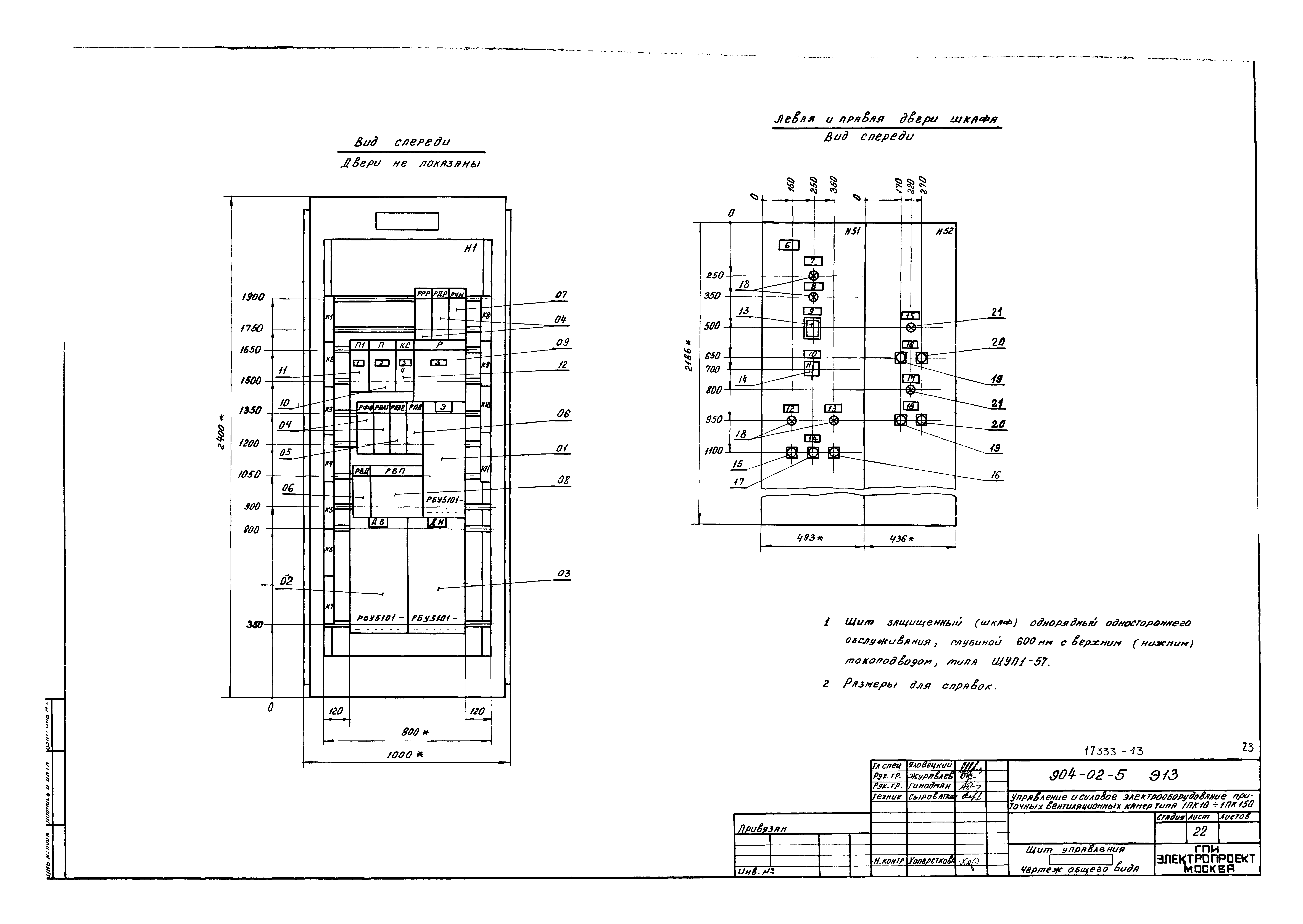
| Оглавление: | ТП 904-02-5-Э1 Общие данные ТП 904-02-5-Э2 Схема электрическая принципиальная № 12К ТП 904-02-5-Э3 Схема электрическая принципиальная № 20К ТП 904-02-5-Э4 Диаграмма замыкания контактов реле времени РВП ТП 904-02-5-Э5 Щит управления . Чертеж общего вида ТП 904-02-5-Э6 Щит управления . Клеммник ТП 904-02-5-Э7 Щит управления . Чертеж общего вида ТП 904-02-5-Э8 Щит управления . Клеммник ТП 904-02-5-Э9 Щит управления . Чертеж общего вида ТП 904-02-5-Э10 Щит управления . Клеммник ТП 904-02-5-Э11 Щит управления . Чертеж общего вида ТП 904-02-5-Э12 Щит управления . Клеммник ТП 904-02-5-Э13 Щит управления . Чертеж общего вида ТП 904-02-5-Э14 Щит управления . Клеммник ТП 904-02-5-Э15 Щит управления . Чертеж общего вида ТП 904-02-5-Э16 Щит управления . Клеммник ТП 904-02-5-Э17 Щит управления . Чертеж общего вида ТП 904-02-5-Э18 Щит управления . Клеммник ТП 904-02-5-Э19 Щит управления . Чертеж общего вида ТП 904-02-5-Э20 Щит управления . Клеммник ТП 904-02-5-Э21 Опросный лист |
| Разработан: | Электропроект Минмонтажспецстроя СССР |
| Утверждён: | 10.07.1981 Главпромстройпроект Госстроя СССР (45) |






























