Скачать Серия 1.439-2 Стальные изделия креплений панельных стен одноэтажных производственных зданий с железобетонным каркасом. Рабочие чертежиДата актуализации: 01.01.2021
|
| Обозначение: | Серия 1.439-2 |
| Обозначение англ: | Series 1.439-2 |
| Статус: | заменен |
| Название рус.: | Стальные изделия креплений панельных стен одноэтажных производственных зданий с железобетонным каркасом. Рабочие чертежи |
| Дата добавления в базу: | 01.09.2013 |
| Дата актуализации: | 01.01.2021 |
| Дата введения: | 01.01.1980 |
| Дата окончания срока действия: | 01.01.1993 |
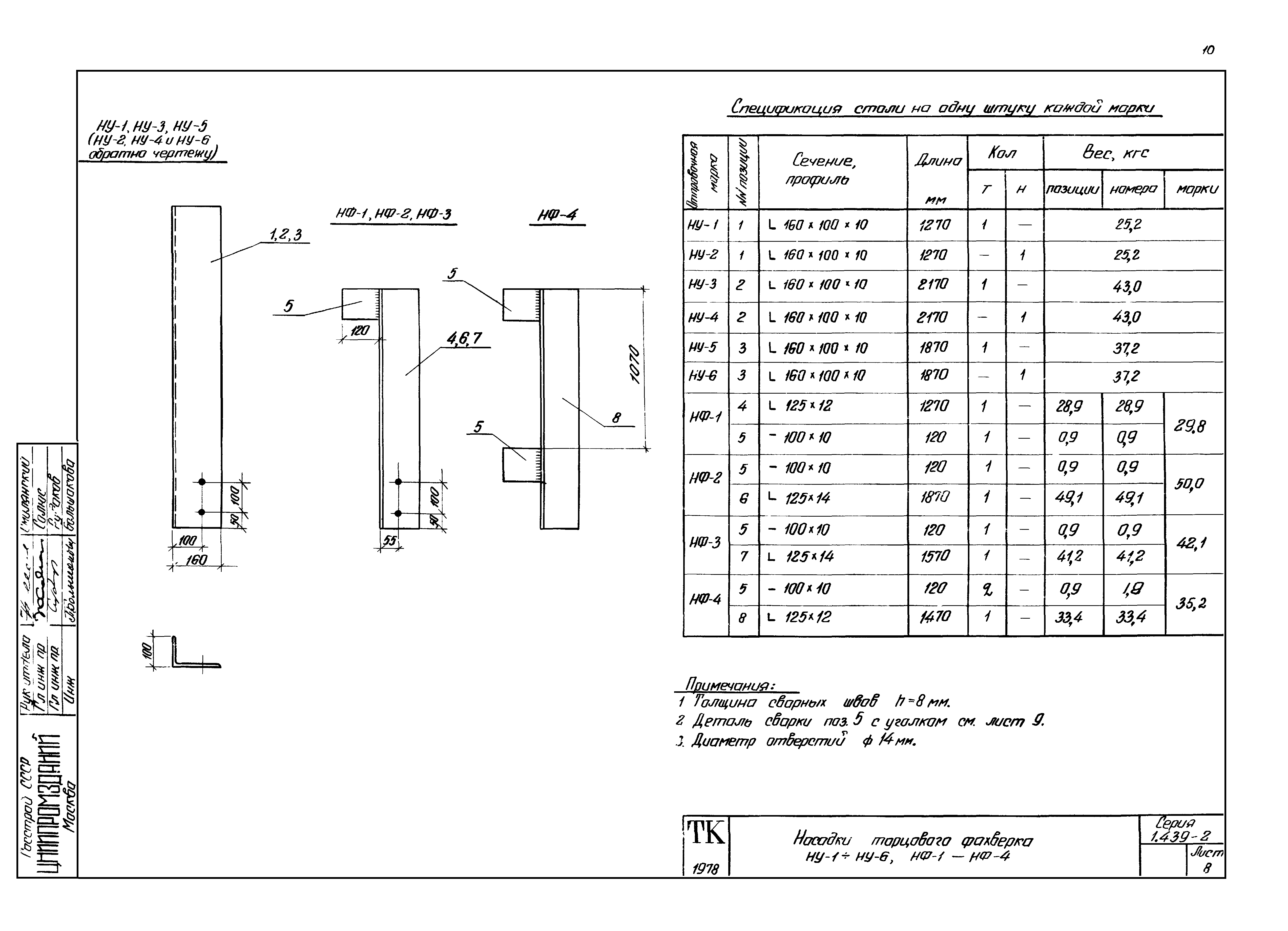
| Область применения: | В настоящем серии даны рабочие чертежи стальных элементов крепления стеновых панелей серии 1.432-14 к железобетонному каркасу одноэтажных производственных зданий |
| Оглавление: | 1.439-2 Содержание и пояснительная записка 1.439-2 Стойки СФ-1÷СФ-8 1.439-2 Стойки СФ-9÷СФ-17 1.439-2 Стойки СО-1 и СО-3 1.439-2 Стойки СВ-1÷СВ-11 1.439-2 Опорные консоли РК-1-РК-3,ФК-1 и ФК-2 1.439-2 Опорные консоли РК-1с-РК-3с,ФК-1с и ФК-2с 1.439-2 Опорные консоли ТК-1÷ТК-6,ТК-1с÷ТК-3с, балка Б-1 1.439-2 Насадки торцового фахверка НУ-1÷НУ-6,НФ-1÷НФ-4 1.439-2 Насадки торцового фахверка НФ-5,НФ-6,НС-1,НС-2 1.439-2 Элементы крепления Т-1÷Т-13 1.439-2 Элементы крепления Т-14÷Т-33 |
| Разработан: | ЦНИИпромзданий |
| Утверждён: | 28.06.1979 Госстрой СССР (Государственный комитет Совета Министров СССР по делам строительства) (USSR Gosstroy 106) |
| Заменяет собой: | |
| Нормативные ссылки: |
|













