Скачать Серия 1.463-3 Выпуск I. Материалы для проектирования покрытий с шагом ферм 6 и 12 мДата актуализации: 01.01.2021
|
| Обозначение: | Серия 1.463-3 |
| Обозначение англ: | Series 1.463-3 |
| Статус: | заменен |
| Название рус.: | Выпуск I. Материалы для проектирования покрытий с шагом ферм 6 и 12 м |
| Дата добавления в базу: | 01.09.2013 |
| Дата актуализации: | 01.01.2021 |
| Дата введения: | 01.10.1969 |
| Дата окончания срока действия: | 01.09.1988 |
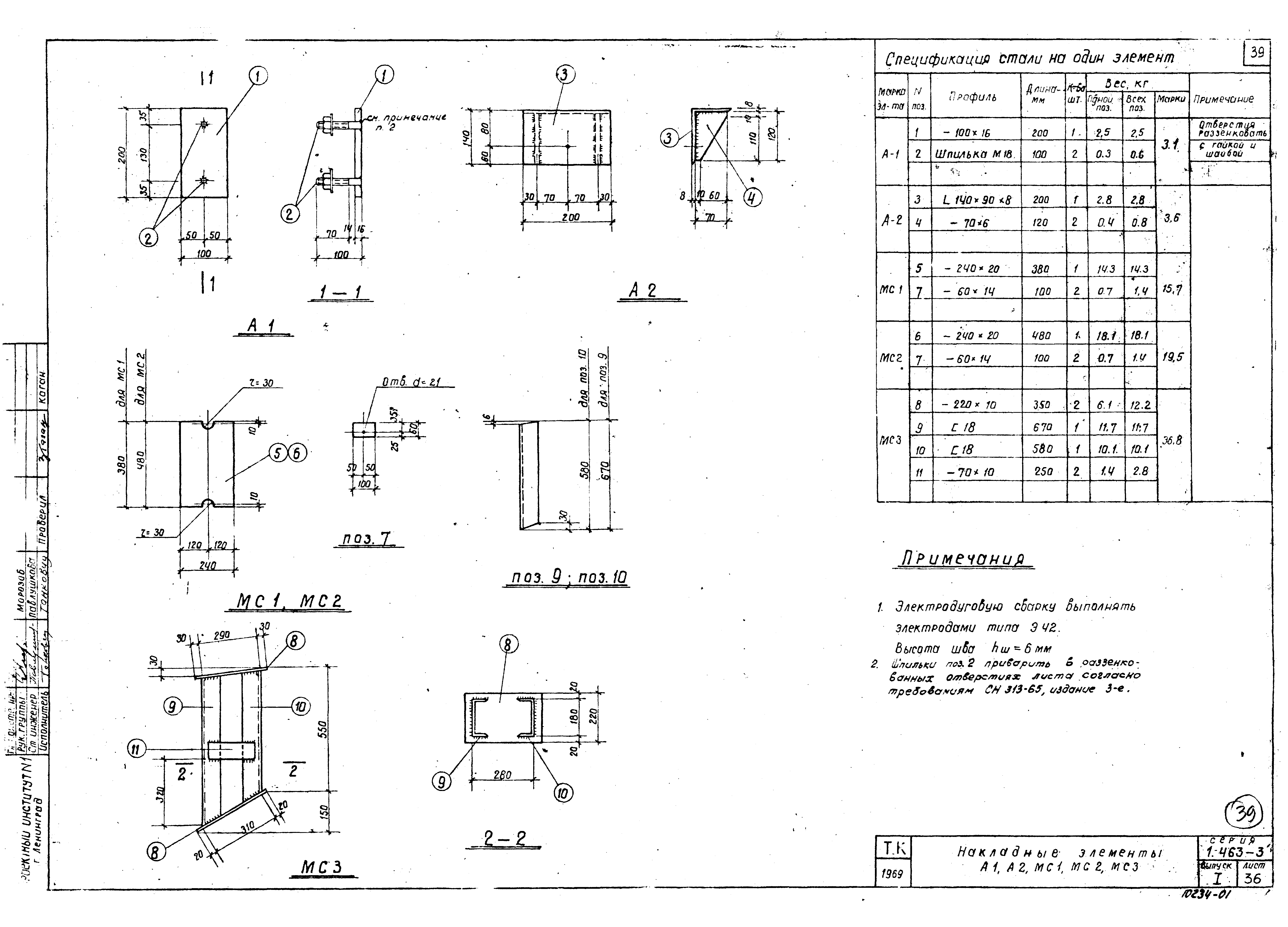
| Оглавление: | Пояснительная записка Фермы пролетом 18 м. Ключ для подбора ферм с шагом 6 м Фермы пролетом 18 м. Ключ для подбора ферм с шагом 12 м Фермы пролетом 24 м. Ключ для подбора ферм с шагом 6 м Фермы пролетом 24 м. Ключ для подбора ферм с шагом 12 м Фермы пролетом 18 и 24 м. Несущая способность элементов ферм Фермы пролетом 18 м. Номенклатура ферм и расход материалов Фермы пролетом 24 м. Номенклатура ферм и расход материалов Схемы нагрузок от покрытия и снега для ферм пролетом 18 м с шагом 6 и 12 м Схемы нагрузок от покрытия и снега для ферм пролетом 24 м с шагом 6 м Схемы нагрузок от покрытия и снега для ферм пролетом 24 м с шагом 12 м Фермы пролетом 18 и 24 м. Схемы подвески транспорта Фермы пролетом 18 м I и II типы опалубок. Таблицы изгибающих моментов от единичных нагрузок Фермы пролетом 18 м III и IV типы опалубок. Таблицы изгибающих моментов от единичных нагрузок Фермы пролетом 18 м. Таблицы нормальных сил от единичных нагрузок Фермы пролетом 24 м I тип опалубки. Таблицы изгибающих моментов в узлах ферм от единичных нагрузок Фермы пролетом 24 м I тип опалубки. Таблица нормальных сил от единичных нагрузок Фермы пролетом 24 м II и IV типы опалубок. Таблицы изгибающих моментов в узлах ферм и единичных нагрузок Фермы пролетом 24 м II и IV типы опалубок. Таблица нормальных сил от единичных нагрузок Фермы пролетом 24 м III тип опалубки. Таблицы изгибающих моментов в узлах ферм от единичных нагрузок Фермы пролетом 24 м III тип опалубки. Таблица нормальных сил от единичных нагрузок Фермы пролетом 24 м V тип опалубки. Таблицы изгибающих моментов в узлах ферм от единичных нагрузок Фермы пролетом 24 м V тип опалубки. Таблица нормальных сил от единичных нагрузок Фермы пролетом 24 м I, II и IV типы опалубок. Таблицы изгибающих моментов по граням вутов верхнего пояса ферм от единичных нагрузок Фермы пролетом 24 м III и V типы опалубок. Таблицы изгибающих моментов по граням вутов верхнего пояса ферм от единичных нагрузок Примеры схем покрытия зданий пролетами 18 и 24 м при шаге ферм 6 м Примеры схем покрытия зданий пролетами 18 и 24 м при шаге ферм 12 м Опирание ферм и крепление горизонтальных связей. Узлы 1 - 6 Примеры разбивки закладных и накладных элементов для крепления плит покрытия, стоек фонаря и связей для ферм пролетом 18 м с шагом 6 м Примеры разбивки закладных и накладных элементов для крепления плит покрытия, стоек фонаря и связей для ферм пролетом 18 м с шагом 12 м Примеры разбивки закладных и накладных элементов для крепления плит покрытия, стоек фонаря и связей для ферм пролетом 24 м с шагом 6 м Примеры разбивки закладных и накладных элементов для крепления плит покрытия, стоек фонаря и связей для ферм пролетом 24 м с шагом 12 м Горизонтальная связь РС1 Горизонтальные связи РС2, РС3 Горизонтальные связи РС4, РС5 Горизонтальная связь РС6 Накладные элементы А1, А2, МС1, МС2, МС3 Примеры решения элементов крепления путей подвесного транспорта. Вариант крепления с гибкими подвесками Примеры решения элементов крепления путей подвесного транспорта. Вариант крепления с перекидными балками Примеры решения элементов крепления путей подвесного транспорта. Варианты решения связей при креплении путей подвесного транспорта с гибкими подвесками и перекидными балками Примеры решения элементов крепления путей подвесного транспорта. Узлы 1 - 4 Примеры решения элементов крепления путей подвесного транспорта. Узлы 5 - 9 Примеры решения элементов крепления путей подвесного транспорта. Узлы 10 - 12. Элемент А-1 |
| Разработан: | НИИЖБ Госстроя СССР Проектный институт № 1 Госстроя СССР |
| Утверждён: | 04.08.1969 Госстрой СССР (Государственный комитет Совета Министров СССР по делам строительства) (USSR Gosstroy 93) |
| Чем заменён: |













































