Скачать Типовой проект 902-5-12.85 Альбом IV. Строительные изделияДата актуализации: 01.01.2021
|
| Обозначение: | Типовой проект 902-5-12.85 |
| Обозначение англ: | 902-5-12.85 |
| Статус: | не определен законодательством |
| Название рус.: | Альбом IV. Строительные изделия |
| Дата добавления в базу: | 01.09.2013 |
| Дата актуализации: | 01.01.2021 |
| Дата введения: | 26.07.1985 |
| Дата окончания срока действия: | 30.06.2003 |
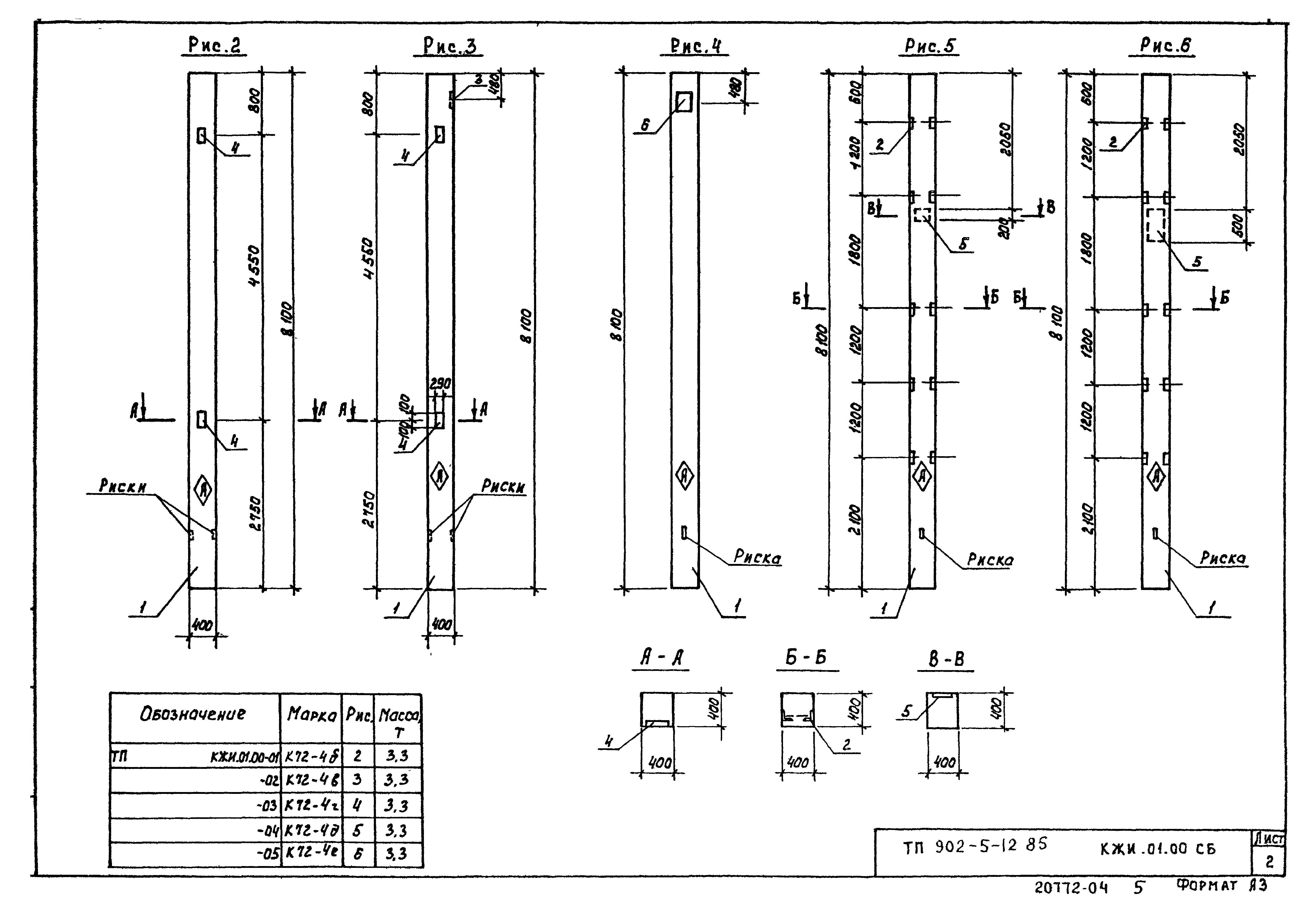
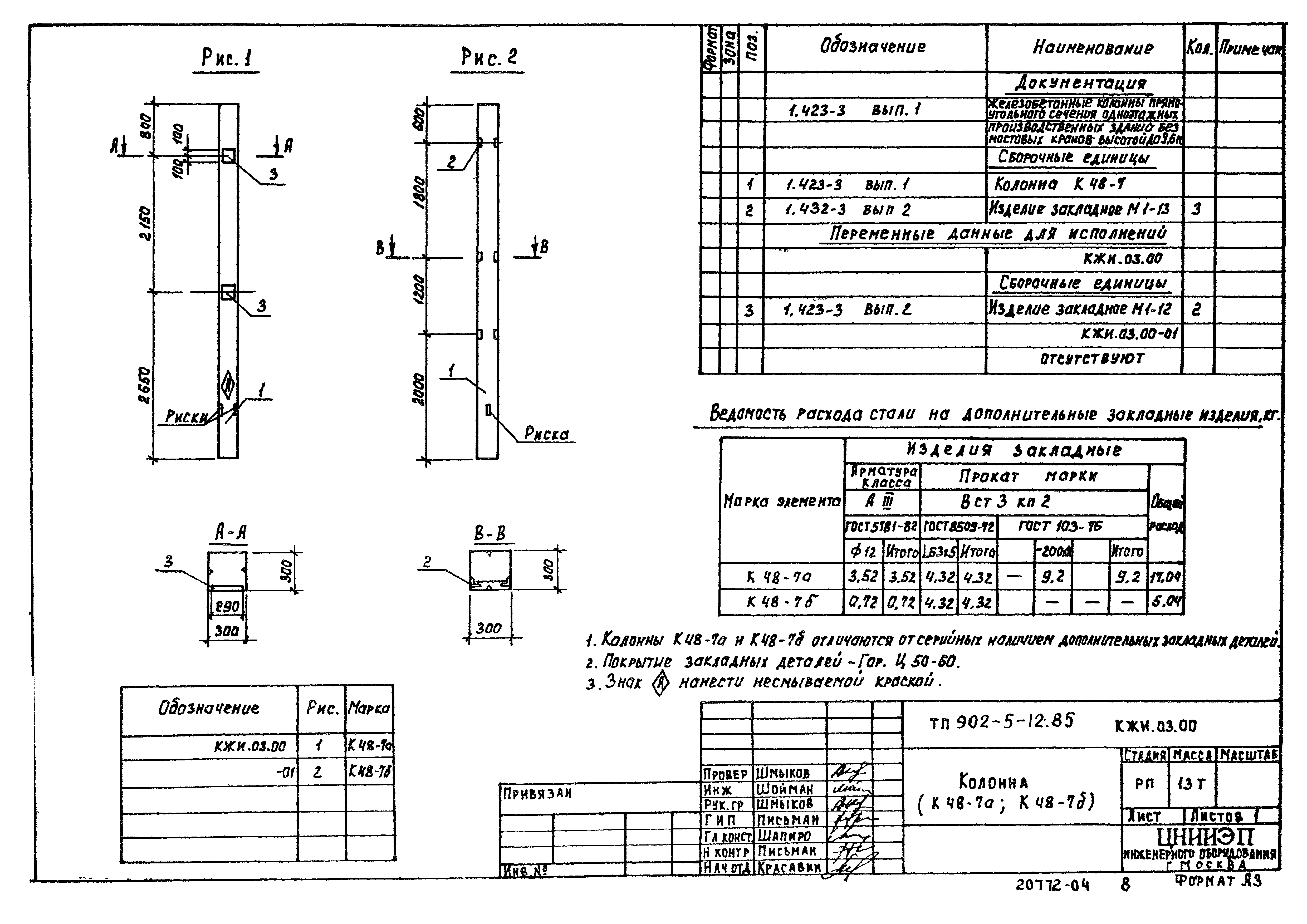
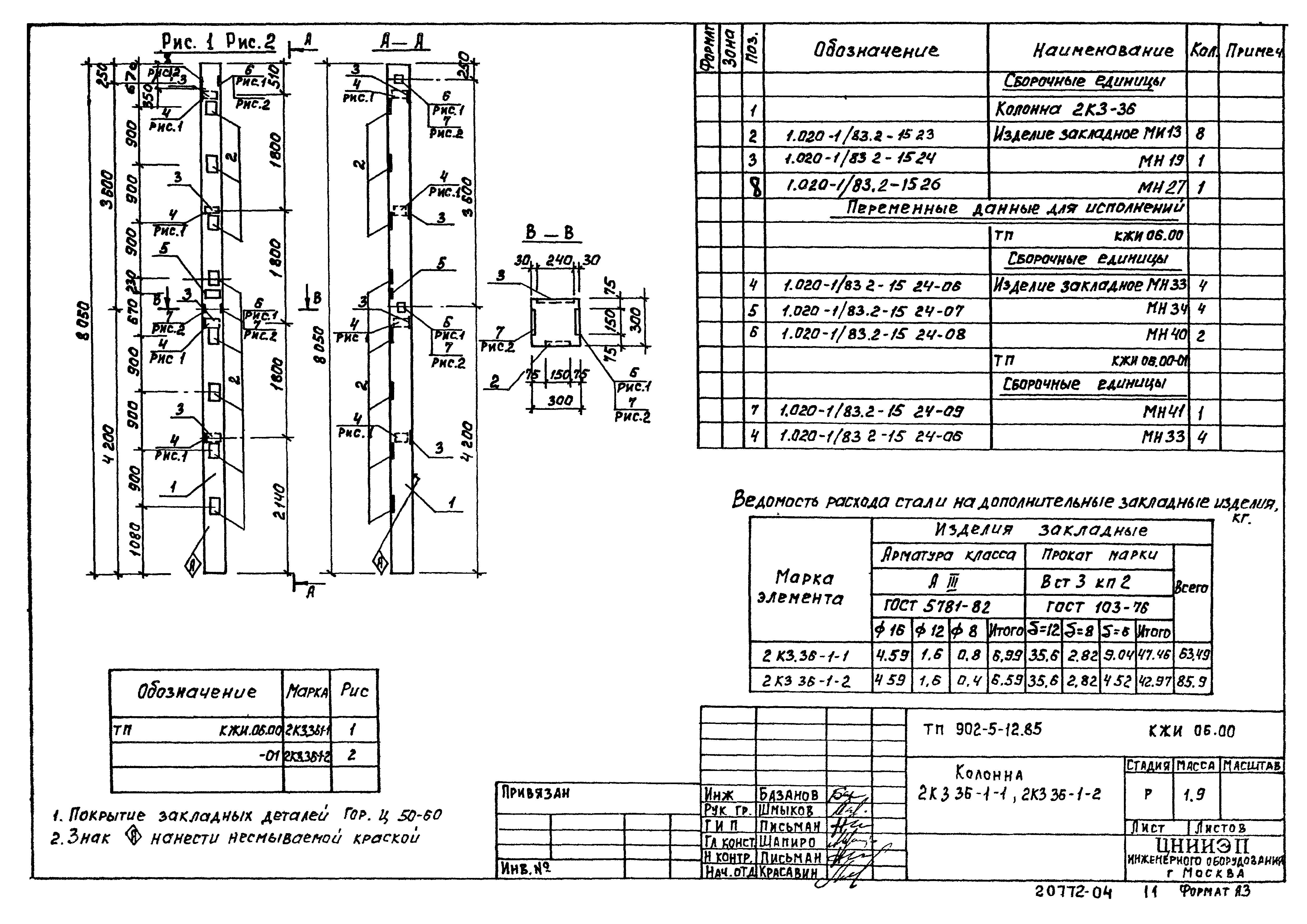
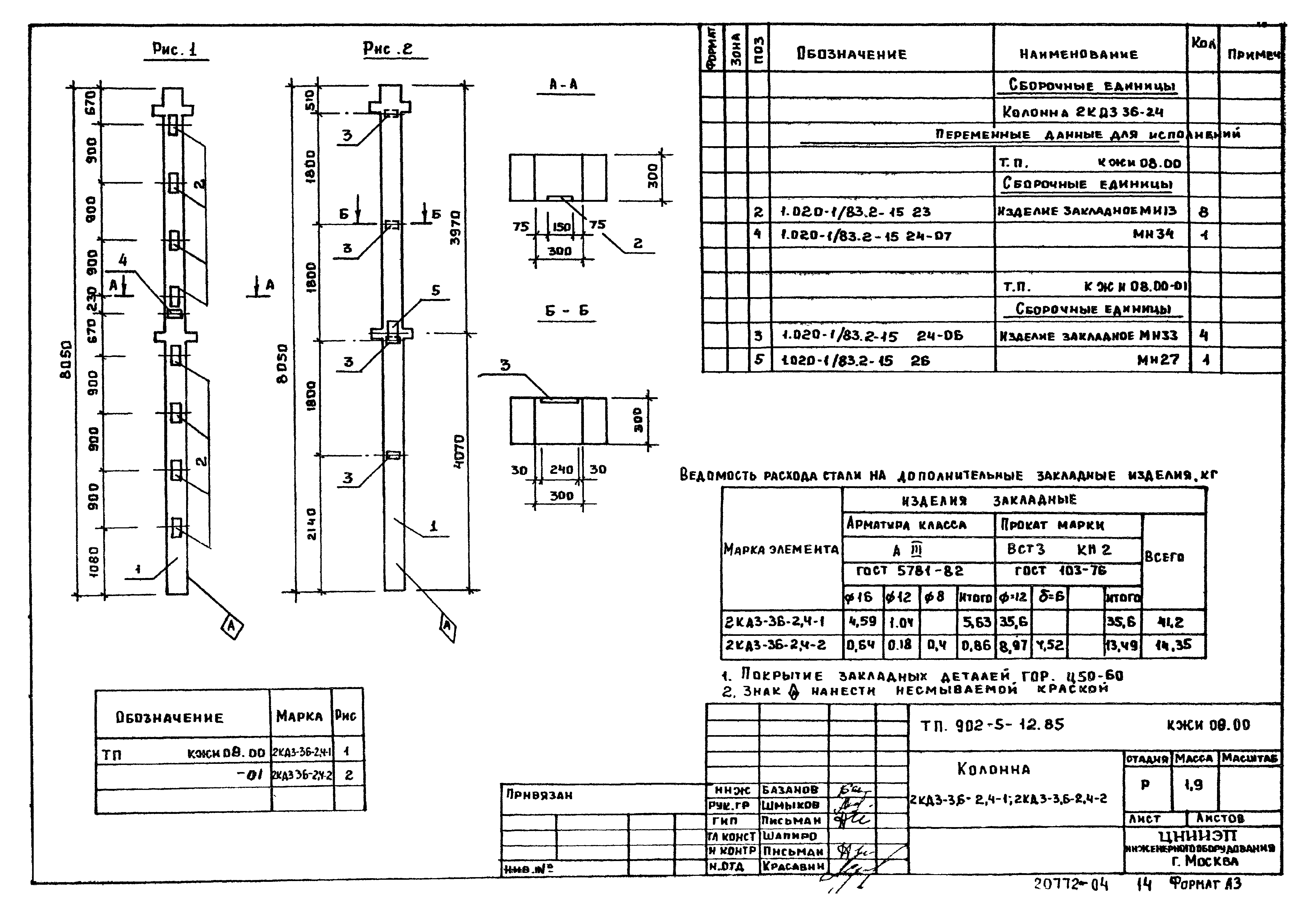
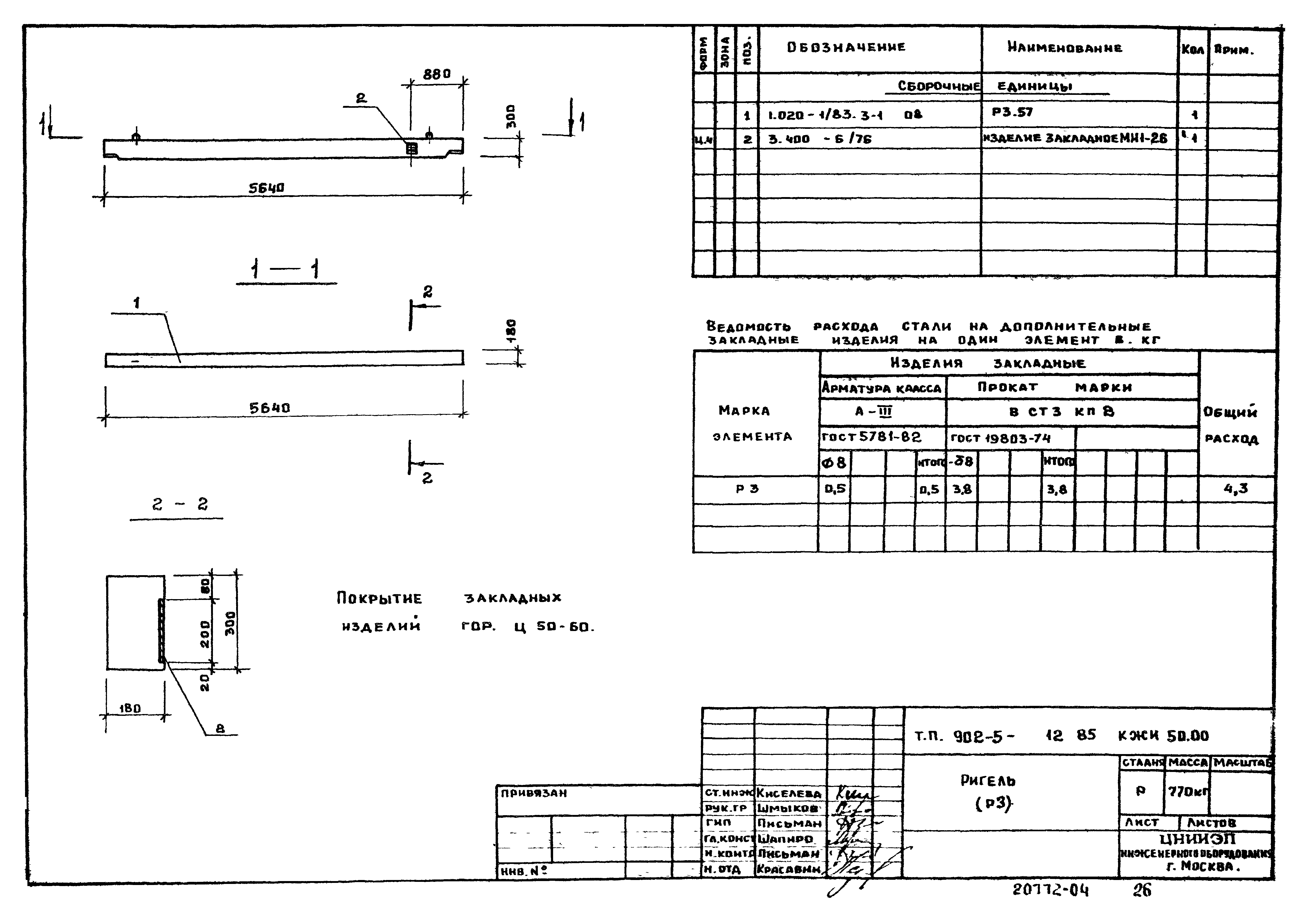
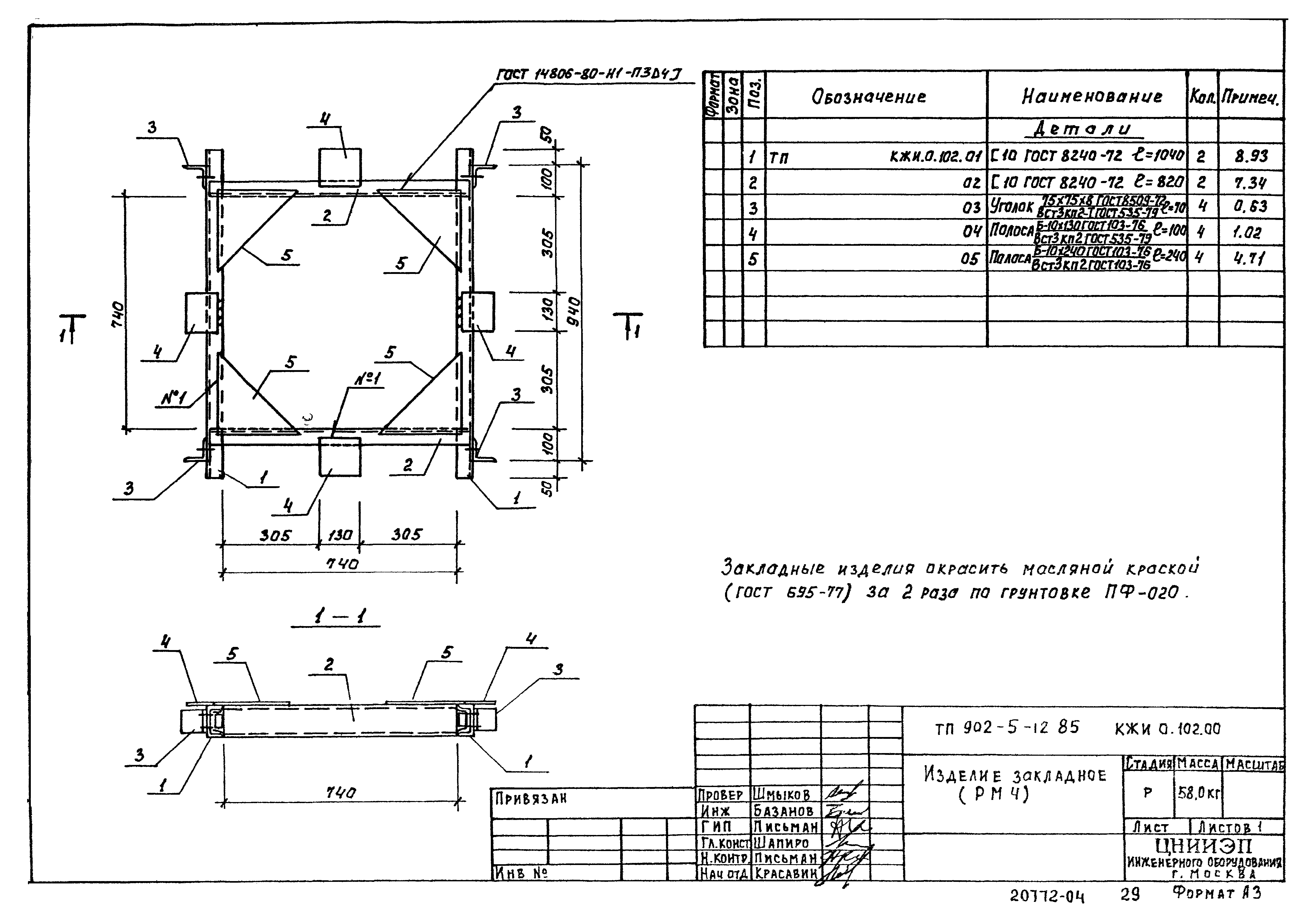
| Оглавление: | ТП 902-5-12.85 Содержание альбома ТП 902-5-12.85-КЖИ.01.00 Колонны К72-4а,К72-4б,К72-4в,К72-4г,К72-4д.К72-4е,К72-4ж,К72-4х,К72-4и ТП 902-5-12.85-КЖИ.01.00 СБ Колонны К72-4а,К72-4б,К72-4в,К72-4г,К72-4д.К72-4е,К72-4ж,К72-4х,К72-4и. Сборочный чертеж ТП 902-5-12.85-КЖИ.02.00 Колонны КФ16-1а,КФ16-1б ТП 902-5-12.85-КЖИ.03.00 Колонны К48-7а,К48-7б ТП 902-5-12.85-КЖИ.04.00 Колонны К48-7в,К48-7г,К48-7д ТП 902-5-12.85-КЖИ.05.00 Колонна КФ7-1а ТП 902-5-12.85-КЖИ.06.00 Колонны 2КЗ.36-1-1,2КЗ.36-1-2 ТП 902-5-12.85-КЖИ.07.00 СБ Колонны 2К03.36-2.1 ТП 902-5-12.85-КЖИ.07.00 Колонны 2К03.36-2.1 ТП 902-5-12.85-КЖИ.08.00 Колонны 2КД3.36-2.4-1,2КД3.36-2.4-2 ТП 902-5-12.85-КЖИ.09.00 Колонны 1К03.36-2.1-1,1К03.36-2.1-2 ТП 902-5-12.85-КЖИ.10.00 Балки покрытия 1БСП12-БАIVа,2БСП12-7АIVа ТП 902-5-12.85-КЖИ.20.00 Стеновая панель ПС60.15.3.0-2л-9 ТП 902-5-12.85-КЖИ.21.00 Стеновая панель ПС60.18.3.0-2л-9 ТП 902-5-12.85-КЖИ.22.00 Стеновая панель ПС60.12.3.0-3л-6 ТП 902-5-12.85-КЖИ.30.00 Плиты ПГ-2АIVТа,ПГ-2АIVТб,ПГ-2АIVТв, ПВ7-2АIVТа,ПВ7-2АIVТб,ПГ-6АIVТа,ПГ-6АIVТб,ПВ7-6АIVТа ТП 902-5-12.85-КЖИ.30.00 СБ Плиты ПГ-2АIVТа,ПГ-2АIVТб,ПГ-2АIVТв, ПВ7-2АIVТа,ПВ7-2АIVТб,ПГ-6АIVТа,ПГ-6АIVТб,ПВ7-6АIVТа. Сборочный чертеж ТП 902-5-12.85-КЖИ.31.00 Плиты ПРС56,15-6АIVТа,ПРС56,15-6АIVТб ТП 902-5-12.85-КЖИ.31.00 СБ Плиты ПРС56,15-6АIVТа,ПРС56,15-6АIVТб. Сборочный чертеж ТП 902-5-12.85-КЖИ.40.00 Диафрагма жесткости 2Д30,36а ТП 902-5-12.85-КЖИ.50.00 Ригель Р3 ТП 902-5-12.85-КЖИ.100.00 Изделие закладное РМ1,РМ3 ТП 902-5-12.85-КЖИ.101.00 Изделие закладное РМ2 ТП 902-5-12.85-КЖИ.102.00 Изделие закладное РМ4 ТП 902-5-12.85-КЖИ.103.00 Изделие закладное МН8 ТП 902-5-12.85-КЖИ.104.00 Изделие закладное МН1,МН2 ТП 902-5-12.85-КЖИ.200.00 Решетка металлическая РМ1,РМ2 ТП 902-5-12.85-КЖИ.201.00 Решетка РМ4 ТП 902-5-12.85-КЖИ.300.00 Деталь соединительная МС3 ТП 902-5-12.85-КЖИ.400.00 Каркас КР1 ТП 902-5-12.85-КЖИ.401.00 Каркас КР2 ТП 902-5-12.85-КЖИ.500.00 Сетка арматурная С1 ТП 902-5-12.85-КЖИ.501.00 Сетка арматурная С2 ТП 902-5-12.85-КЖИ.502.00 Сетка арматурная С3 ТП 902-5-12.85-КЖИ.503.00 Сетка арматурная С4 ТП 902-5-12.85-КЖИ.504.00 Сетка арматурная С5 ТП 902-5-12.85-КЖИ.505.00 Сетка арматурная С6 ТП 902-5-12.85-КЖИ.600.00 Щит металлический Щ1,Щ2 ТП 902-5-12.85-КЖИ.700.00 Анкер А1 ТП 902-5-12.85-КЖИ.701.00 Анкер А2 |
| Разработан: | ЦНИИЭП |
| Утверждён: | 18.02.1985 Госгражданстрой (Gosgrazhdanstroy 49) |




































