Скачать Типовой проект 902-2-459.88 Альбом 2. Технологическая часть. Спецификации оборудования. Конструкции железобетонные. Конструкции металлические. Организация строительства. Электрооборудование. Спецификации оборудованияДата актуализации: 01.01.2021
|
| Обозначение: | Типовой проект 902-2-459.88 |
| Обозначение англ: | 902-2-459.88 |
| Статус: | не определен законодательством |
| Название рус.: | Альбом 2. Технологическая часть. Спецификации оборудования. Конструкции железобетонные. Конструкции металлические. Организация строительства. Электрооборудование. Спецификации оборудования |
| Дата добавления в базу: | 01.09.2013 |
| Дата актуализации: | 01.01.2021 |
| Дата введения: | 16.05.1988 |
| Дата окончания срока действия: | 30.06.2003 |
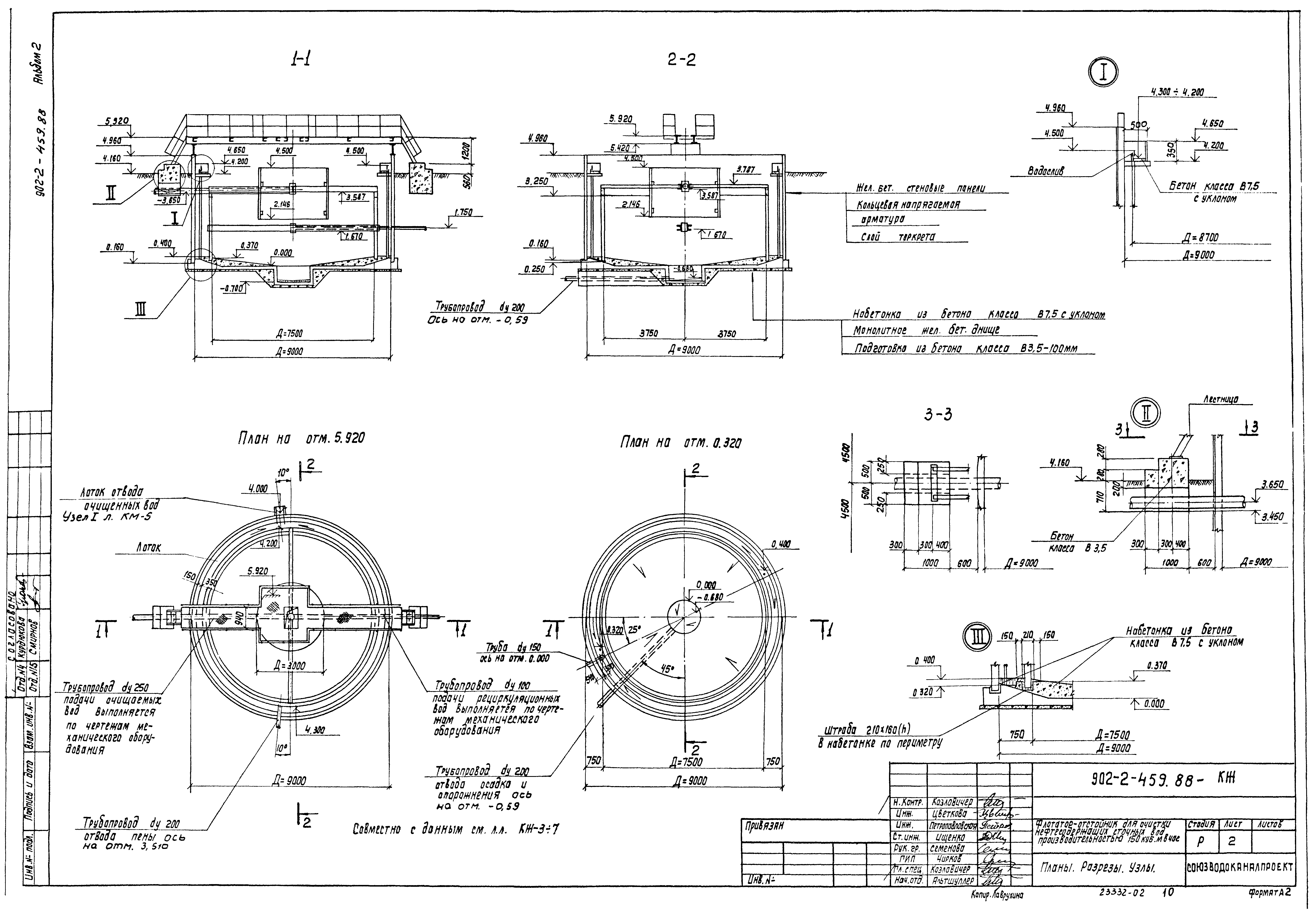
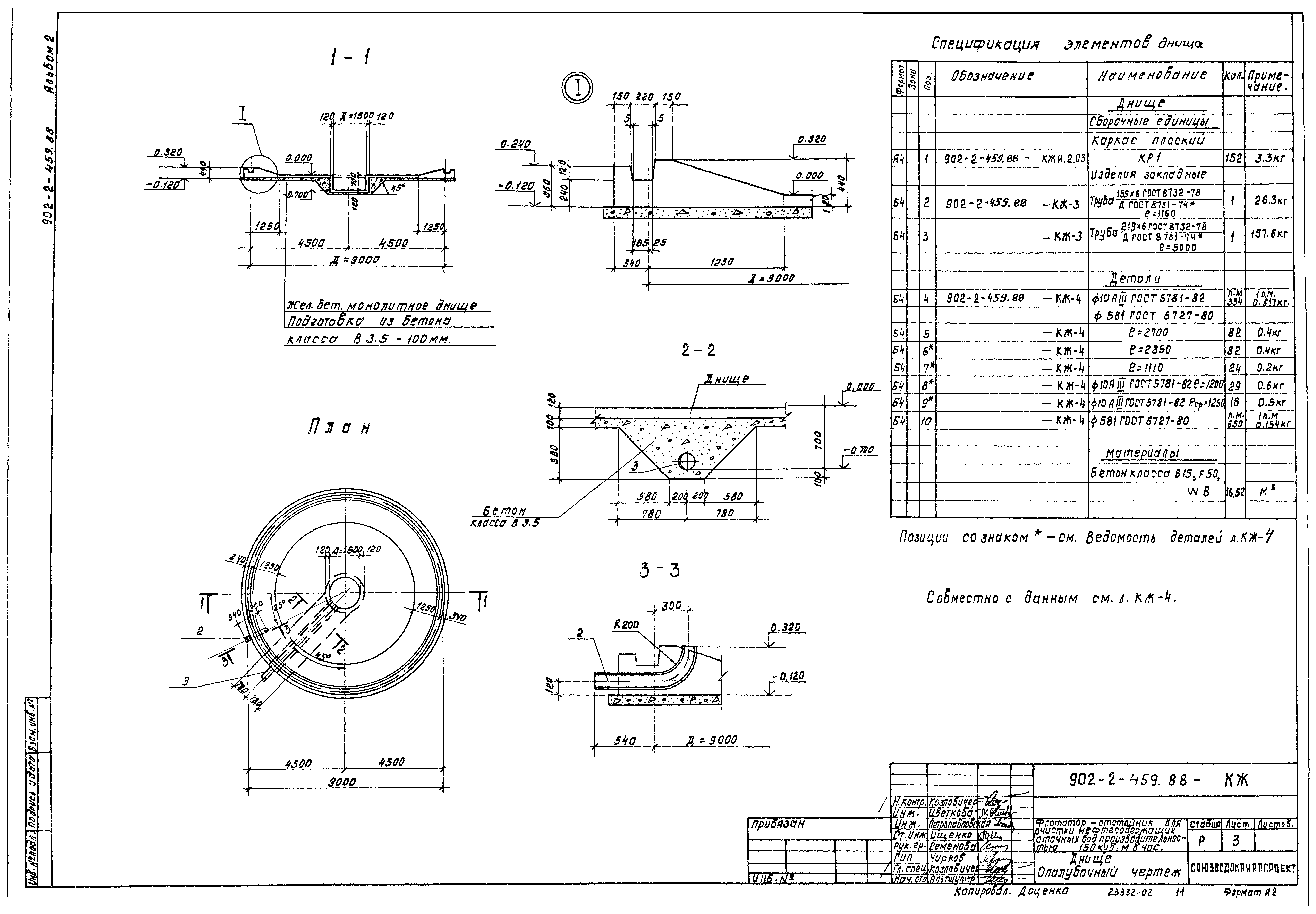
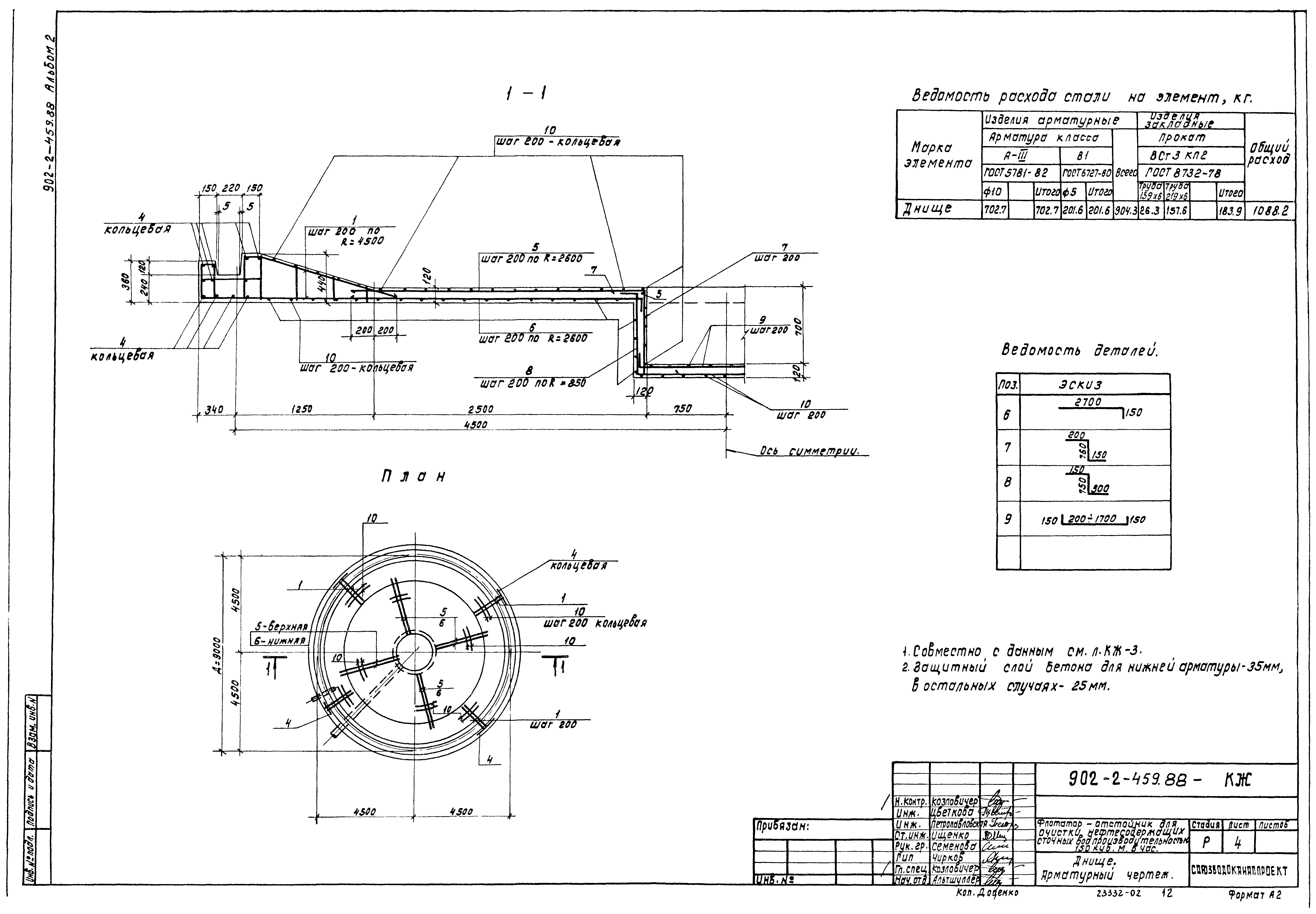
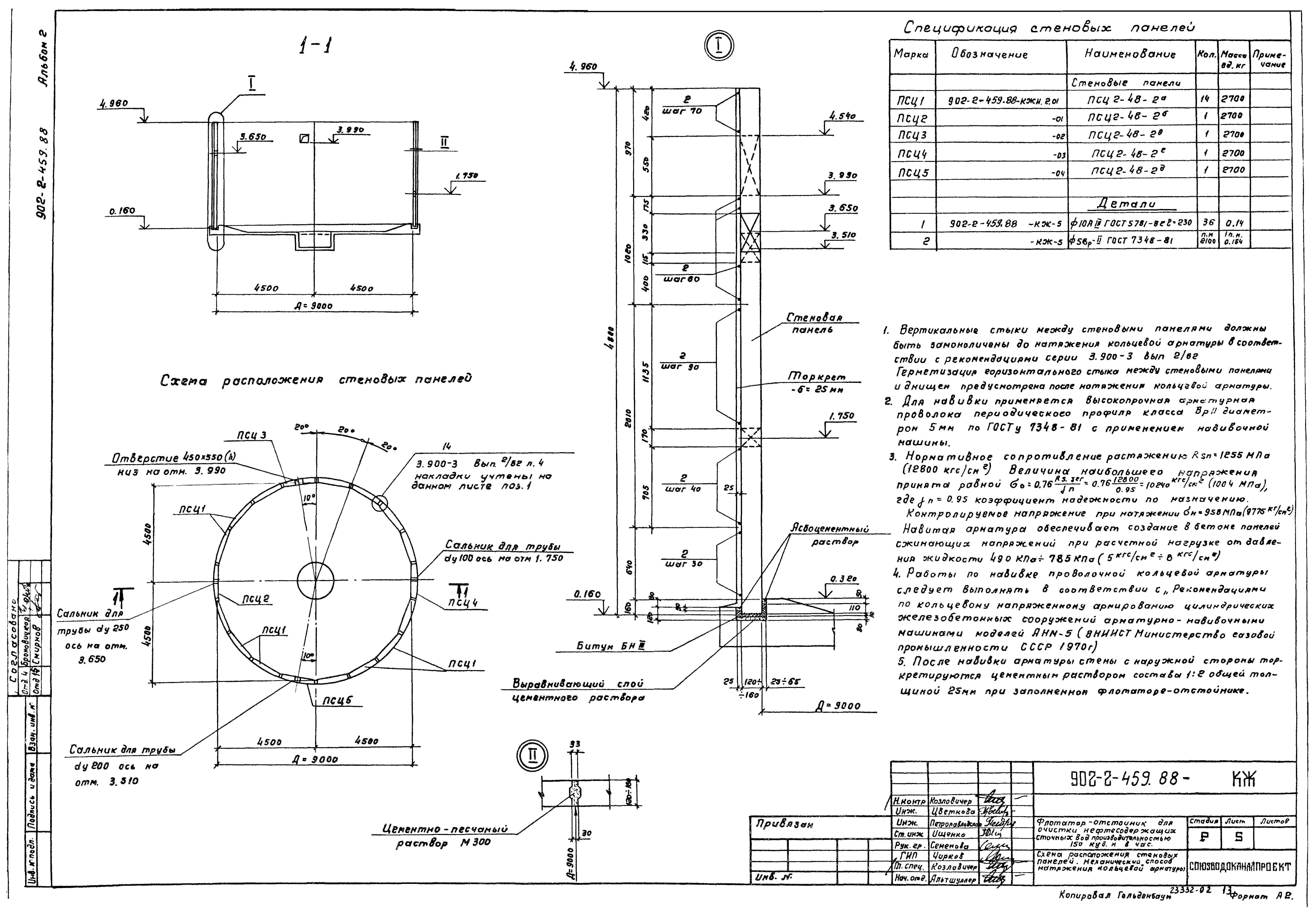
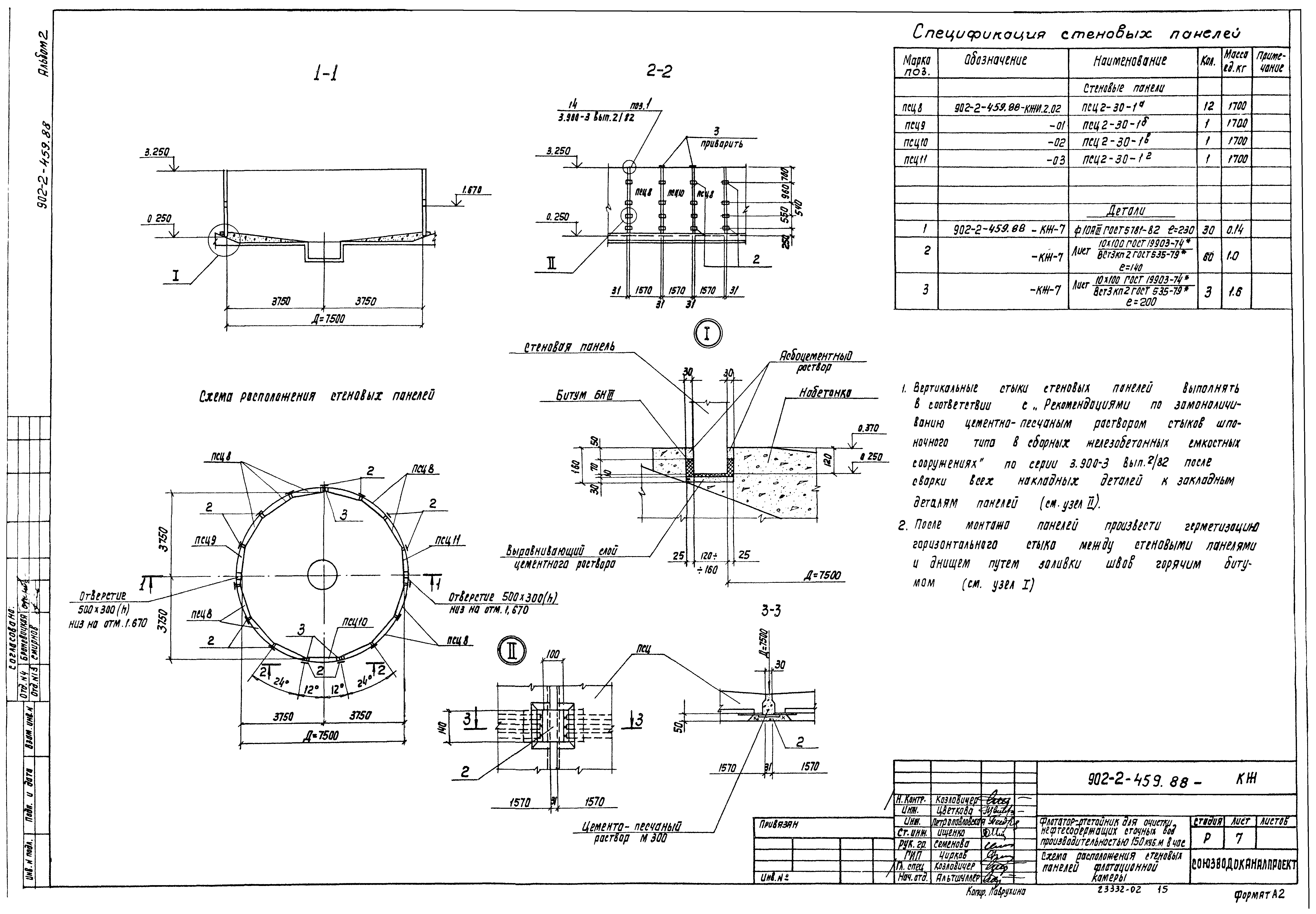
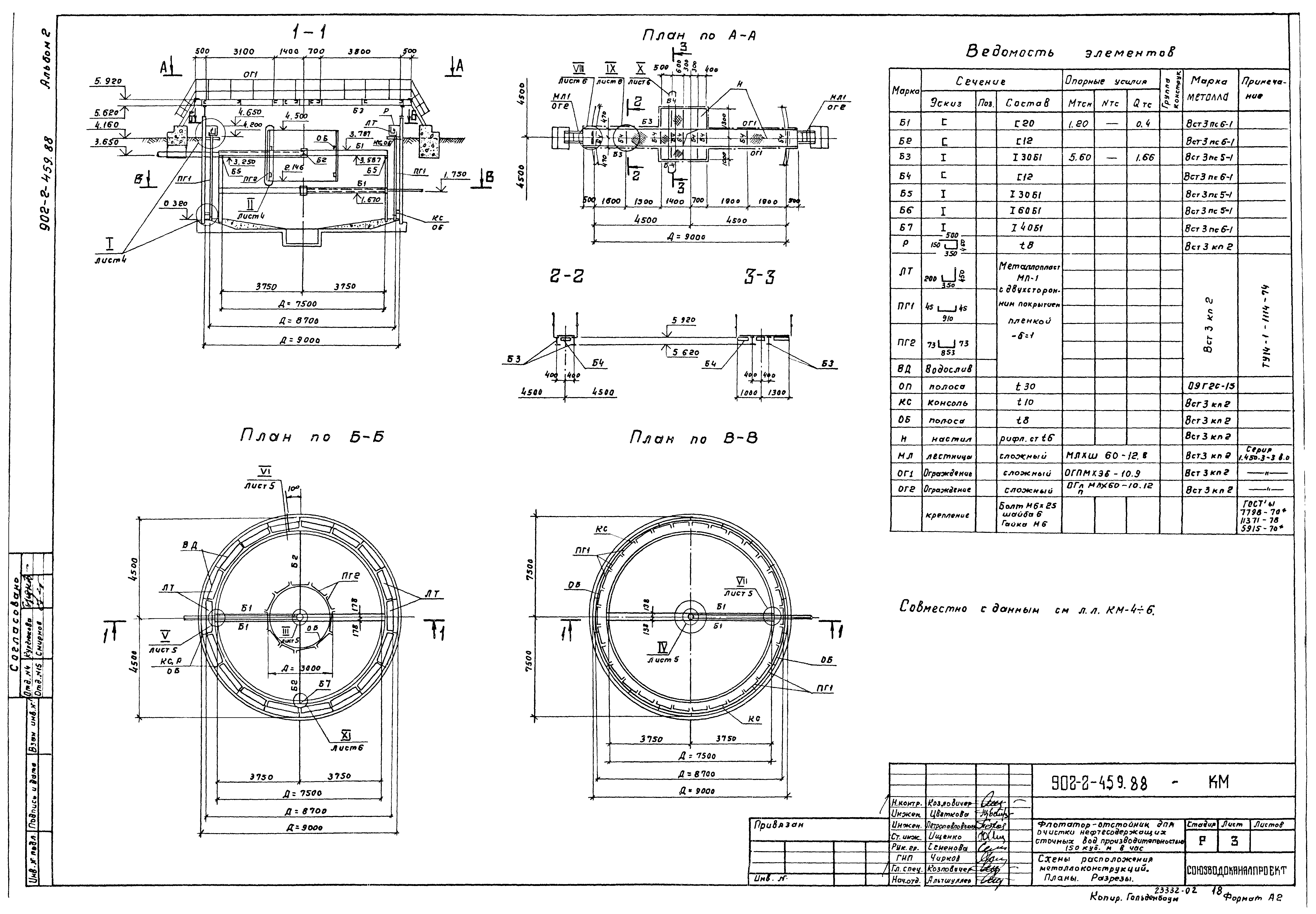
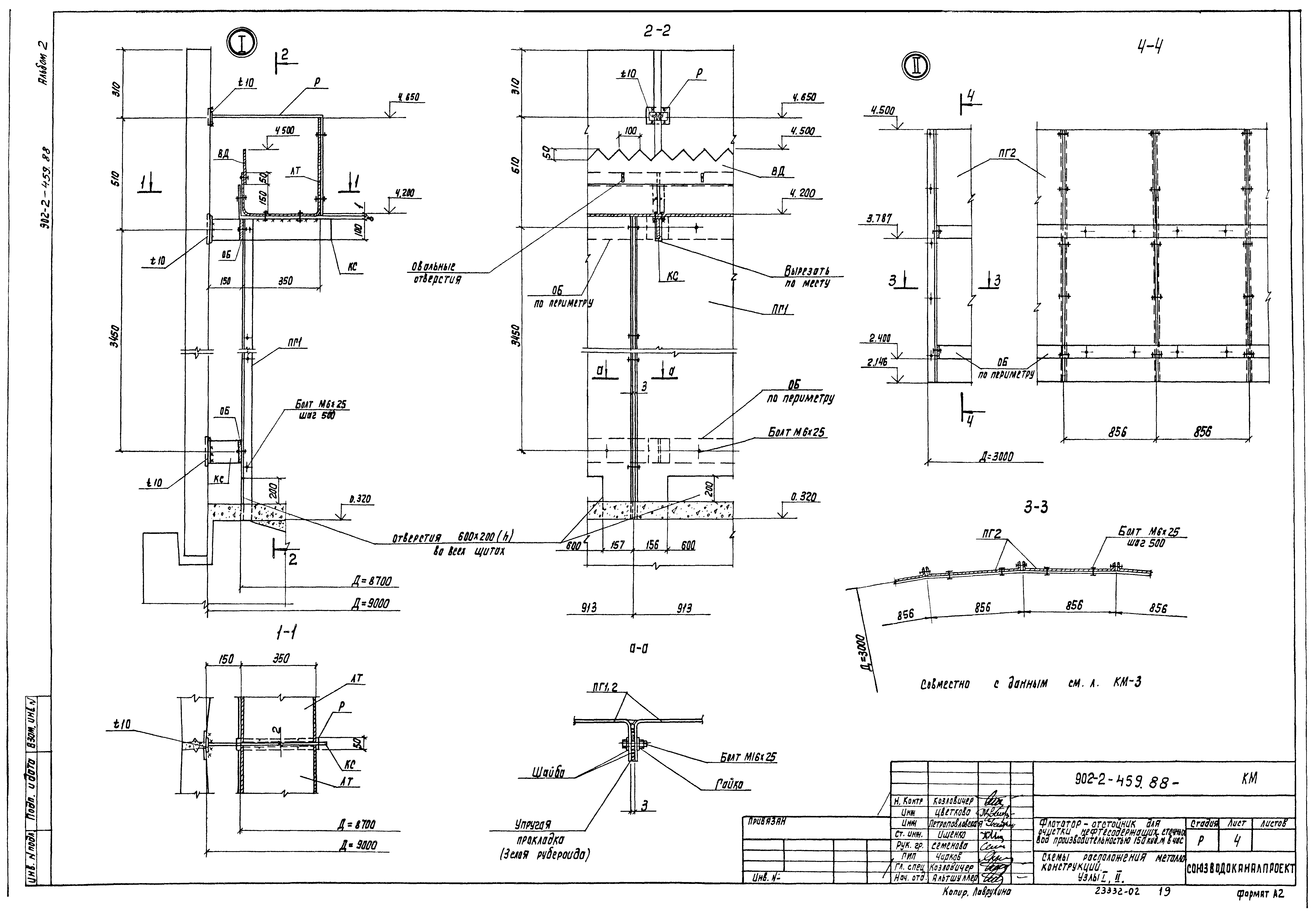
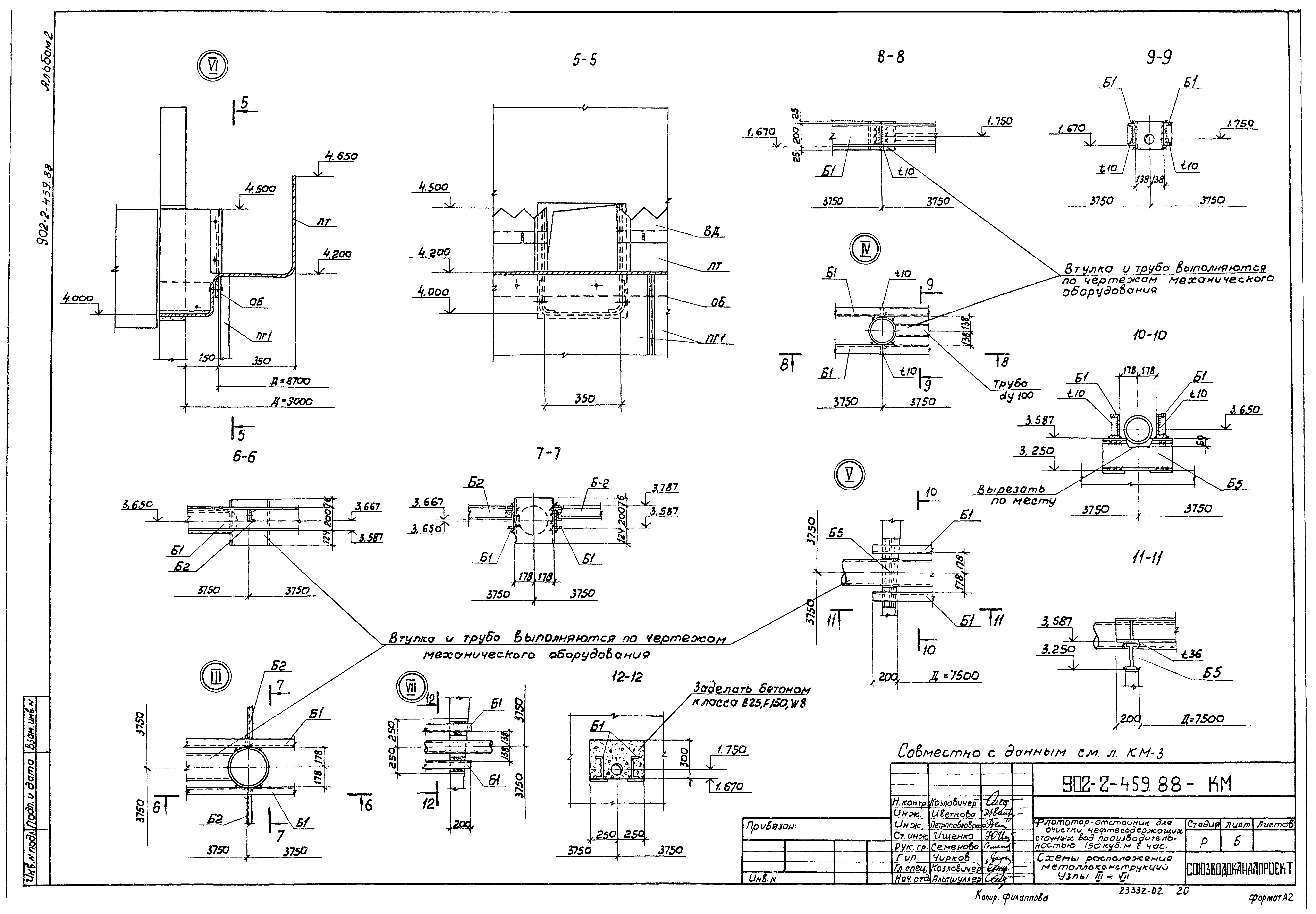
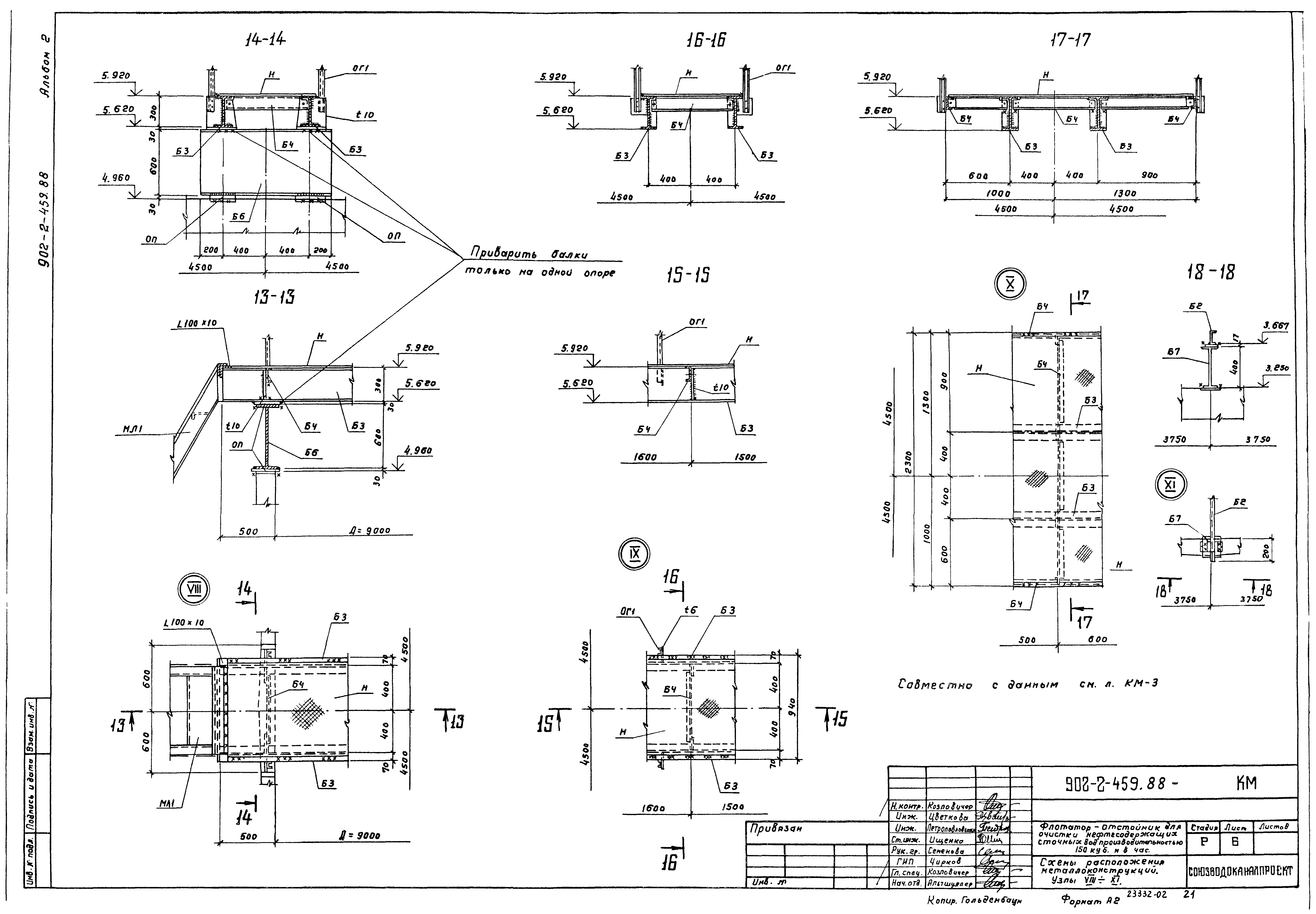
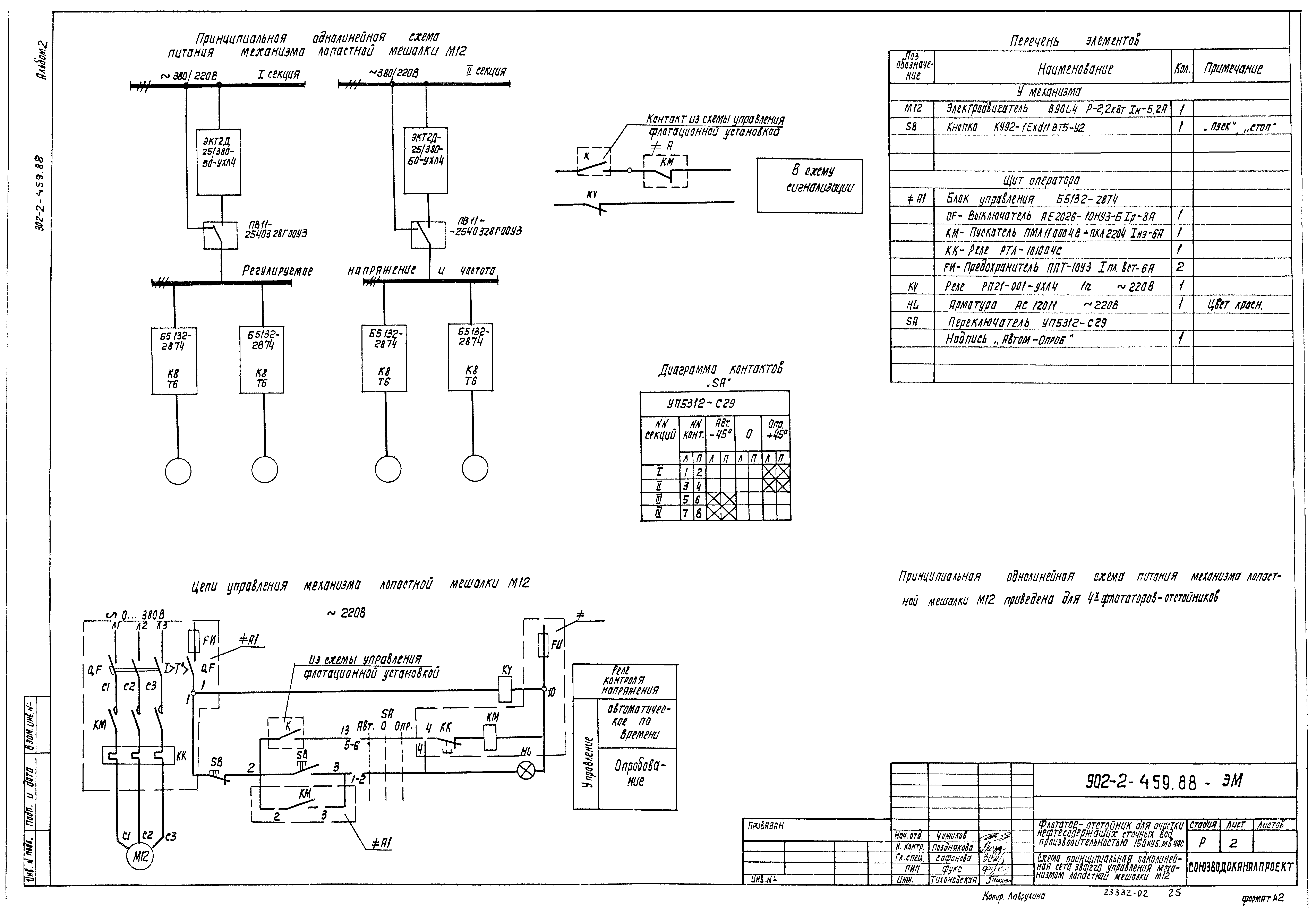
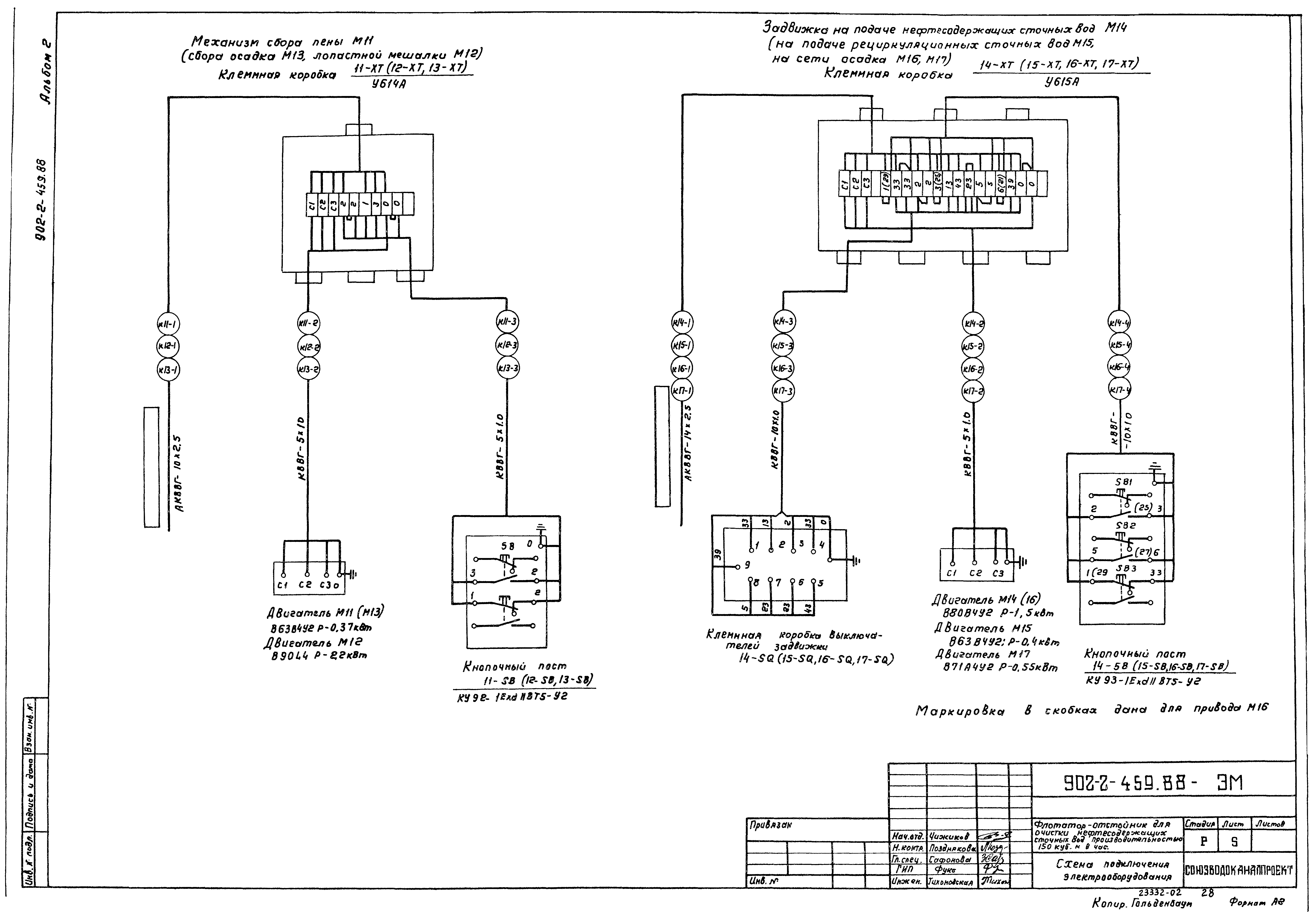
| Оглавление: | Титульный лист Содержание альбома Технологические решения Общие данные Пример компоновки флотационной установки Флотатор-отстойник. Монтажный чертеж. План. Разрезы. Узлы Спецификации оборудования Конструкции железобетонные Общие данные Планы. Разрезы. Узлы Днище. Опалубочный чертеж Днище. Арматурный чертеж Схема расположения стеновых панелей. Механический способ натяжения кольцевой арматуры Схема расположения стеновых панелей. Электротермический способ натяжения кольцевой арматуры Схема расположения стеновых панелей флотационной камеры Конструкции металлические Общие данные Схемы расположения металлоконструкций. План. Разрезы Схемы расположения металлоконструкций. Узлы I, II Схемы расположения металлоконструкций. Узлы III - VII Схемы расположения металлоконструкций. Узлы VIII - XI Организация строительства Общие данные. Схема строительного генерального плана График производства работ Электрооборудование и автоматика Общие данные. Схема принципиальная управления механизмом М11 (М13) Схема принципиальная однолинейная сети 380/220 В и управления механизмом лопастной мешалки М-12 Схема принципиальная управления задвижкой М-14 (М-15) Схема принципиальная управления задвижкой на сети осадка М16 (М17) Схема подключения электрооборудования Кабельный журнал Расположение электрооборудования и прокладка труб Спецификации оборудования |
| Разработан: | Союзводоканалниипроект |
| Утверждён: | 15.05.1988 Госстрой СССР (Государственный комитет Совета Министров СССР по делам строительства) (USSR Gosstroy 31) |
































