Скачать Типовые проектные решения 820-1-0111.92 Альбом 1. Пояснительная записка. Строительные решения. Железобетонные изделияДата актуализации: 01.01.2021
|
| Обозначение: | Типовые проектные решения 820-1-0111.92 |
| Обозначение англ: | 820-1-0111.92 |
| Статус: | справочные материалы, мп, тпр |
| Название рус.: | Альбом 1. Пояснительная записка. Строительные решения. Железобетонные изделия |
| Дата добавления в базу: | 01.09.2013 |
| Дата актуализации: | 01.01.2021 |
| Дата введения: | 28.02.1992 |
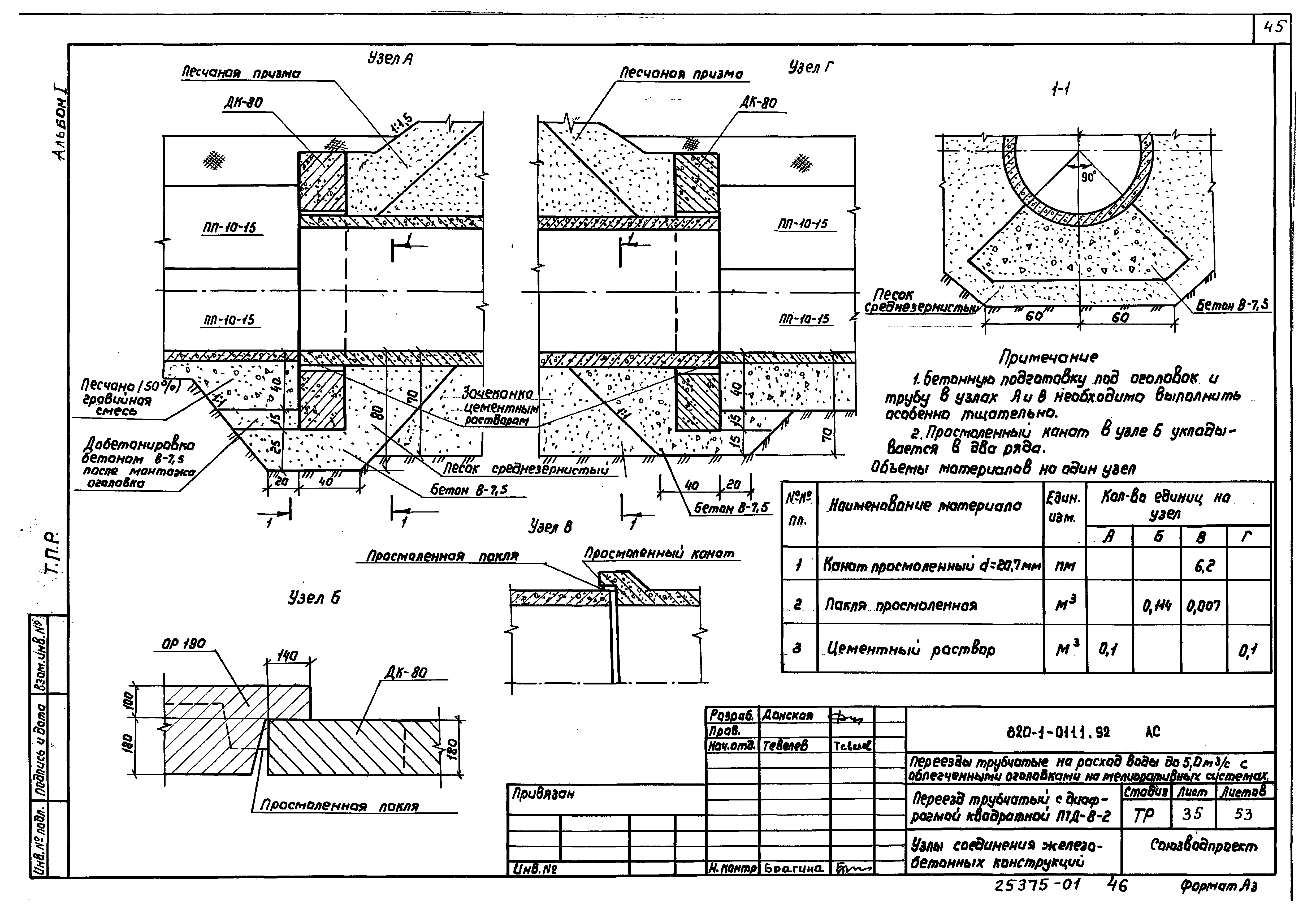
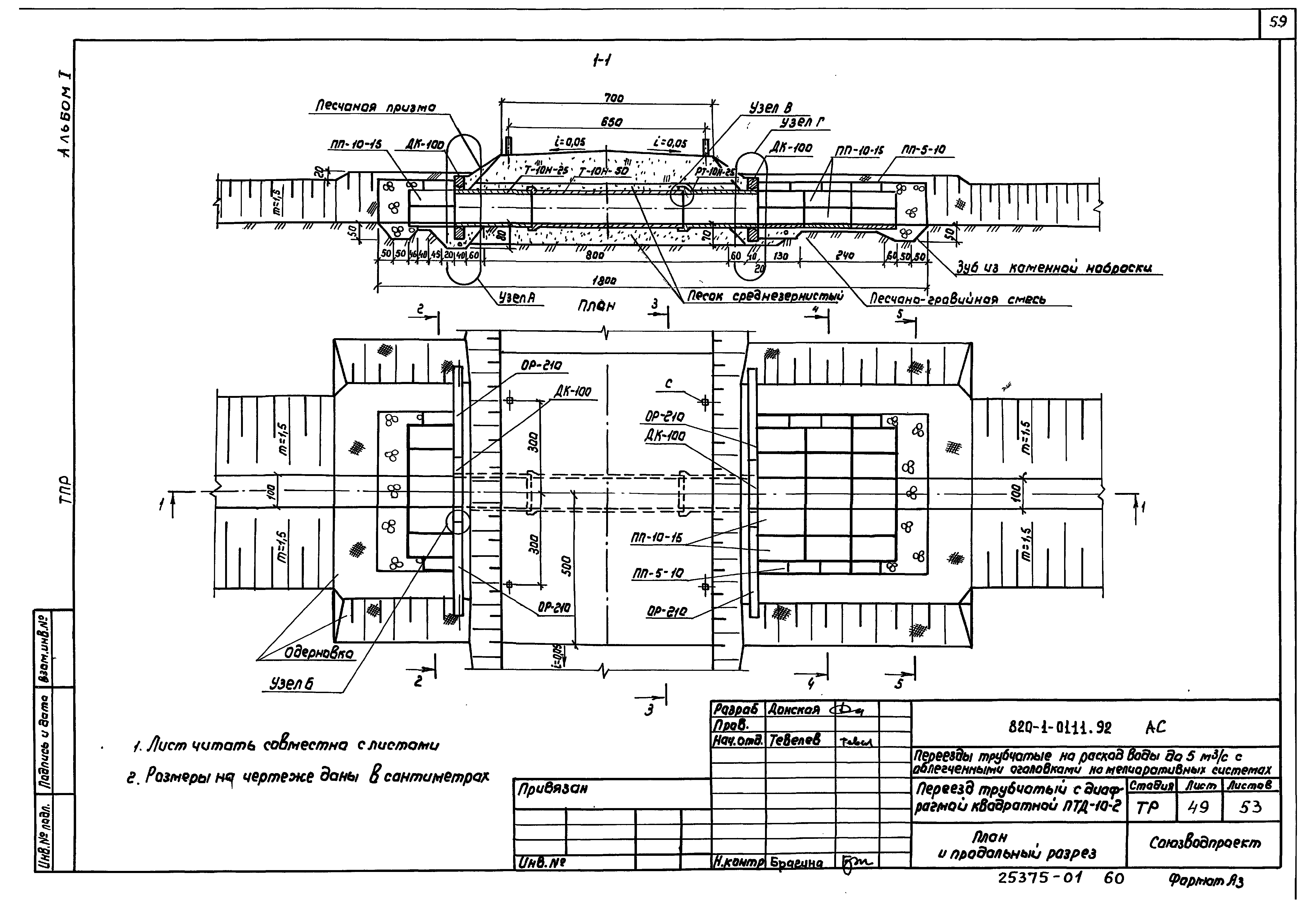
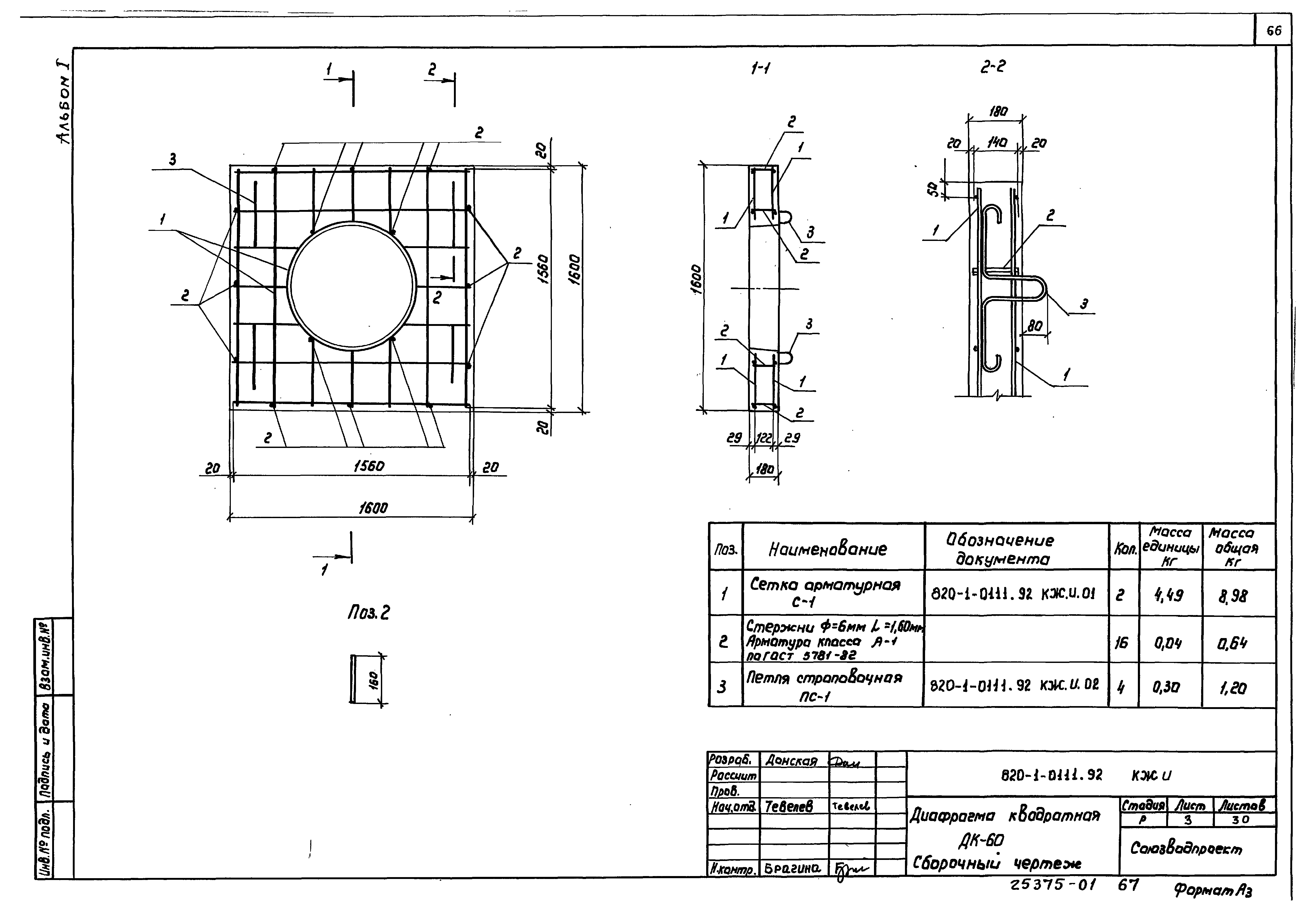
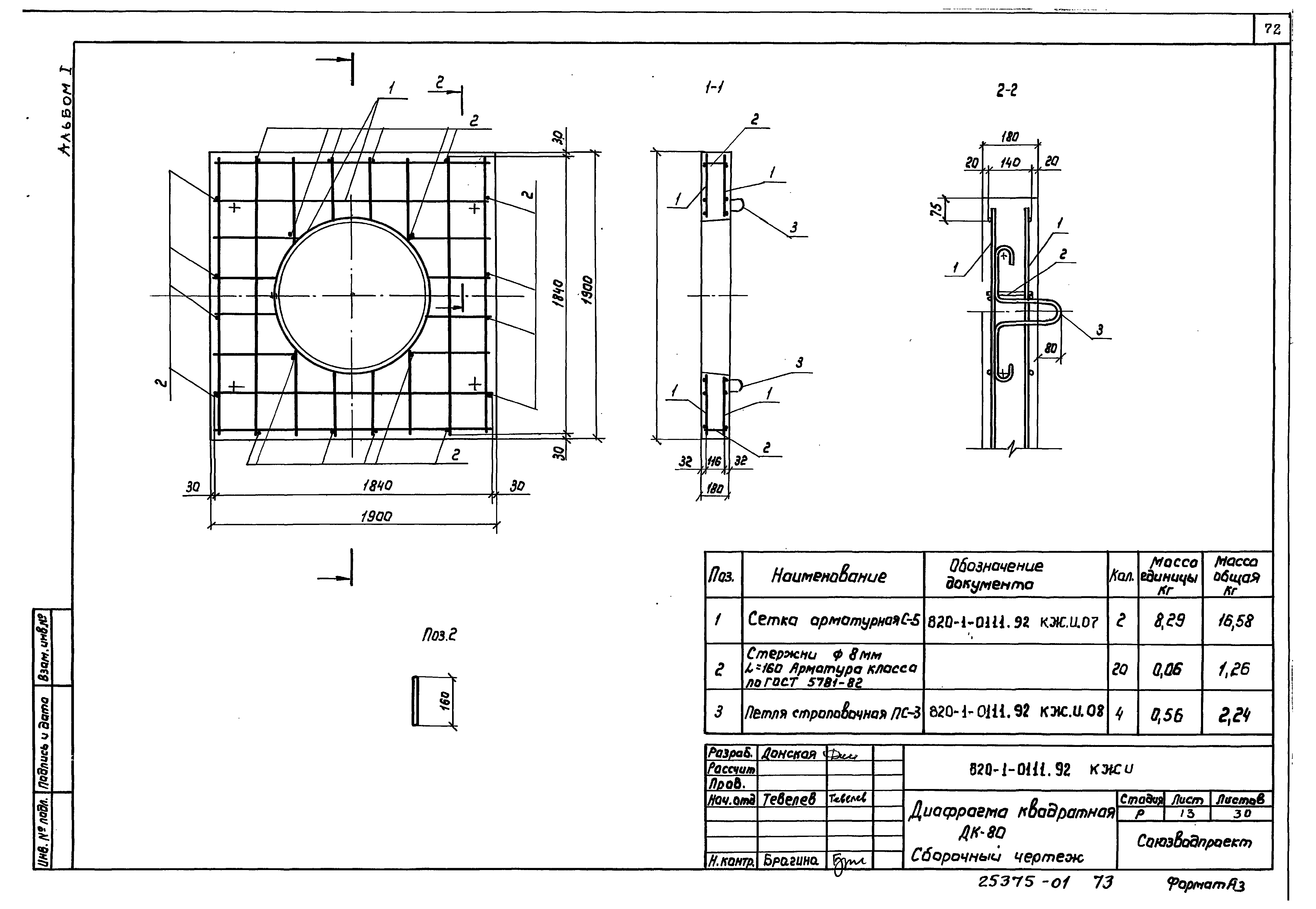
| Оглавление: | ТП 820-1-0111.92-ПЗ-1 Пояснительная записка ТП 820-1-0111.92-АС-1 Общие данные ТП 820-1-0111.92-АС-4 Графики пропускной способности ТП 820-1-0111.92-АС-5 Переезд трубчатый с облегченными оголовками ПТО-6-1. План и продольный разрез ТП 820-1-0111.92-АС-6 Переезд трубчатый с облегченными оголовками ПТО-6-1. Поперечные разрезы ТП 820-1-0111.92-АС-7 Переезд трубчатый с облегченными оголовками ПТО-6-1. Узлы соединения железобетонных конструкций ТП 820-1-0111.92-АС-8 Переезд трубчатый с облегченными оголовками ПТО-6-1. Ведомость объемов строительных и монтажных работ ТП 820-1-0111.92-АС-9 Переезд трубчатый с облегченными оголовками ПТО-6-2. План и продольный разрез ТП 820-1-0111.92-АС-10 Переезд трубчатый с облегченными оголовками ПТО-6-2. Поперечные разрезы ТП 820-1-0111.92-АС-11 Переезд трубчатый с облегченными оголовками ПТО-6-2. Узлы соединения железобетонных конструкций ТП 820-1-0111.92-АС-12 Переезд трубчатый с облегченными оголовками ПТО-6-2. Ведомость объемов строительных и монтажных работ ТП 820-1-0111.92-АС-13 Переезд трубчатый с диафрагмой квадратной ПДТ-6-1. План и продольный разрез ТП 820-1-0111.92-АС-14 Переезд трубчатый с диафрагмой квадратной ПДТ-6-1. Поперечные разрезы ТП 820-1-0111.92-АС-15 Переезд трубчатый с диафрагмой квадратной ПДТ-6-1. Узлы соединения железобетонных конструкций ТП 820-1-0111.92-АС-16 Переезд трубчатый с диафрагмой квадратной ПДТ-6-1. Ведомость объемов строительных и монтажных работ ТП 820-1-0111.92-АС-17 Переезд трубчатый с диафрагмой квадратной ПДТ-6-2. План и продольный разрез ТП 820-1-0111.92-АС-18 Переезд трубчатый с диафрагмой квадратной ПДТ-6-2. Поперечные разрезы ТП 820-1-0111.92-АС-19 Переезд трубчатый с диафрагмой квадратной ПДТ-6-2. Узлы соединения железобетонных конструкций ТП 820-1-0111.92-АС-20 Переезд трубчатый с диафрагмой квадратной ПДТ-6-2. Ведомость объемов строительных и монтажных работ ТП 820-1-0111.92-АС-21 Переезд трубчатый с облегченными оголовками ПТО-8-1. План и продольный разрез ТП 820-1-0111.92-АС-22 Переезд трубчатый с облегченными оголовками ПТО-8-1. Поперечные разрезы ТП 820-1-0111.92-АС-23 Переезд трубчатый с облегченными оголовками ПТО-8-1. Узлы соединения железобетонных конструкций ТП 820-1-0111.92-АС-24 Переезд трубчатый с облегченными оголовками ПТО-8-1. Ведомость объемов строительных и монтажных работ ТП 820-1-0111.92-АС-25 Переезд трубчатый с облегченными оголовками ПТО-8-2. План и продольный разрез ТП 820-1-0111.92-АС-26 Переезд трубчатый с облегченными оголовками ПТО-8-2. Поперечные разрезы ТП 820-1-0111.92-АС-27 Переезд трубчатый с облегченными оголовками ПТО-8-2. Узлы соединения железобетонных конструкций ТП 820-1-0111.92-АС-28 Переезд трубчатый с облегченными оголовками ПТО-8-2. Ведомость объемов строительных и монтажных работ ТП 820-1-0111.92-АС-29 Переезд трубчатый с диафрагмой квадратной ПДТ-8-1. План и продольный разрез ТП 820-1-0111.92-АС-30 Переезд трубчатый с диафрагмой квадратной ПДТ-8-1. Поперечные разрезы ТП 820-1-0111.92-АС-31 Переезд трубчатый с диафрагмой квадратной ПДТ-8-1. Узлы соединения железобетонных конструкций ТП 820-1-0111.92-АС-32 Переезд трубчатый с диафрагмой квадратной ПДТ-8-1. Ведомость объемов строительных и монтажных работ ТП 820-1-0111.92-АС-33 Переезд трубчатый с диафрагмой квадратной ПДТ-8-2. План и продольный разрез ТП 820-1-0111.92-АС-34 Переезд трубчатый с диафрагмой квадратной ПДТ-8-2. Поперечные разрезы ТП 820-1-0111.92-АС-35 Переезд трубчатый с диафрагмой квадратной ПДТ-8-2. Узлы соединения железобетонных конструкций ТП 820-1-0111.92-АС-36 Переезд трубчатый с диафрагмой квадратной ПДТ-8-2. Ведомость объемов строительных и монтажных работ ТП 820-1-0111.92-АС-37 Переезд трубчатый с облегченными оголовками ПТО-10-1. План и продольный разрез ТП 820-1-0111.92-АС-38 Переезд трубчатый с облегченными оголовками ПТО-10-1. Поперечные разрезы ТП 820-1-0111.92-АС-39 Переезд трубчатый с облегченными оголовками ПТО-10-1. Узлы соединения железобетонных конструкций ТП 820-1-0111.92-АС-40 Переезд трубчатый с облегченными оголовками ПТО-10-1. Ведомость объемов строительных и монтажных работ ТП 820-1-0111.92-АС-41 Переезд трубчатый с облегченными оголовками ПТО-10-2. План и продольный разрез ТП 820-1-0111.92-АС-42 Переезд трубчатый с облегченными оголовками ПТО-10-2. Поперечные разрезы ТП 820-1-0111.92-АС-43 Переезд трубчатый с облегченными оголовками ПТО-10-2. Узлы соединения железобетонных конструкций ТП 820-1-0111.92-АС-44 Переезд трубчатый с облегченными оголовками ПТО-10-2. Ведомость объемов строительных и монтажных работ ТП 820-1-0111.92-АС-45 Переезд трубчатый с диафрагмой квадратной ПДТ-10-1. План и продольный разрез ТП 820-1-0111.92-АС-46 Переезд трубчатый с диафрагмой квадратной ПДТ-10-1. Поперечные разрезы ТП 820-1-0111.92-АС-47 Переезд трубчатый с диафрагмой квадратной ПДТ-10-1. Узлы соединения железобетонных конструкций ТП 820-1-0111.92-АС-48 Переезд трубчатый с диафрагмой квадратной ПДТ-10-1. Ведомость объемов строительных и монтажных работ ТП 820-1-0111.92-АС-49 Переезд трубчатый с диафрагмой квадратной ПДТ-10-2. План и продольный разрез ТП 820-1-0111.92-АС-50 Переезд трубчатый с диафрагмой квадратной ПДТ-10-2. Поперечные разрезы ТП 820-1-0111.92-АС-51 Переезд трубчатый с диафрагмой квадратной ПДТ-10-2. Узлы соединения железобетонных конструкций ТП 820-1-0111.92-АС-52 Переезд трубчатый с диафрагмой квадратной ПДТ-10-2. Ведомость объемов строительных и монтажных работ ТП 820-1-0111.92-АС-53 Покрытие проезжей части ТП 820-1-0111.92-КЖИ-1 Диафрагма квадратная ДК-60. Опалубочный чертеж ТП 820-1-0111.92-КЖИ-2 Сетка арматурная С-1 ТП 820-1-0111.92-КЖИ-3 Диафрагма квадратная ДК-60. Сборочный чертеж ТП 820-1-0111.92-КЖИ-4 Петля строповочная ПС-1 ТП 820-1-0111.92-КЖИ-5 Открылок ребристый ОР-160. Опалубочный чертеж ТП 820-1-0111.92-КЖИ-6 Открылок ребристый ОР-160. Сборочный чертеж ТП 820-1-0111.92-КЖИ-7 Сетка арматурная С-2 ТП 820-1-0111.92-КЖИ-8 Сетка арматурная С-3 ТП 820-1-0111.92-КЖИ-9 Сетка арматурная С-4 ТП 820-1-0111.92-КЖИ-10 Петля строповочная ПС-2 ТП 820-1-0111.92-КЖИ-11 Диафрагма квадратная ДК-80. Опалубочный чертеж ТП 820-1-0111.92-КЖИ-12 Сетка арматурная С-5 ТП 820-1-0111.92-КЖИ-13 Диафрагма квадратная ДК-80. Сборочный чертеж ТП 820-1-0111.92-КЖИ-14 Петля строповочная ПС-3 ТП 820-1-0111.92-КЖИ-15 Открылок ребристый ОР-190. Опалубочный чертеж ТП 820-1-0111.92-КЖИ-16 Открылок ребристый ОР-190. Сборочный чертеж ТП 820-1-0111.92-КЖИ-17 Сетка арматурная С-6 ТП 820-1-0111.92-КЖИ-18 Сетка арматурная С-7 ТП 820-1-0111.92-КЖИ-19 Сетка арматурная С-8 ТП 820-1-0111.92-КЖИ-20 Петля строповочная ПС-4 ТП 820-1-0111.92-КЖИ-21 Диафрагма квадратная ДК-100. Опалубочный чертеж ТП 820-1-0111.92-КЖИ-22 Сетка арматурная С-9 ТП 820-1-0111.92-КЖИ-23 Диафрагма квадратная ДК-100. Сборочный чертеж ТП 820-1-0111.92-КЖИ-24 Петля строповочная ПС-5 ТП 820-1-0111.92-КЖИ-25 Открылок ребристый ОР-210. Опалубочный чертеж ТП 820-1-0111.92-КЖИ-26 Открылок ребристый ОР-210. Сборочный чертеж ТП 820-1-0111.92-КЖИ-27 Сетка арматурная С-10 ТП 820-1-0111.92-КЖИ-28 Сетка арматурная С-11 ТП 820-1-0111.92-КЖИ-29 Сетка арматурная С-12 ТП 820-1-0111.92-КЖИ-30 Петля строповочная ПС-6 |
| Разработан: | Союзводпроект Минводстроя СССР |
| Утверждён: | 28.02.1992 Союзводпроект (872) |
| Заменяет собой: |
|


















































































