Скачать Типовой проект 902-1-107.87 Альбом IV. Строительные решения. Подземная частьДата актуализации: 01.01.2021
|
| Обозначение: | Типовой проект 902-1-107.87 |
| Обозначение англ: | 902-1-107.87 |
| Статус: | не определен законодательством |
| Название рус.: | Альбом IV. Строительные решения. Подземная часть |
| Дата добавления в базу: | 01.09.2013 |
| Дата актуализации: | 01.01.2021 |
| Дата введения: | 18.08.1987 |
| Дата окончания срока действия: | 30.06.2003 |
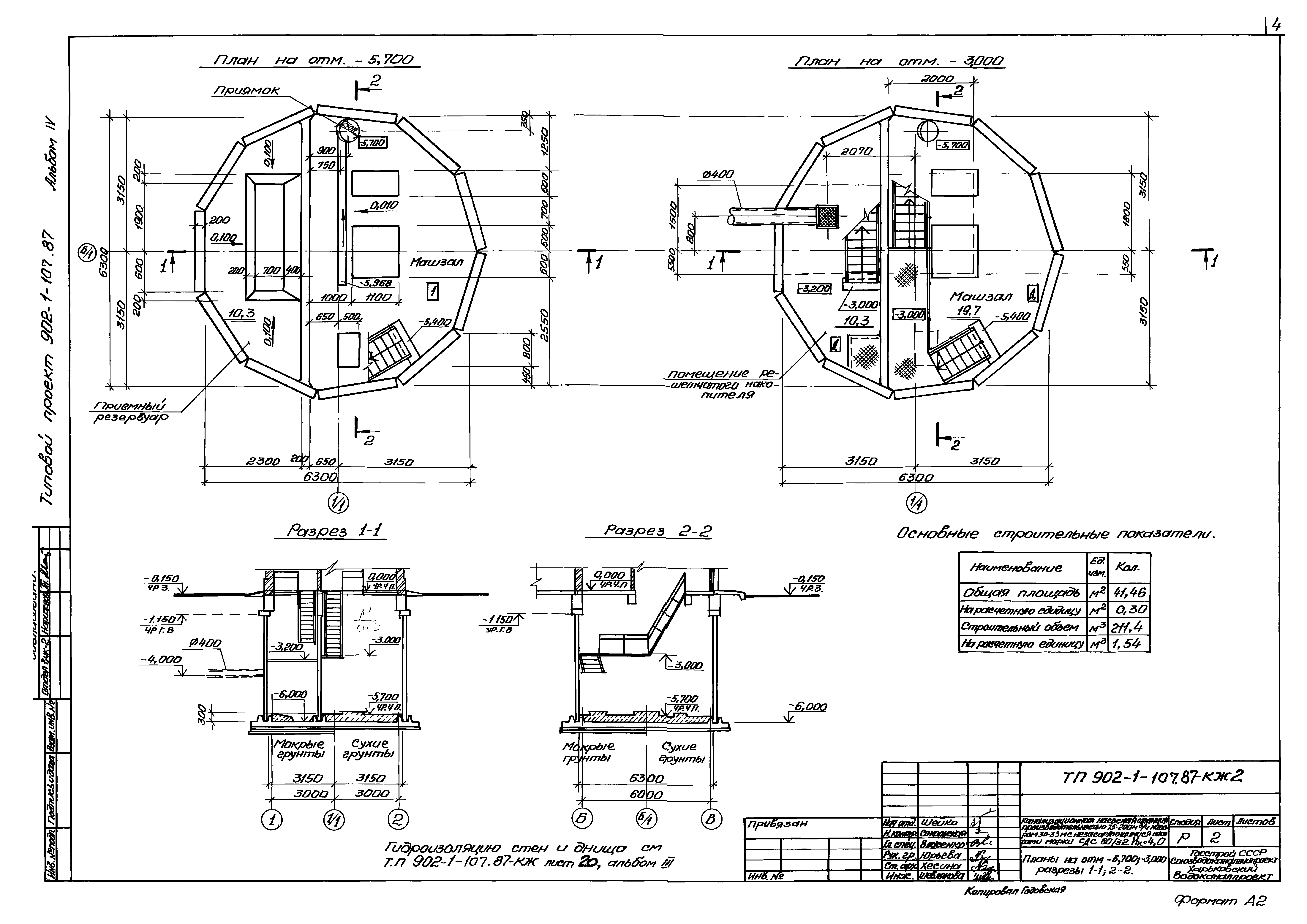
| Оглавление: | ТП 902-1-107.87 Содержание ТП 902-1-107.87-КЖ2 Основной комплект чертежей марки КЖ 2 ТП 902-1-107.87-КЖ2-1 Общие данные ТП 902-1-107.87-КЖ2-2 Планы на отм. -5.700. Разрезы 1-1,2-2 ТП 902-1-107.87-КЖ2-3 Схема расположения конструкций подземной части ТП 902-1-107.87-КЖ2-4 Плита днища ПДМ1,ПДМ2. Общий вид и схема армирования ТП 902-1-107.87-КЖ2-5 Плита днища ПДМ1,ПДМ2. Схема расположения каркасов. Спецификация ТП 902-1-107.87-КЖ2-6 Схема расположения стеновых панелей ТП 902-1-107.87-КЖ2-7 Схема расположения стеновых панелей. Узлы 3-5 ТП 902-1-107.87-КЖ2-8 Схема расположения стеновых панелей. Узлы 6-10 ТП 902-1-107.87-КЖ2-9 Спецификация к схеме расположения стеновых панелей ТП 902-1-107.87-КМ Основной комплект чертежей марки КМ ТП 902-1-107.87-КМ-1 Общие данные (начало) ТП 902-1-107.87-КМ-2 Общие данные (окончание) ТП 902-1-107.87-КМ-3 Схема расположения металлических лестниц и площадок (начало) ТП 902-1-107.87-КМ-4 Схема расположения металлических лестниц и площадок (окончание) |
| Разработан: | Харьковский Водоканалпроект |
| Утверждён: | 12.06.1987 Госстрой СССР (Государственный комитет Совета Министров СССР по делам строительства) (USSR Gosstroy А4-60) |















