Скачать Типовой проект 901-3-233.87 Альбом II. Вихревые смесители. Архитектурные решения. Конструкции железобетонные и металлические. Технологическая, санитарно-техническая, электротехническая части и автоматизацияДата актуализации: 01.01.2021
|
| Обозначение: | Типовой проект 901-3-233.87 |
| Обозначение англ: | 901-3-233.87 |
| Статус: | не определен законодательством |
| Название рус.: | Альбом II. Вихревые смесители. Архитектурные решения. Конструкции железобетонные и металлические. Технологическая, санитарно-техническая, электротехническая части и автоматизация |
| Дата добавления в базу: | 01.09.2013 |
| Дата актуализации: | 01.01.2021 |
| Дата введения: | 13.02.1985 |
| Дата окончания срока действия: | 30.06.2003 |
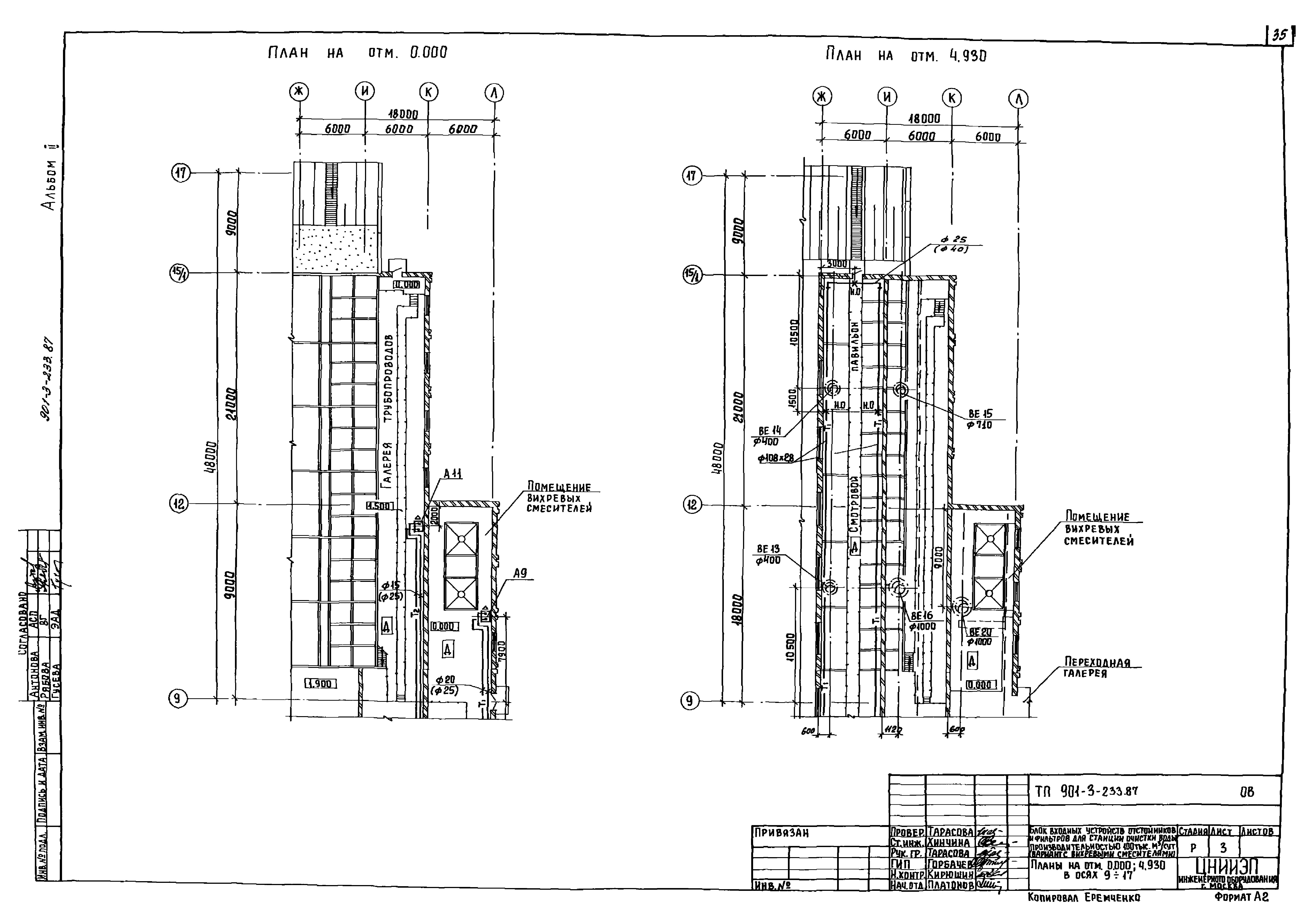
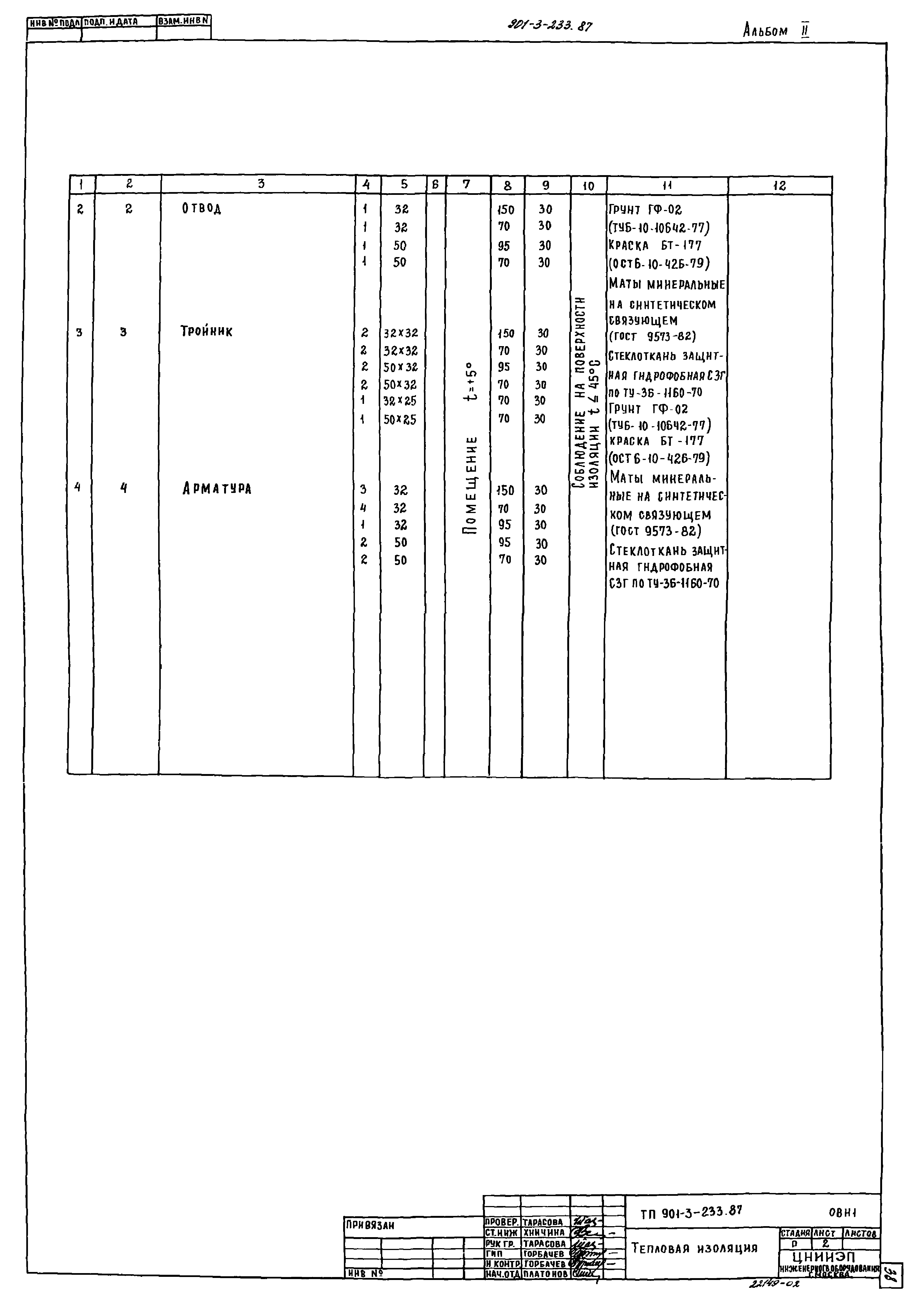
| Оглавление: | ТП 901-3-233.87 Содержание ТП 901-3-233.87-АР Архитектурные решения ТП 901-3-233.87-АР-1 Общие данные ТП 901-3-233.87-АР-2 План на отм. 0.000 ТП 901-3-233.87-АР-3 План на отм. 4.800. Схемы заполнения оконных проемов ТП 901-3-233.87-АР-4 Разрезы 1-1;2-2 ТП 901-3-233.87-АР-5 Фасады 17-1;1-17;Ж-А;А-Ж ТП 901-3-233.87-АР-6 Ведомости: проемов ворот и дверей, перемычек, отделки помещений. Спецификации перемычек и элементов заполнения проемов ТП 901-3-233.87-АР-7 Планы полов и кровли. Экспликация полов ТП 901-3-233.87-АР-8 Франменты планов 1 и 2 очередей строительства ТП 901-3-233.87-КЖ Конструкции железобетонные ТП 901-3-233.87-КЖ-1 Общие данные ТП 901-3-233.87-КЖ-1 Схема расположения ленточных фундаментов, опор, приямков и лотков. Виды 1-1;2-2. Сечения 3-3÷6-6. Узлы ТП 901-3-233.87-КЖ-1 Схема расположения ленточных фундаментов, опор, приямков и лотков. Виды 7-7;9-9. Сечения 8-8;10-10÷15-15. Опоры ТП 901-3-233.87-КЖ-1 Фрагмент 1. Виды 16-16;17-17;20-20. Сечения 18-18;19-19;21-21÷27-27 ТП 901-3-233.87-КЖ-1 Вихрнвой смеситель. Общий вид ТП 901-3-233.87-КЖ-1 Вихрнвой смеситель. Арматурный чертеж. Разрезы 1-1÷7-7 ТП 901-3-233.87-КЖ-1 Вихрнвой смеситель. Арматурный чертеж. Разрезы 9-9÷12-12 ТП 901-3-233.87-КЖ-1 Вихрнвой смеситель. Спецификация монолитной конструкции ТП 901-3-233.87-КЖ-1 Схема расположения плит покрытия на отм. 8.400 ТП 901-3-233.87-КМ Конструкции металлические ТП 901-3-233.87-КМ-1 Общие данные. Техническая спецификация стали (начало) ТП 901-3-233.87-КМ-2 Общие данные. Техническая спецификация стали (окончание) ТП 901-3-233.87-КМ-3 Общие данные. Ведомость металлоконструкций по видам профилей ТП 901-3-233.87-КМ-4 Схема расподложения подвесных путей ТП 901-3-233.87-КМ-5 Схема расподложения площадок на отм. 1.450;1.600;1.900;3.000 и опор ТП 901-3-233.87-КМ-6 Схема расподложения площадок. Разрезы 1-1÷8-8 ТП 901-3-233.87-КМ-7 Схема расподложения площадок на отм. 1.450;1.600;1.900;3.300 и опор. Площадки ПМ1;ПМ2. Опора ОС1. Разрезы 9-9÷14-14. Узлы 1-6 ТП 901-3-233.87-КМ-8 Схема расподложения площадок на отм. 3.000;4.800 и 5.400. Разрезы 15-15÷22-22 ТП 901-3-233.87-КМ-9 Схема расподложения площадок. Узлы 7-18 ТП 901-3-233.87-ТХ Технологические решения ТП 901-3-233.87-ТХ-1 Общие данные ТП 901-3-233.87-ТХ-2 Планы на отм.3.000 и 5.400. 1 секция ТП 901-3-233.87-ТХ-3 Планы на отм.3.000 и 5.400. 2 секция ТП 901-3-233.87-ТХ-4 Разрезы 1-1÷3-3 ТП 901-3-233.87-ТХ-5 Схемы В7,К3 и К5 ТП 901-3-233.87-ОВ Отопление и вентиляция ТП 901-3-233.87-ОВ-1 Общие данные ТП 901-3-233.87-ОВ-2 Планы на отм. 0.000;4.930 в осях 1-9 ТП 901-3-233.87-ОВ-3 Планы на отм. 0.000;4.930 в осях 9-17 ТП 901-3-233.87-ОВ-4 Узел управления. Схема системы отопления. Схемы вентиляции ВЕ 11-20 ТП 901-3-233.87 Прилагаемые документы ТП 901-3-233.87-ОВН-1 Тепловая изоляция ТП 901-3-233.87-ЭМ Электротехническая часть ТП 901-3-233.87-ЭМ-1 Общие данные ТП 901-3-233.87-ЭМ-2 Схема электрическая принципиальная распределительной сети ~380/220 В ТП 901-3-233.87-ЭМ-3 Схема электрическая принципиальная управления отопительными агрегатами МА9-МА13. Схема подключения электрооборудования ЯУА9-ЯУА13 ТП 901-3-233.87-ЭМ-4 Схема подключения электрооборудования. Пускатели КМ1-КМ14. Сводка кабелей и проводов, ухтенных кабельным журналом ТП 901-3-233.87-ЭМ-5 Кабельный журнал. Первая секция ТП 901-3-233.87-ЭМ-6 Кабельный журнал. Вторая секция ТП 901-3-233.87-ЭМ-7 Размещение электрооборудования и проклпдка кабеля. План на отм. 0.000;1.900;4.800. Первая секция ТП 901-3-233.87-ЭМ-8 Размещение электрооборудования и проклпдка кабеля. План на отм. 0.000;1.900;4.800. Вторая секция ТП 901-3-233.87-ЭМ-9 Прокладка троллейного шинопровода для электрической тали Т. План на отм. ТП 901-3-233.87-АТХ Автоматизация и технологический контроль ТП 901-3-233.87-АТХ-1 Общие данные. Схема автоматизации ТП 901-3-233.87-АТХ-2 Схема внешних проводок ТП 901-3-233.87-АТХ-3 Размещение приборов и устройств технологического контроля. План на отм. 0.000;1.900;4.800 ТП 901-3-233.87-ЭО Электрическое освещение ТП 901-3-233.87-ЭО-1 Общие данные ТП 901-3-233.87-ЭО-2 Электрическое освещение. План на отм. 0.000 ТП 901-3-233.87-ЭО-3 Электрическое освещение. План на отм. 4.800 |
| Разработан: | ЦНИИЭП |
| Утверждён: | 13.02.1985 Госгражданстрой (Gosgrazhdanstroy 43) |





















































