Скачать Типовой проект 901-6-97.89 Альбом 4. Изделия строительныеДата актуализации: 01.01.2021
|
| Обозначение: | Типовой проект 901-6-97.89 |
| Обозначение англ: | 901-6-97.89 |
| Статус: | не определен законодательством |
| Название рус.: | Альбом 4. Изделия строительные |
| Дата добавления в базу: | 01.09.2013 |
| Дата актуализации: | 01.01.2021 |
| Дата введения: | 17.10.1989 |
| Дата окончания срока действия: | 30.06.2003 |
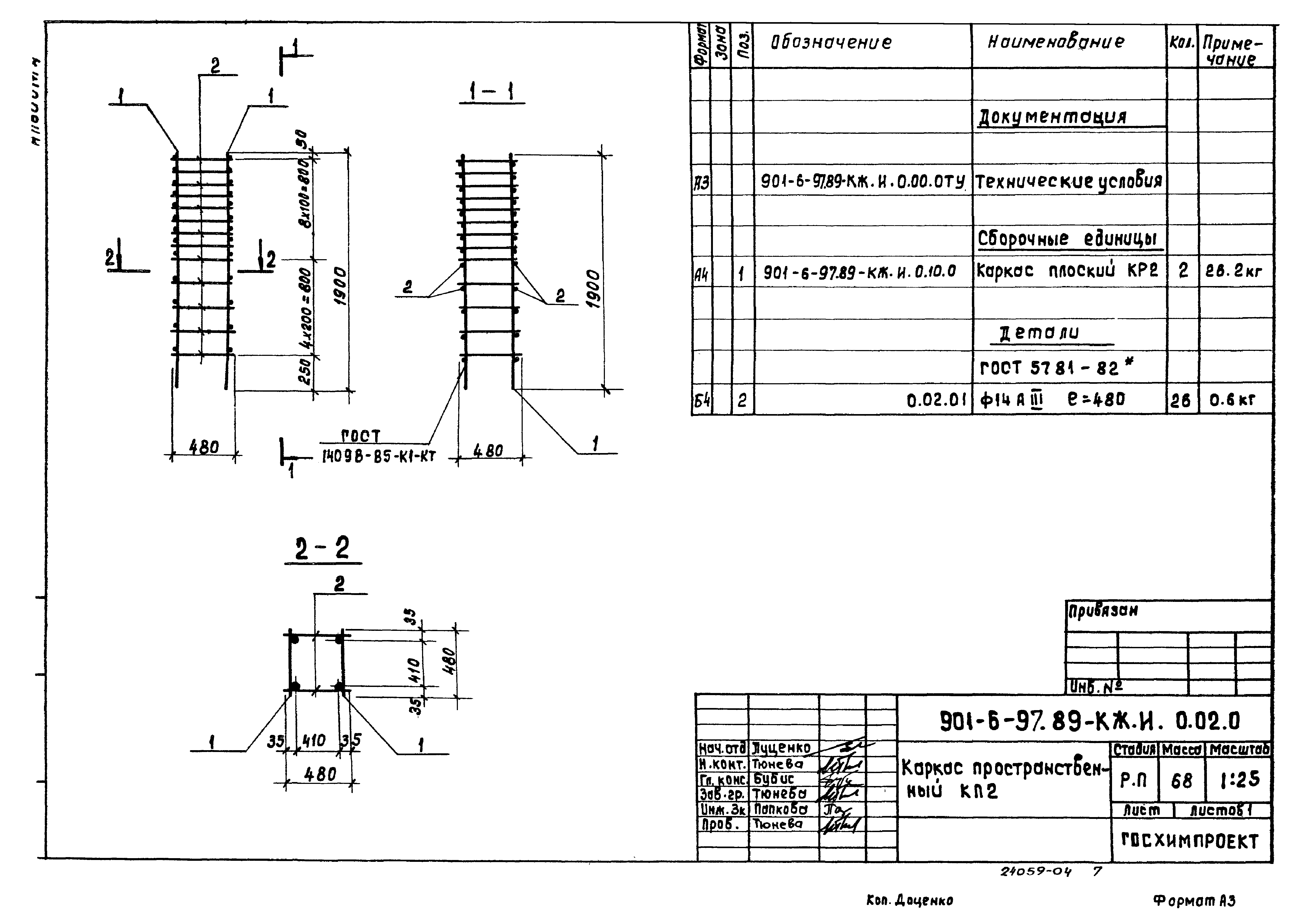
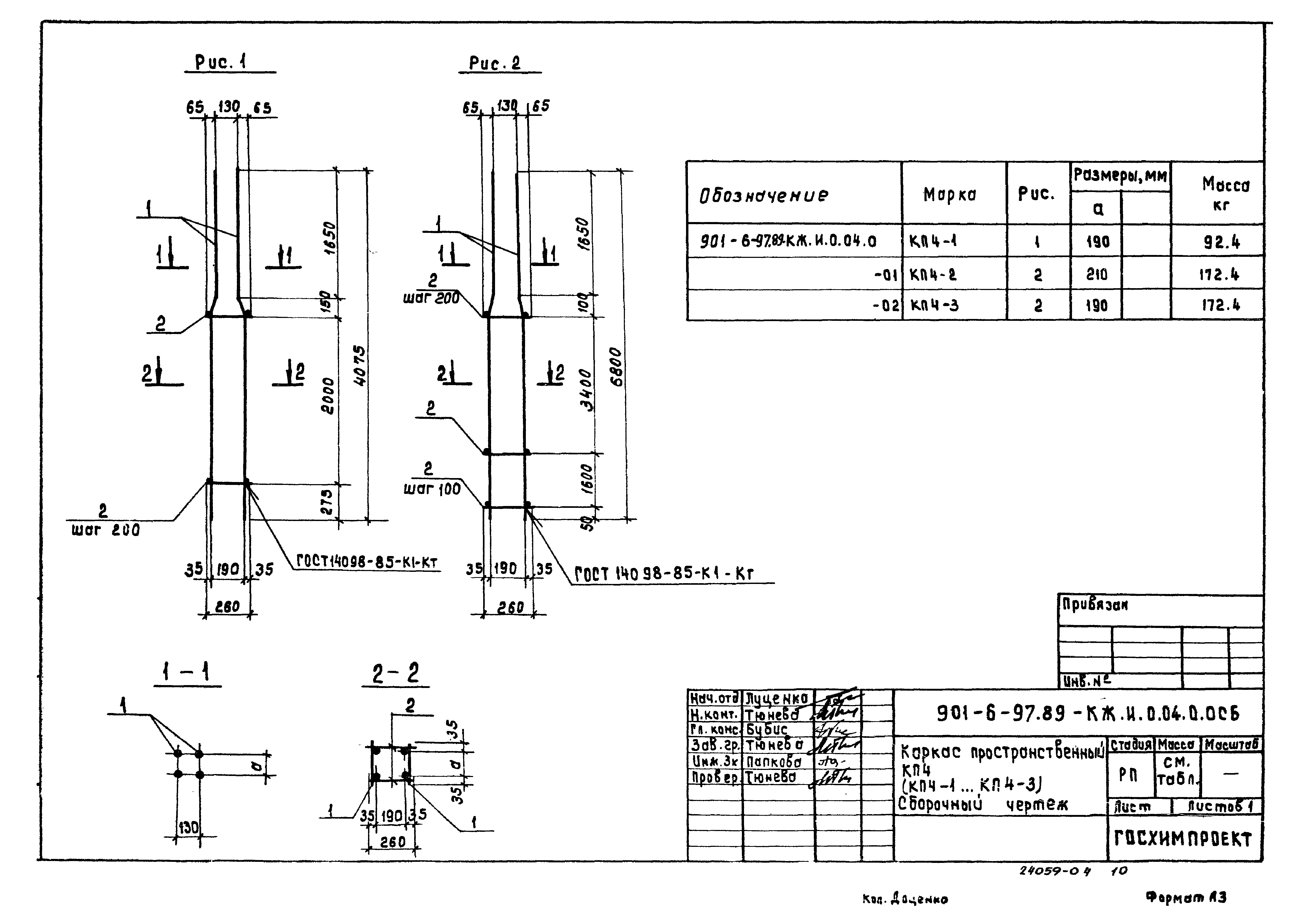
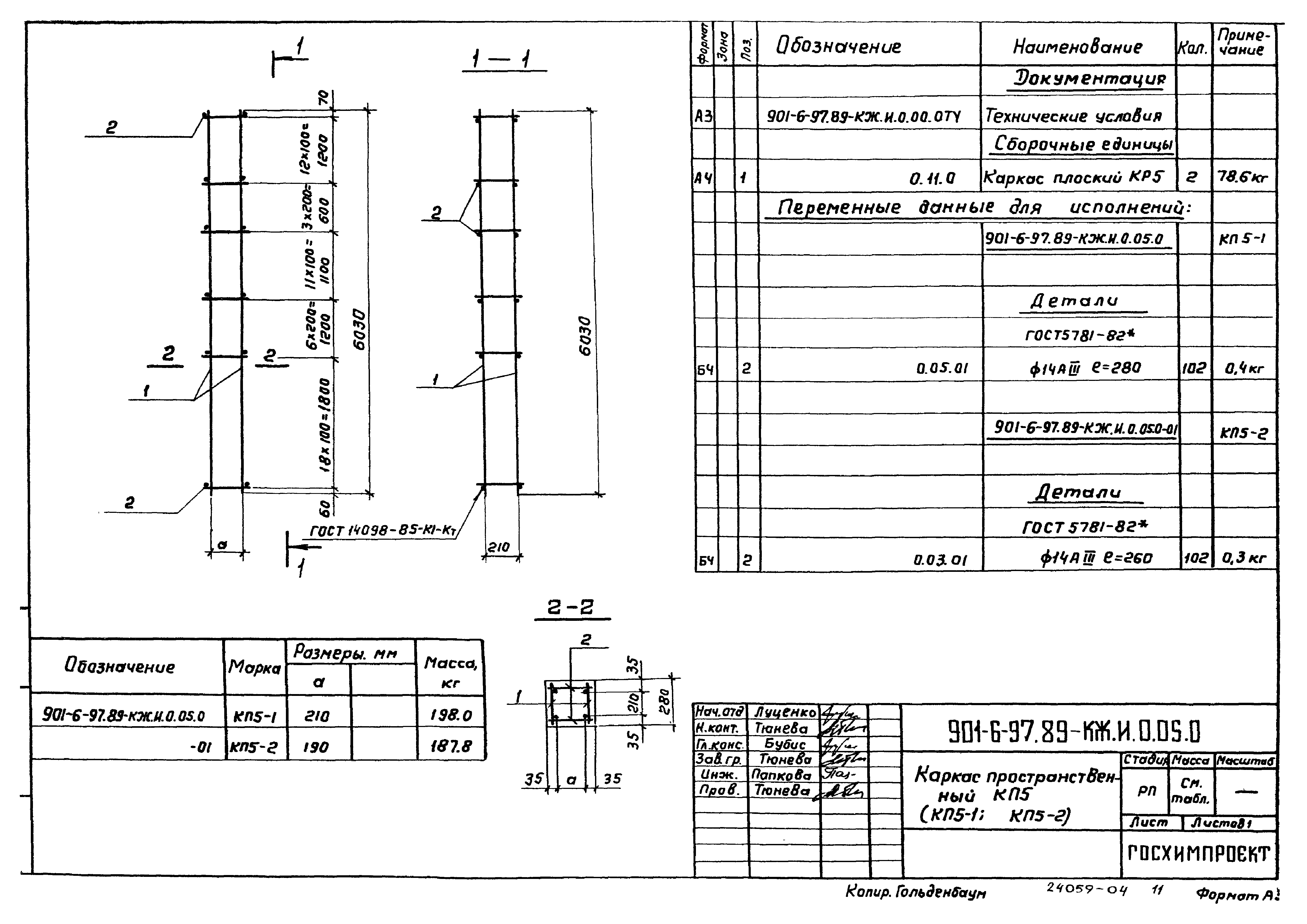
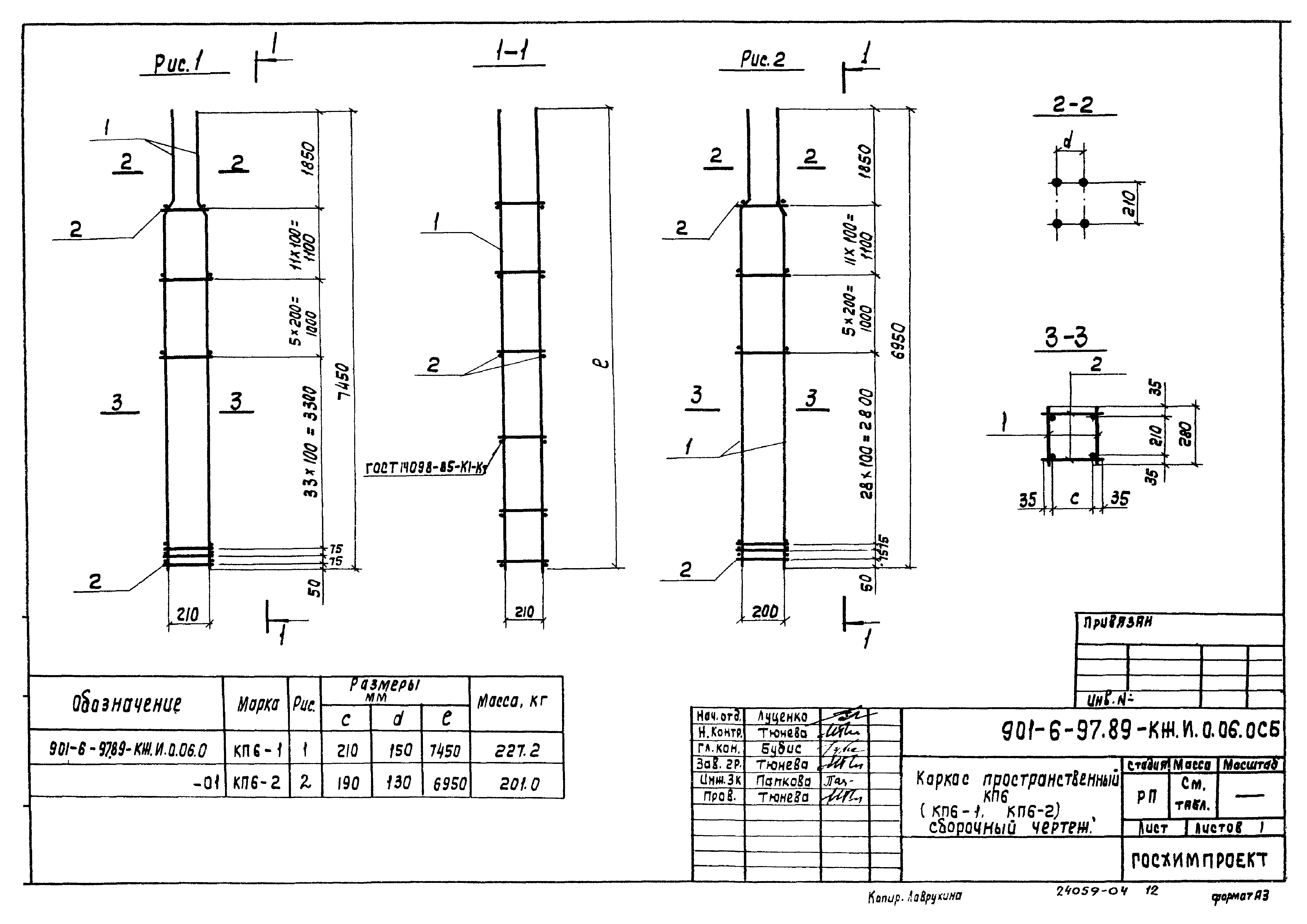
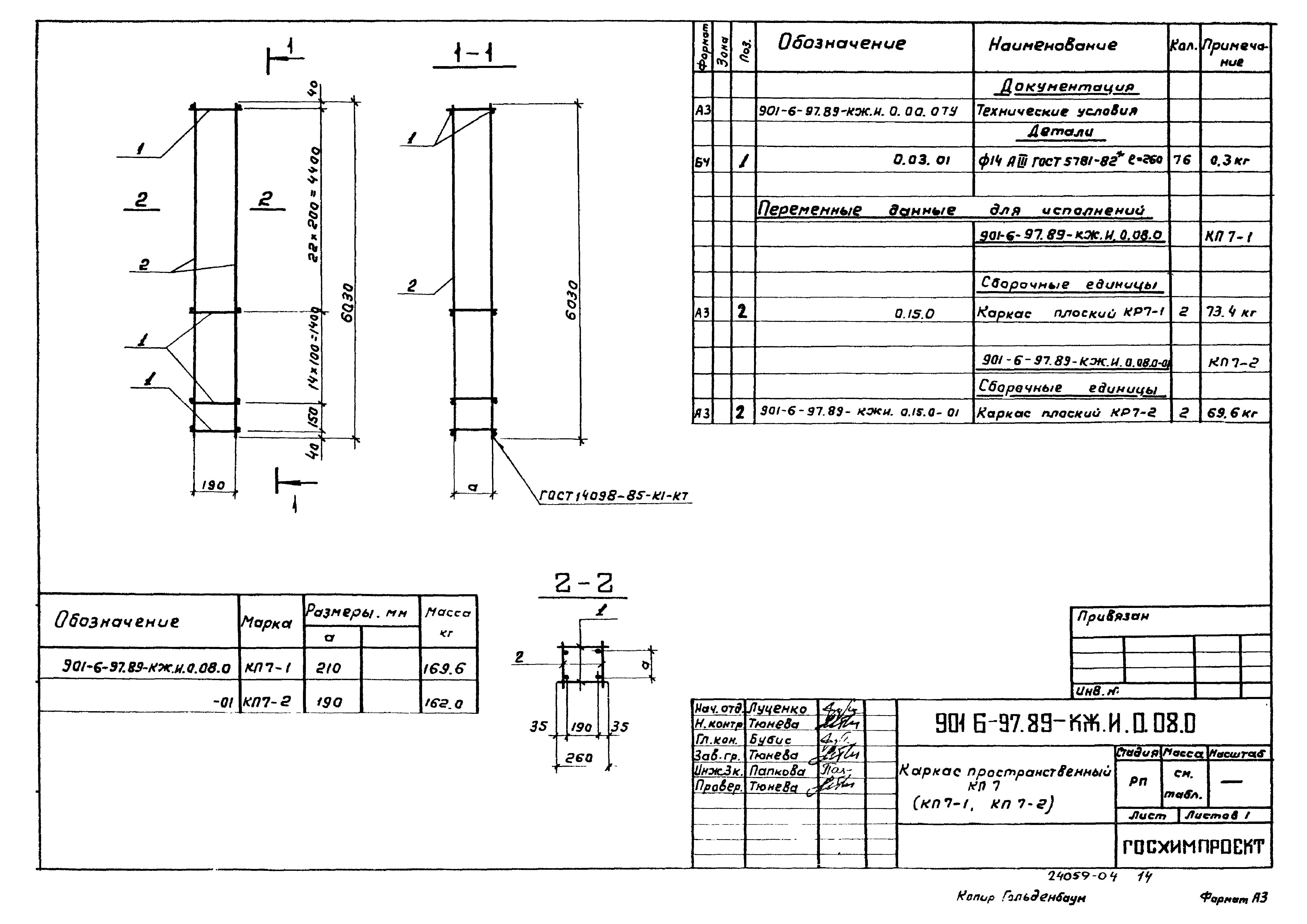
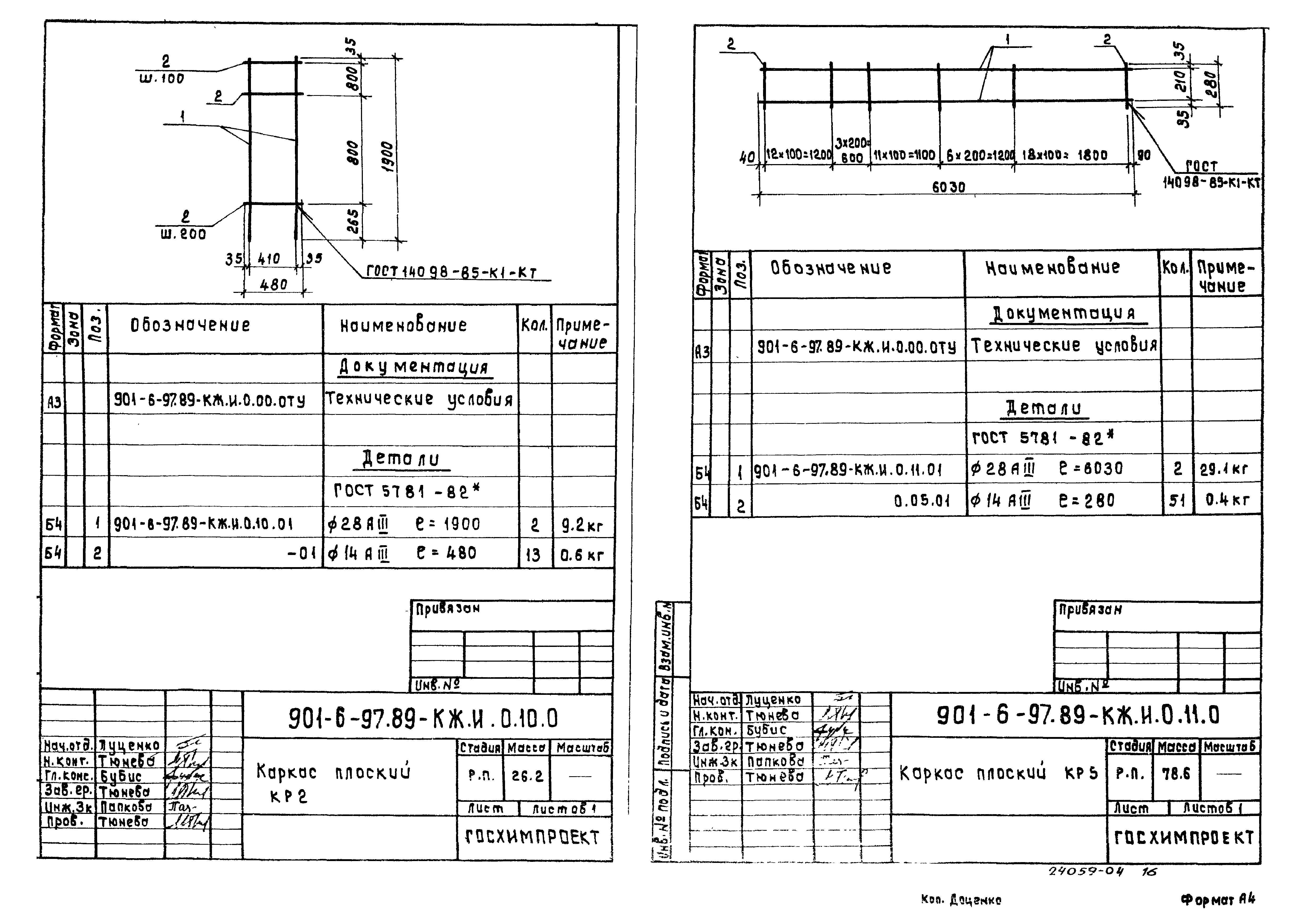
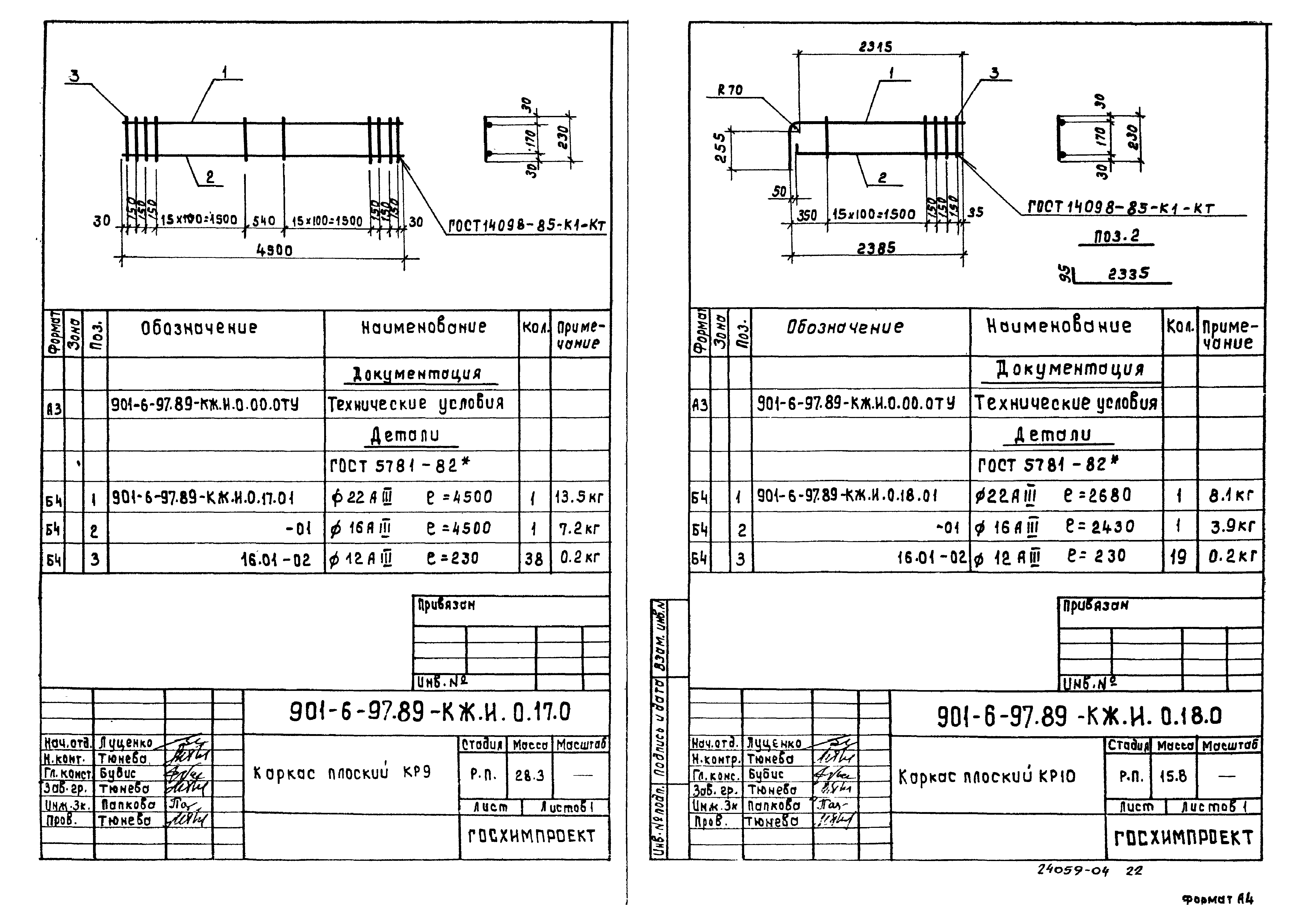
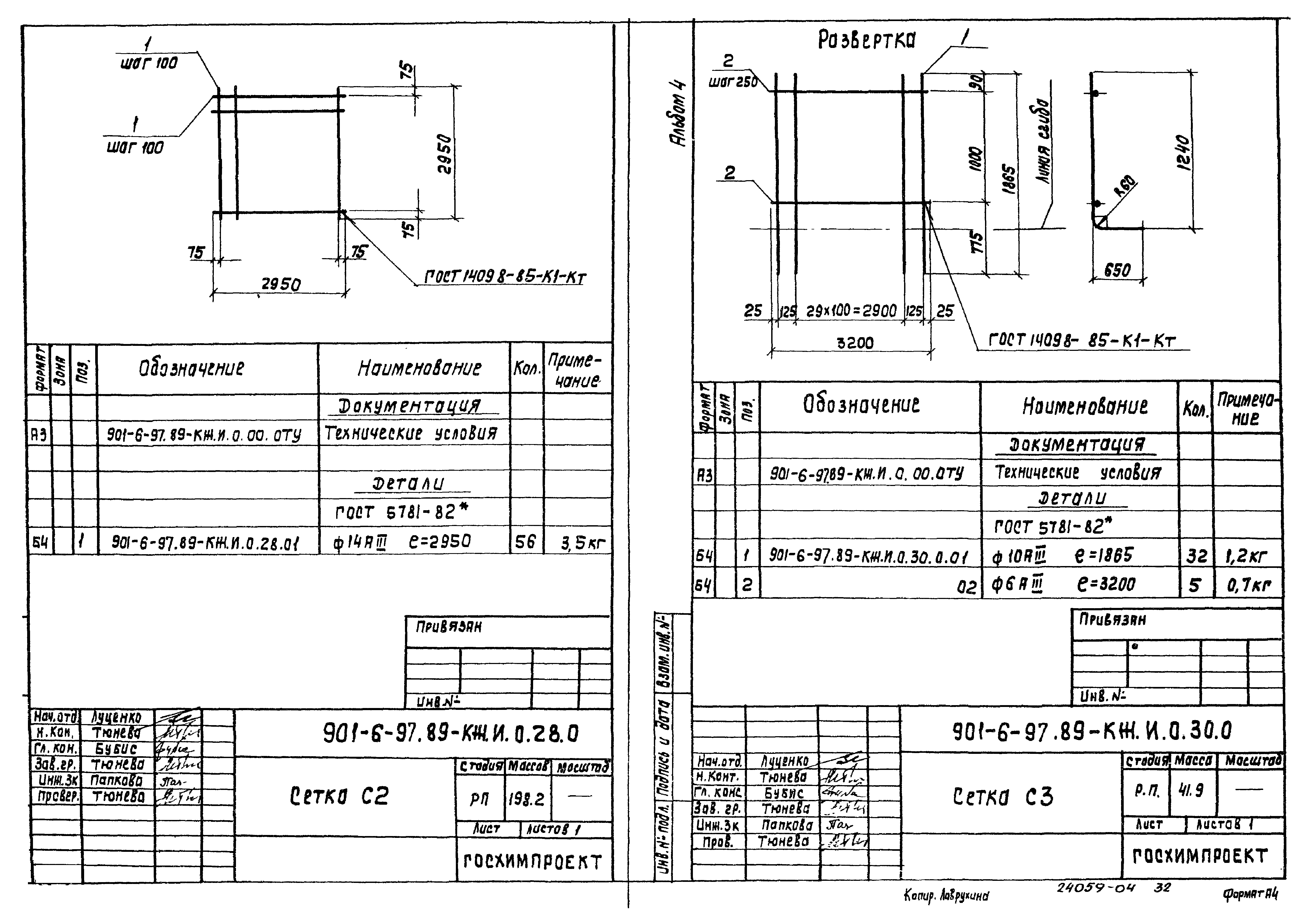
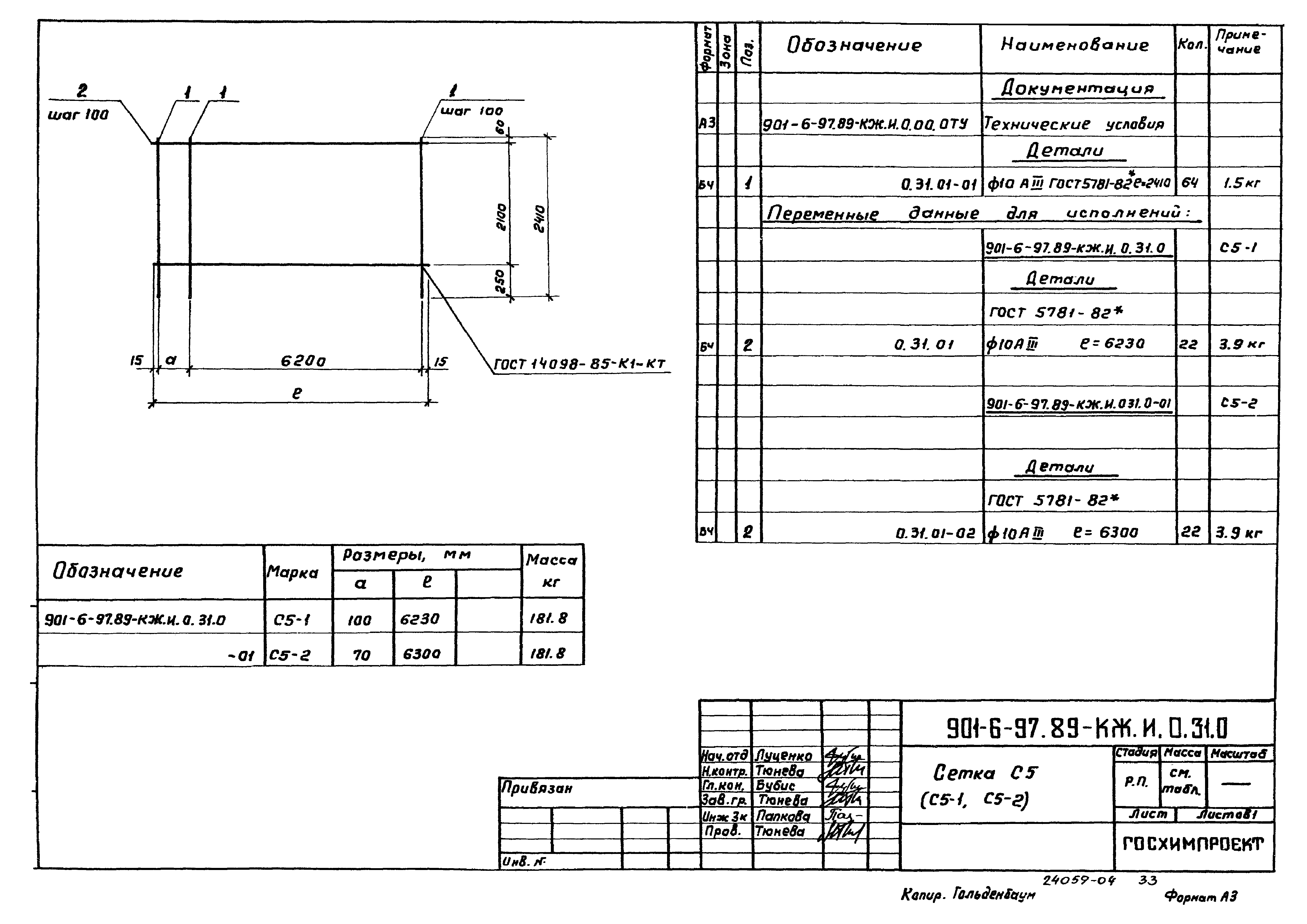
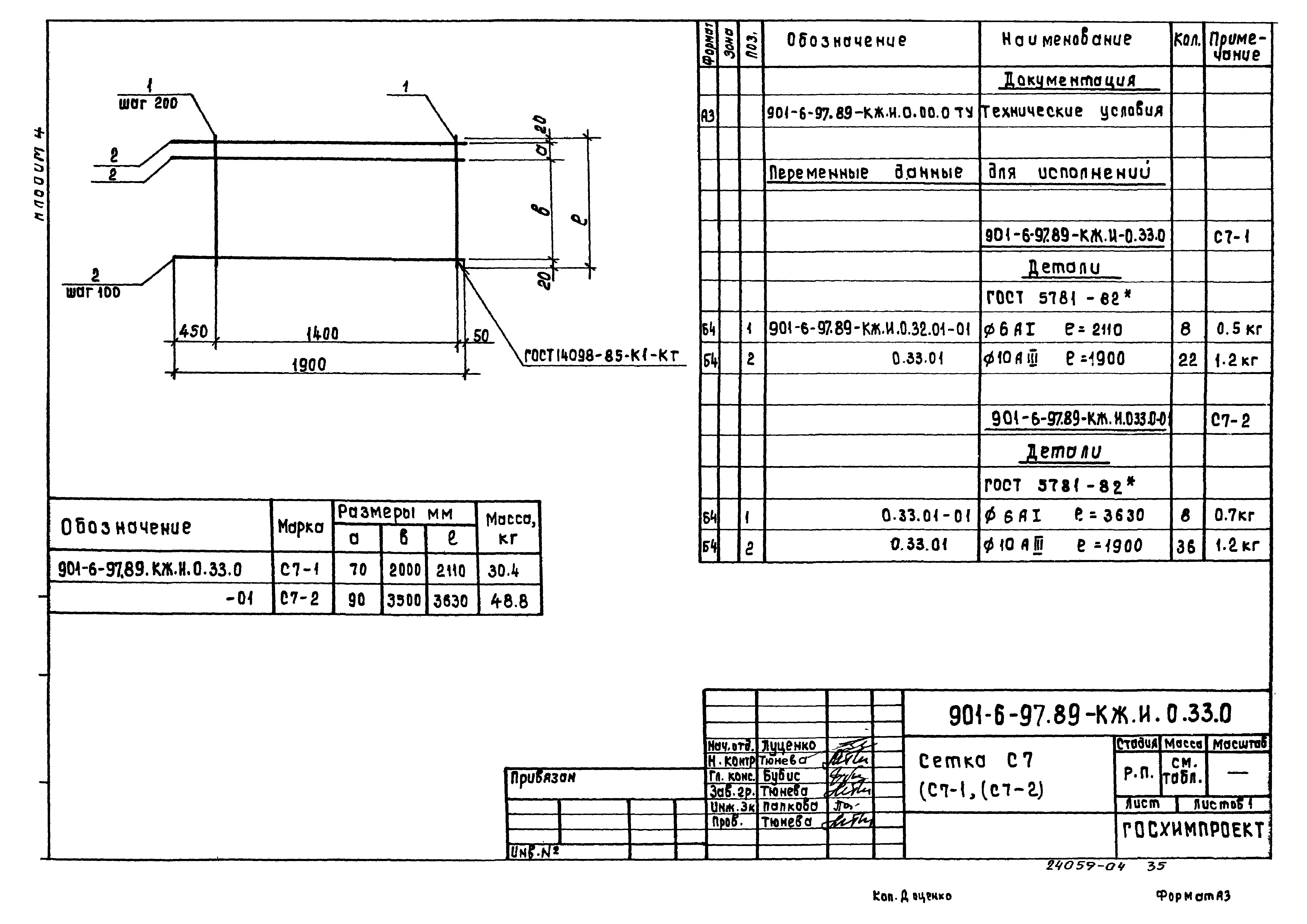
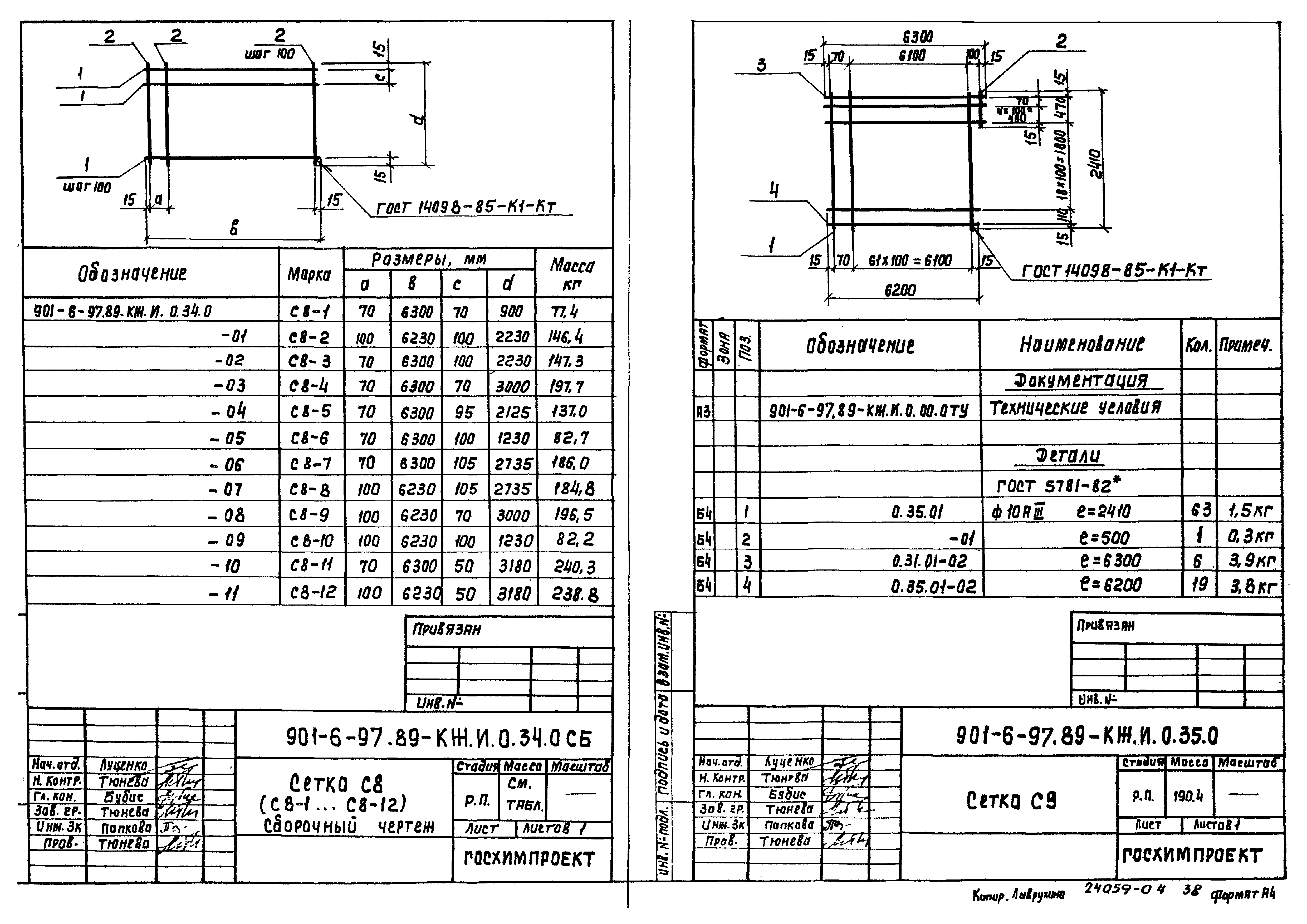
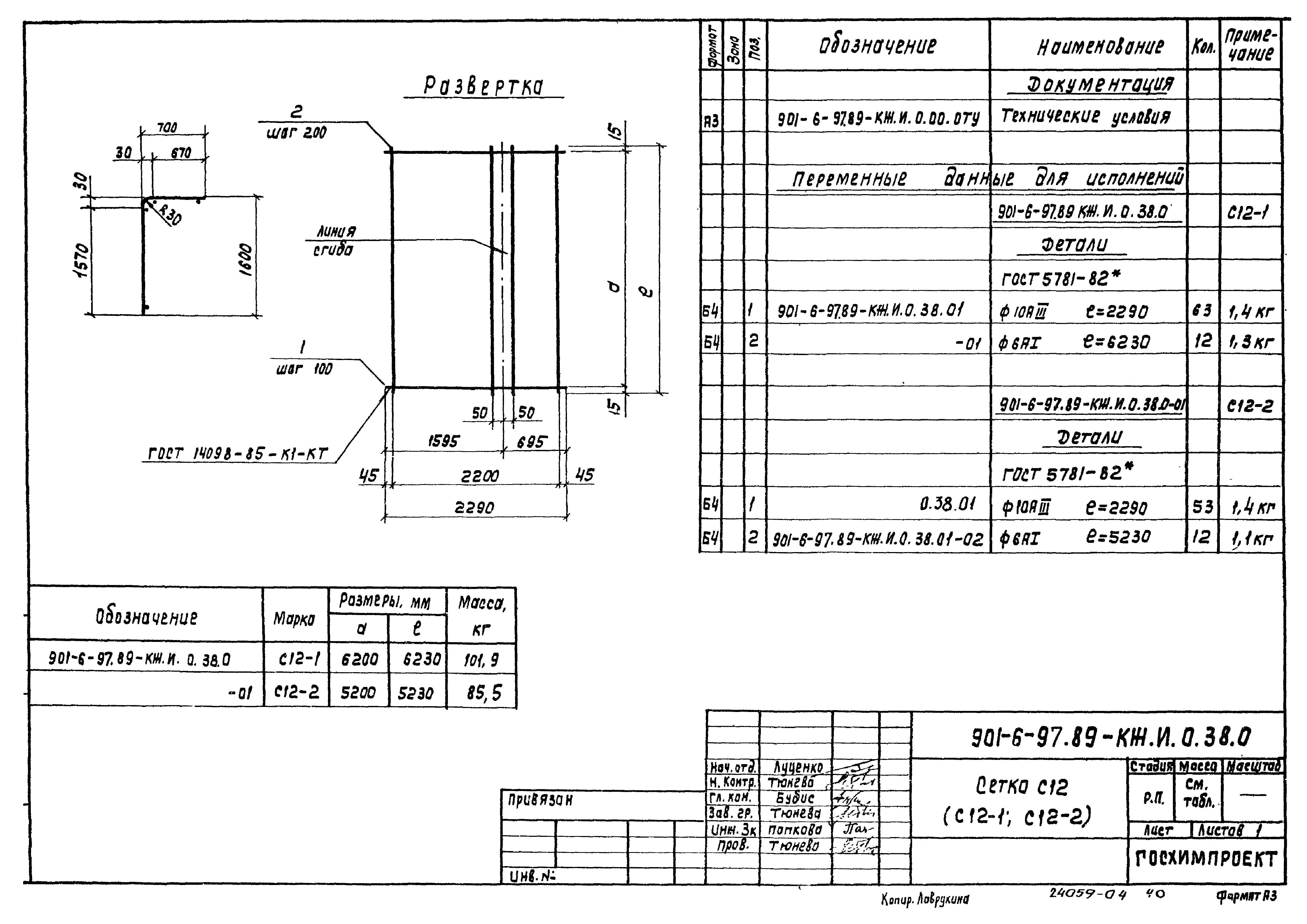
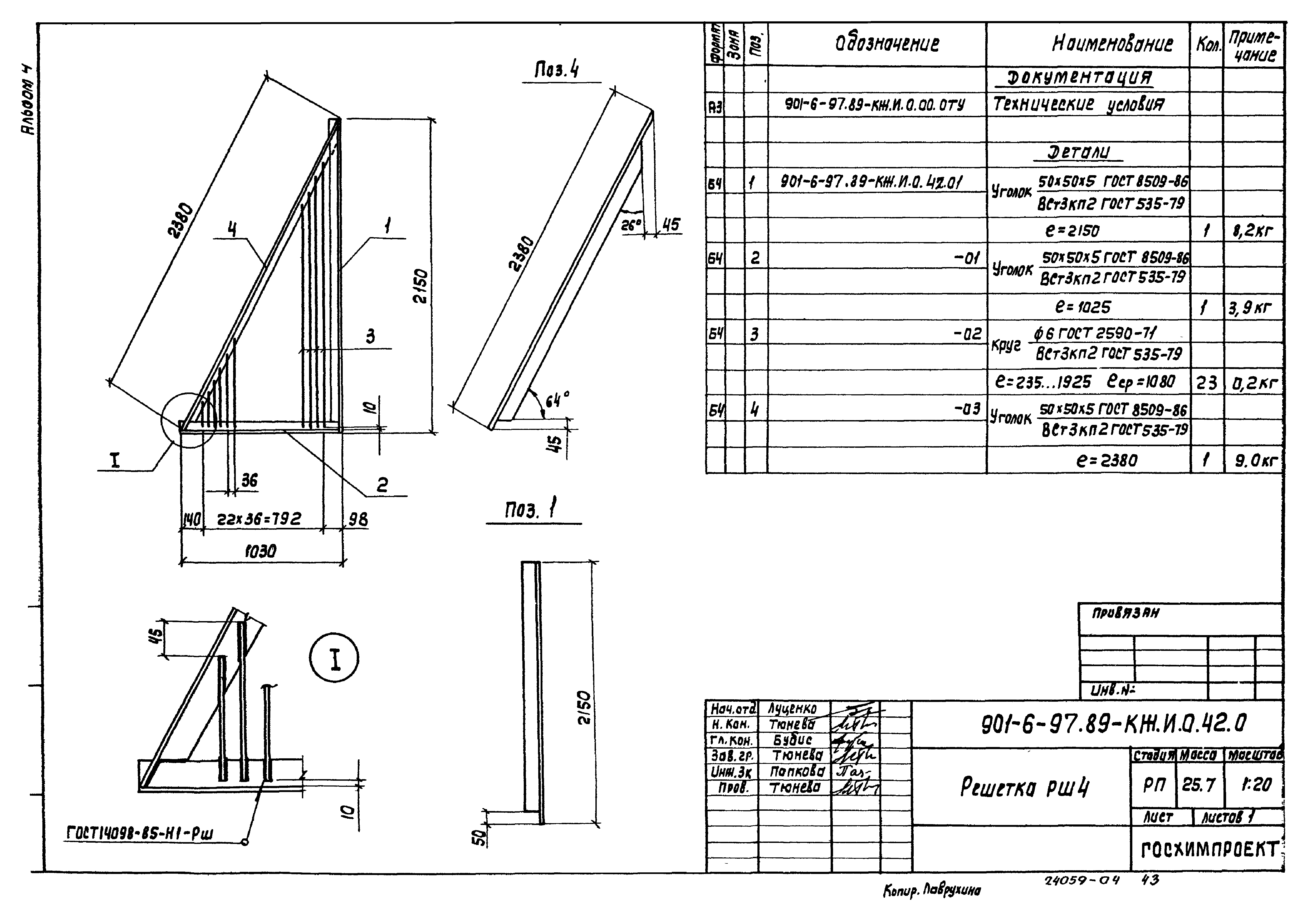
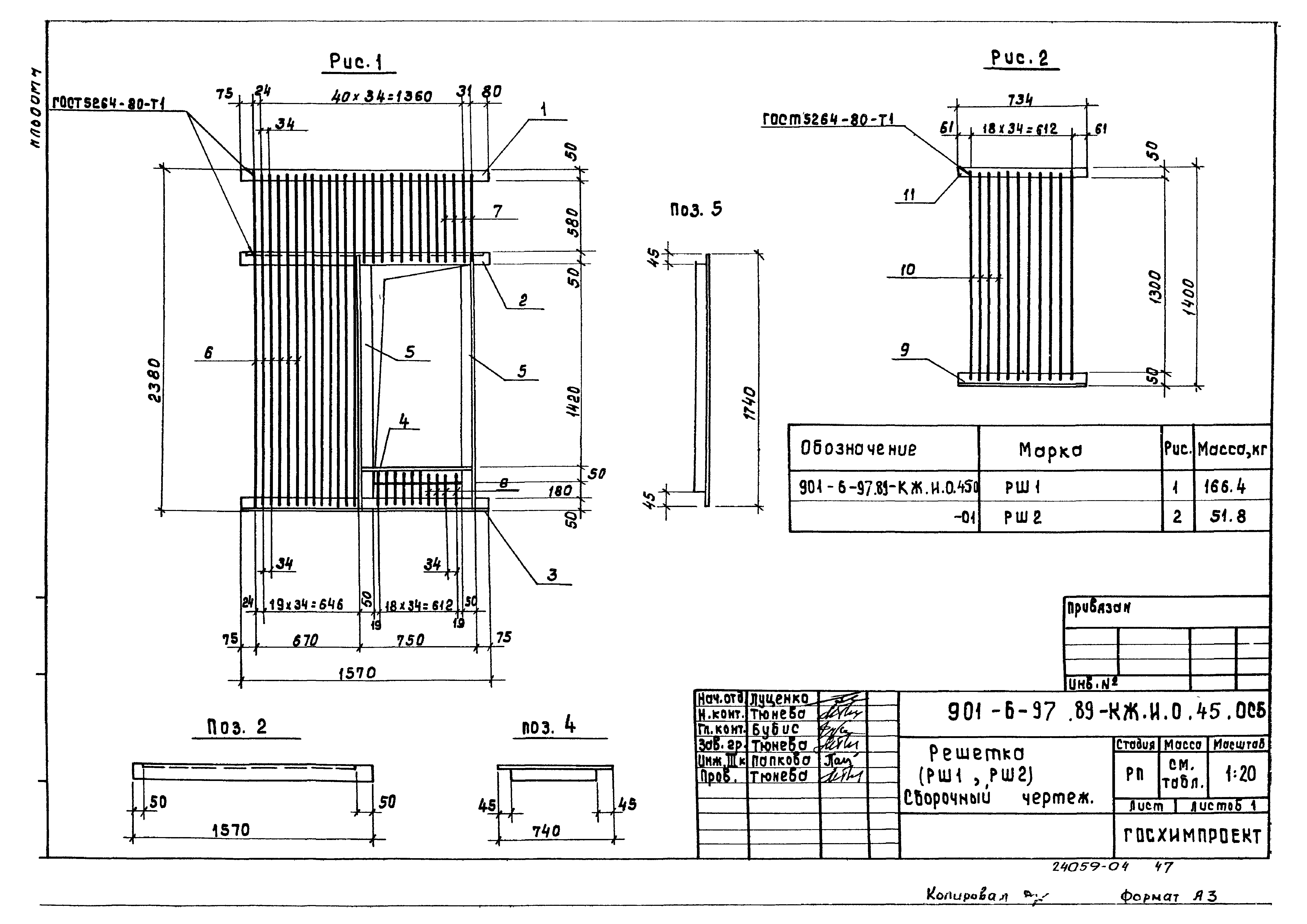
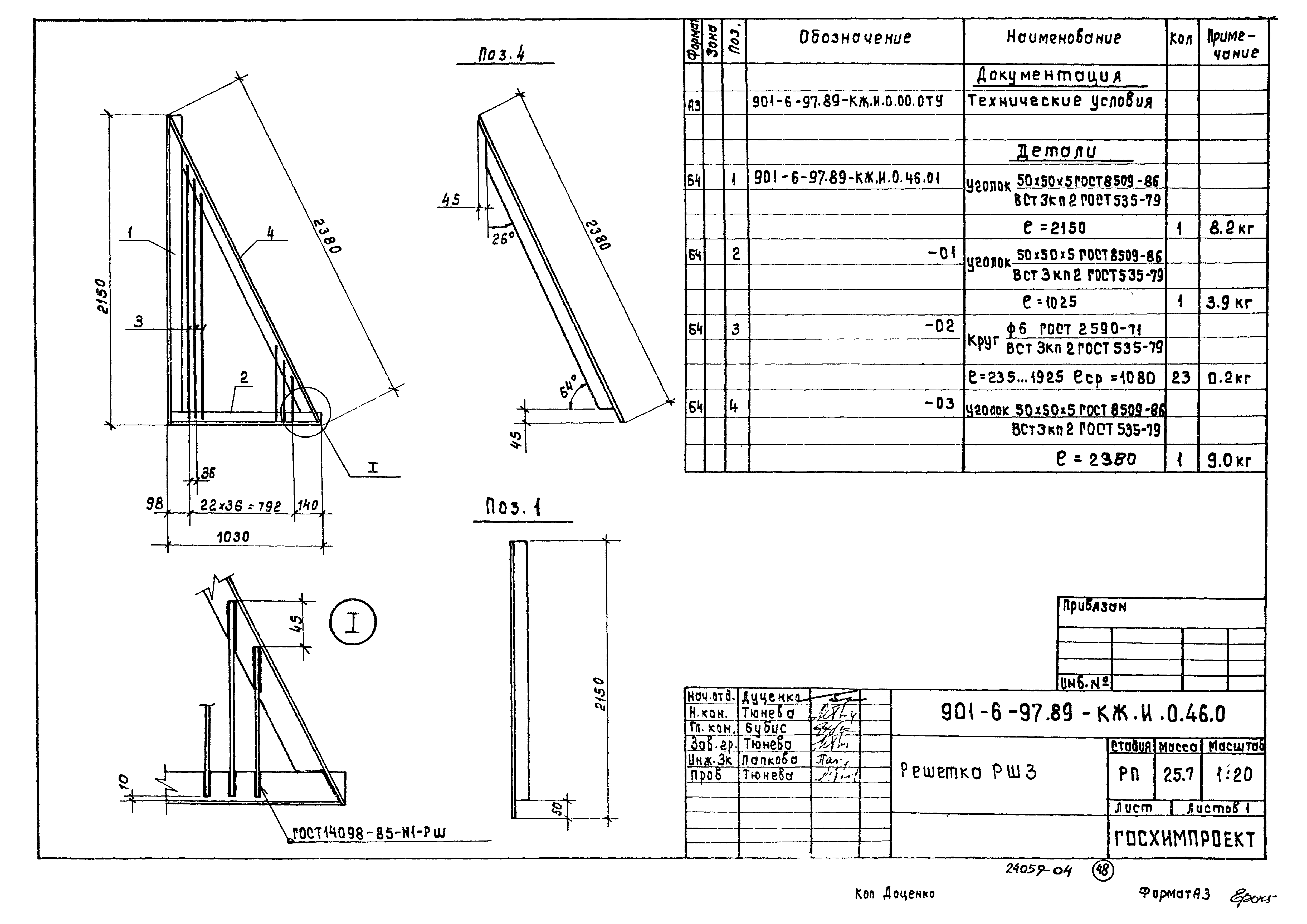
| Оглавление: | ТП 901-6-97.89-КЖ.И.0.00.0 ДО Содержание ТП 901-6-97.89-КЖ.И.0.00.0 ТУ Технические условия ТП 901-6-97.89-КЖ.И.0.01.0 Каркас пространственный КП1 (КП1-1,КП1-2) ТП 901-6-97.89-КЖ.И.0.01.0 СБ Каркас пространственный КП1 (КП1-1,КП1-2). Сборочный чертеж ТП 901-6-97.89-КЖ.И.0.02.0 Каркас пространственный КП2 ТП 901-6-97.89-КЖ.И.0.03.0 СБ Каркас пространственный КП3 (КП3-1,КП3-2). Сборочный чертеж ТП 901-6-97.89-КЖ.И.0.03.0 Каркас пространственный КП3 (КП3-1,КП3-2) ТП 901-6-97.89-КЖ.И.0.04.0 Каркас пространственный КП4 (КП4-1...КП4-3) ТП 901-6-97.89-КЖ.И.0.04.0 СБ Каркас пространственный КП4 (КП4-1...КП4-3). Сборочный чертеж ТП 901-6-97.89-КЖ.И.0.05.0 Каркас пространственный КП5 (КП5-1,КП5-2) ТП 901-6-97.89-КЖ.И.0.06.0 СБ Каркас пространственный КП6 (КП6-1,КП6-2). Сборочный чертеж ТП 901-6-97.89-КЖ.И.0.06.0 Каркас пространственный КП6 (КП6-1,КП6-2) ТП 901-6-97.89-КЖ.И.0.07.0 Изделие закладное МН1 ТП 901-6-97.89-КЖ.И.0.08.0 Каркас пространственный КП7 (КП7-1,КП7-2) ТП 901-6-97.89-КЖ.И.0.09.0 Каркас плоский КР1 (КР1-1,КР1-2) ТП 901-6-97.89-КЖ.И.0.09.0 СБ Каркас плоский КР1 (КР1-1,КР1-2). Сборочный чертеж ТП 901-6-97.89-КЖ.И.0.10.0 Каркас плоский КР2 ТП 901-6-97.89-КЖ.И.0.11.0 Каркас плоский КР5 ТП 901-6-97.89-КЖ.И.0.12.0 Каркас плоский КР3(КР3-1,КР3-2) ТП 901-6-97.89-КЖ.И.0.13.0 Каркас плоский КР4(КР4-1...КР4-3) ТП 901-6-97.89-КЖ.И.0.14.0 Каркас плоский КР6(КР6-1,КР6-2) ТП 901-6-97.89-КЖ.И.0.15.0 Каркас плоский КР7(КР7-1,КР7-2) ТП 901-6-97.89-КЖ.И.0.16.0 Каркас плоский КР8(КР8-1,КР8-2) ТП 901-6-97.89-КЖ.И.0.17.0 Каркас плоский КР9 ТП 901-6-97.89-КЖ.И.0.18.0 Каркас плоский КР10 ТП 901-6-97.89-КЖ.И.0.19.0 Каркас плоский КР11(КР11-1...КР11-6) ТП 901-6-97.89-КЖ.И.0.19.0 СБ Каркас плоский КР11(КР11-1...КР11-6). Сборочный чертеж ТП 901-6-97.89-КЖ.И.0.20.0 Каркас плоский КР13(КР13-1...КР13-3) ТП 901-6-97.89-КЖ.И.0.20.0 СБ Каркас плоский КР13(КР13-1...КР13-3). Сборочный чертеж ТП 901-6-97.89-КЖ.И.0.21.0 СБ Каркас плоский КР12(КР12-1...КР12-6). Сборочный чертеж ТП 901-6-97.89-КЖ.И.0.21.0 Каркас плоский КР12(КР12-1...КР12-6) ТП 901-6-97.89-КЖ.И.0.22.0 Каркас плоский КР14 ТП 901-6-97.89-КЖ.И.0.23.0 Каркас плоский КР15 ТП 901-6-97.89-КЖ.И.0.24.0 Каркас плоский КР16 ТП 901-6-97.89-КЖ.И.0.25.0 Каркас плоский КР17 ТП 901-6-97.89-КЖ.И.0.26.0 Каркас плоский КР18 ТП 901-6-97.89-КЖ.И.0.27.0 Сетка С4 ТП 901-6-97.89-КЖ.И.0.28.0 Сетка С1(С1-1...С1-11) ТП 901-6-97.89-КЖ.И.0.28.0 СБ Сетка С1(С1-1...С1-11). Сборочный чертеж ТП 901-6-97.89-КЖ.И.0.29.0 Сетка С2 ТП 901-6-97.89-КЖ.И.0.30.0 Сетка С3 ТП 901-6-97.89-КЖ.И.0.31.0 Сетка С5(С5-1,С5-2) ТП 901-6-97.89-КЖ.И.0.32.0 Сетка С6(С6-1...С6-3) ТП 901-6-97.89-КЖ.И.0.33.0 Сетка С7(С7-1,С7-2) ТП 901-6-97.89-КЖ.И.0.34.0 Сетка С8(С8-1...С8-12) ТП 901-6-97.89-КЖ.И.0.34.0 СБ Сетка С8(С8-1...С8-12). Сборочный чертеж ТП 901-6-97.89-КЖ.И.0.35.0 Сетка С9 ТП 901-6-97.89-КЖ.И.0.36.0 Сетка С10 ТП 901-6-97.89-КЖ.И.0.37.0 Сетка С11 ТП 901-6-97.89-КЖ.И.0.38.0 Сетка С12(С12-1,С12-2) ТП 901-6-97.89-КЖ.И.0.39.0 Сетка С13 ТП 901-6-97.89-КЖ.И.0.40.0 Сетка С14 ТП 901-6-97.89-КЖ.И.0.41.0 Сетка С15 ТП 901-6-97.89-КЖ.И.0.42.0 Решетка РШ4 ТП 901-6-97.89-КЖ.И.0.43.0 Сетка С17(С17-1...С17-3) ТП 901-6-97.89-КЖ.И.0.44.0 Сетка С18(С18-1,С18-2) ТП 901-6-97.89-КЖ.И.0.45.0 Решетка (РШ1,РШ2) ТП 901-6-97.89-КЖ.И.0.45.0 СБ Решетка (РШ1,РШ2). Сборочный чертеж ТП 901-6-97.89-КЖ.И.0.46.0 Решетка РШ3 |
| Разработан: | Госхимпроект Союзводоканалниипроект |
| Утверждён: | 17.10.1989 СоюзводоканалНИИпроект (SoyuzvodokanalNIIproject 30) |
| Заменяет собой: |















































