Скачать Типовой проект 901-6-105.93 Альбом 6. Электроснабжение. Автоматизация технологических процессовДата актуализации: 01.01.2021
|
| Обозначение: | Типовой проект 901-6-105.93 |
| Обозначение англ: | 901-6-105.93 |
| Статус: | не определен законодательством |
| Название рус.: | Альбом 6. Электроснабжение. Автоматизация технологических процессов |
| Дата добавления в базу: | 01.09.2013 |
| Дата актуализации: | 01.01.2021 |
| Дата введения: | 16.12.1993 |
| Дата окончания срока действия: | 30.06.2003 |
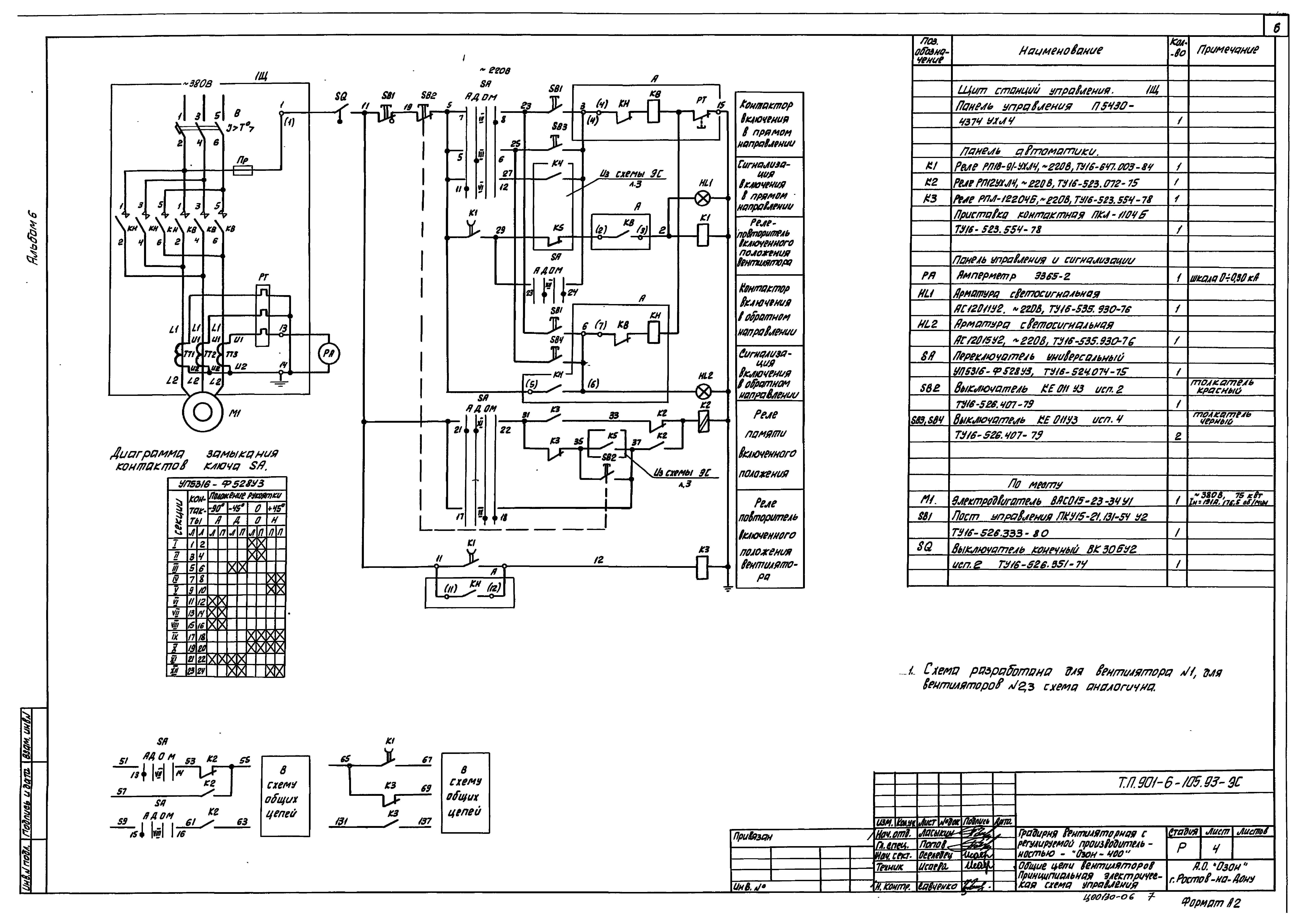
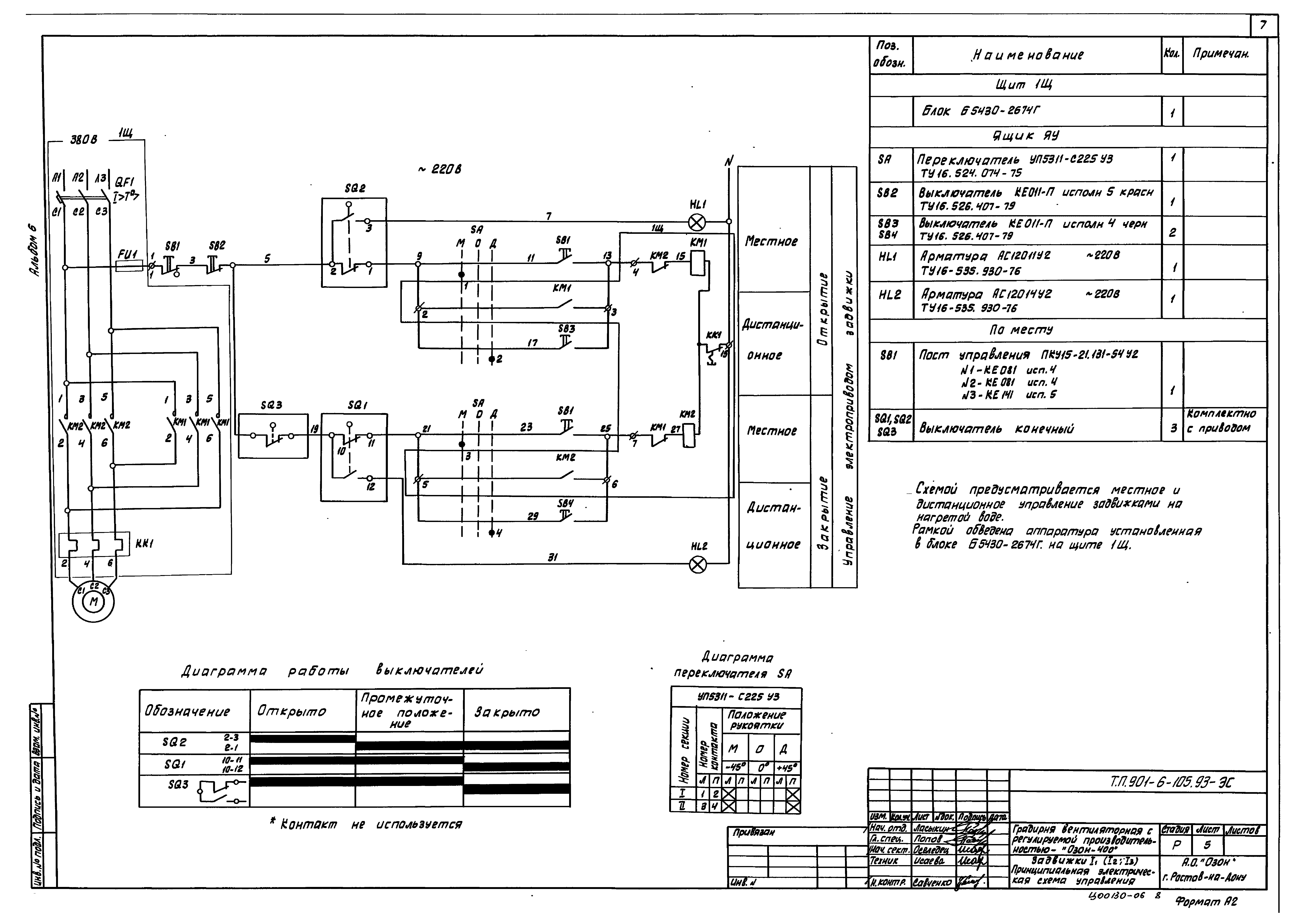
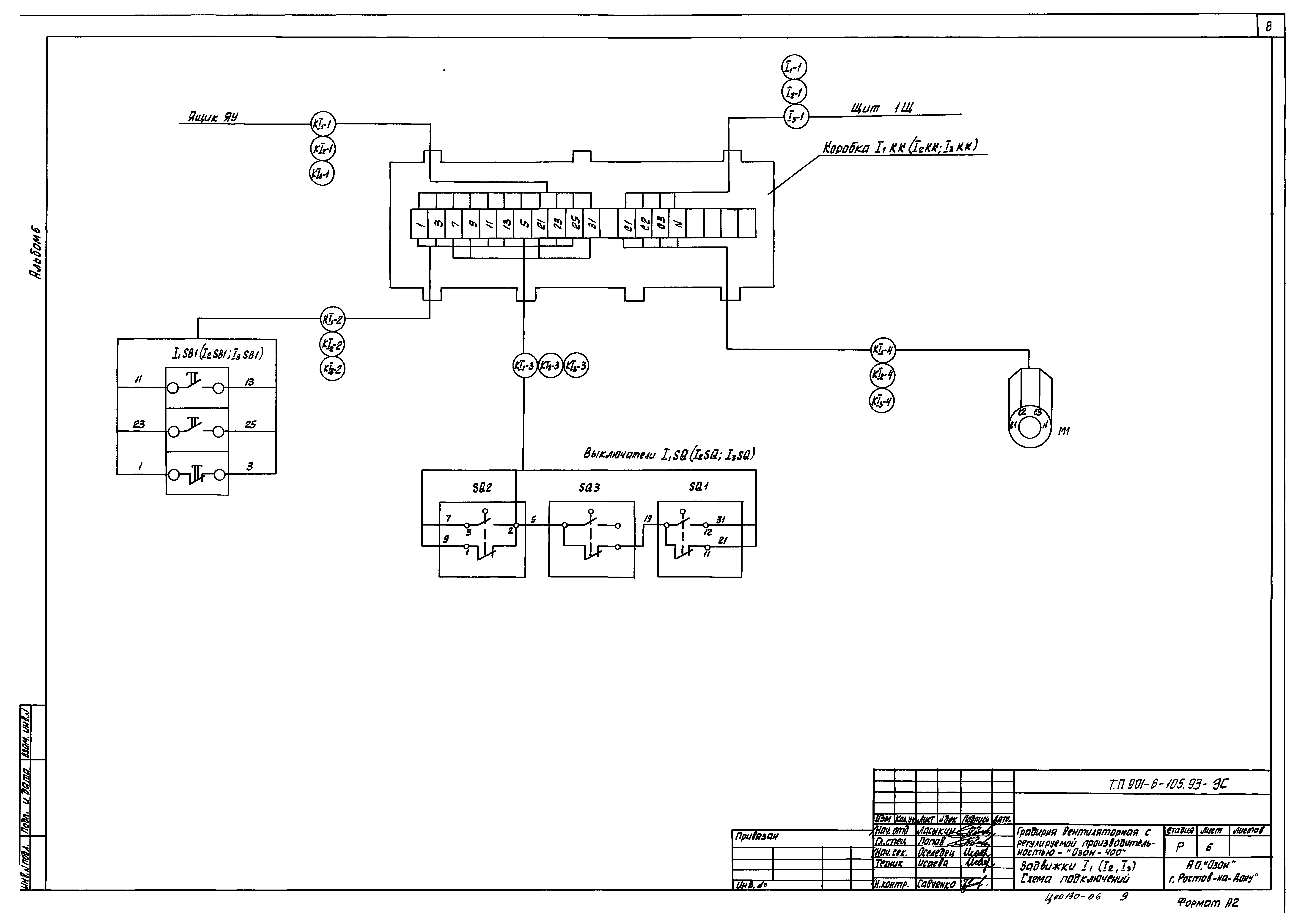
| Оглавление: | ТП 901-6-105.93-ЭС Чертежи марки "ЭС" ТП 901-6-105.93-ЭС-1 Общие данные ТП 901-6-105.93-ЭС-2 Сеть 380/220 В. Схема электрическая принципиальная ТП 901-6-105.93-ЭС-3 Вентилятор 1(2,3). Принципиальная электрическая схема управления ТП 901-6-105.93-ЭС-4 Общие цепи вентиляторов. Принципиальная электрическая схема управления ТП 901-6-105.93-ЭС-5 Задвижки I1(I2,I3). Принципиальная электрическая схема управления ТП 901-6-105.93-ЭС-6 Задвижки I1(I2,I3). Схема подключений ТП 901-6-105.93-ЭС-7 План расположения электрооборудования и прокладка кабелей ТП 901-6-105.93-ЭС-8 Кабельный журнал ТП 901-6-105.93-ЭС-9 Козырек для кнопочного поста ПКУ15-19.131-54У2 ТП 901-6-105.93-ЭС-10 Пост управления 1ПУ(2ПУ,3ПУ) ТП 901-6-105.93-ЭС-11 Электрическое освещение. План ТП 901-6-105.93-АТХ Чертежи марки АТХ ТП 901-6-105.93-АТХ-1 Общие данные. Схема автоматизации ТП 901-6-105.93-АТХ-2 Электропитание. Измерение температуры. Схема соединений внешних проводок |
| Разработан: | АО ОЗОН |
| Утверждён: | 16.12.1993 Комитет РФ по химической и нефтехимической промышленности (09/1-11-145) |















