Скачать Серия 2.436-18 Выпуск 3. Стальные изделия фахверка. Рабочие чертежиДата актуализации: 01.01.2021
|
| Обозначение: | Серия 2.436-18 |
| Обозначение англ: | Series 2.436-18 |
| Статус: | не действует |
| Название рус.: | Выпуск 3. Стальные изделия фахверка. Рабочие чертежи |
| Дата добавления в базу: | 01.09.2013 |
| Дата актуализации: | 01.01.2021 |
| Дата введения: | 01.08.1986 |
| Дата окончания срока действия: | 01.05.1999 |
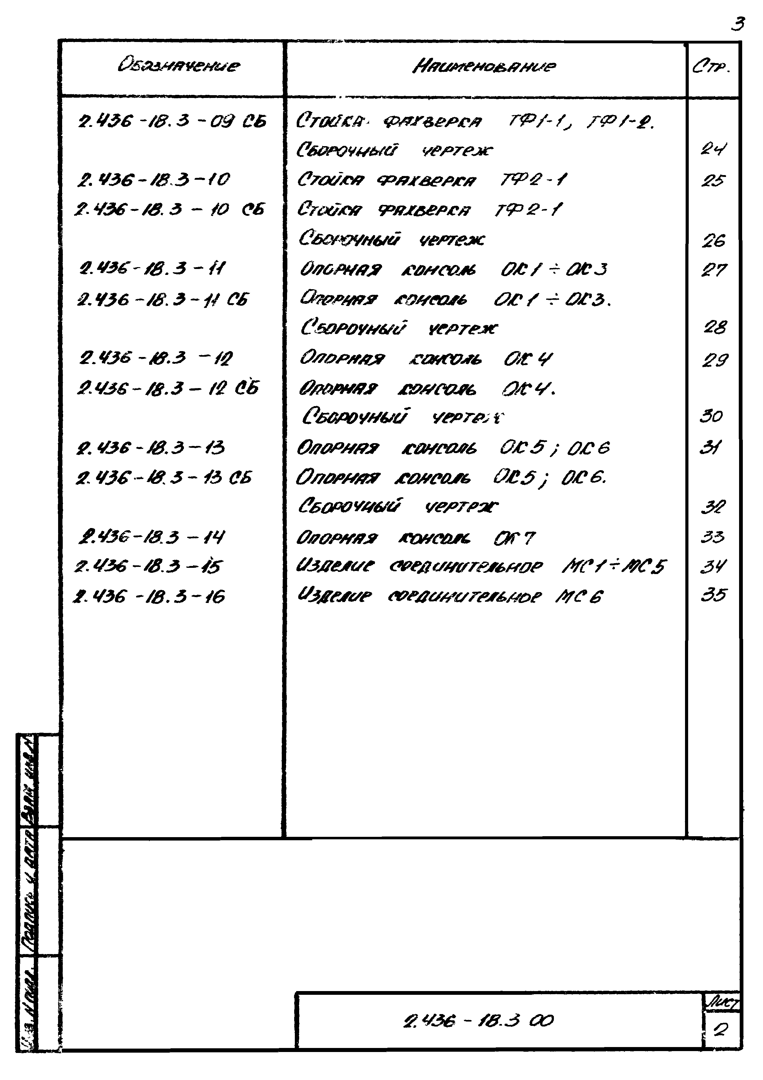
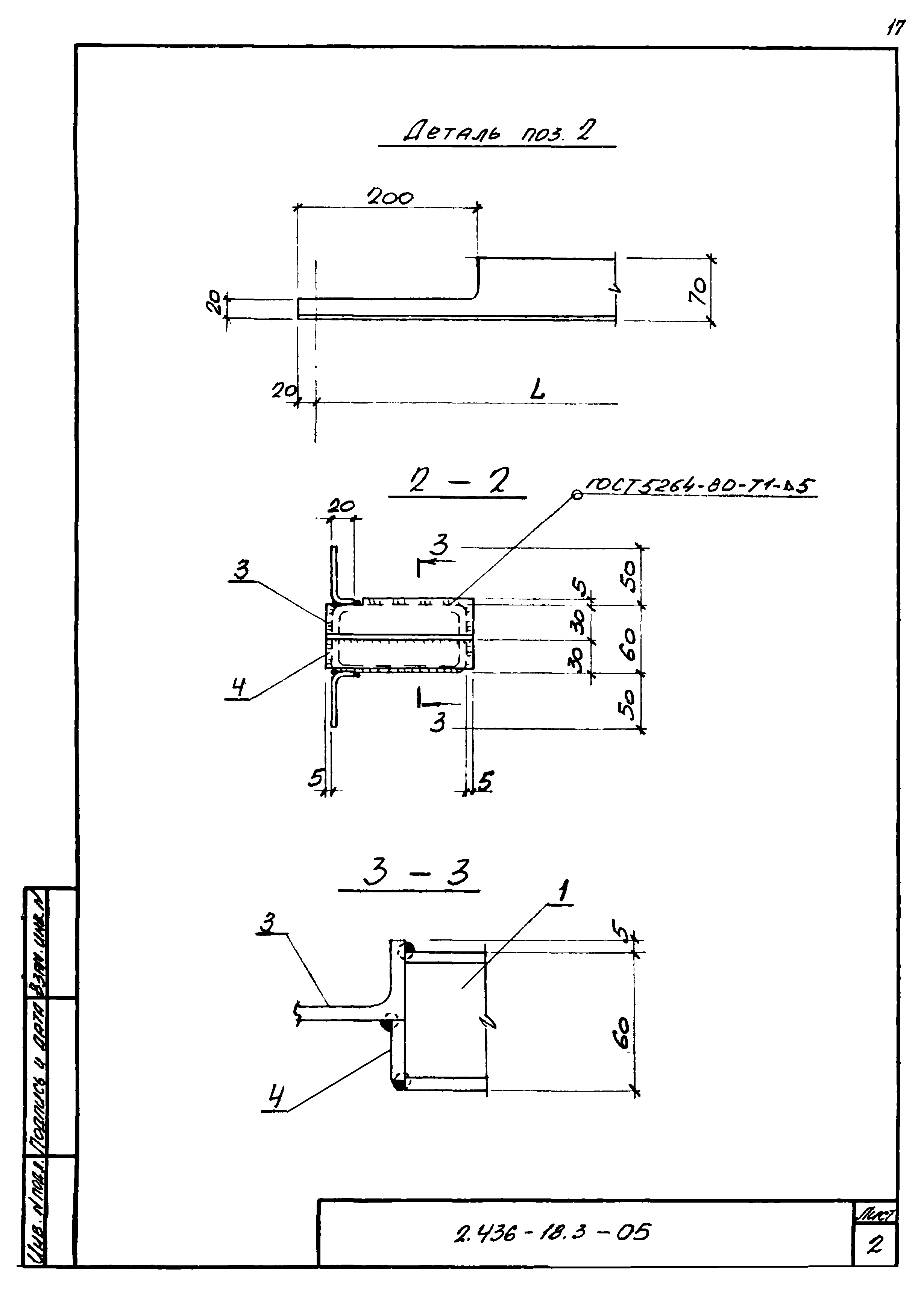
| Оглавление: | 2.436-18.3-00 Содержание 2.436-18.3-00 ТО Техническое описание 2.436-18.3-01 Ригель рядовой РР-1-1 2.436-18.3-02 Ригель рядовой РР-2-1÷РР-2-3 2.436-18.3-02 СБ Ригель рядовой РР-2-1÷РР-2-3. Сборочный чертеж 2.436-18.3-03 Ригель рядовой РР-3-1;РР-3-2 2.436-18.3-03 СБ Ригель рядовой РР-3-1;РР-3-2. Сборочный чертеж 2.436-18.3-04 Ригель рядовой РР-4-1;РР-4-2 2.436-18.3-04 СБ Ригель рядовой РР-4-1;РР-4-2. Сборочный чертеж 2.436-18.3-05 Ригель стыковочный РС-1-1÷РС-1-3 2.436-18.3-05 СБ Ригель стыковочный РС-1-1÷РС-1-3. Сборочный чертеж 2.436-18.3-06 Ригель надоконный РН-1-1 2.436-18.3-07 Ригель надоконный РН-2-1÷РН-2-3 2.436-18.3-07 СБ Ригель надоконный РН-2-1÷РН-2-3. Сборочный чертеж 2.436-18.3-08 Ригель цокольный РЦ-1-1÷РЦ-1-4 2.436-18.3-08 СБ Ригель цокольный РЦ-1-1÷РЦ-1-4. Сборочный чертеж 2.436-18.3-09 Стойка фахверка ТФ1-1;ТФ1-2 2.436-18.3-09 СБ Стойка фахверка ТФ1-1;ТФ1-2. Сборочный чертеж 2.436-18.3-10 Стойка фахверка ТФ-2-1 2.436-18.3-10 СБ Стойка фахверка ТФ-2-1. Сборочный чертеж 2.436-18.3-11 Опорная консоль ОК1-ОК3 2.436-18.3-11 СБ Опорная консоль ОК1-ОК3. Сборочный чертеж 2.436-18.3-12 Опорная консоль ОК4 2.436-18.3-12 СБ Опорная консоль ОК4. Сборочный чертеж 2.436-18.3-13 Опорная консоль ОК5;ОК6 2.436-18.3-13 СБ Опорная консоль ОК5;ОК6. Сборочный чертеж 2.436-18.3-14 Опорная консоль ОК7 2.436-18.3-15 Изделие соединительное МС1-МС5 2.436-18.3-16 Изделие соединительное МС6 |
| Разработан: | Харьковский Промстройниипроект |
| Утверждён: | 21.05.1986 Госстрой СССР (Государственный комитет Совета Министров СССР по делам строительства) (USSR Gosstroy 64) |
| Принят: | ЦНИИпромзданий (TsNIIpromzdaniy ) |




































