Скачать Типовой проект 507-63 Альбом III. Ворота распашные 3х3 м и строительные изделияДата актуализации: 01.01.2021
|
| Обозначение: | Типовой проект 507-63 |
| Обозначение англ: | 507-63 |
| Статус: | действует |
| Название рус.: | Альбом III. Ворота распашные 3х3 м и строительные изделия |
| Дата добавления в базу: | 01.09.2013 |
| Дата актуализации: | 01.01.2021 |
| Дата введения: | 08.12.1980 |
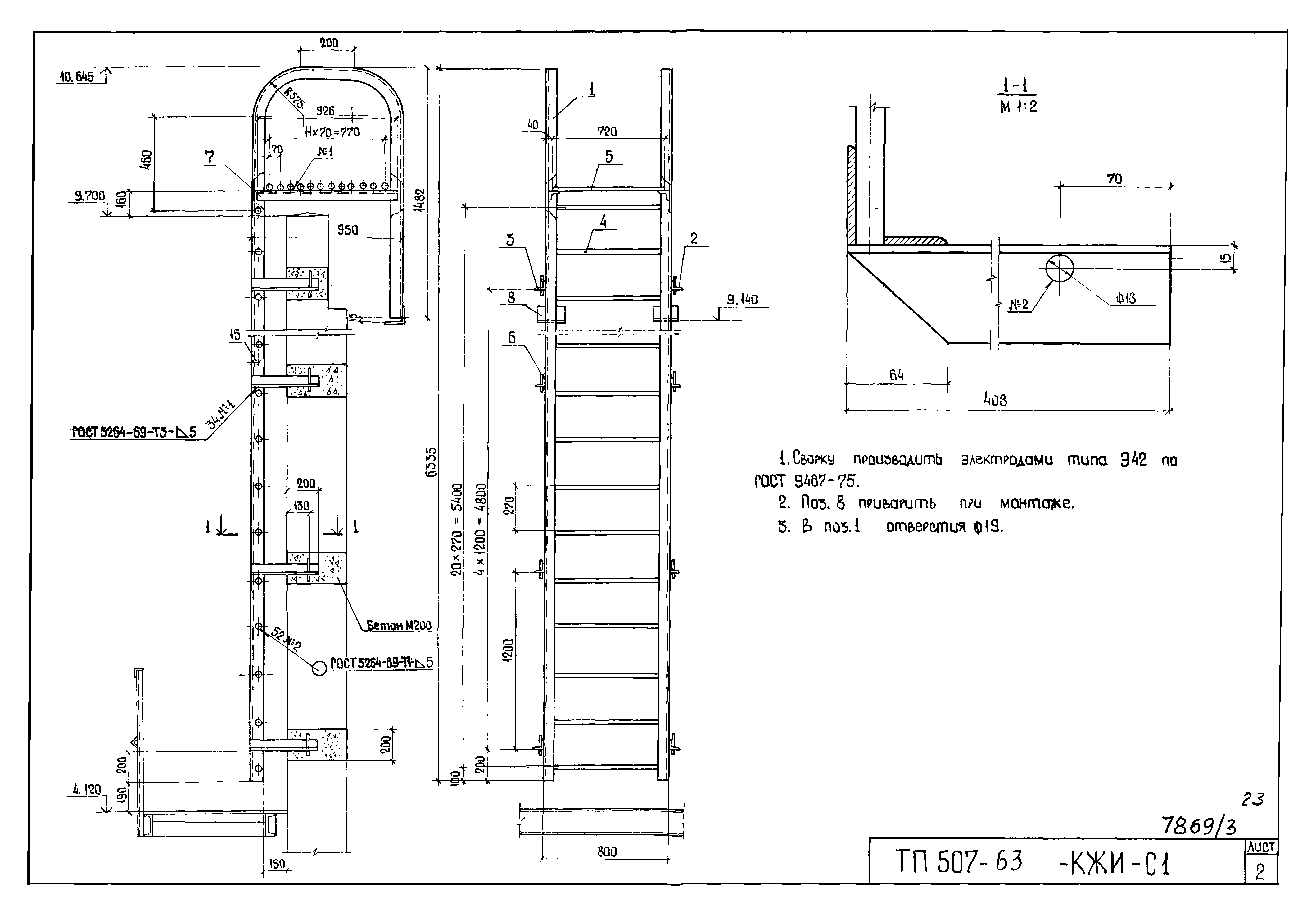
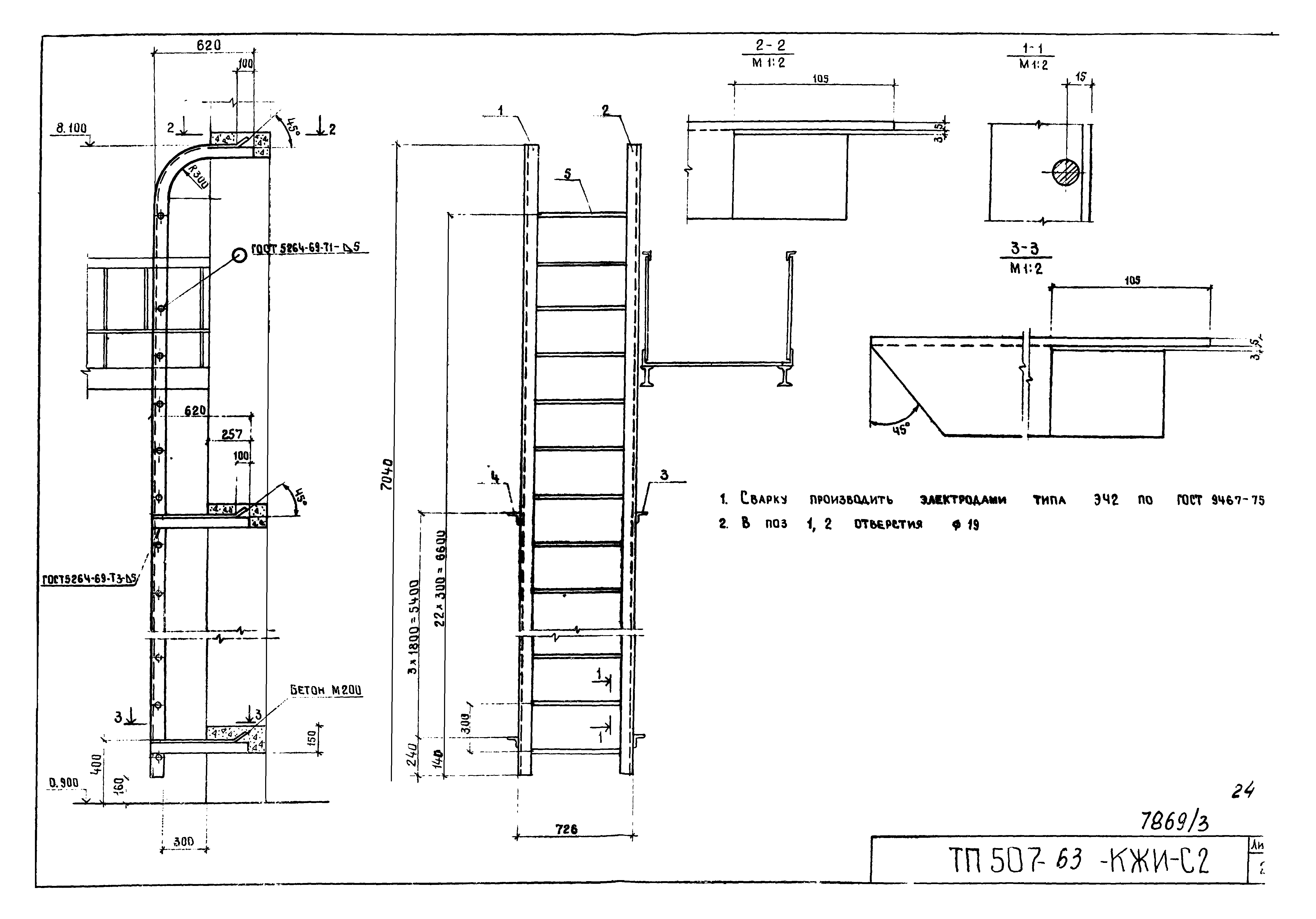
| Оглавление: | ТП 507-63-КЖИ Содержание ТП 507-63-КЖИ-В1ПЗ Пояснительная записка ТП 507-63-КЖИ-В1ТУ Технические условия ТП 507-63-КЖИ-В1 Ворота распашные 3х3 м В1 ТП 507-63-КЖИ-В1 СБ Ворота распашные 3х3 м В1. Сборочный чертеж ТП 507-63-КЖИ-КЛ1 Каркас левого полотна КЛ1 ТП 507-63-КЖИ-КЛ1 СБ Каркас левого полотна КЛ1. Сборочный чертеж ТП 507-63-КЖИ-КП1 Каркас правого полотна КЛ1 ТП 507-63-КЖИ-КП1 СБ Каркас правого полотна КЛ1. Сборочный чертеж ТП 507-63-КЖИ-КС1,КС2 Косынка КС1,КС2 ТП 507-63-КЖИ-ПП1,ПП2 Поперечина ПП1,ПП2 ТП 507-63-КЖИ-ПП3,ПП4,ПП8 Поперечина ПП3,ПП4,ПП8 ТП 507-63-КЖИ-ПП5,ПП6,ПП7 Поперечина ПП5,ПП6,ПП7 ТП 507-63-КЖИ-06 Обшивка 06 ТП 507-63-КЖИ-03 Обшивка 03 ТП 507-63-КЖИ-04 Обшивка 04 ТП 507-63-КЖИ-Б1,Б2 Брусок Б1,Б2 ТП 507-63-КЖИ-ОБ1 Оконный блок ОБ1 ТП 507-63-КЖИ-П1,П2 Планка П1,П2 ТП 507-63-КЖИ-П3 Планка П3 ТП 507-63-КЖИ-П2 Панель перекрытия П2 ТП 507-63-КЖИ-С1,С2 Сетка С1,С2 ТП 507-63-КЖИ-ОП1 Опорная подушка ОП1 ТП 507-63-КЖИ-С1 Стремянка С1 ТП 507-63-КЖИ-С2 Стремянка С2 ТП 507-63-КЖИ-С1 Стремянка С1 ТП 507-63-КЖИ-С2 Стремянка С2 ТП 507-63-КЖИ-ЛМ1 Лестница металлическая ЛМ1 ТП 507-63-КЖИ-МП2 Площадка металлическая МП2 ТП 507-63-КЖИ-МП2 СБ Площадка металлическая МП2. Сборочный чертеж ТП 507-63-КЖИ-МП3 Площадка металлическая МП3 ТП 507-63-КЖИ-МП3 СБ Площадка металлическая МП3. Сборочный чертеж ТП 507-63-КЖИ-ОГ1 Ограждение ОГ1 ТП 507-63-КЖИ-ОГ1П Ограждение правое ОГ1П ТП 507-63-КЖИ-ОГ1Л Ограждение правое ОГ1Л ТП 507-63-КЖИ-ОГ2П Ограждение правое ОГ2П ТП 507-63-КЖИ-ОГ2Л Ограждение правое ОГ2Л ТП 507-63-КЖИ-МО1 Обрамление ворот металлическое МО1 ТП 507-63-КЖИ-МО2 Обрамление двери металлическое МО2 ТП 507-63-КЖИ-МО3 Обрамление ворот металлическое МО3 ТП 507-63-КЖИ-Щ1,Щ7 Металлические щиты Щ1,Щ7 ТП 507-63-КЖИ-Щ4 Металлический щит Щ4 ТП 507-63-КЖИ-Щ2,Щ8,Щ15,Щ16,Щ18 Металлические щиты Щ2,Щ8,Щ15,Щ16,Щ18 ТП 507-63-КЖИ-Щ3,Щ14 Металлические щиты Щ3,Щ14 ТП 507-63-КЖИ-Щ5,Щ6 Металлические щиты Щ5,Щ6 ТП 507-63-КЖИ-Щ9,Щ10,Щ13,Щ17,Щ20 Металлические щиты Щ9,Щ10,Щ13,Щ17,Щ20 ТП 507-63-КЖИ-Щ11,Щ12,Щ19 Металлические щиты Щ11,Щ12,Щ19 ТП 507-63-КЖИ-Щ21 Металлический щит Щ21 ТП 507-63-КЖИ-МР1 Решетка металлическая МР1 ТП 507-63-КЖИ-БМ1,БМ8 Балка металлическая БМ1,БМ8 ТП 507-63-КЖИ-БМ2 Балка металлическая БМ2 ТП 507-63-КЖИ-БМ3 Балка металлическая БМ3 ТП 507-63-КЖИ-БМ4 Балка металлическая БМ4 ТП 507-63-КЖИ-МР2 Металлическая рама МР2 ТП 507-63-КЖИ-БМ5 Балка металлическая БМ5 ТП 507-63-КЖИ-А3 Болт анкерный А3 ТП 507-63-КЖИ-БМ6,БМ7 Балки металлические БМ6,БМ7 ТП 507-63-КЖИ-РМ1 Рама металлическая РМ1 ТП 507-63-КЖИ-РМ2 Рама металлическая РМ2 ТП 507-63-КЖИ-ЖР1,ЖР2 Жалюзийные решетки ЖР1,ЖР2 ТП 507-63-КЖИ-ЖР3 Жалюзийная решетка ЖР3 ТП 507-63-КЖИ-МН1 Закладная деталь МН1 ТП 507-63-КЖИ-А1,А2 Анкеры А1,А2 ТП 507-63-КЖИ-КР-1 Каркас плоский КР-1 ТП 507-63-КЖИ-КР-2 Каркас плоский КР-2 |
| Разработан: | Укрюжгипрокоммунстрой Минжилкомхоза УССР |
| Утверждён: | 05.12.1980 МЖКХ УССР (453) |






















































