Скачать Серия 2.436-12 Выпуск 2. Металлические изделия. Рабочие чертежиДата актуализации: 01.01.2021
|
| Обозначение: | Серия 2.436-12 |
| Обозначение англ: | Series 2.436-12 |
| Статус: | заменен |
| Название рус.: | Выпуск 2. Металлические изделия. Рабочие чертежи |
| Дата добавления в базу: | 01.09.2013 |
| Дата актуализации: | 01.01.2021 |
| Дата окончания срока действия: | 01.01.1990 |
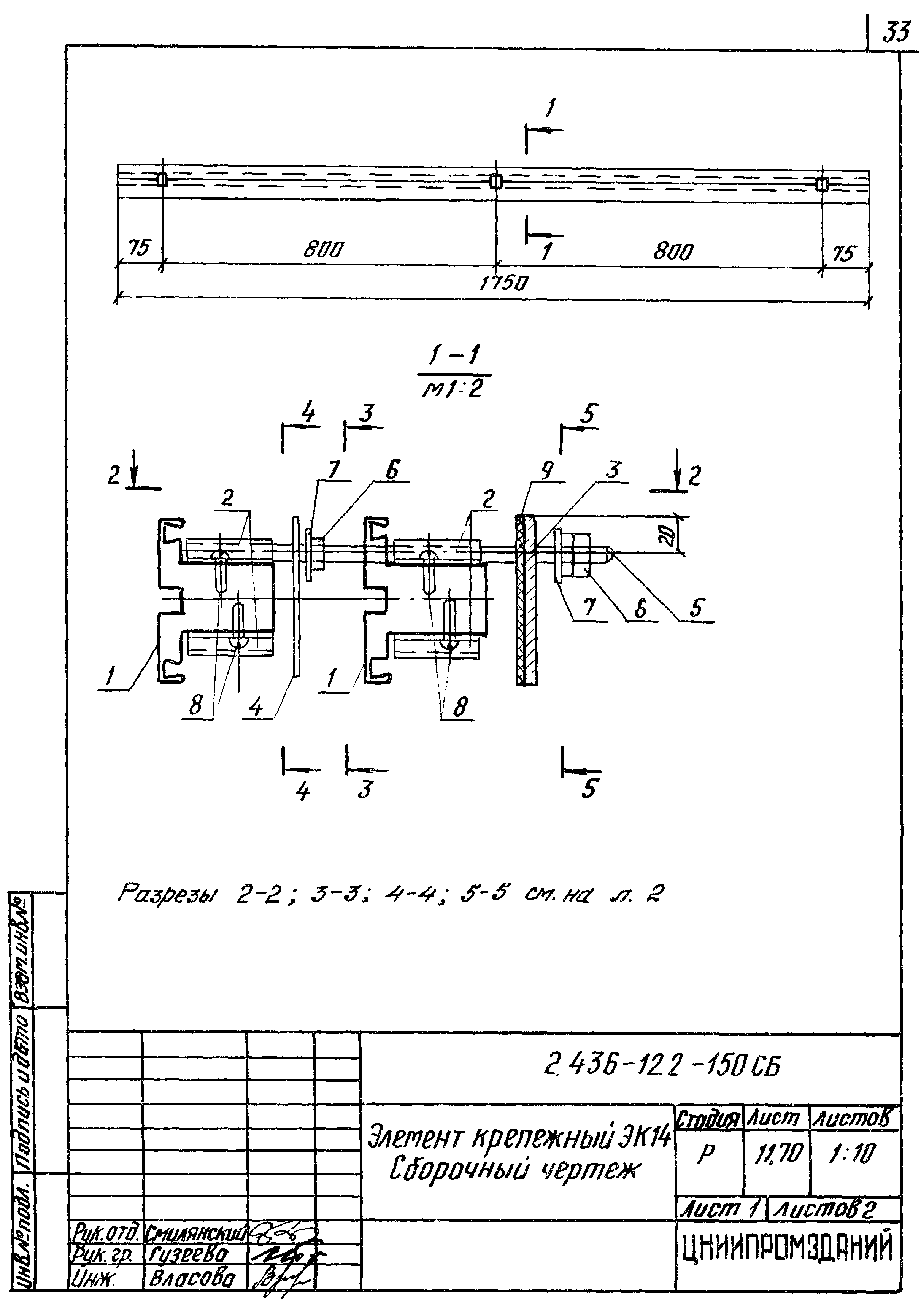
| Оглавление: | 2.436-12.2-000 ПЗ Пояснительная записка 2.436-12.2-010 Профиль Н1,Н2 2.436-12.2-020 Профиль Н3 2.436-12.2-030 Профиль Н4...Н6 2.436-12.2-040 Профиль Н7,Н8 2.436-12.2-050 Опора ЭК1 2.436-12.2-060 Планка ЭК2,ЭК3 2.436-12.2-070 Планка ЭК4 2.436-12.2-080 Опора ЭК5 2.436-12.2-090 Кронштейн ЭК7,ЭК8 2.436-12.2-100 Элемент крепежный ЭК9 2.436-12.2-100 СБ Элемент крепежный ЭК9. Сборочный чертеж 2.436-12.2-101 Опора А1 2.436-12.2-102 Планка А2 2.436-12.2-110 Элемент крепежный ЭК10 2.436-12.2-110 СБ Элемент крепежный ЭК10. Сборочный чертеж 2.436-12.2-120 Элемент крепежный ЭК11 2.436-12.2-120 СБ Элемент крепежный ЭК11. Сборочный чертеж 2.436-12.2-130 Элемент крепежный ЭК12 2.436-12.2-130 СБ Элемент крепежный ЭК12. Сборочный чертеж 2.436-12.2-140 Элемент крепежный ЭК13 2.436-12.2-140 СБ Элемент крепежный ЭК13. Сборочный чертеж 2.436-12.2-150 Элемент крепежный ЭК14 2.436-12.2-150 СБ Элемент крепежный ЭК14. Сборочный чертеж 2.436-12.2-160 Элемент крепежный ЭК15,ЭК16 2.436-12.2-170 Элемент крепежный ЭК17...ЭК20 2.436-12.2-180 Планка ЭК21 2.436-12.2-190 Накладка А3 2.436-12.2-200 Пробка ПР1 2.436-12.2-210 Пробка ПР2 2.436-12.2-220 Пробка ПР3 |
| Разработан: | ЦНИИпромзданий |
| Утверждён: | 08.12.1982 Госстрой СССР (Государственный комитет Совета Министров СССР по делам строительства) (USSR Gosstroy 84) |
| Чем заменён: |










































