Скачать Серия 3.407-22 Деревянные унифицированные опоры сетей до 1 кВ с железобетонными приставкамиДата актуализации: 01.01.2021
|
| Обозначение: | Серия 3.407-22 |
| Обозначение англ: | Series 3.407-22 |
| Статус: | не действует |
| Название рус.: | Деревянные унифицированные опоры сетей до 1 кВ с железобетонными приставками |
| Дата добавления в базу: | 01.09.2013 |
| Дата актуализации: | 01.01.2021 |
| Дата окончания срока действия: | 01.12.1988 |
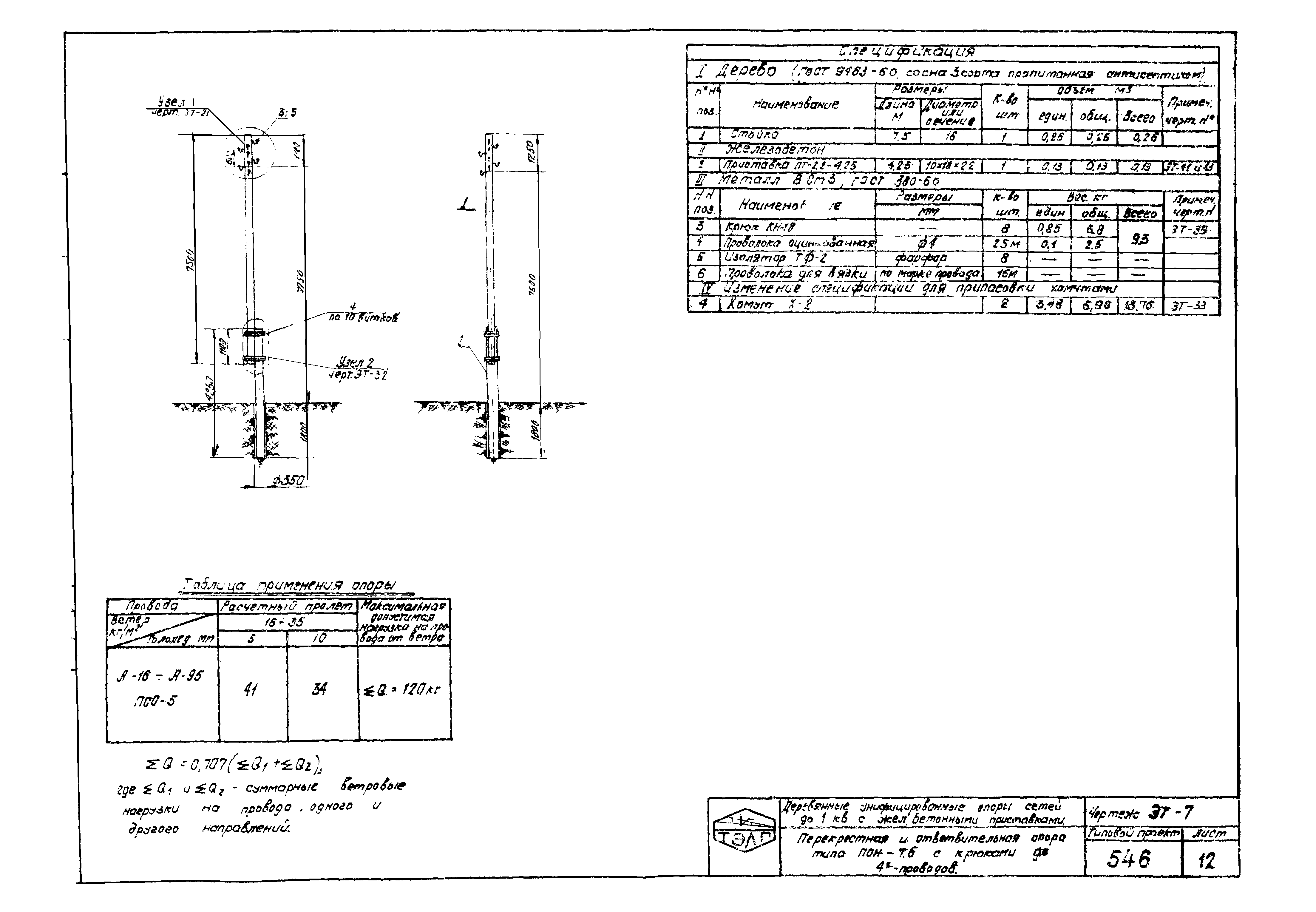
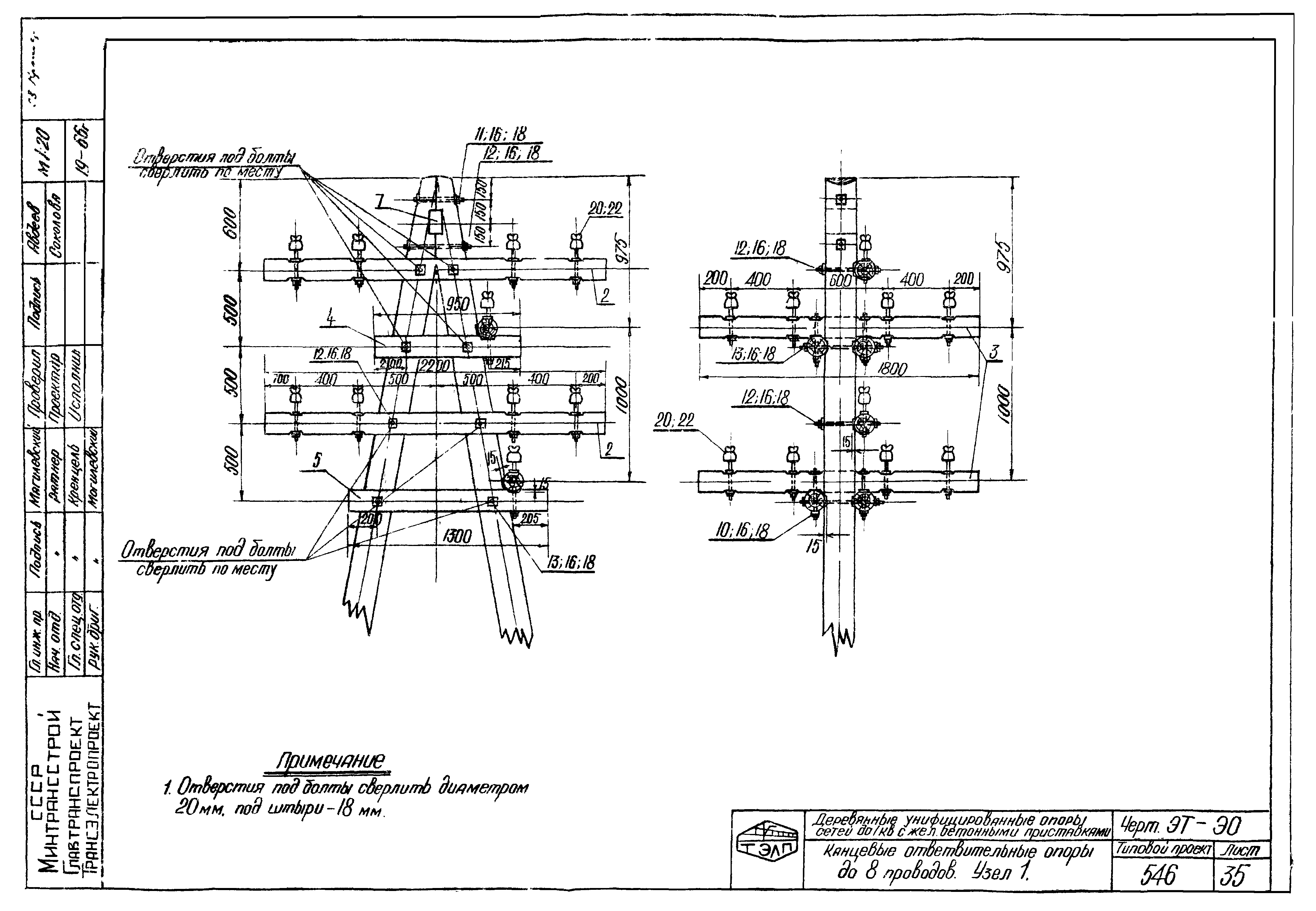
| Оглавление: | ТП 3.407-22 Обложка ТП 3.407-22 Титульный лист ТП 3.407-22 Содержание ТП 3.407-22 Пояснительная записка ТП 3.407-22 I Общие виды опор ТП 3.407-22-ЭТ-1 Таблицы расчетных нагрузок проводов ТП 3.407-22-ЭТ-2 Промежуточная опора типа ПН-7.15 с крючками до 4 проводов ТП 3.407-22-ЭТ-3 Промежуточная опора типа ПН-7.15 с крючками до 8 проводов ТП 3.407-22-ЭТ-4 Промежуточная опора типа ПН-7.25 с траверсой до 4(6) проводов ТП 3.407-22-ЭТ-5 Промежуточная опора типа ПН-8.05 с траверсами до 8(12) проводов ТП 3.407-22-ЭТ-6 Промежуточная повышенная опора типа ПН-9.06 с траверсами до 8(12) проводов ТП 3.407-22-ЭТ-7 Перекрестная и ответвительная опора типа ПОН-7,6 с крюками до 4 проводов ТП 3.407-22-ЭТ-8 Перекрестная и ответвительная опора типа ПОН-7,2 с крюками до 8 проводов ТП 3.407-22-ЭТ-9 Перекрестная и ответвительная опора типа ПОН-8,25 с траверсой до 4(6) проводов ТП 3.407-22-ЭТ-10 Перекрестная и ответвительная опора типа ПОН-7,85 с траверсами до 8(12) проводов ТП 3.407-22-ЭТ-11 Концевая опора с подкосом типа КН-7,35 с крюками до 4 проводов ТП 3.407-22-ЭТ-12 Концевая опора с подкосом типа КН-7,95 с траверсой до 4(6) проводов ТП 3.407-22-ЭТ-13 Угловая опора с подкосом типа УН-7,15 с крюками до 4 проводов ТП 3.407-22-ЭТ-14 Угловая опора с подкосом типа УН-7,15 с крюками до 8 проводов ТП 3.407-22-ЭТ-15 Угловая опора с подкосом типа УН-7,95 с траверсой до 4(6) проводов ТП 3.407-22-ЭТ-16 Анкерная и концевая опора типа АКН-7,5 с траверсами до 8(12) проводов ТП 3.407-22-ЭТ-17 Угловая анкерная опора типа УАМ-7,5 с траверсами до 8(12) проводов ТП 3.407-22-ЭТ-18 Анкерная повышенная опора типа АН-9,6 с траверсами до 8(12) проводов ТП 3.407-22-ЭТ-19 Угловая анкерная повышенная опора типа УАМ-9,6 с траверсами до 8(12) проводов ТП 3.407-22-ЭТ-20 Концевая ответвительная опора типа КОН-7,7 с траверсами до 8(12) проводов ТП 3.407-22 II Узлы и конструкции ТП 3.407-22-ЭТ-21 Оснастка опор изоляторами на крюках. Узел 1 ТП 3.407-22-ЭТ-22 Промежуточные опоры с одной траверсой. Узлы 1 и 1а ТП 3.407-22-ЭТ-23 Промежуточные опоры с двумя траверсами. Узлы 1 и 1а ТП 3.407-22-ЭТ-24 Перекрестные и ответвительные опоры с одной траверсой. Узел ТП 3.407-22-ЭТ-25 Перекрестные и ответвительные опоры с двумя траверсами до 8 проводов. Узел 1 ТП 3.407-22-ЭТ-26 Перекрестные и ответвительные опоры с двумя траверсами до 12 проводов. Узел 1 ТП 3.407-22-ЭТ-27 Угловые и концевые опоры с подкосом с одной траверсой. Узлы 1 и 4 ТП 3.407-22-ЭТ-28 Анкерные и концевые опоры. Узлы 1 и 1а ТП 3.407-22-ЭТ-29 Угловые анкерные опоры. Узлы 1 и 1а ТП 3.407-22-ЭТ-30 Концевые ответвительные опоры до 8 проводов. Узел 1 ТП 3.407-22-ЭТ-31 Концевые ответвительные опоры до 12 проводов. Узел 1 ТП 3.407-22-ЭТ-32 Сопряжение железобетонных приставок со стойками опор и железобетонными плитами. Узлы 2,2а и 3 ТП 3.407-22-ЭТ-33 Припасовочные хомуты ТП 3.407-22-ЭТ-34 Траверсы промежуточных опор ТП 3.407-22-ЭТ-35 Установка на опоре светильника наружного освещения ТП 3.407-22-ЭТ-36 Кронштейн для светильника наружного освещения ТП 3.407-22-ЭТ-37 Устройство ввода в здание ТП 3.407-22-ЭТ-38 Раскос, шайбы сварной болт и шпилька ТП 3.407-22-ЭТ-39 Крюки и штыри ТП 3.407-22-ЭТ-40 Заземляющее устройство ТП 3.407-22-ЭТ-41 Приставка типа ПТО-2,2-4,25 ТП 3.407-22-ЭТ-42 Приставка типа ПТО-4,2-6,0 ТП 3.407-22-ЭТ-43 Приставка типа ПТН-2,2-4,25 ТП 3.407-22-ЭТ-44 Приставка типа ПТН-4,2-6,0 ТП 3.407-22-ЭТ-45 Плиты типа П-1а и П-2а ТП 3.407-22-ЭТ-46 Монтажные кривые стрел провеса проводов ТП 3.407-22-ЭТ-47 Приставка ПТО-2,2-4,25. Арматурный каркас ТП 3.407-22-ЭТ-48 Приставка ПТО-4,2-6,0. Арматурный каркас ТП 3.407-22-ЭТ-49 Приставка ПТО-2,2-4,25. Арматурный каркас ТП 3.407-22-ЭТ-50 Приставка ПТО-4,2-6,0. Арматурный каркас ТП 3.407-22-ЭТ-51 Плиты П-1а и П-2а. Арматурные каркасы |
| Разработан: | Госстрой СССР |
| Утверждён: | 27.07.1967 Министерство транспортного строительства СССР (USSR Ministry of Transport Construction Ш-1925) |























































