Скачать Типовой проект 902-1-59 Альбом IX. Сборные железобетонные изделия (глубина заложения подводящего коллектора 7,0 м)Дата актуализации: 01.01.2021
|
| Обозначение: | Типовой проект 902-1-59 |
| Обозначение англ: | 902-1-59 |
| Статус: | действует |
| Название рус.: | Альбом IX. Сборные железобетонные изделия (глубина заложения подводящего коллектора 7,0 м) |
| Дата добавления в базу: | 01.09.2013 |
| Дата актуализации: | 01.01.2021 |
| Дата введения: | 01.02.1981 |
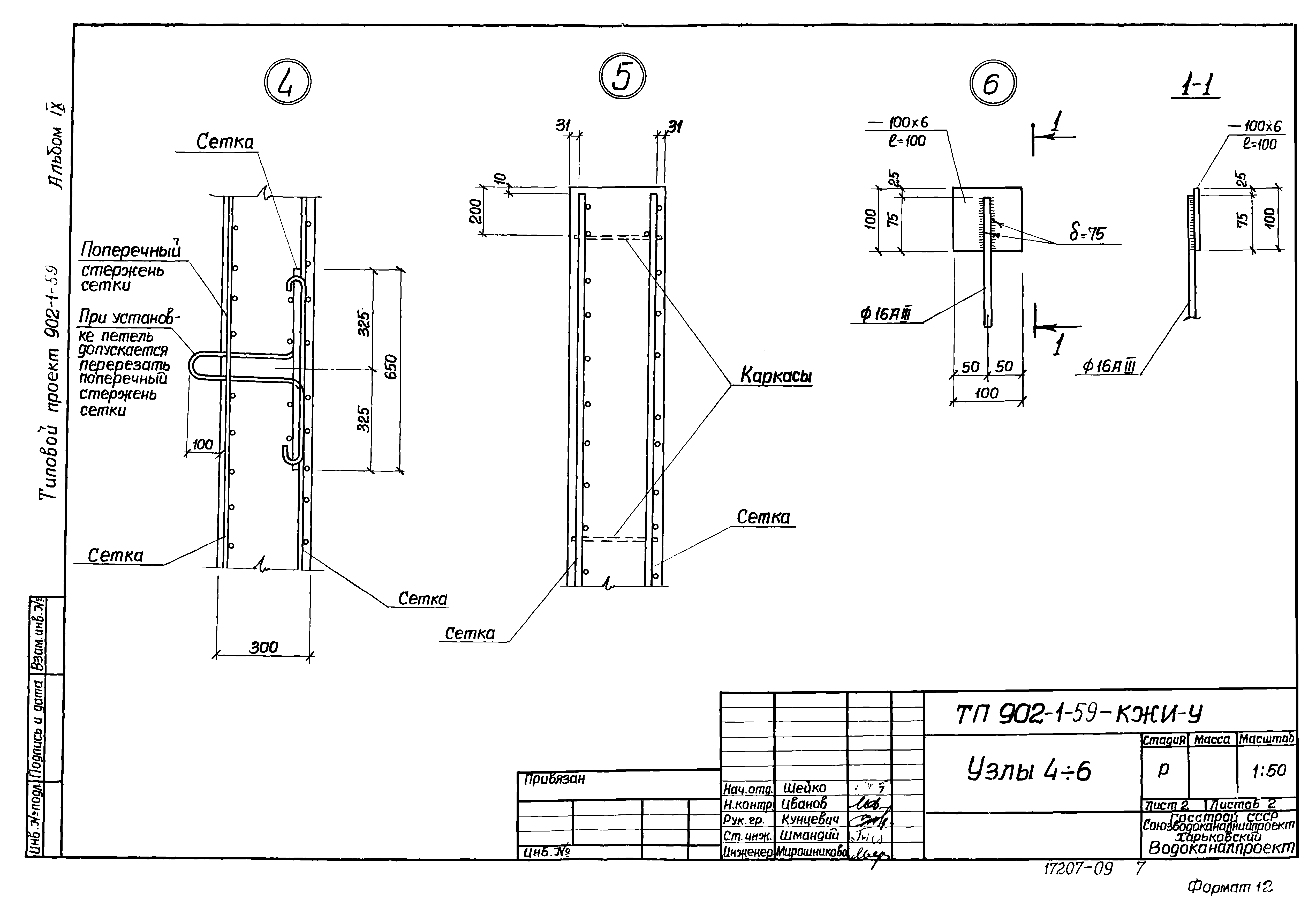
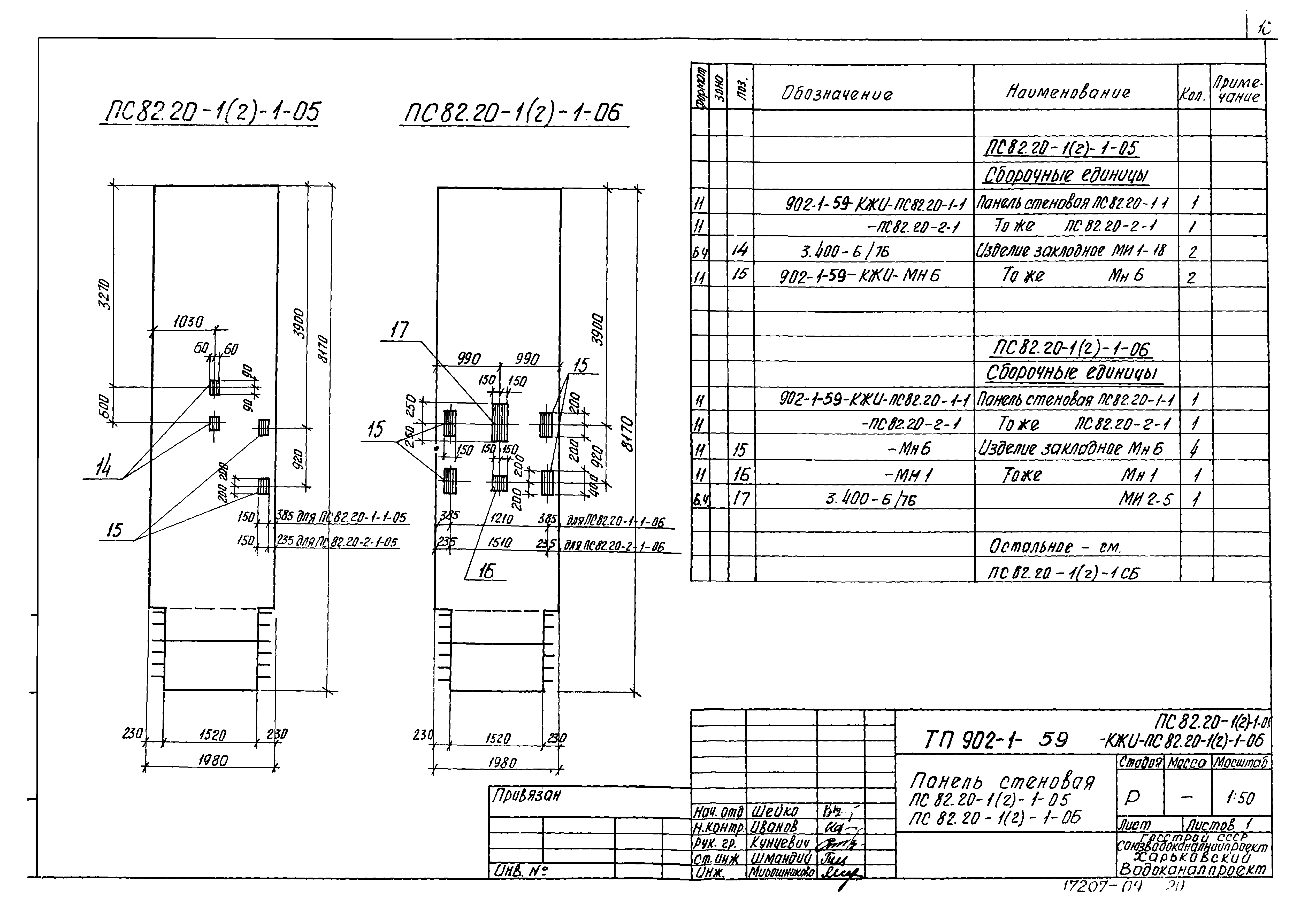
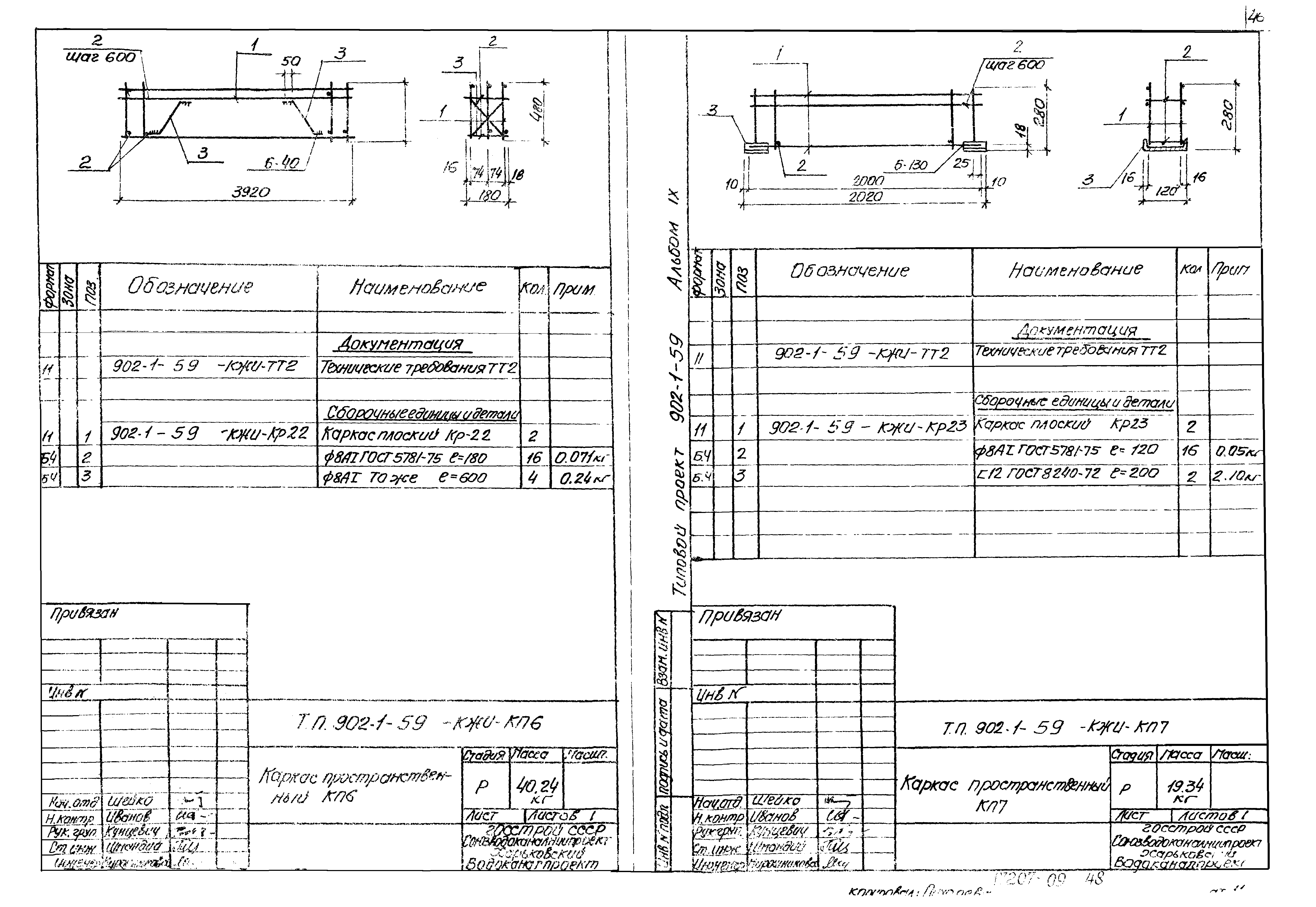
| Оглавление: | ТП 902-1-59-КЖИ-ВД Лист 1 Ведомость документов ТП 902-1-59-КЖИ-ВД Лист 2 Ведомость документов ТП 902-1-59-КЖИ-ТТ1 Технические требования к изготовлению сборных железобетонных изделий ТП 902-1-59-КЖИ-ТТ2 Технические требования к изготовлению арматурных и закладных изделий ТП 902-1-59-КЖИ-УЛ.1 Узлы 1-3 ТП 902-1-59-КЖИ-Ул.2 Узлы 4-6 ТП 902-1-59-КЖИ-ВС Выборка стали ТП 902-1-59-КЖИ-ПС82.20-1-1 Панель стеновая ПС82.20-1-1 ТП 902-1-59-КЖИ-ПС82.20-1-2 Панель стеновая ПС82.20-1-2 ТП 902-1-59-КЖИ-ПС82.20-2-1 Панель стеновая ПС82.20-2-1 ТП 902-1-59-КЖИ-ПС82.20-2-2 Панель стеновая ПС82.20-2-2 ТП 902-1-59-КЖИ-ПГ73.20-1 Панель-перегородка ПГ73.20-1 ТП 902-1-59-КЖИ-ПГ73.20-2 Панель-перегородка ПГ73.20-2 ТП 902-1-59-КЖИ-ПС82.20-1-1 СБ Панель стеновая ПС82.20-1-1. Сборочный чертеж ТП 902-1-59-КЖИ-ПС82.20-1-2 СБ Панель стеновая ПС82.20-1-2. Сборочный чертеж ТП 902-1-59-КЖИ-ПС82.20-2-1 СБ Панель стеновая ПС82.20-2-1. Сборочный чертеж ТП 902-1-59-КЖИ-ПС82.20-2-2 СБ Панель стеновая ПС82.20-2-2. Сборочный чертеж ТП 902-1-59-КЖИ-ПГ73.20-1 СБ Панель-перегородка ПГ73.20-1. Сборочный чертеж ТП 902-1-59-КЖИ-ПГ73.20-2 СБ Панель-перегородка ПГ73.20-2. Сборочный чертеж ТП 902-1-59-КЖИ-ПС82.20-1(2)-1-01 Панель стеновая ПС82.20-1(2)-1-01 ТП 902-1-59-КЖИ-ПС82-1(2)-1-02 Панель стеновая ПС82.20-1(2)-1-02 ТП 902-1-59-КЖИ-ПС82-1(2)-1-03 Панель стеновая ПС82.20-1(2)-1-03 ТП 902-1-59-КЖИ-ПС82-1(2)-1-04 Панель стеновая ПС82.20-1(2)-1-04 ТП 902-1-59-КЖИ-ПС82-1(2)-1-05 Панель стеновая ПС82.20-1(2)-1-05 ТП 902-1-59-КЖИ-ПС82-1(2)-1-06 Панель стеновая ПС82.20-1(2)-1-06 ТП 902-1-59-КЖИ-ПС82-1(2)-1-07 Панель стеновая ПС82.20-1(2)-1-07 ТП 902-1-59-КЖИ-ПС82-1(2)-1-08 Панель стеновая ПС82.20-1(2)-1-08 ТП 902-1-59-КЖИ-ПС82.20-1(2)-2-01 Панель стеновая ПС82.20-1(2)-2-01 ТП 902-1-59-КЖИ-ПС82.20-1(2)-2-02 Панель стеновая ПС82.20-1(2)-2-02 ТП 902-1-59-КЖИ-ПС82.20-1(2)-2-03 Панель стеновая ПС82.20-1(2)-2-03 ТП 902-1-59-КЖИ-ПС82.20-1(2)-2-04 Панель стеновая ПС82.20-1(2)-2-04 ТП 902-1-59-КЖИ-ПС82.20-1(2)-2-05 Панель стеновая ПС82.20-1(2)-2-05 ТП 902-1-59-КЖИ-ПС82.20-1(2)-2-06 Панель стеновая ПС82.20-1(2)-2-06 ТП 902-1-59-КЖИ-ПС82.20-1(2)-2-07 Панель стеновая ПС82.20-1(2)-2-07 ТП 902-1-59-КЖИ-ПС73.20-1(2)-01 Панель-перегородка ПС73.20-1(2)-01 ТП 902-1-59-КЖИ-ПС73.20-1(2)-02 Панель-перегородка ПС73.20-1(2)-02 ТП 902-1-59-КЖИ-ПС73.20-1(2)-03 Панель-перегородка ПС73.20-1(2)-03 ТП 902-1-59-КЖИ-ПС73.14-1-01 Панель-перегородка ПС73.14-1-01 ТП 902-1-59-КЖИ-ПС73.14-2-01 Панель-перегородка ПС73.14-2-01 ТП 902-1-59-КЖИ-ПС73.14-1-01 СБ Панель-перегородка ПС73.14-1-01. Сборочный чертеж ТП 902-1-59-КЖИ-ПС73.14-2-01 СБ Панель-перегородка ПС73.14-2-01. Сборочный чертеж ТП 902-1-59-КЖИ-ПС73.14-1-02 Панель стеновая ПС73.14-1-02 ТП 902-1-59-КЖИ-ПС73.14-2-02 Панель стеновая ПС73.14-2-02 ТП 902-1-59-КЖИ-ПС73.14-2-02 СБ Панель стеновая ПС73.14-1-02. Сборочный чертеж ТП 902-1-59-КЖИ-ПС73.14-2-02 СБ Панель стеновая ПС73.14-2-02. Сборочный чертеж ТП 902-1-59-КЖИ-Б1 Балка Б1 ТП 902-1-59-КЖИ-Б1-А Балка Б1-А ТП 902-1-59-КЖИ-Б2,Б2-А Балки Б2,Б2-А ТП 902-1-59-КЖИ-Б3,Б4 Балки Б3,Б4 ТП 902-1-59-КЖИ-Б5 Балка Б5 ТП 902-1-59-КЖИ-Б6,Б7 Балки Б6,Б7 ТП 902-1-59-КЖИ-Б8 Балка Б8 ТП 902-1-59-КЖИ-Б9 Балка Б9 ТП 902-1-59-КЖИ-ОП1 Опорный блок ОП1 ТП 902-1-59-КЖИ-ОП1 СБ Опорный блок ОП1. Сборочный чертеж ТП 902-1-59-КЖИ-КП2,КП3 Каркасы пространственные КП2,КП3 ТП 902-1-59-КЖИ-КП4,КП5 Каркасы пространственные КП4,КП5 ТП 902-1-59-КЖИ-КП6 Каркас пространственный КП6 ТП 902-1-59-КЖИ-КП7 Каркас пространственный КП7 ТП 902-1-59-КЖИ-КР14,КР15 Каркасы плоские КР14,КР15 ТП 902-1-59-КЖИ-КР16,КР17 Каркасы плоские КР16,КР17 ТП 902-1-59-КЖИ-КР18,КР19 Каркасы плоские КР18,КР19 ТП 902-1-59-КЖИ-КР20,КР21 Каркасы плоские КР20,КР21 ТП 902-1-59-КЖИ-КР22 Каркас плоский КР22 ТП 902-1-59-КЖИ-КР23 Каркас плоский КР23 ТП 902-1-59-КЖИ-С4 Сетка арматурная С4 ТП 902-1-59-КЖИ-С5 Сетка арматурная С5 ТП 902-1-59-КЖИ-С6 Сетка арматурная С6 ТП 902-1-59-КЖИ-С7 Сетка арматурная С7 ТП 902-1-59-КЖИ-С8 Сетка арматурная С8 ТП 902-1-59-КЖИ-С9 Сетка арматурная С9 ТП 902-1-59-КЖИ-С10 Сетка арматурная С10 ТП 902-1-59-КЖИ-С11,С12 Сетки арматурные С11,С12 ТП 902-1-59-КЖИ-С13,С14 Сетки арматурные С13,С14 ТП 902-1-59-КЖИ-С15 Сетка арматурная С15 ТП 902-1-59-КЖИ-С16 Сетка арматурная С16 ТП 902-1-59-КЖИ-С17,С18 Сетки арматурные С17,С18 ТП 902-1-59-КЖИ-С19 Сетка арматурная С19 ТП 902-1-59-КЖИ-С20 Сетка арматурная С20 ТП 902-1-59-КЖИ-С21 Сетка арматурная С21 ТП 902-1-59-КЖИ-МН1 Изделие закладное МН1 ТП 902-1-59-КЖИ-МН2,МН3 Изделия закладные МН2,МН3 ТП 902-1-59-КЖИ-МН4 Изделие закладное МН4 ТП 902-1-59-КЖИ-МН6 Изделие закладное МН6 ТП 902-1-59-КЖИ-МН7 Изделие закладное МН7 ТП 902-1-59-КЖИ-МН8 Изделие закладное МН8 ТП 902-1-59-КЖИ-МН9,МН10 Изделия закладные МН9,МН10 ТП 902-1-59-КЖИ-МН11 Изделие закладное МН11 ТП 902-1-59-КЖИ-МН12,МН13,МН14 Изделия закладные МН12,МН13,МН14 ТП 902-1-59-КЖИ-МС1 Изделие соединительное МС1 ТП 902-1-59-КЖИ-МС2 Изделие соединительное МС2 ТП 902-1-59-КЖИ-МС3 Изделие соединительное МС3 ТП 902-1-59-КЖИ-МС5 Изделие соединительное МС5 ТП 902-1-59-КЖИ-МС12 Изделие соединительное МС12 |
| Разработан: | Харьковский Водоканалпроект |
| Утверждён: | 24.10.1980 Союзводоканалпроект (Soyuzvodokanalproject 65) |


































































