Скачать Типовой проект 903-1-51/70 Альбом XVII. Типы 1, 2, 3. Сметы и экономическая часть. Здание с панельными стенамиДата актуализации: 01.01.2021
|
| Обозначение: | Типовой проект 903-1-51/70 |
| Обозначение англ: | 903-1-51/70 |
| Статус: | действует |
| Название рус.: | Альбом XVII. Типы 1, 2, 3. Сметы и экономическая часть. Здание с панельными стенами |
| Дата добавления в базу: | 01.09.2013 |
| Дата актуализации: | 01.01.2021 |
| Дата введения: | 31.07.1970 |
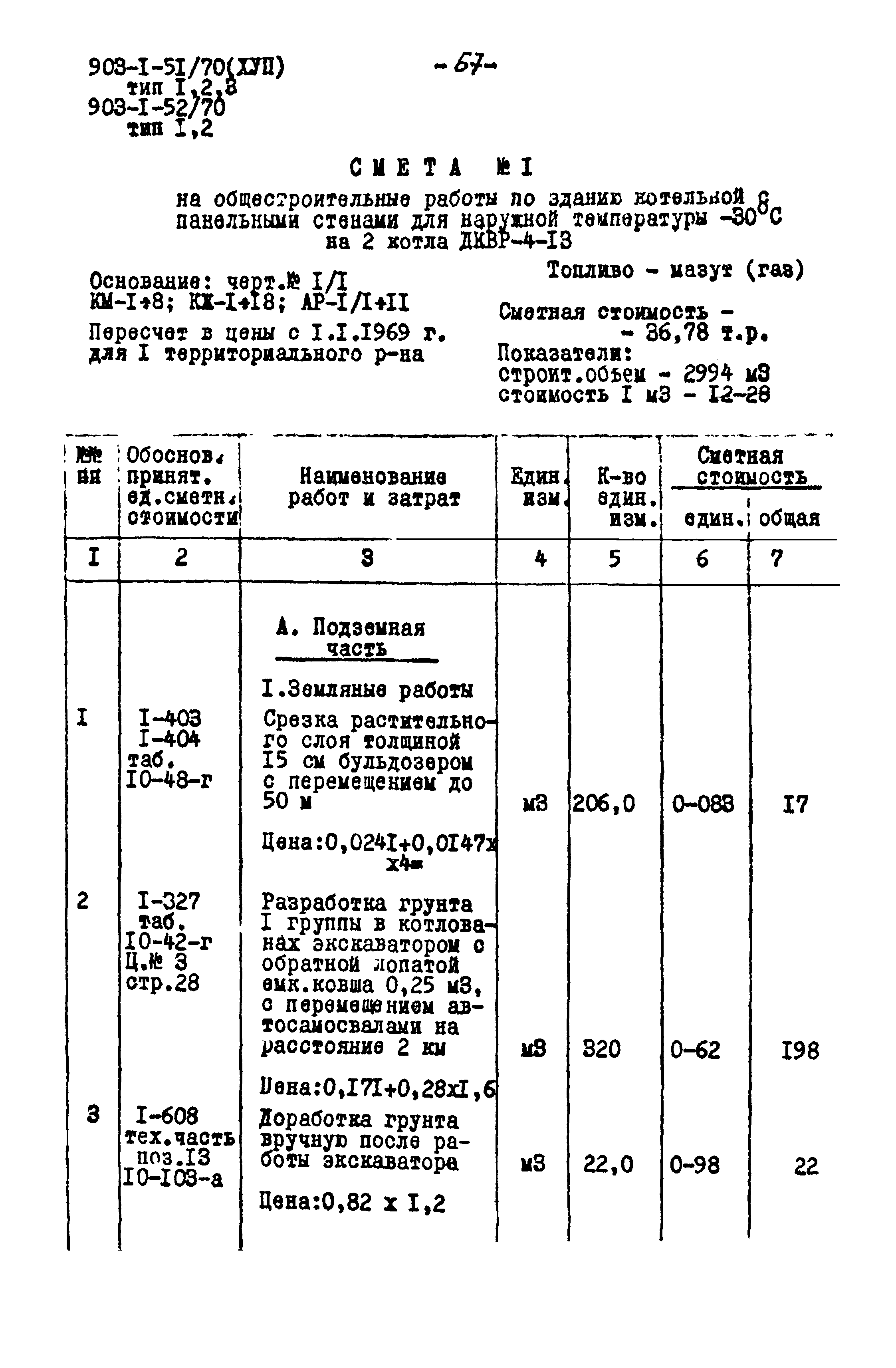
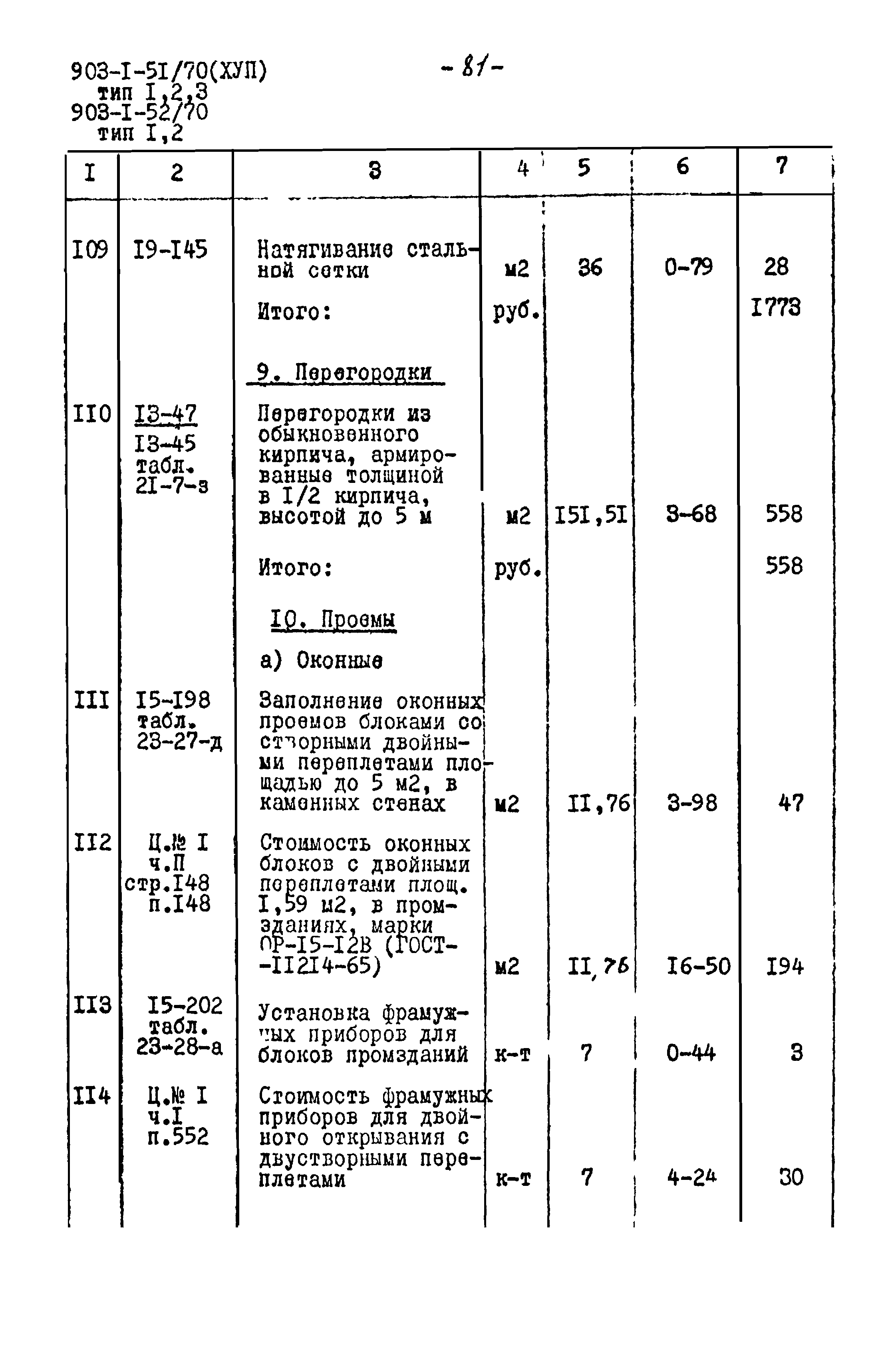
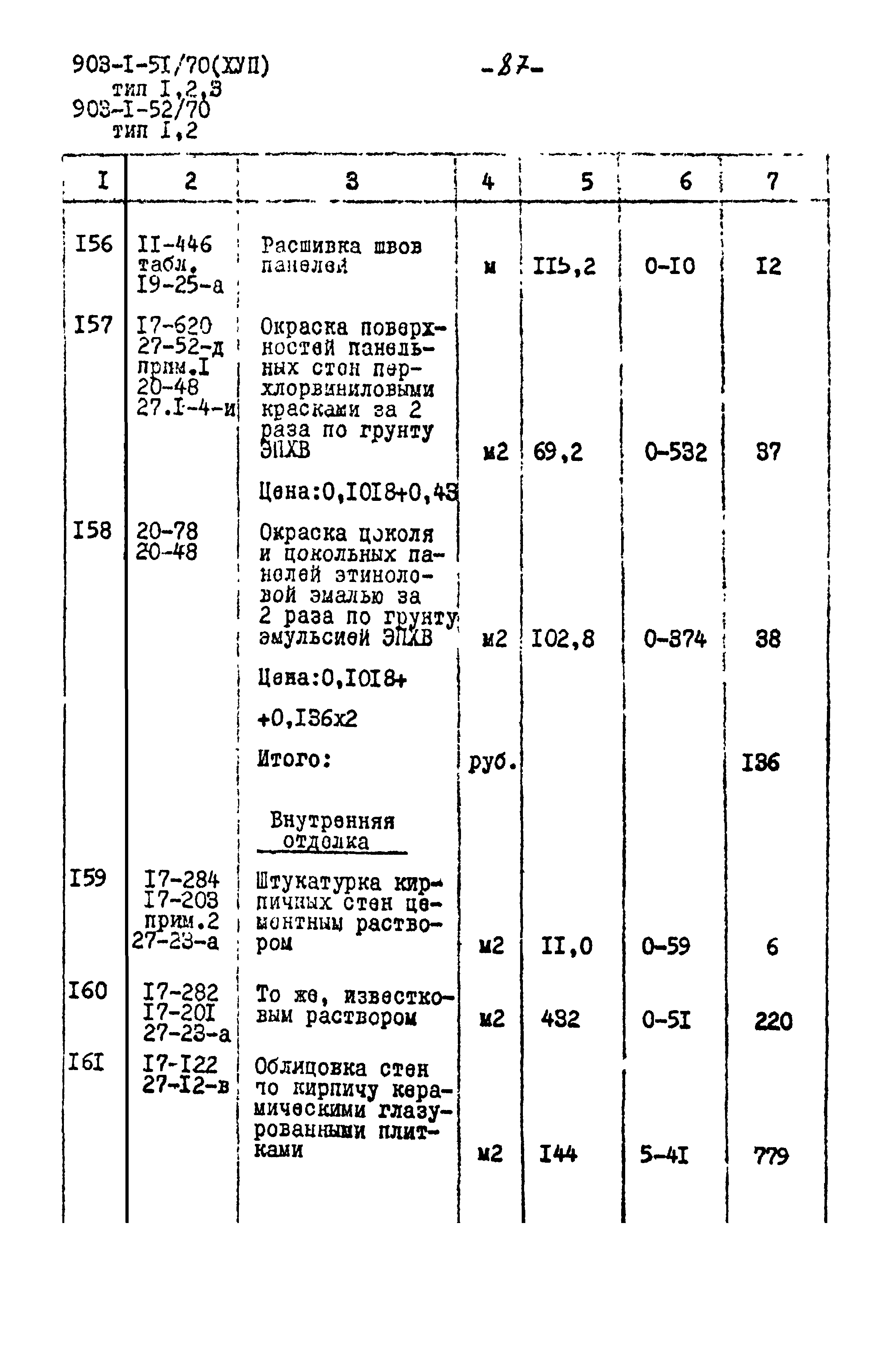
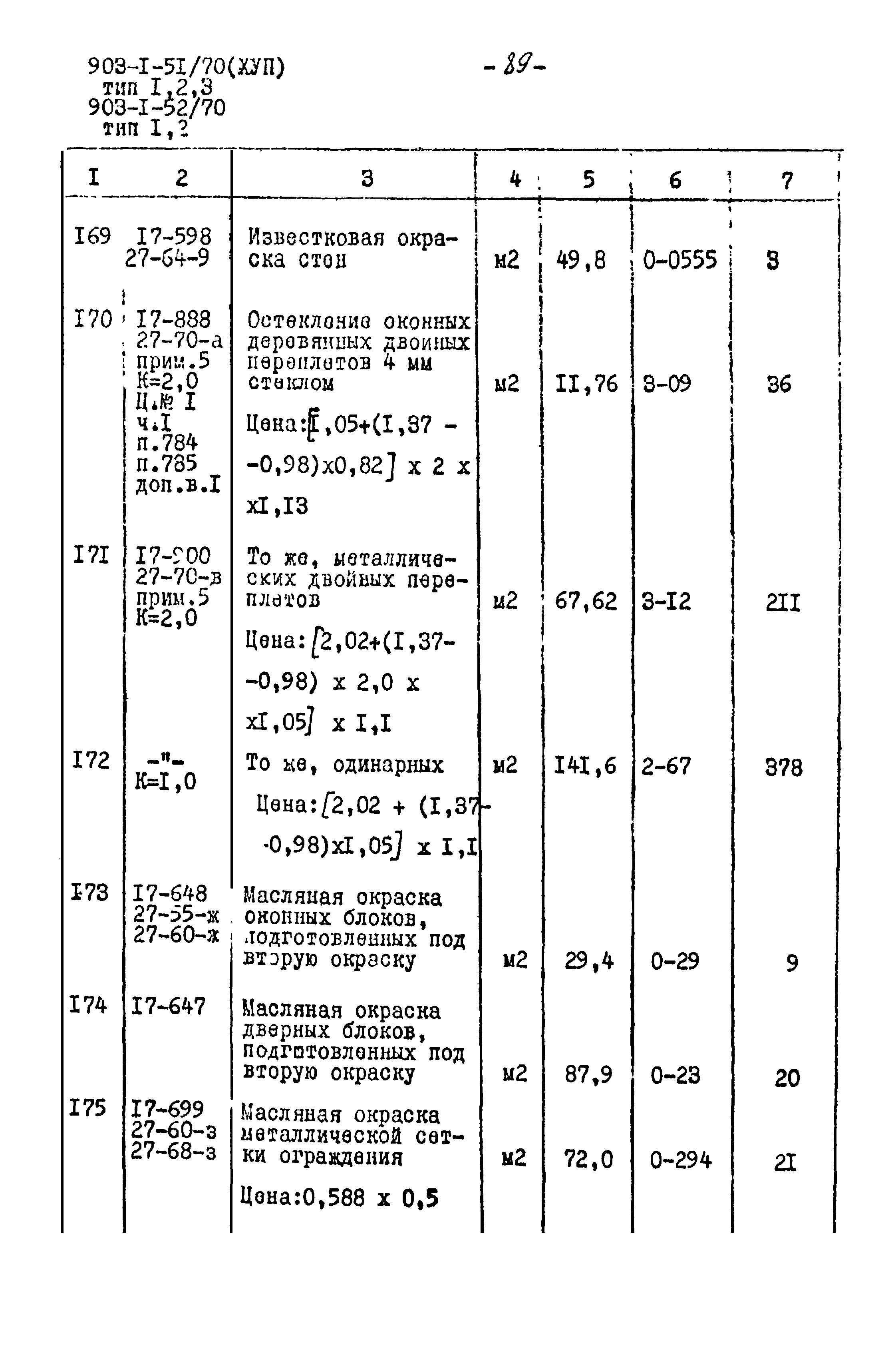
| Оглавление: | ТП 903-1-51/70;903-1-52/70 I. Экономическая часть ТП 903-1-51/70;903-1-52/70 Пояснительная записка ТП 903-1-51/70;903-1-52/70 Техноэкономические показатели котельной. Топливо - мазут, тип 1 ТП 903-1-51/70;903-1-52/70 Техноэкономические показатели котельной. Топливо - мазут, тип 2 ТП 903-1-51/70;903-1-52/70 Техноэкономические показатели котельной. Топливо - мазут, тип 3 ТП 903-1-51/70;903-1-52/70 Техноэкономические показатели котельной. Топливо - газ, тип 1 ТП 903-1-51/70;903-1-52/70 Техноэкономические показатели котельной. Топливо - газ, тип 2 ТП 903-1-51/70;903-1-52/70 Годовые эксплуатационные расходы и себестоимость Гкал отпущенного тепла. Топливо - мазут, тип 1 ТП 903-1-51/70;903-1-52/70 Годовые эксплуатационные расходы и себестоимость Гкал отпущенного тепла. Топливо - мазут, тип 2 ТП 903-1-51/70;903-1-52/70 Годовые эксплуатационные расходы и себестоимость Гкал отпущенного тепла. Топливо - мазут, тип 3 ТП 903-1-51/70;903-1-52/70 Годовые эксплуатационные расходы и себестоимость Гкал отпущенного тепла. Топливо - газ, тип 1 ТП 903-1-51/70;903-1-52/70 Годовые эксплуатационные расходы и себестоимость Гкал отпущенного тепла. Топливо - газ, тип 2 ТП 903-1-51/70;903-1-52/70 II. Сметы ТП 903-1-51/70;903-1-52/70 Пояснительная записка ТП 903-1-51/70;903-1-52/70 Объектная смета № 1 на строительство котельной с подземным газоходом. Топливо - мазут, тип 1 ТП 903-1-51/70;903-1-52/70 Объектная смета № 2 на строительство котельной с подземным газоходом. Топливо - мазут, тип 2 ТП 903-1-51/70;903-1-52/70 Объектная смета № 3 на строительство котельной с подземным газоходом. Топливо - мазут, тип 3 ТП 903-1-51/70;903-1-52/70 Объектная смета № 4 на строительство котельной с подземным газоходом. Топливо - газ, тип 1 ТП 903-1-51/70;903-1-52/70 Объектная смета № 5 на строительство котельной с подземным газоходом. Топливо - газ, тип 2 ТП 903-1-51/70;903-1-52/70 Смета № 1. Общестроительные работы по зданию котельной, тип 1,2,2,3 при наружной Т-30°С ТП 903-1-51/70;903-1-52/70 Смета № 1-2. Общестроительные работы по зданию котельной, тип 1,2,2,3 при наружной Т-20°С ТП 903-1-51/70;903-1-52/70 Смета № 1-3. Общестроительные работы по зданию котельной, тип 1,2,2,3 при наружной Т-40°С ТП 903-1-51/70;903-1-52/70 Приложение № 1 к сметам №№ 1, 1-2, 1-3. Ведомость затрат труда, материалов и строительных машин, потребных для строительства котельной. ТП 903-1-51/70;903-1-52/70 Приложение № 2 к сметам №№ 1, 1-2, 1-3. Ведомость материалов для изготовления индустриальных конструкций, полуфабрикатов и изделий. ТП 903-1-51/70;903-1-52/70 Смета № 6. Фундамент ФО-4 под подземный дымосос ТП 903-1-51/70;903-1-52/70 Смета № 10. Фундаменты под оборудование ТП 903-1-51/70;903-1-52/70 Смета № 11. Фундамент ФО-12 под охладитель продувочной воды ТП 903-1-51/70;903-1-52/70 Смета № 12. Фундамент ФО-17 под подпиточный насос ТП 903-1-51/70;903-1-52/70 Смета № 13. Фундаменты ФО-20,21 под насос сетевой воды и сетевой канал КЛ-8 ТП 903-1-51/70;903-1-52/70 Смета № 14. Фундамент ФО-18,19 под насос сетевой воды ТП 903-1-51/70;903-1-52/70 Смета № 21. Подземные газоходы КЛ-7 ТП 903-1-51/70;903-1-52/70 Смета № 32. Приобретение и монтаж основного тепломеханического оборудования ТП 903-1-51/70;903-1-52/70 Смета № 36. Изоляционные работы по оборудованию и трубопроводам ТП 903-1-51/70;903-1-52/70 Смета № 41. Приобретение и монтаж общекотельной установки ТП 903-1-51/70;903-1-52/70 Смета № 42. Приобретение и монтаж общекотельной установки ТП 903-1-51/70;903-1-52/70 Смета № 43. Монтаж трубопроводов общекотельной установки ТП 903-1-51/70;903-1-52/70 Смета № 44. Монтаж трубопроводов общекотельной установки ТП 903-1-51/70;903-1-52/70 Смета № 45. Монтаж трубопроводов общекотельной установки ТП 903-1-51/70;903-1-52/70 Смета № 46. Изоляционные работы трубопроводов и оборудования общекотельной установки ТП 903-1-51/70;903-1-52/70 Смета № 47. Изоляционные работы трубопроводов и оборудования общекотельной установки ТП 903-1-51/70;903-1-52/70 Смета № 48. Изоляционные работы трубопроводов и оборудования общекотельной установки ТП 903-1-51/70;903-1-52/70 Смета № 80. Приобретение и монтаж оборудования комплексной слаботочной сети ТП 903-1-51/70;903-1-52/70 Смета № 81. Автодороги, тротуары и озеленение территории |
| Разработан: | Проектный институт № 1 Госстроя СССР |
| Утверждён: | 31.07.1970 Госстрой СССР (Государственный комитет Совета Министров СССР по делам строительства) (USSR Gosstroy 255) |






































































































































































































































