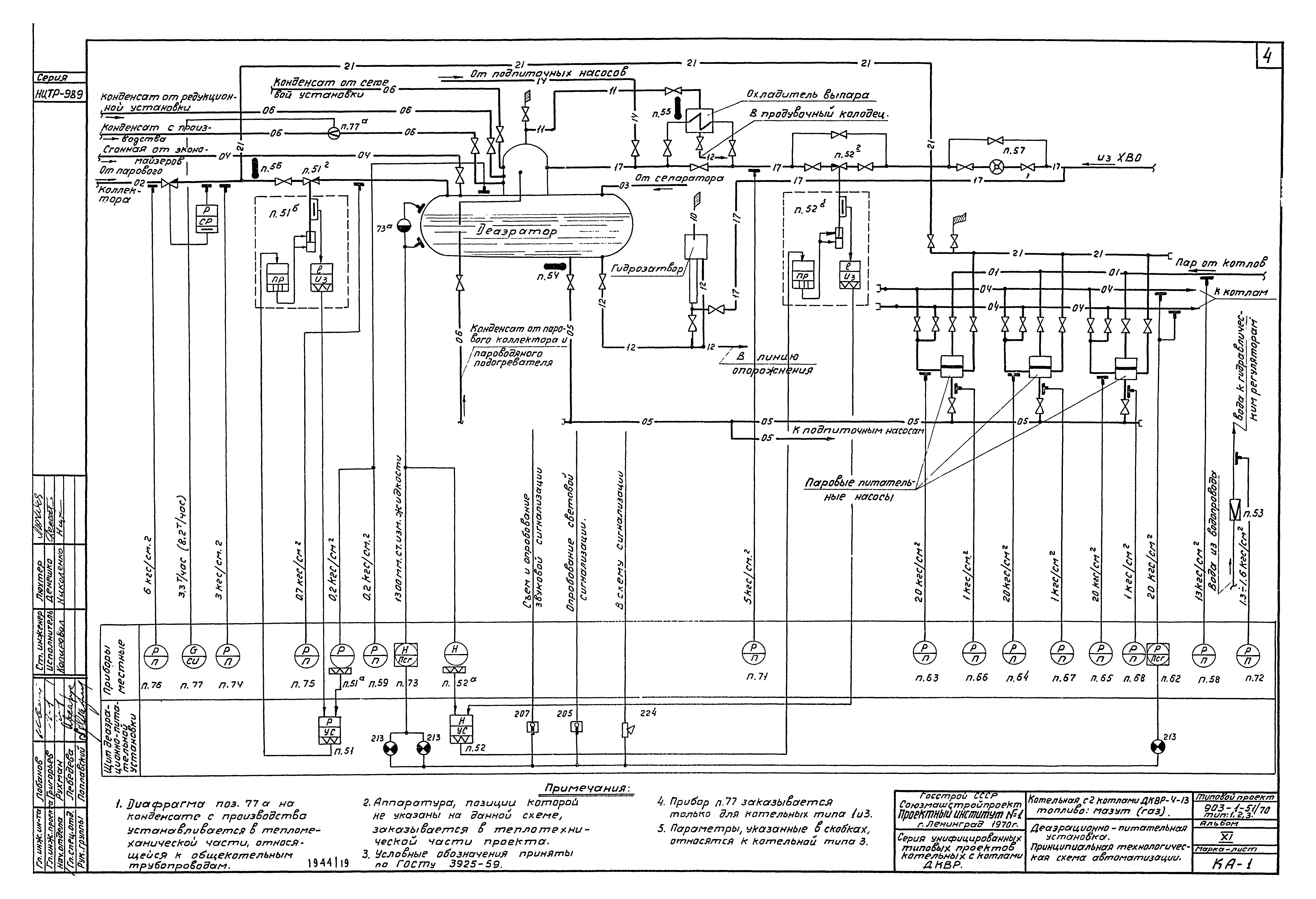
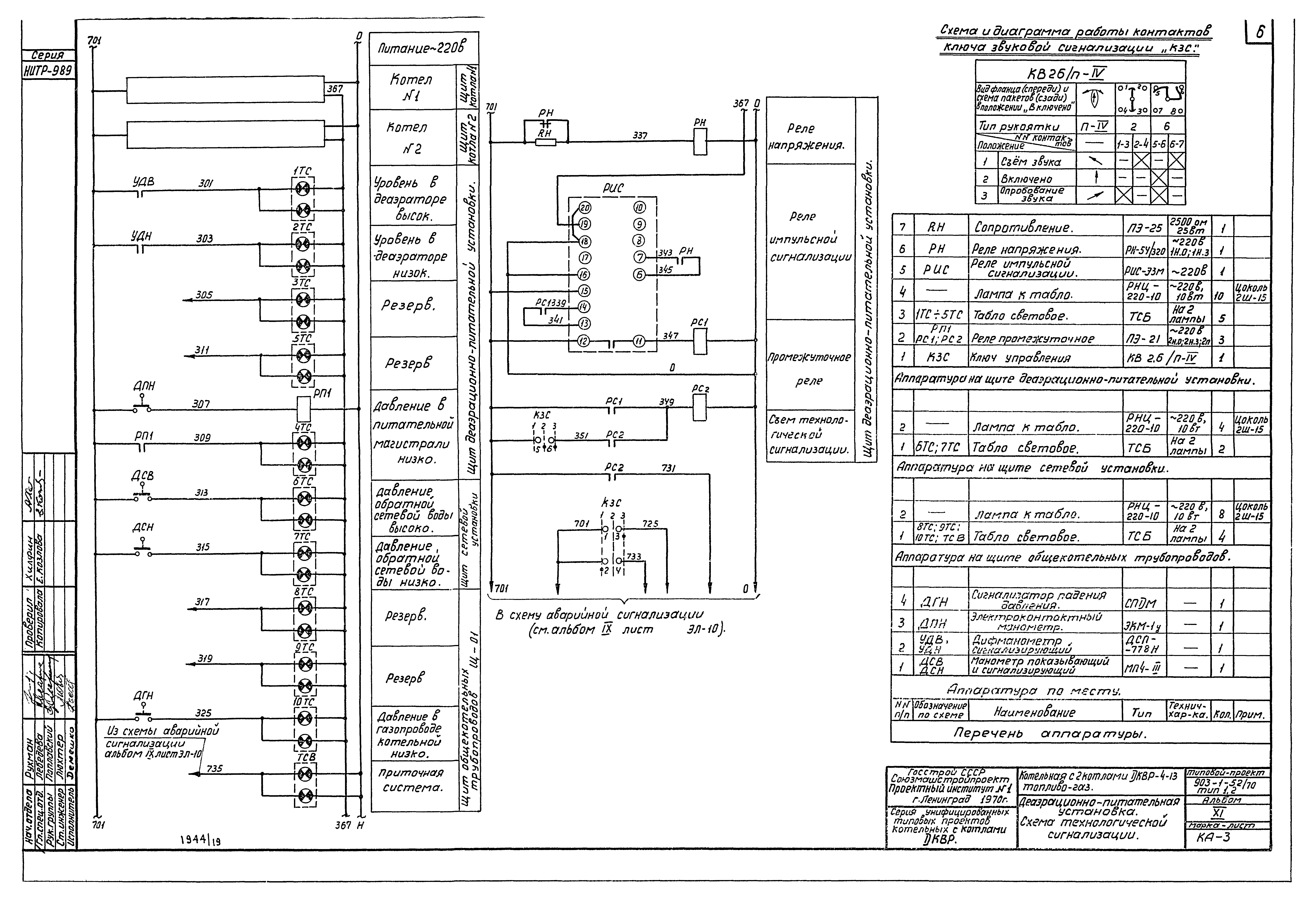
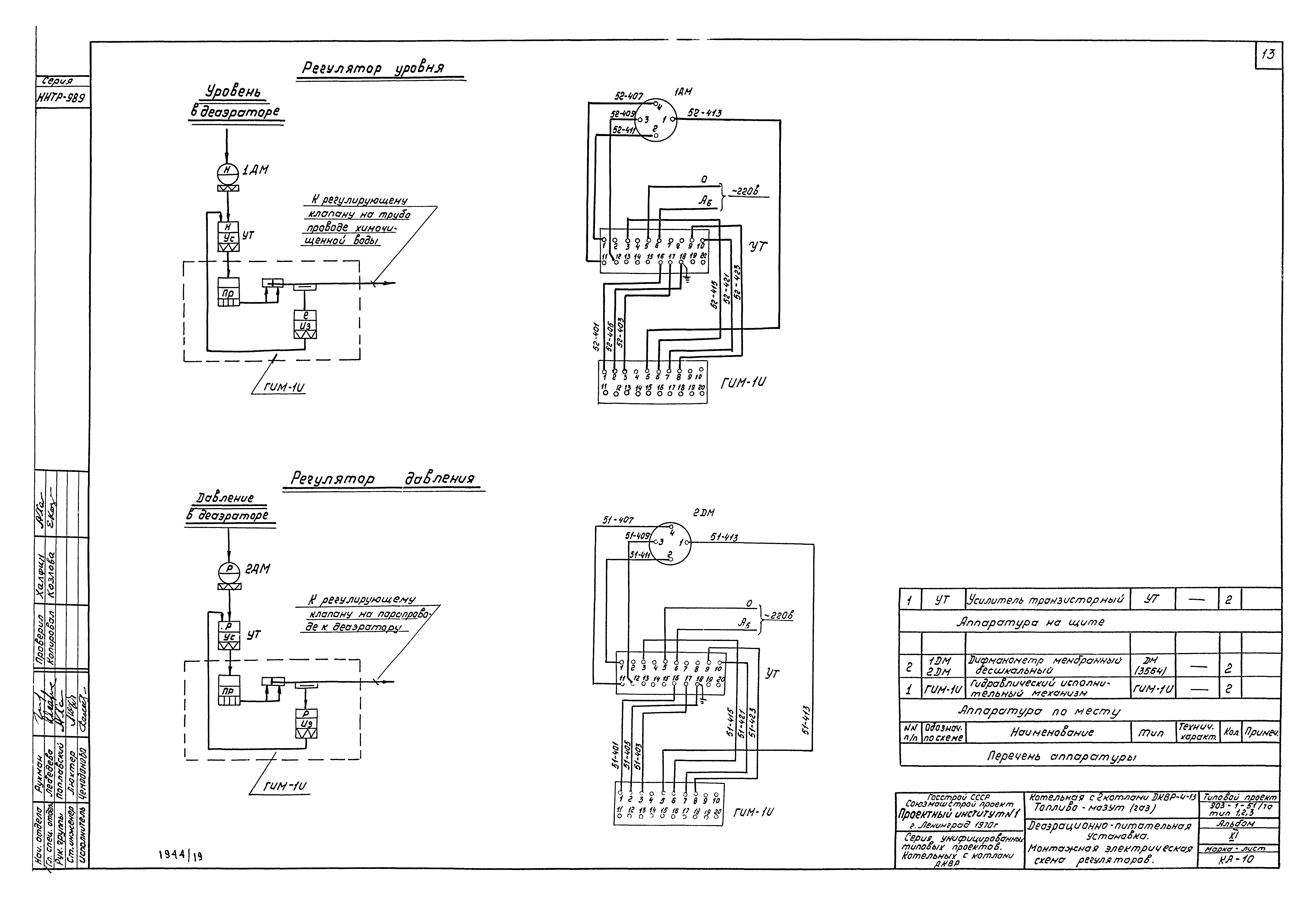
Скачать Типовой проект 903-1-52/70 Альбом XI. Типы 1, 2, 3. Автоматизация и контроль. Блок деаэрационно-питательной установки (из ТП 903-1-51/70)Дата актуализации: 01.01.2021 Типовой проект 903-1-52/70
Альбом XI. Типы 1, 2, 3. Автоматизация и контроль. Блок деаэрационно-питательной установки (из ТП 903-1-51/70)| Обозначение: | Типовой проект 903-1-52/70 | | Обозначение англ: | 903-1-52/70 | | Статус: | действует | | Название рус.: | Альбом XI. Типы 1, 2, 3. Автоматизация и контроль. Блок деаэрационно-питательной установки (из ТП 903-1-51/70) | | Дата добавления в базу: | 01.02.2017 | | Дата актуализации: | 01.01.2021 | | Дата введения: | 31.07.1970 | | Разработан: | Проектный институт № 1 Госстроя СССР
| | Утверждён: | 31.07.1970 Госстрой СССР (Государственный комитет Совета Министров СССР по делам строительства) (USSR Gosstroy 255)
| | Издан: | ЦИТП Госстроя СССР (CITP, Gosstroy (USSR) 1974 г. )
|
                      
|