Скачать Типовой проект 903-1-206 Альбом 1.8. Тепломеханическая частьДата актуализации: 01.01.2021
|
| Обозначение: | Типовой проект 903-1-206 |
| Обозначение англ: | 903-1-206 |
| Статус: | действует |
| Название рус.: | Альбом 1.8. Тепломеханическая часть |
| Дата добавления в базу: | 01.09.2013 |
| Дата актуализации: | 01.01.2021 |
| Дата введения: | 01.07.1984 |
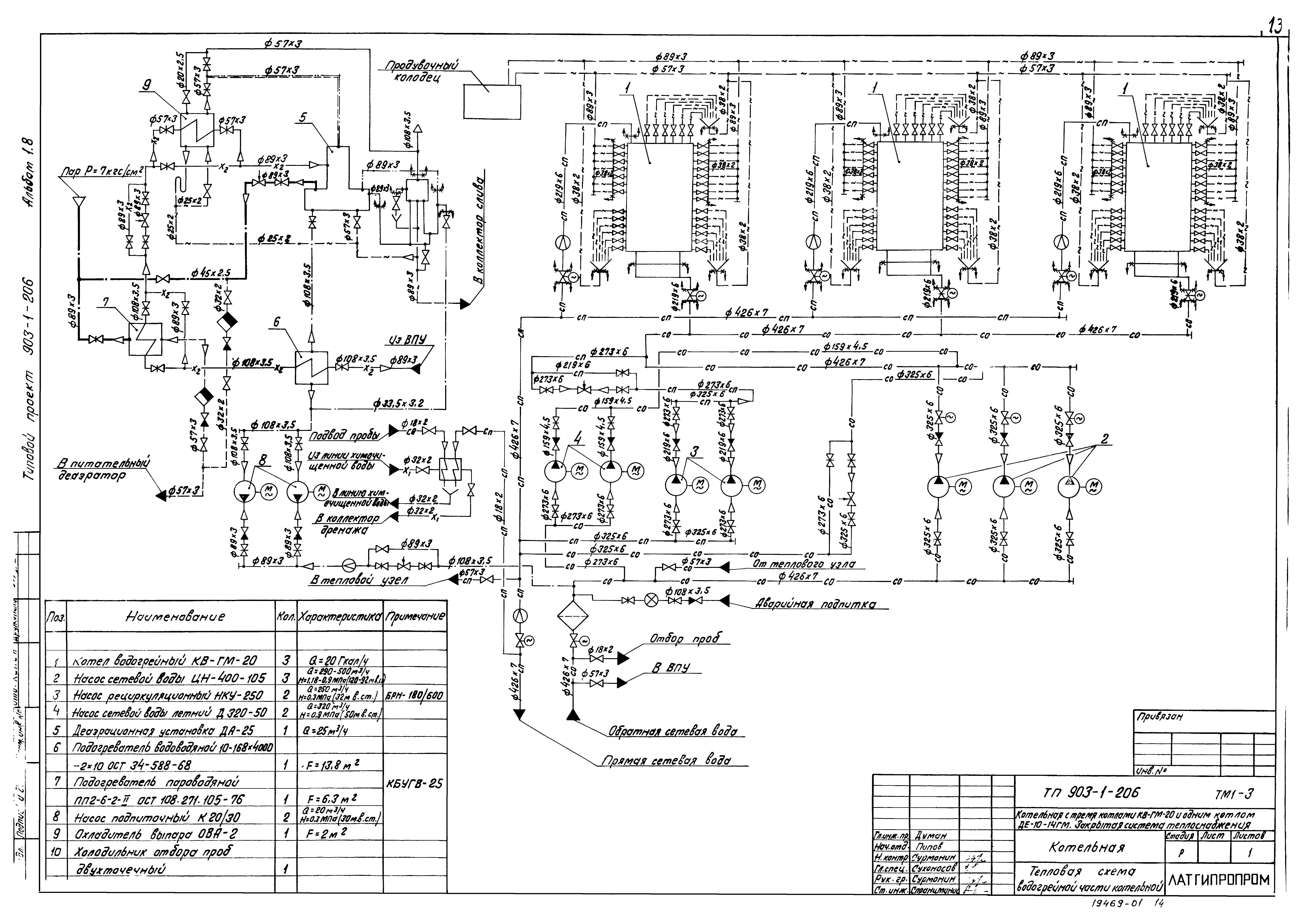
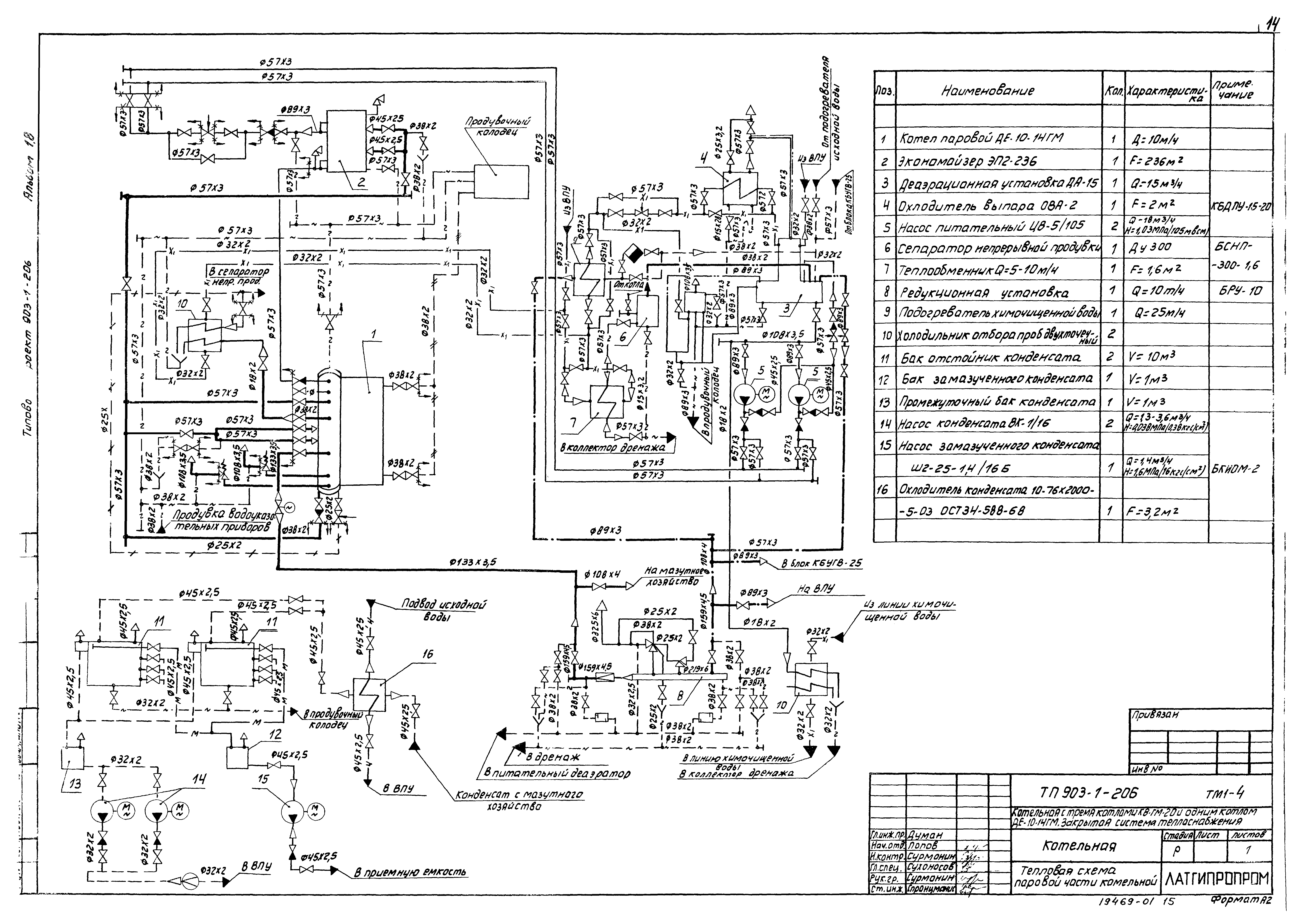
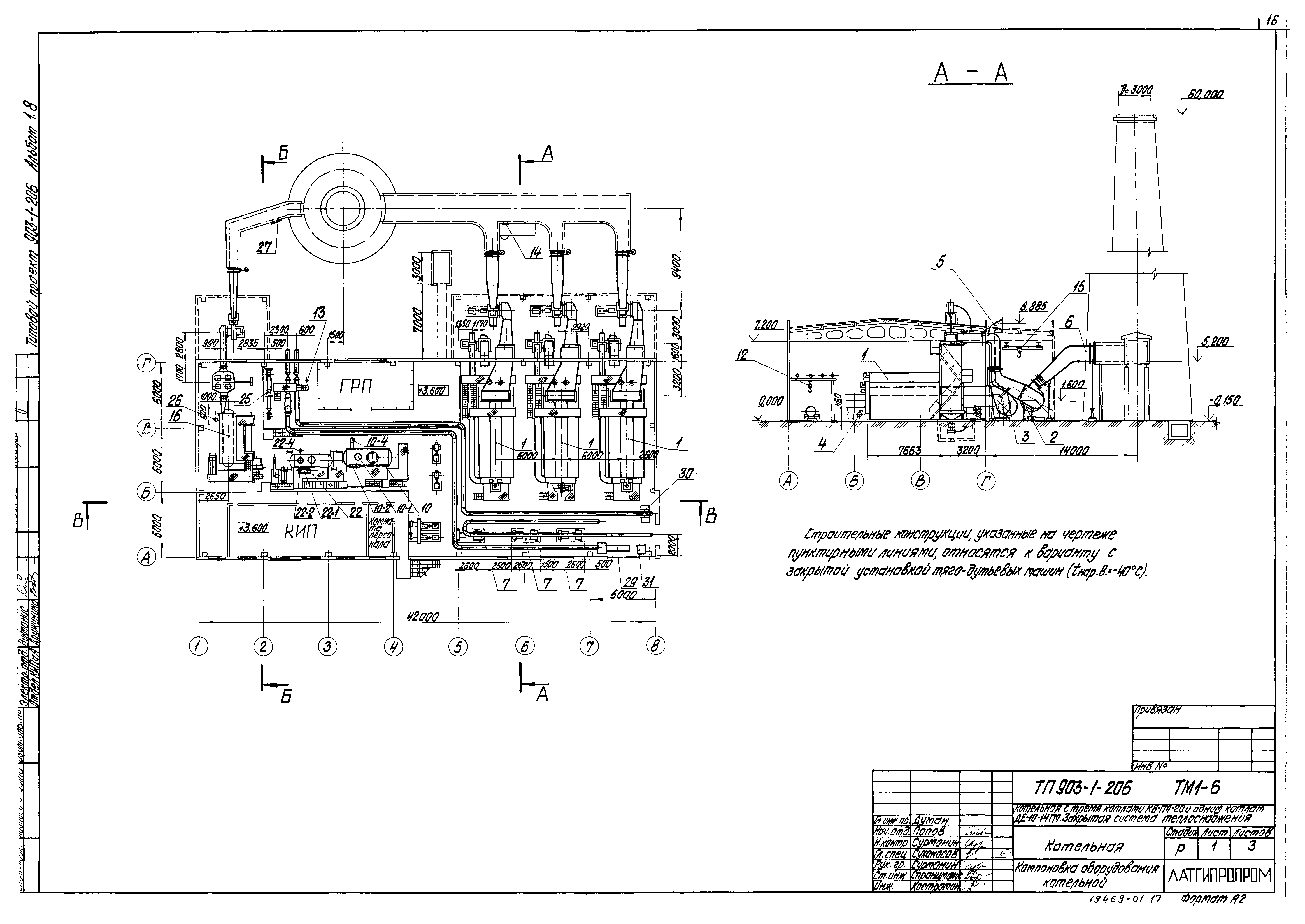
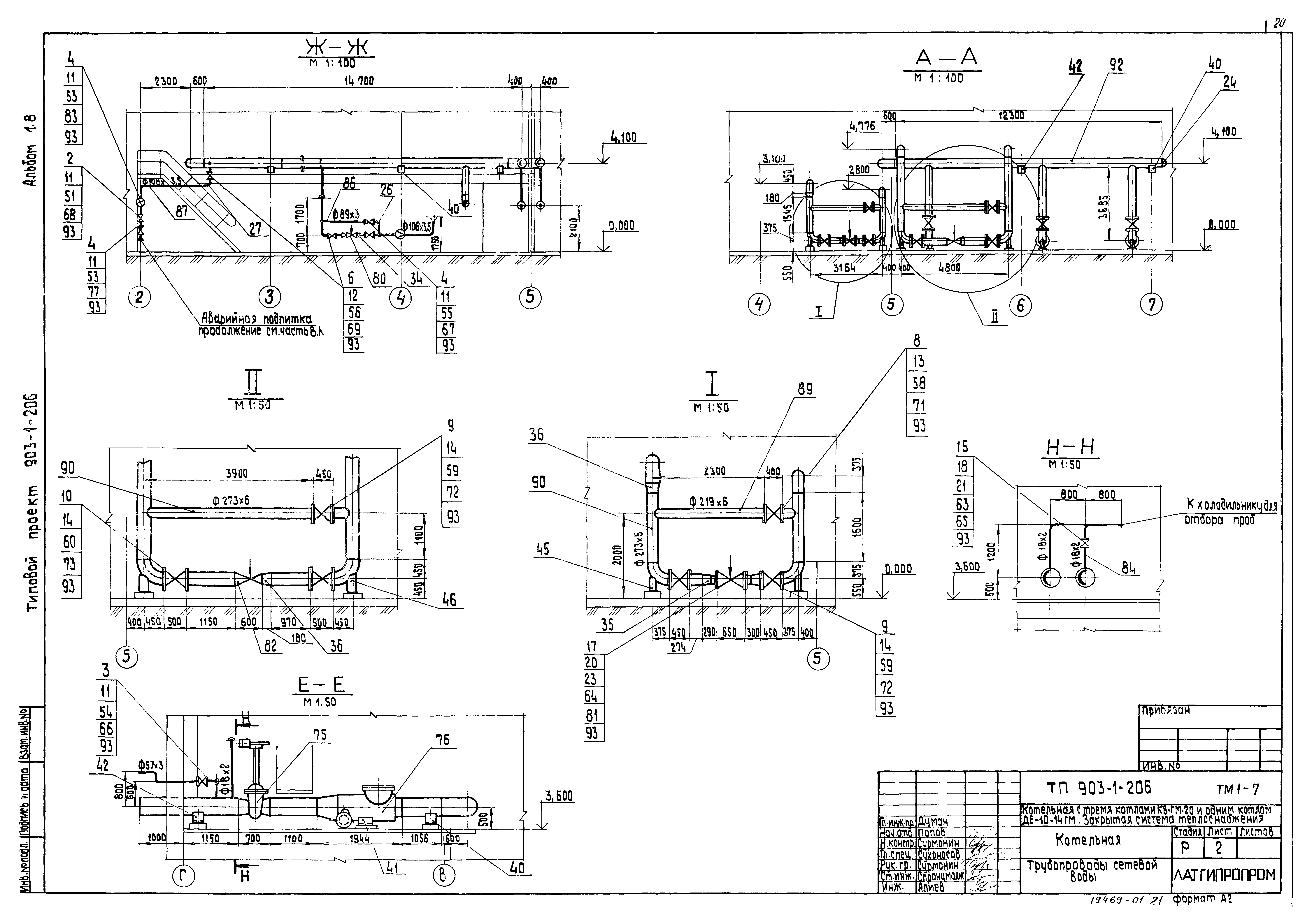
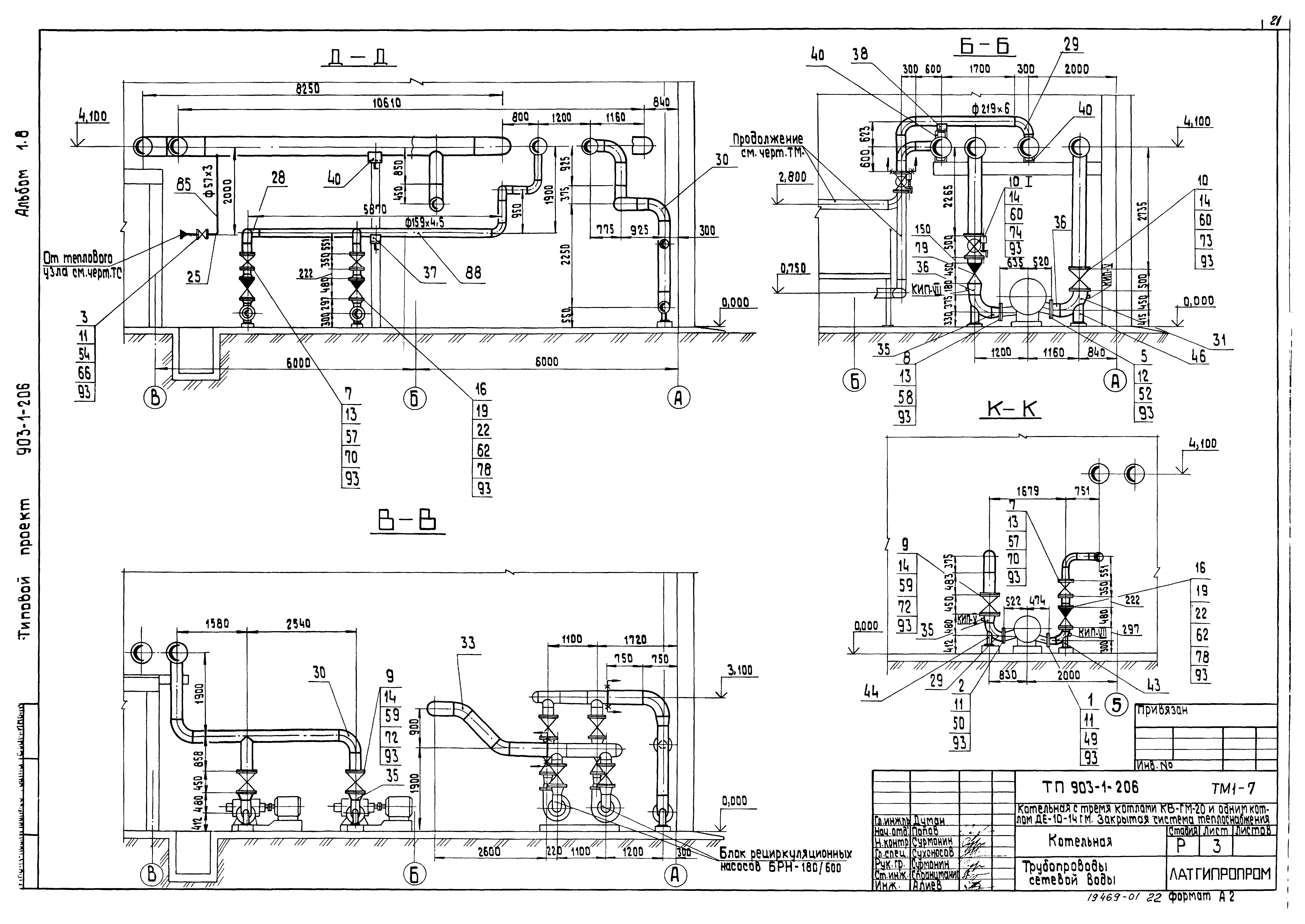
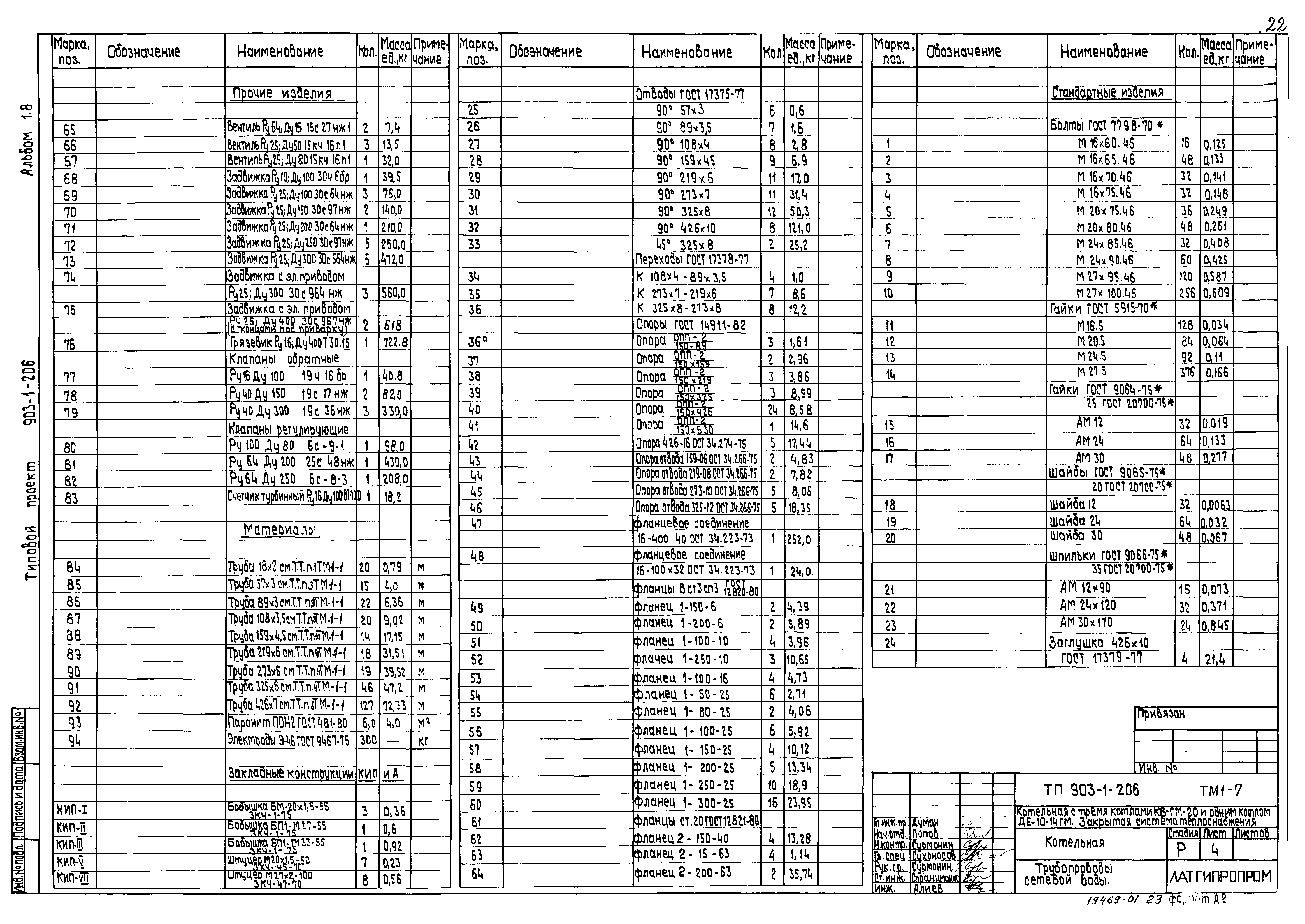
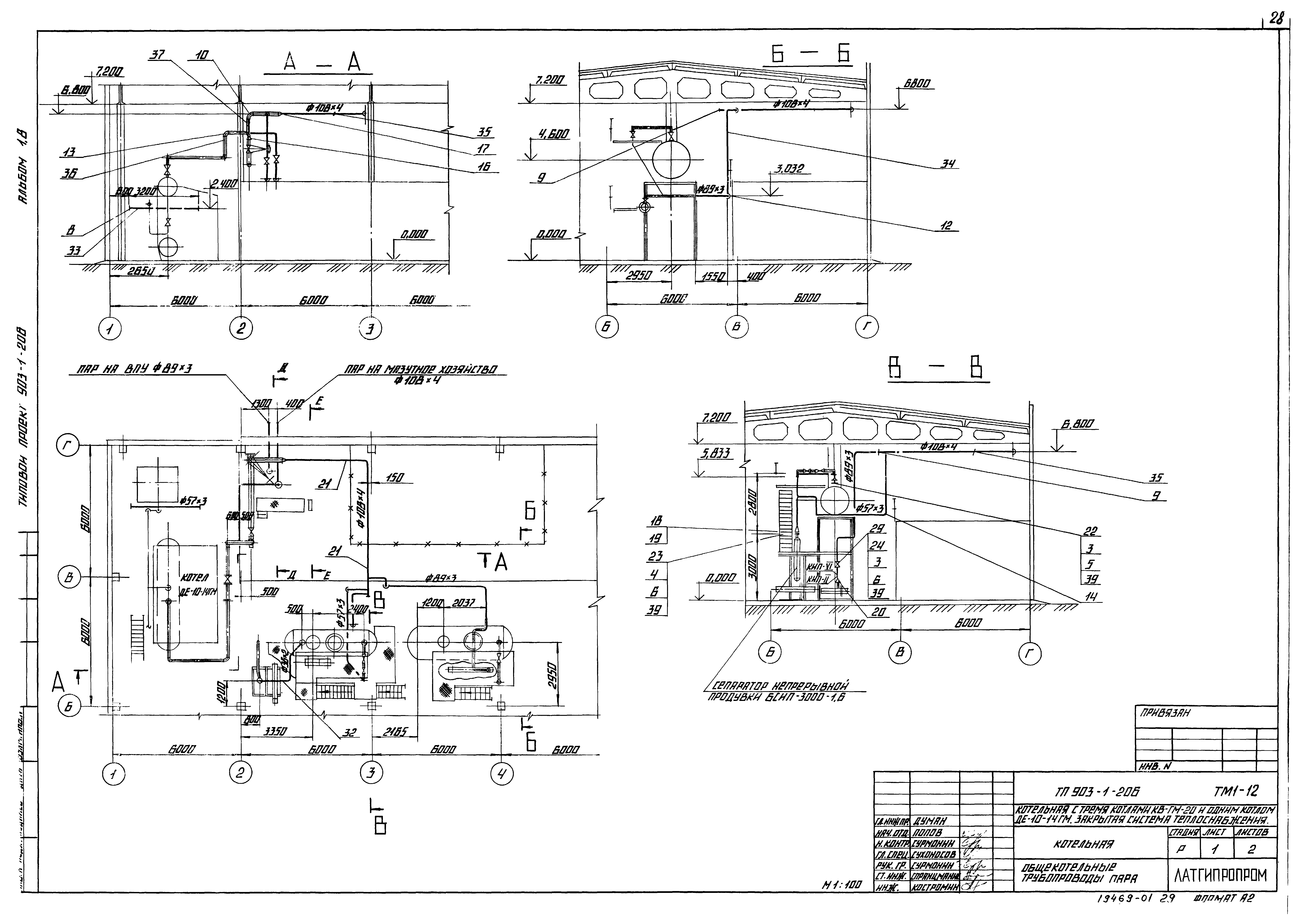
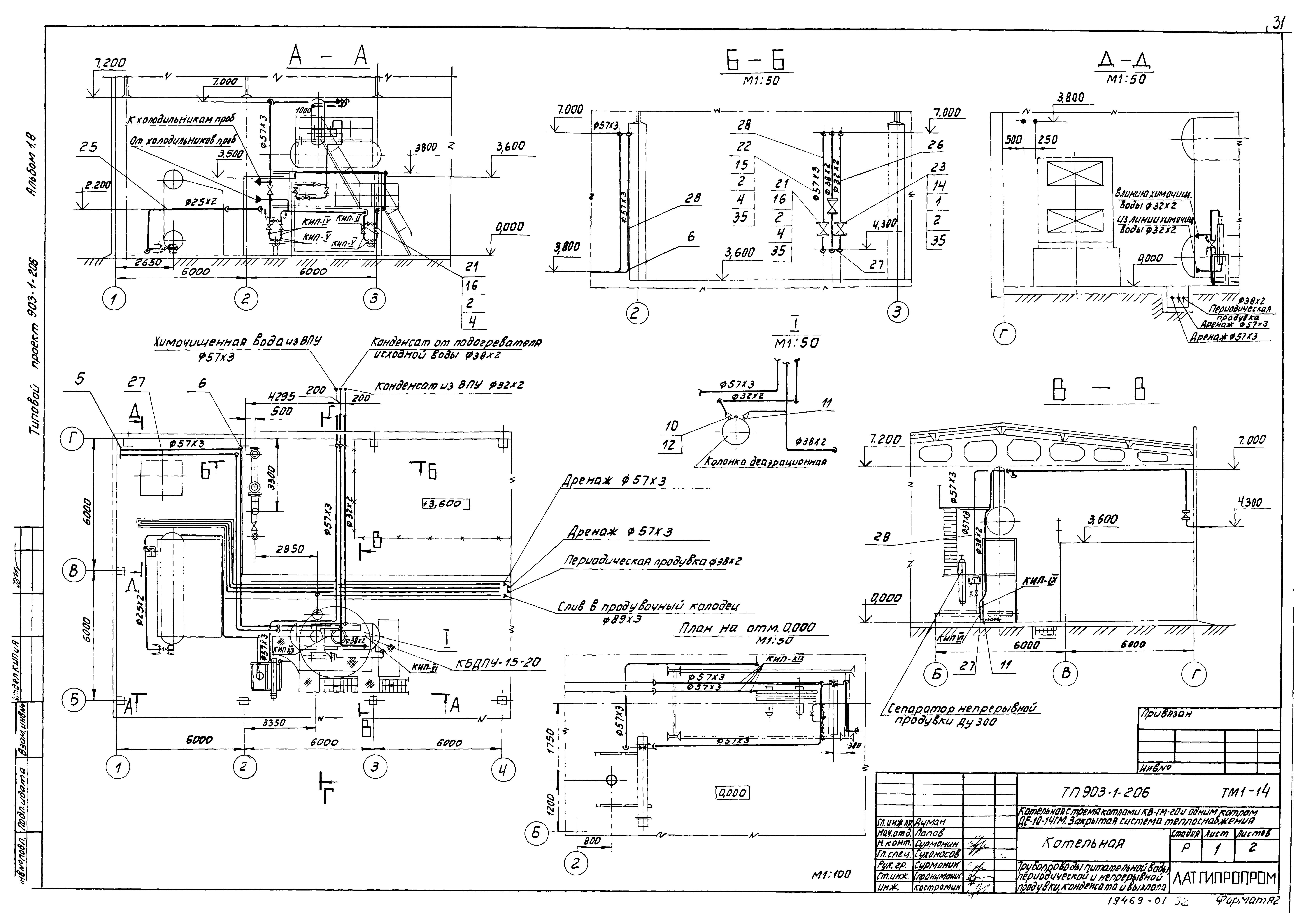
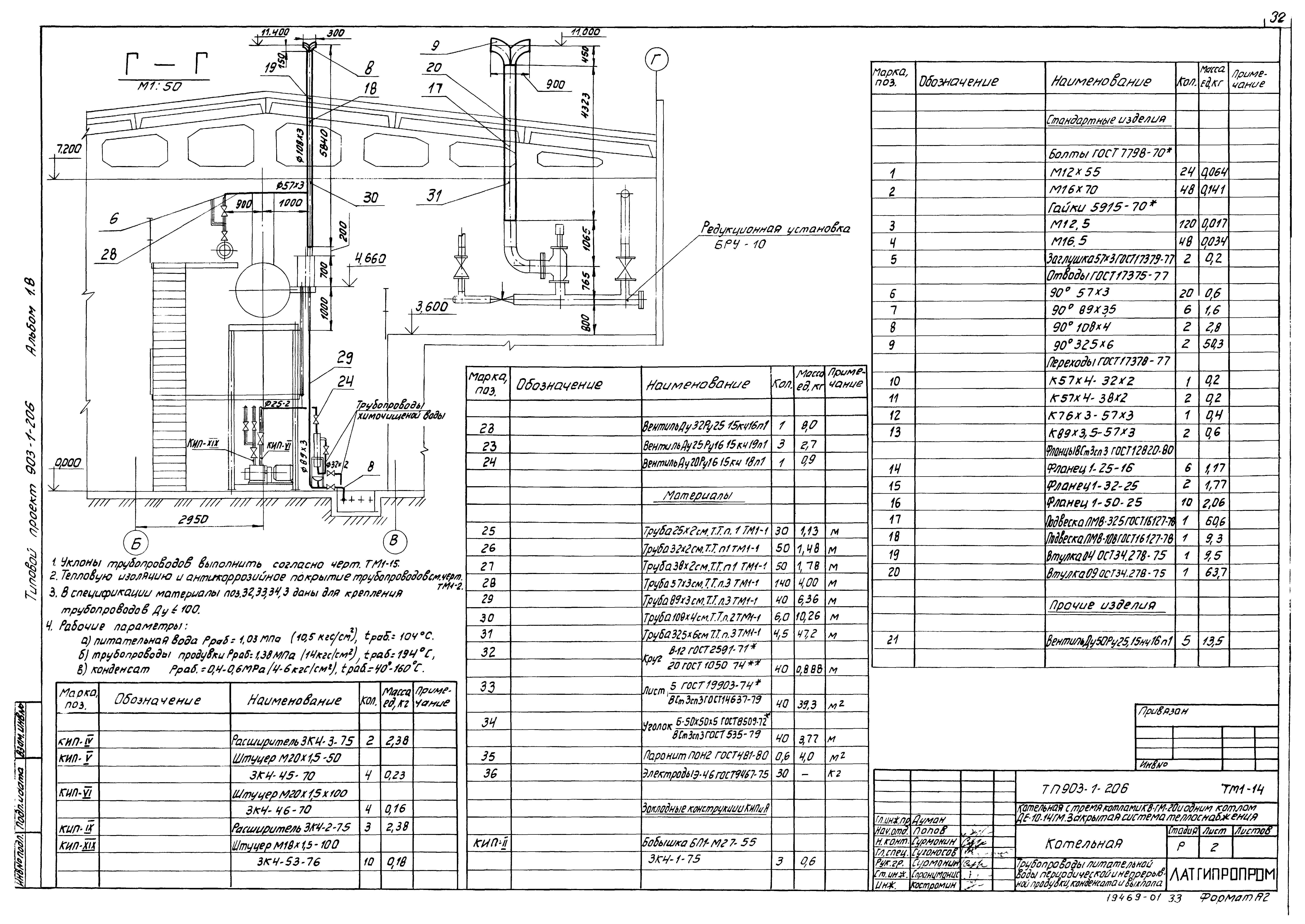
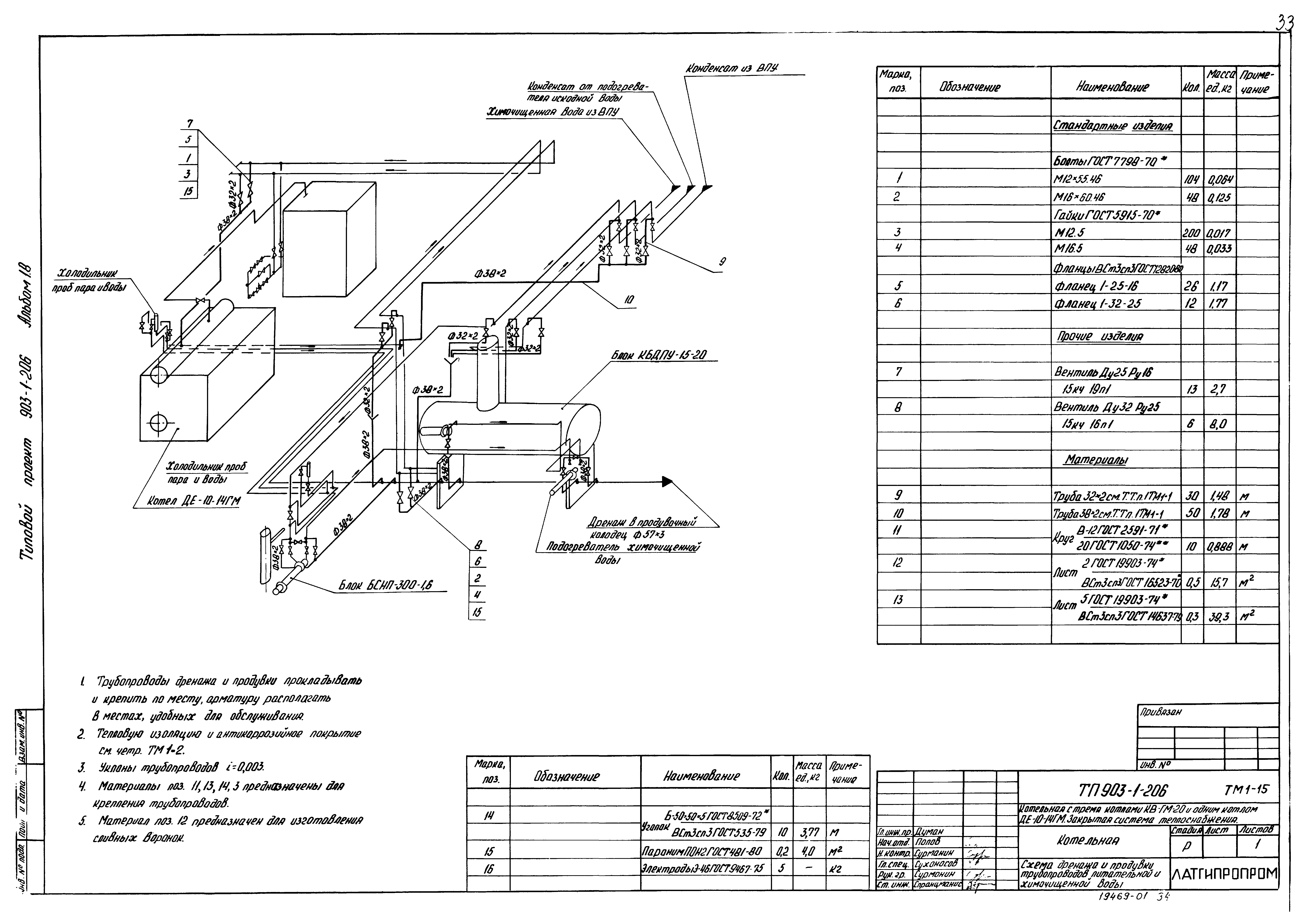
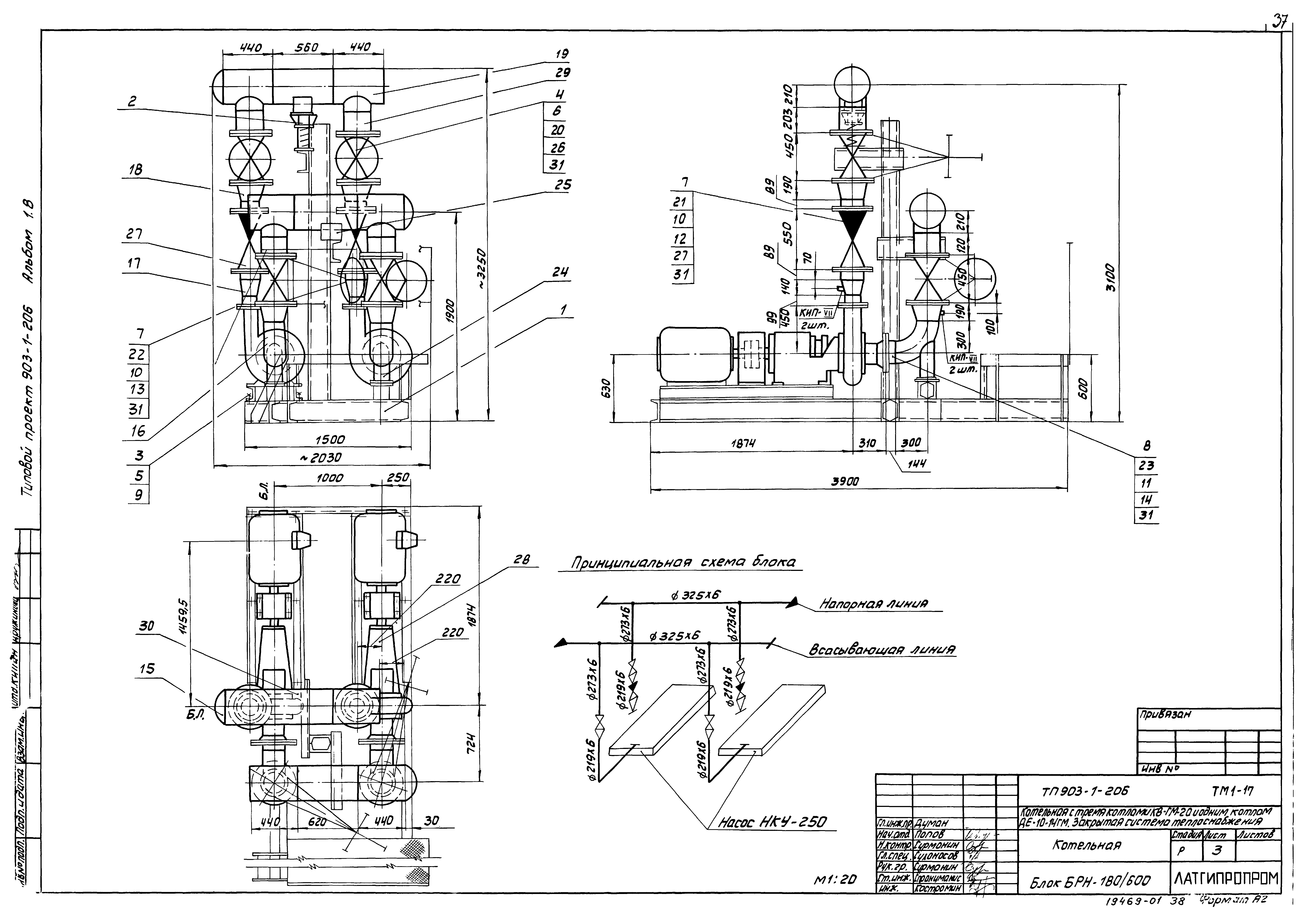
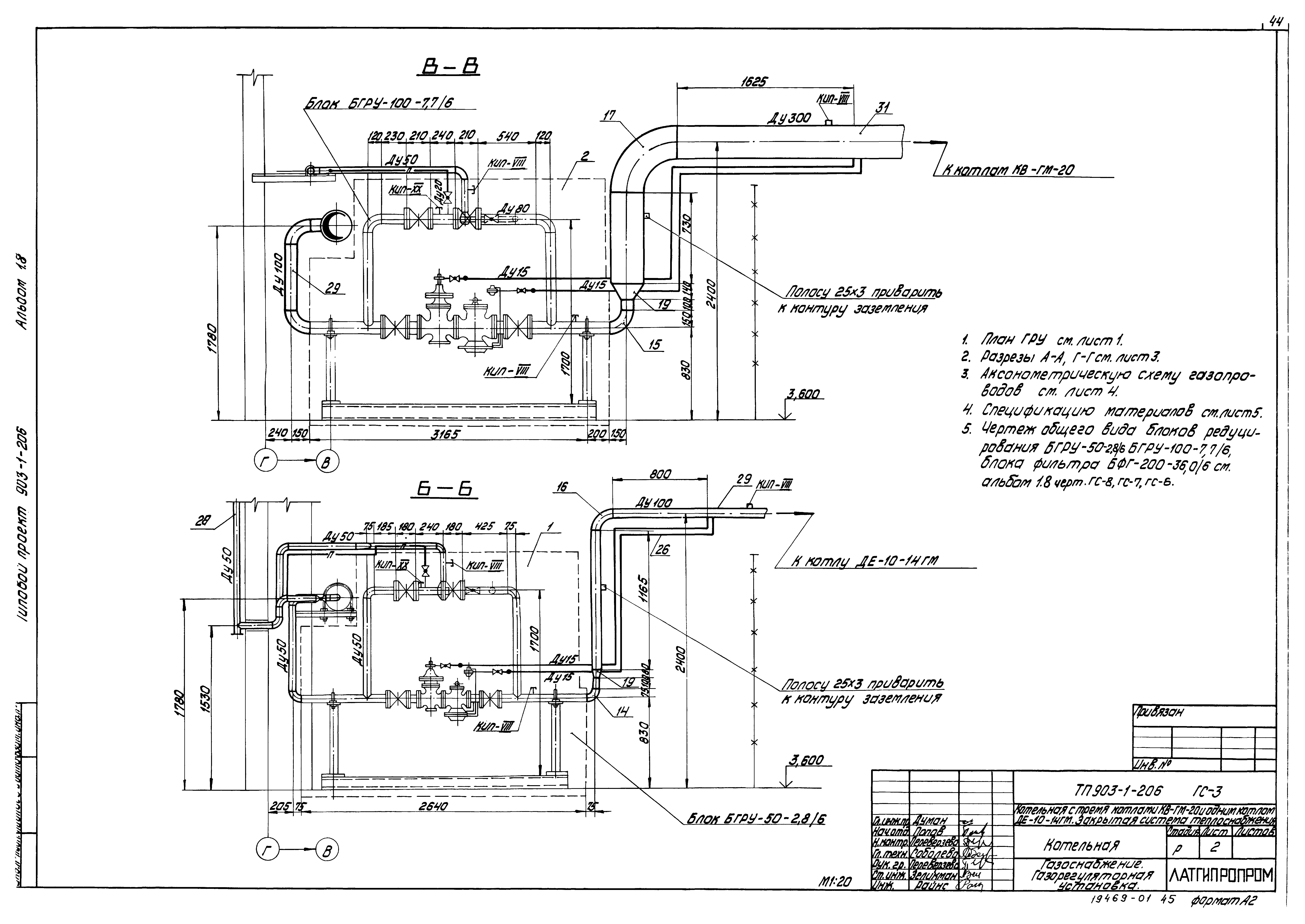
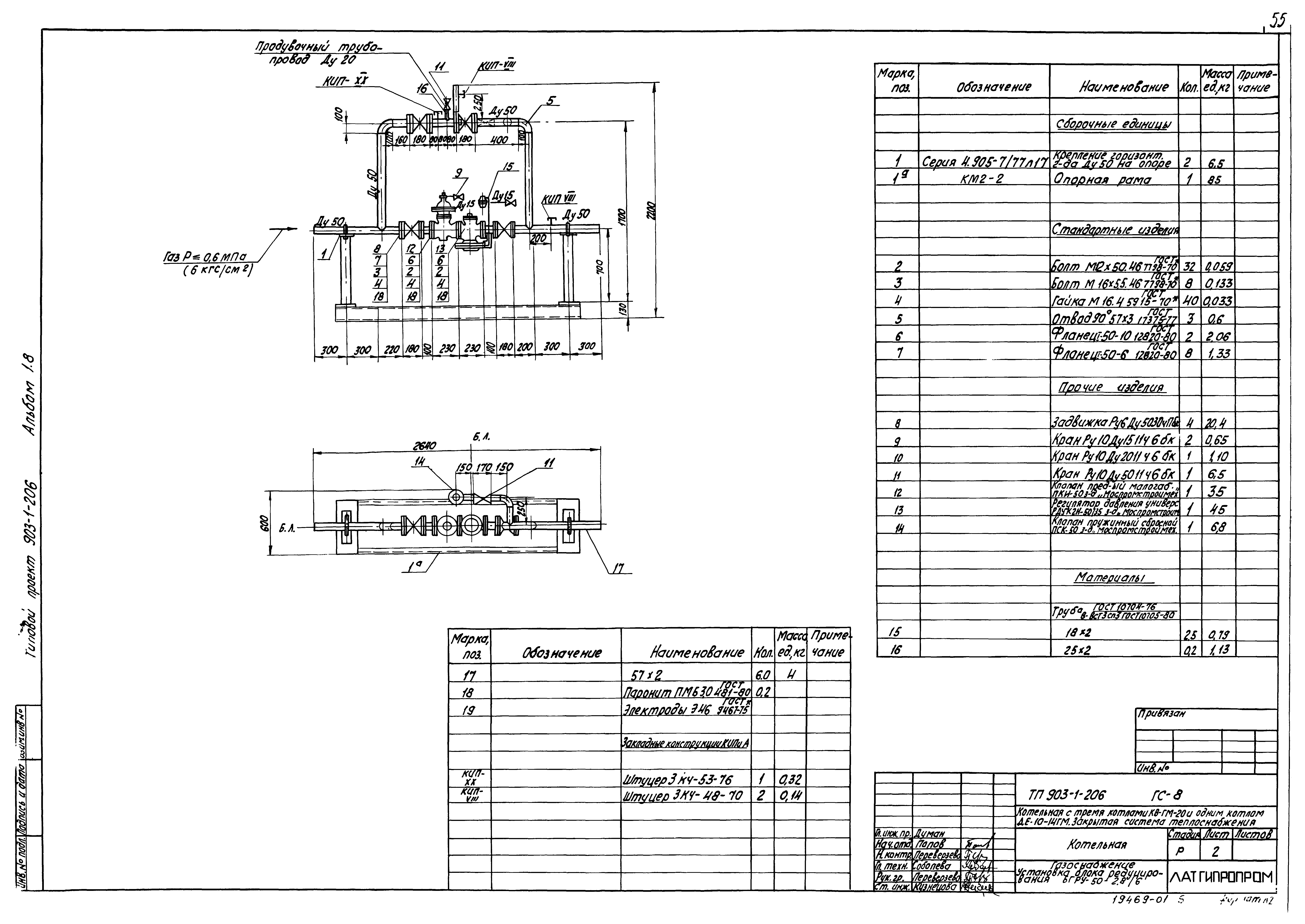
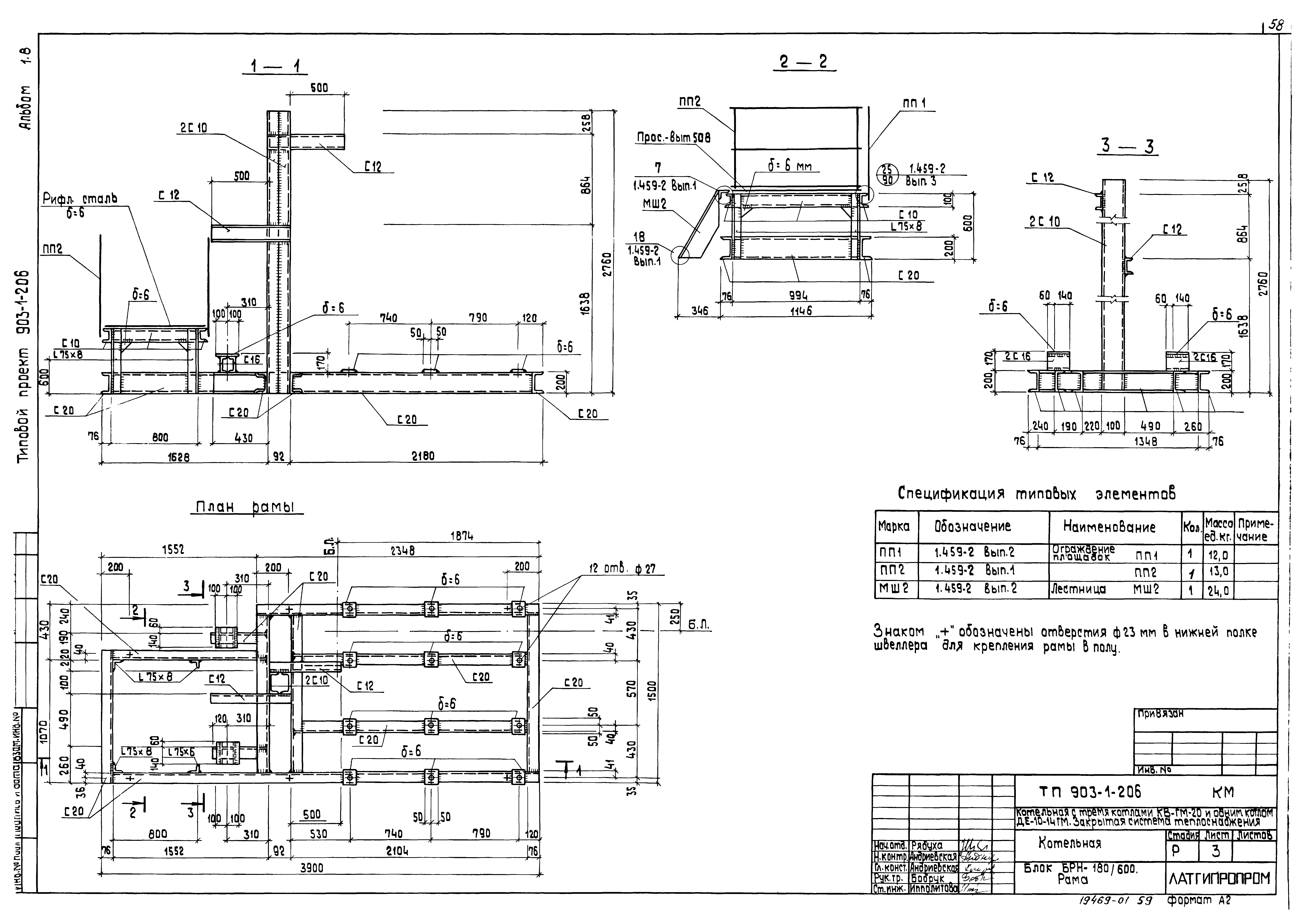
| Оглавление: | ТП 903-1-206 Содержание альбома ТП 903-1-206-ТМ Тепломеханическая часть ТП 903-1-206-ТМ1-1 Лист 1 Общие данные (начало) ТП 903-1-206-ТМ1-1 Лист 2 Общие данные (продолжение) ТП 903-1-206-ТМ1-1 Лист 3 Общие данные (продолжение) ТП 903-1-206-ТМ1-1 Лист 4 Общие данные (окончание) ТП 903-1-206-ТМ1-2 Лист 1 Перечень изолируемых поверхностей ТП 903-1-206-ТМ1-2 Лист 2 Перечень изолируемых поверхностей ТП 903-1-206-ТМ1-2 Лист 3 Перечень изолируемых поверхностей ТП 903-1-206-ТМ1-2 Лист 4 Перечень изолируемых поверхностей ТП 903-1-206-ТМ1-2 Лист 5 Перечень изолируемых поверхностей ТП 903-1-206-ТМ1-3 Тепловая схема водогрейной части котельной ТП 903-1-206-ТМ1-4 Тепловая схема паровой части котельной ТП 903-1-206-ТМ1-5 Схема паромазутопроводов ТП 903-1-206-ТМ1-6 Лист 1 Компоновка оборудования котельной ТП 903-1-206-ТМ1-6 Лист 2 Компоновка оборудования котельной ТП 903-1-206-ТМ1-6 Лист 3 Компоновка оборудования котельной ТП 903-1-206-ТМ1-7 Лист 1 Трубопроводы сетевой воды ТП 903-1-206-ТМ1-7 Лист 2 Трубопроводы сетевой воды ТП 903-1-206-ТМ1-7 Лист 3 Трубопроводы сетевой воды ТП 903-1-206-ТМ1-7 Лист 4 Трубопроводы сетевой воды ТП 903-1-206-ТМ1-8 Схема дренажа и продувки трубопроводов сетевой воды ТП 903-1-206-ТМ1-9 Трубопроводы сжатого воздуха ТП 903-1-206-ТМ1-10 Лист 1 Паромазутопроводы ТП 903-1-206-ТМ1-10 Лист 2 Паромазутопроводы ТП 903-1-206-ТМ1-11 Продувочное устройство ТП 903-1-206-ТМ1-12 Лист 1 Общекотельные трубопроводы пара ТП 903-1-206-ТМ1-12 Лист 2 Общекотельные трубопроводы пара ТП 903-1-206-ТМ1-13 Схема дренажа и продувки трубопроводов пара ТП 903-1-206-ТМ1-14 Лист 1 Трубопроводы питательной воды, периодической и непрерывной продувки, конденсата и выхлопа ТП 903-1-206-ТМ1-14 Лист 2 Трубопроводы питательной воды, периодической и непрерывной продувки, конденсата и выхлопа ТП 903-1-206-ТМ1-15 Схема дренажа и продувки трубопроводов питательной и химочищенной воды ТП 903-1-206-ТМ1-16 Холодильник для отбора проб двухточечный ТП 903-1-206-ТМ1-17 Лист 1 Блок БРН-180/600 ТП 903-1-206-ТМ1-17 Лист 2 Блок БРН-180/600 ТП 903-1-206-ТМ1-17 Лист 3 Блок БРН-180/600 ТП 903-1-206-ТМ1-18 Блок БРН-180/600. Опора пружинная ТП 903-1-206-ТМ1-19 Таблица крепежных материалов ТП 903-1-206-ГС Газоснабжение ТП 903-1-206-ГС-1 Лист 1 Газоснабжение. Общие данные (начало) ТП 903-1-206-ГС-1 Лист 2 Газоснабжение. Общие данные (окончание) ТП 903-1-206-ГС-2 Газоснабжение. План котельной с разводкой газопроводов ТП 903-1-206-ГС-3 Лист 1 Газоснабжение. Газорегуляторная установка ТП 903-1-206-ГС-3 Лист 2 Газоснабжение. Газорегуляторная установка ТП 903-1-206-ГС-3 Лист 3 Газоснабжение. Газорегуляторная установка ТП 903-1-206-ГС-3 Лист 4 Газоснабжение. Газорегуляторная установка ТП 903-1-206-ГС-3 Лист 5 Газоснабжение. Газорегуляторная установка ТП 903-1-206-ГС-4 Газоснабжение. Аксонометрическая схема газопроводов ТП 903-1-206-ГС-5 Газоснабжение. Установка сбросного продувочного трубопровода. Сборочный чертеж ТП 903-1-206-ГС-6 Лист 1 Газоснабжение. Установка блока фильтра БФГ-200-36,0/6 ТП 903-1-206-ГС-6 Лист 2 Газоснабжение. Установка блока фильтра БФГ-200-36,0/6 ТП 903-1-206-ГС-7 Лист 1 Газоснабжение. Установка блока редуцирования БГРУ-100-7,7/6 ТП 903-1-206-ГС-7 Лист 2 Газоснабжение. Установка блока редуцирования БГРУ-100-7,7/6 ТП 903-1-206-ГС-8 Лист 1 Газоснабжение. Установка блока редуцирования БГРУ-50-2,8/6 ТП 903-1-206-ГС-8 Лист 2 Газоснабжение. Установка блока редуцирования БГРУ-50-2,8/6 ТП 903-1-206-КМ Конструкции металлические ТП 903-1-206-КМ Лист 1 Общие данные ТП 903-1-206-КМ Лист 2 Техническая спецификация стали. Рама под холодильник для отбора проб двухточечного ТП 903-1-206-КМ Лист 3 Блок БРН-180/600. Рама ТП 903-1-206-КМ1 Лист 1 Общие данные ТП 903-1-206-КМ1 Лист 2 Блоки БГРУ 100-7,7/6,БГРУ-50-2,8/6 и БФГ-200-36,0/6. Рамы |
| Разработан: | Латгипропром |
| Утверждён: | 10.11.1983 Главпромстройпроект Госстроя СССР (41) |





























































