Скачать Типовой проект 901-2-166.1-2.89 Альбом 4. Электросиловое оборудование. Автоматизация технологических процессов. Спецификации оборудования. Ведомости потребности в материалахДата актуализации: 01.01.2021
|
| Обозначение: | Типовой проект 901-2-166.1-2.89 |
| Обозначение англ: | 901-2-166.1-2.89 |
| Статус: | не определен законодательством |
| Название рус.: | Альбом 4. Электросиловое оборудование. Автоматизация технологических процессов. Спецификации оборудования. Ведомости потребности в материалах |
| Дата добавления в базу: | 01.09.2013 |
| Дата актуализации: | 01.01.2021 |
| Дата введения: | 01.09.1989 |
| Дата окончания срока действия: | 30.06.2003 |
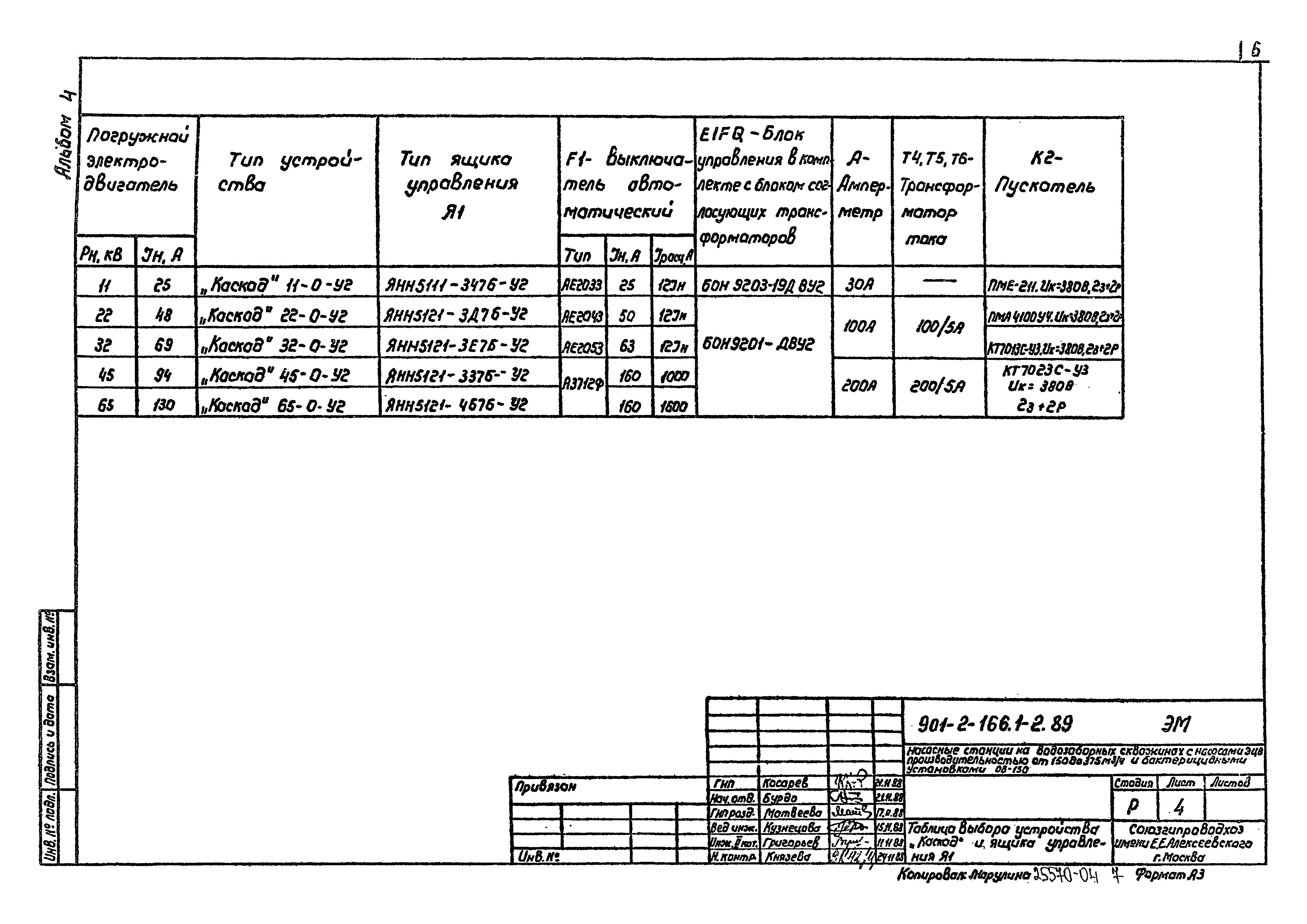
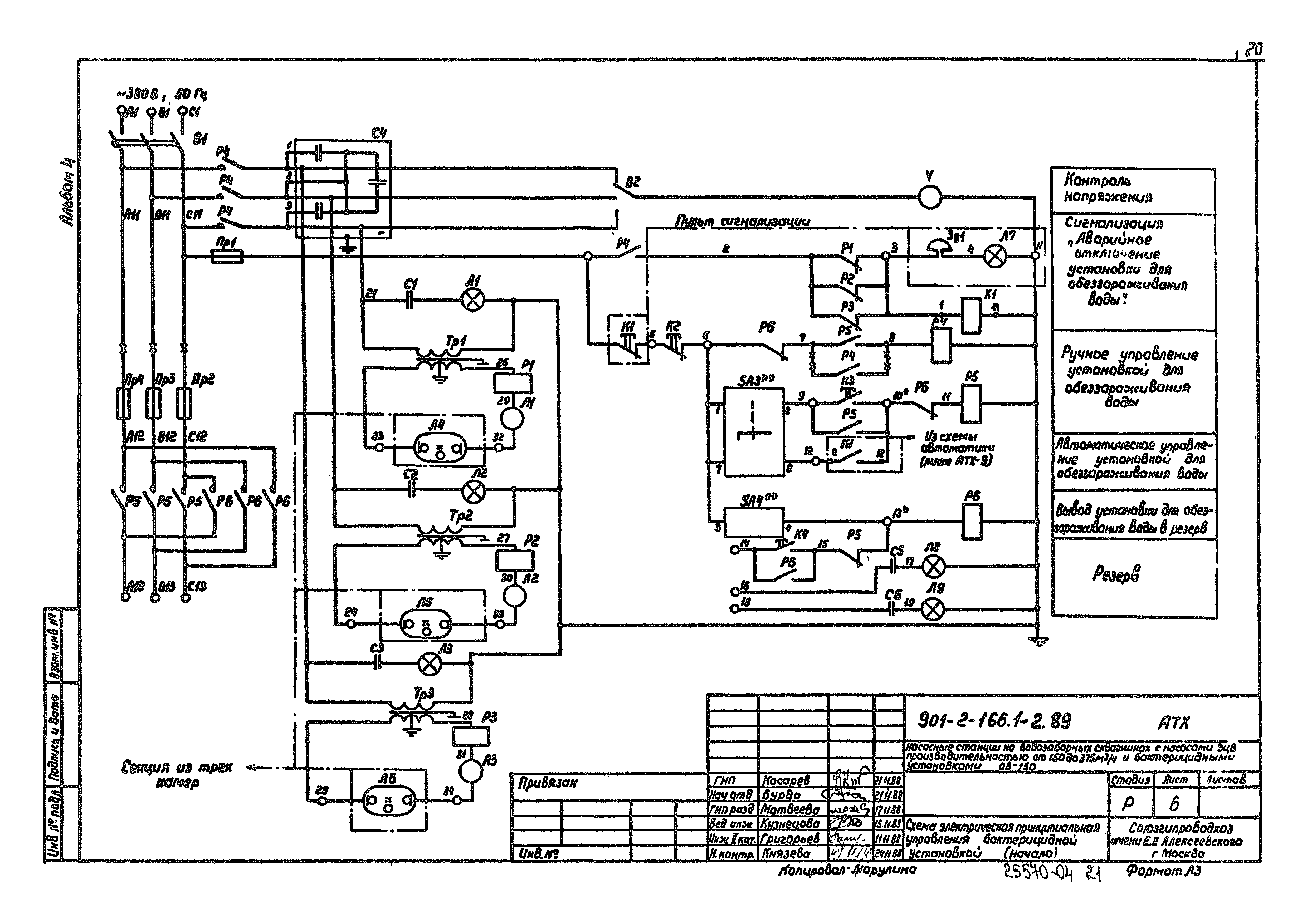
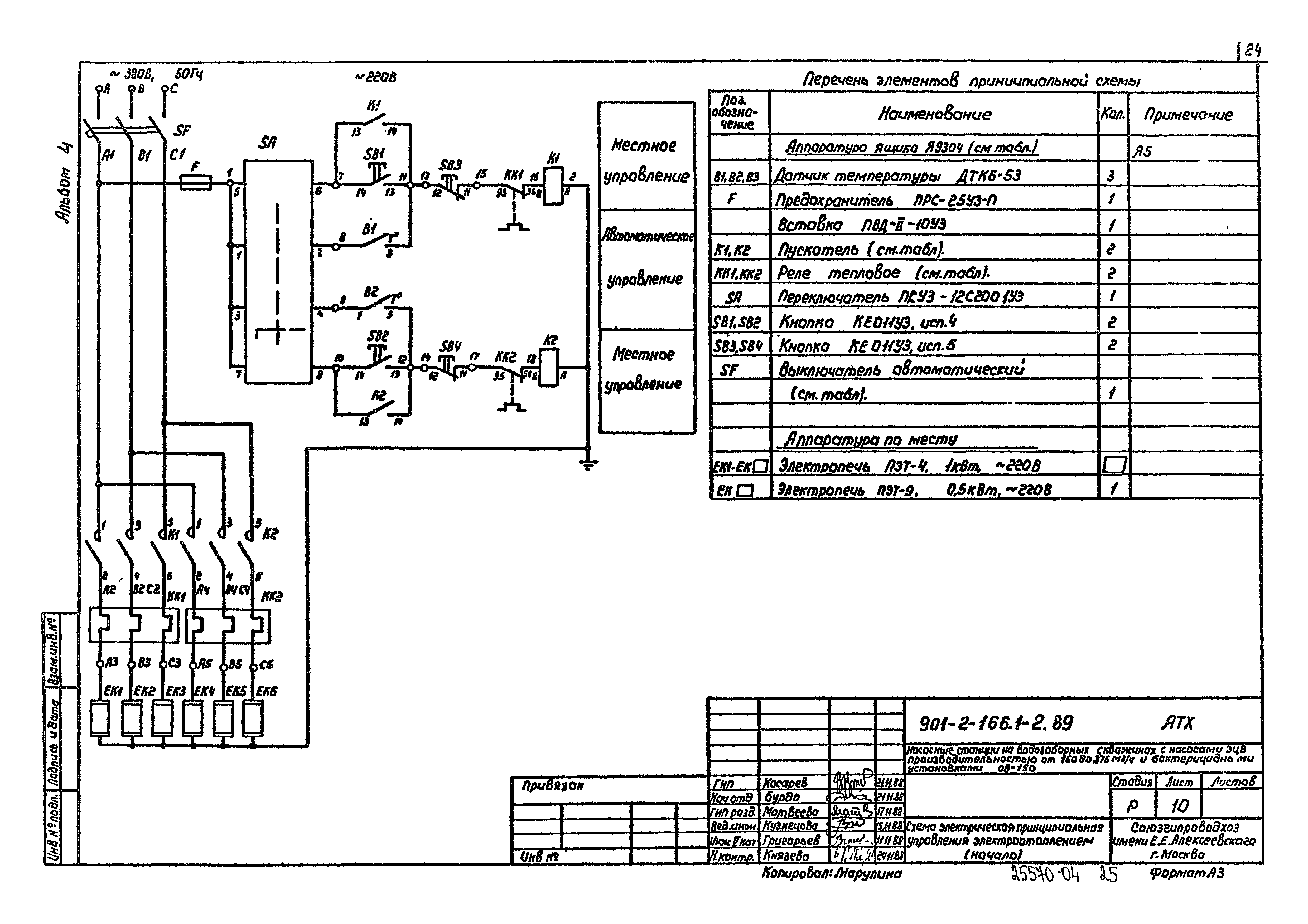
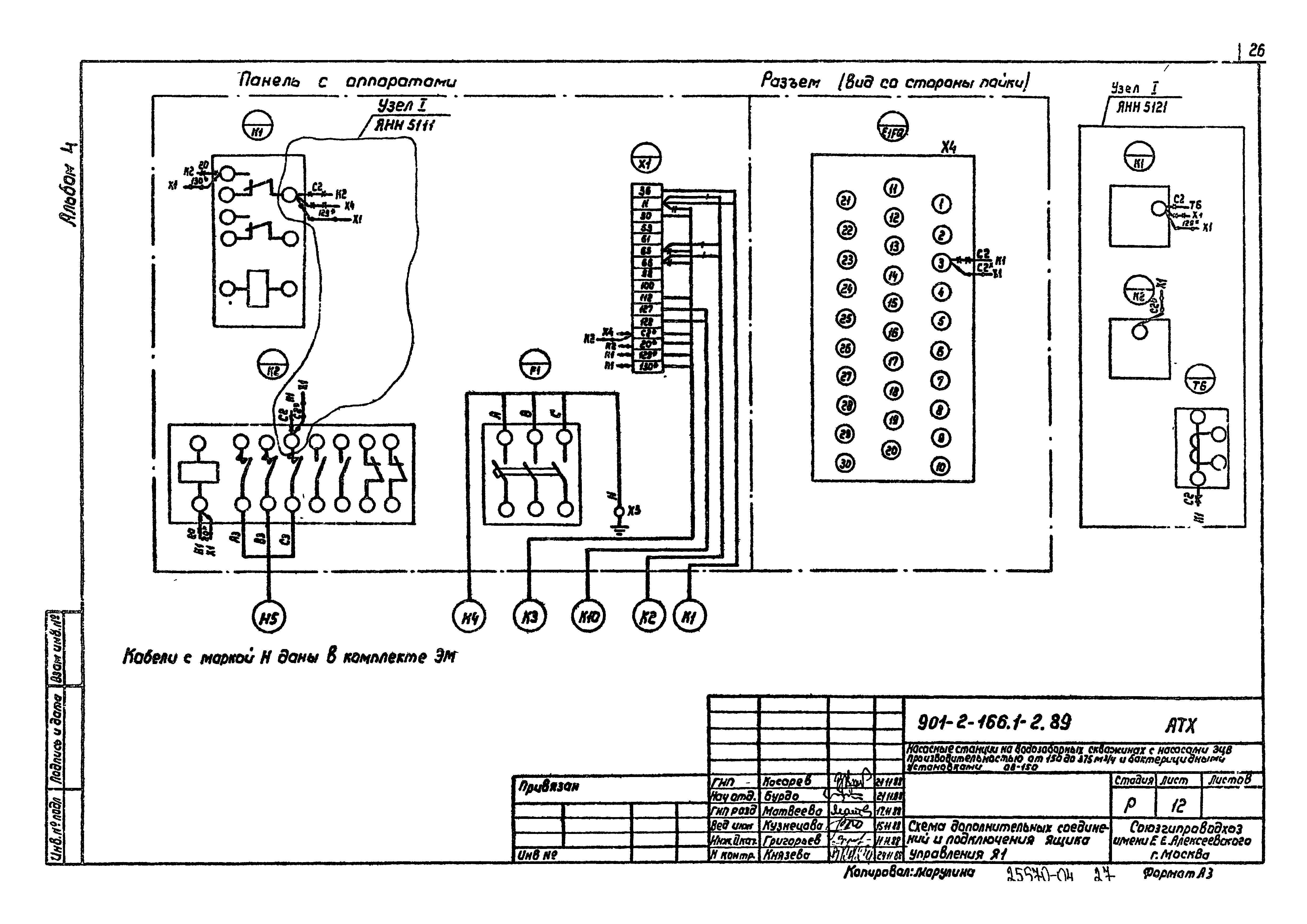
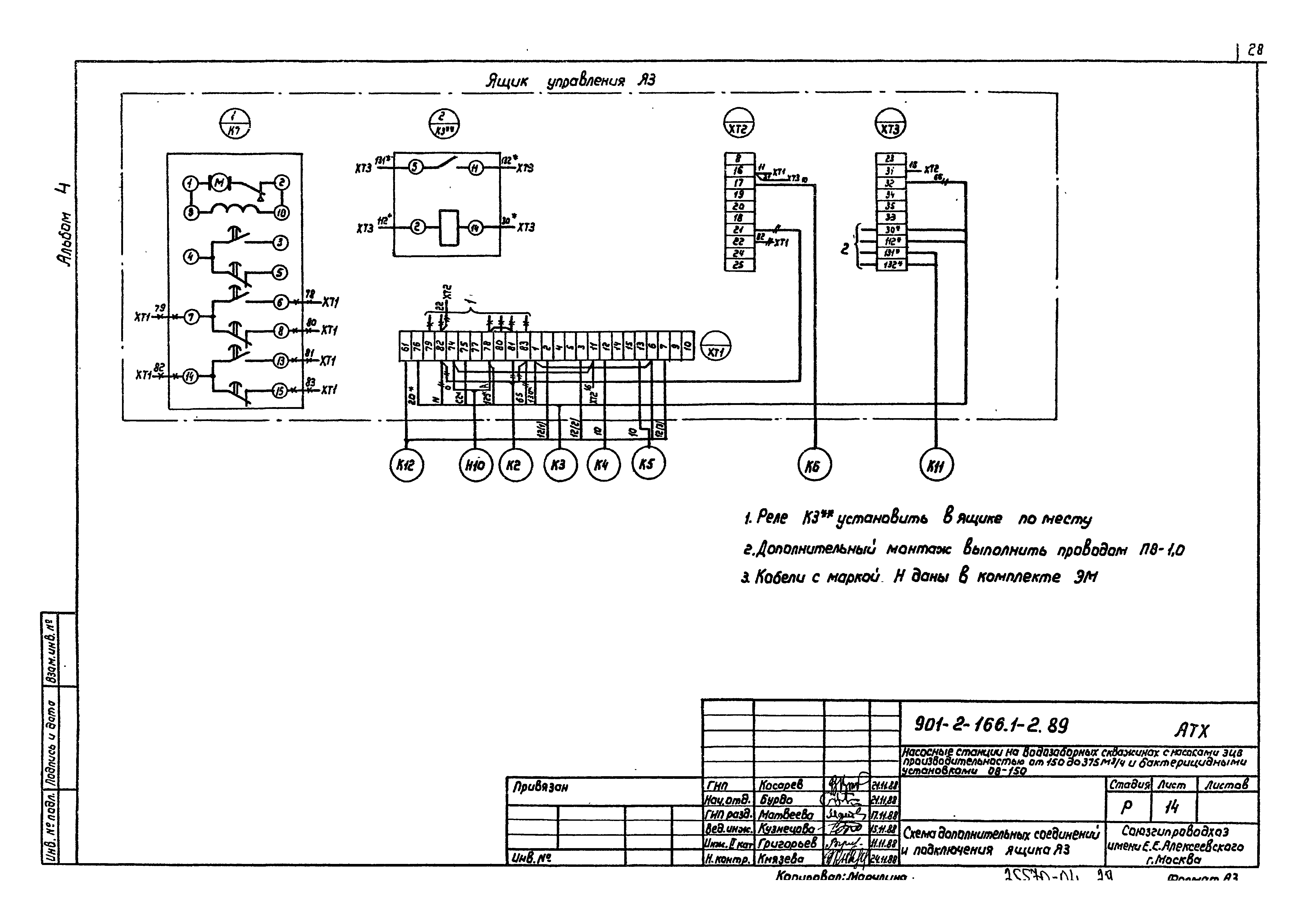
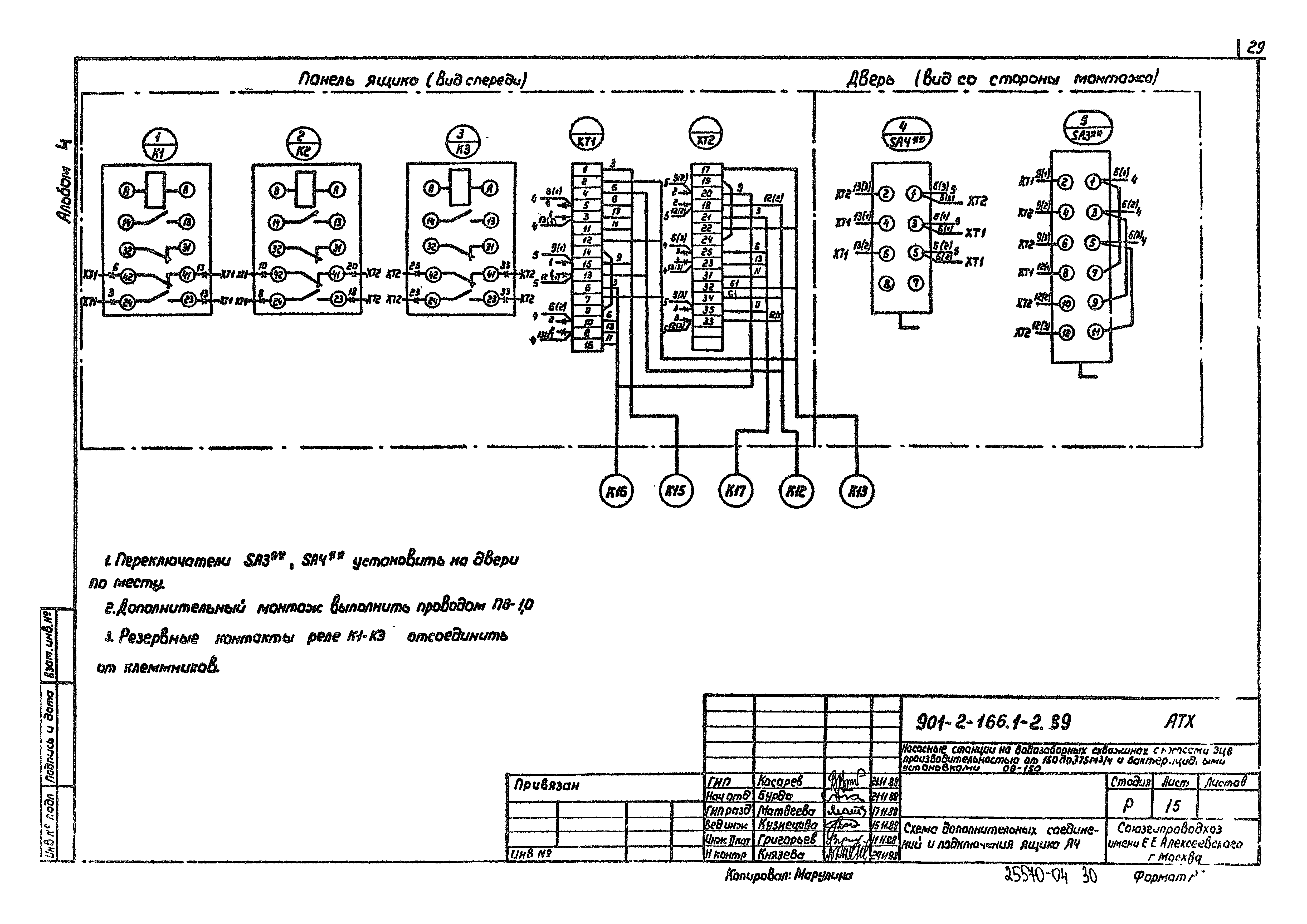
| Оглавление: | ТП 901-2-166.1-2.89-ЭМ-1 Общие данные (начало) ТП 901-2-166.1-2.89-ЭМ-2 Общие данные (окончание) ТП 901-2-166.1-2.89-ЭМ-3 Таблица выбора центробежного скважинного насоса и погружного электродвигателя ТП 901-2-166.1-2.89-ЭМ-4 Таблица выбора устройства "Каскад" и ящика управления А1 ТП 901-2-166.1-2.89-ЭМ-5 Схема электрическая принципиальная распределительной сети 380/220 В. Вариант 1,2 (начало) ТП 901-2-166.1-2.89-ЭМ-6 Схема электрическая принципиальная распределительной сети 380/220 В. Вариант 1 (окончание) ТП 901-2-166.1-2.89-ЭМ-7 Схема электрическая принципиальная распределительной сети 380/220 В. Вариант 2 (окончание) ТП 901-2-166.1-2.89-ЭМ-8 Схема соединений и подключения ящика Я2. Вариант 1,2 ТП 901-2-166.1-2.89-ЭМ-9 Размещение электрооборудования и раскладка кабелей. План М1:50. Вариант 1 ТП 901-2-166.1-2.89-ЭМ-10 Размещение электрооборудования и раскладка кабелей. План М1:50. Вариант 2 ТП 901-2-166.1-2.89-ЭМ-11 Электроосвещение. Заземление. План М1:50. Вариант 1 ТП 901-2-166.1-2.89-ЭМ-12 Электроосвещение. Заземление. План М1:50. Вариант 2 ТП 901-2-166.1-2.89-АТХ-1 Общие данные (начало) ТП 901-2-166.1-2.89-АТХ-2 Общие данные (окончание) ТП 901-2-166.1-2.89-АТХ-3 Схема функциональная автоматизации. Вариант 1,2 ТП 901-2-166.1-2.89-АТХ-4 Схема электрическая принципиальная управления насосным агрегатом (начало) ТП 901-2-166.1-2.89-АТХ-5 Схема электрическая принципиальная управления насосным агрегатом (окончание) ТП 901-2-166.1-2.89-АТХ-6 Схема электрическая принципиальная управления бактерицидной установкой (начало) ТП 901-2-166.1-2.89-АТХ-7 Схема электрическая принципиальная управления бактерицидной установкой (продолжение) ТП 901-2-166.1-2.89-АТХ-8 Схема электрическая принципиальная управления бактерицидной установкой (окончание) ТП 901-2-166.1-2.89-АТХ-9 Схема автоматики ТП 901-2-166.1-2.89-АТХ-10 Схема электрическая принципиальная управления электроотоплением (начало) ТП 901-2-166.1-2.89-АТХ-11 Схема электрическая принципиальная управления электроотоплением (окончание) ТП 901-2-166.1-2.89-АТХ-12 Схема дополнительных соединений и подключения ящика управления Я1 ТП 901-2-166.1-2.89-АТХ-13 Схема дополнительных соединений и подключения шкафа управления ЩУ1 и пульта сигнализации ПС1. Вариант 1,2 ТП 901-2-166.1-2.89-АТХ-14 Схема дополнительных соединений и подключения ящика Я3 ТП 901-2-166.1-2.89-АТХ-15 Схема дополнительных соединений и подключения ящика Я4 ТП 901-2-166.1-2.89-АТХ-16 Схема подключения ящика Я5 ТП 901-2-166.1-2.89-АТХ-17 Кабельный журнал. Вариант 1,2 (начало) ТП 901-2-166.1-2.89-АТХ-18 Кабельный журнал. Вариант 1,2 (окончание) ТП 901-2-166.1-2.89-АТХ-19 Схема электрических проводок. Вариант 1,2 ТП 901-2-166.1-2.89-ЭМ.СО Спецификации оборудования ТП 901-2-166.1-2.89-АТХ.СО Спецификация оборудования ТП 901-2-166.1-2.89-ЭМ.ВМ Ведомость потребности в материалах к чертежам комплекта ЭМ ТП 901-2-166.1-2.89-АТХ.ВМ Ведомость потребности в материалах к чертежам комплекта АТХ |
| Разработан: | Союзгипроводхоз Минводхоза СССР |
| Утверждён: | 03.04.1989 Минводхоз СССР (USSR Minvodkhoz 791) |












































