Скачать Типовой проект 503-4-43.86 Альбом III. Силовое электрооборудование. Электрическое освещение. Автоматизация. Связь и сигнализацияДата актуализации: 01.01.2021
|
| Обозначение: | Типовой проект 503-4-43.86 |
| Обозначение англ: | 503-4-43.86 |
| Статус: | не определен законодательством |
| Название рус.: | Альбом III. Силовое электрооборудование. Электрическое освещение. Автоматизация. Связь и сигнализация |
| Дата добавления в базу: | 01.09.2013 |
| Дата актуализации: | 01.01.2021 |
| Дата введения: | 01.03.1987 |
| Дата окончания срока действия: | 30.06.2003 |
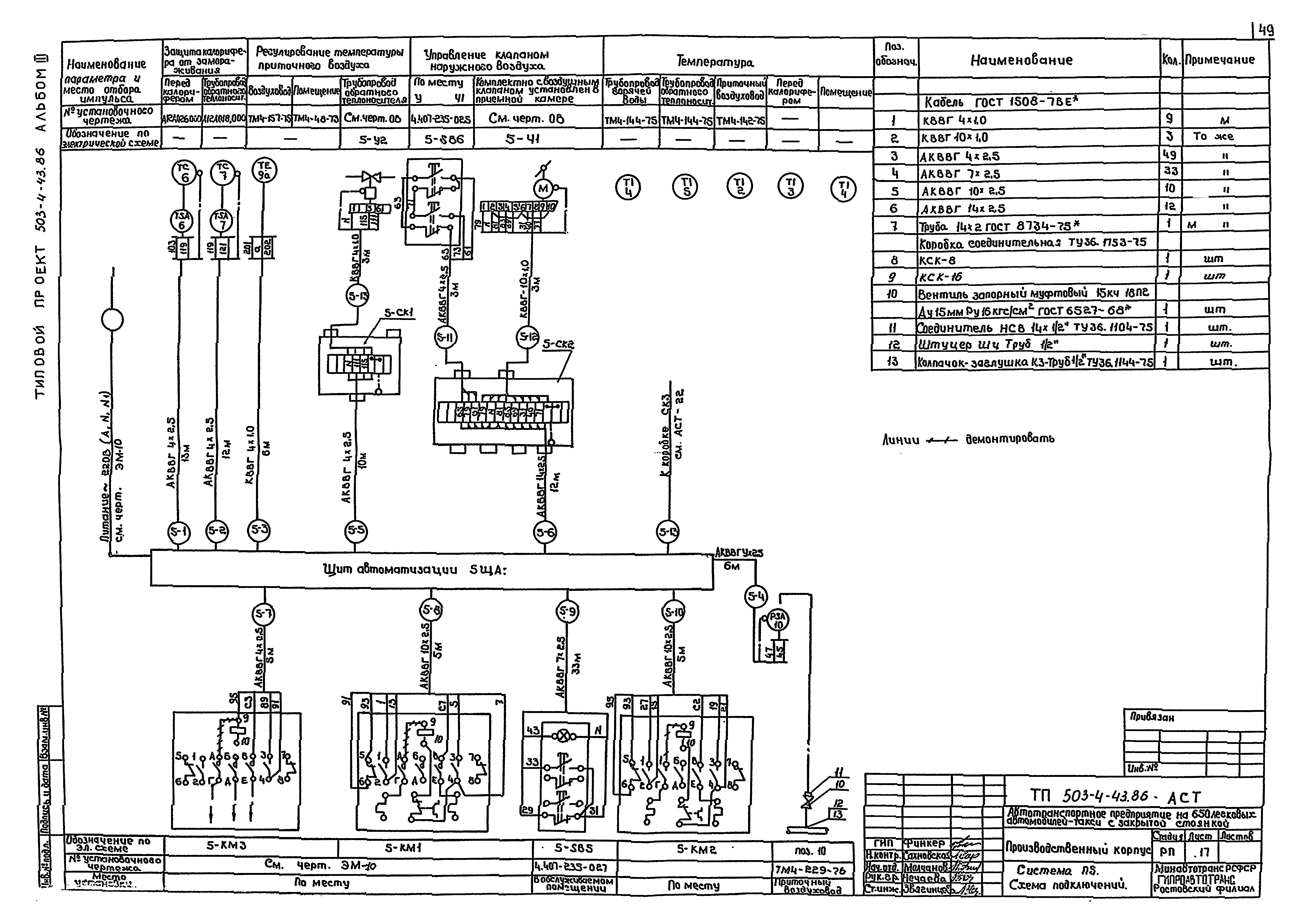
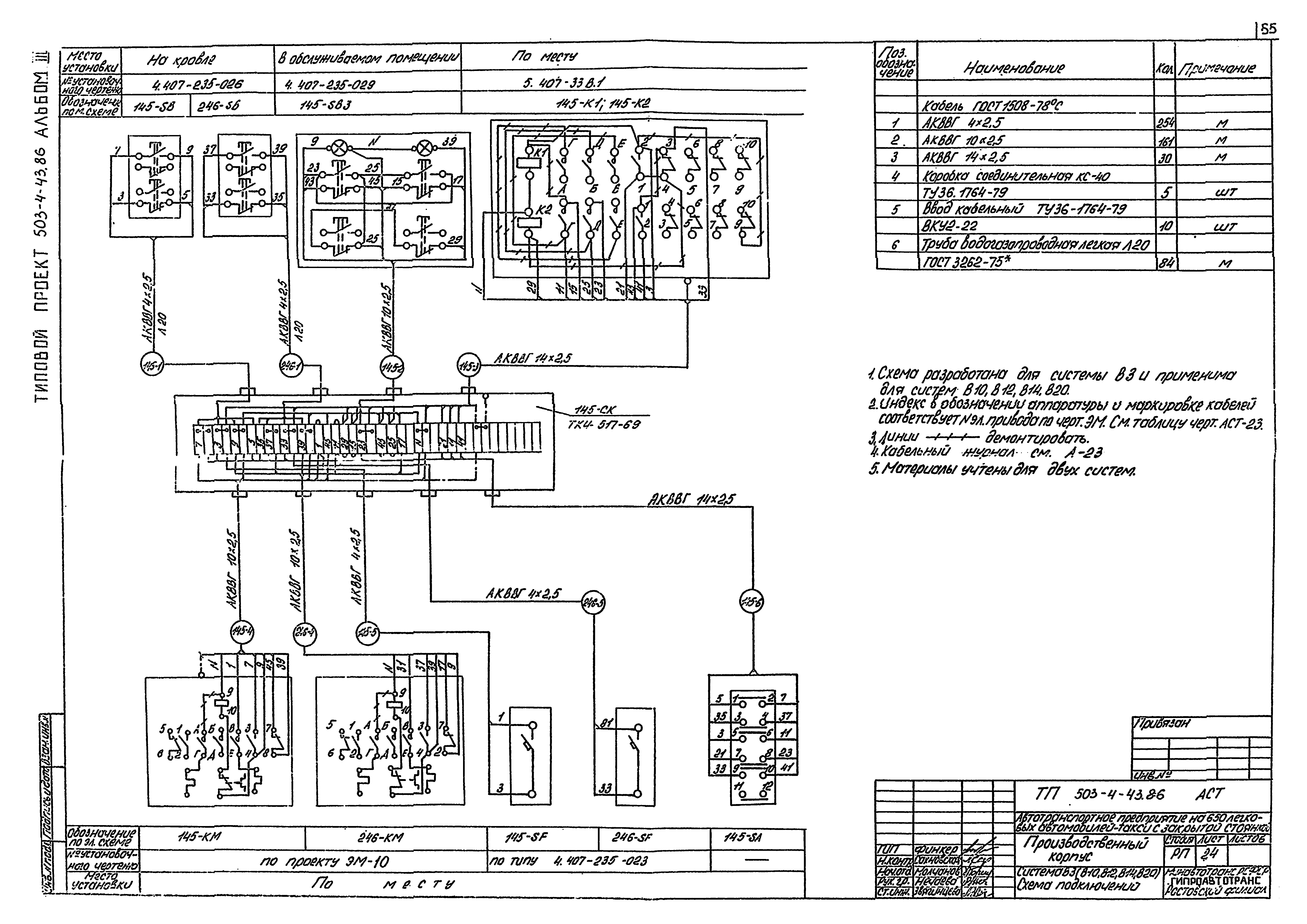
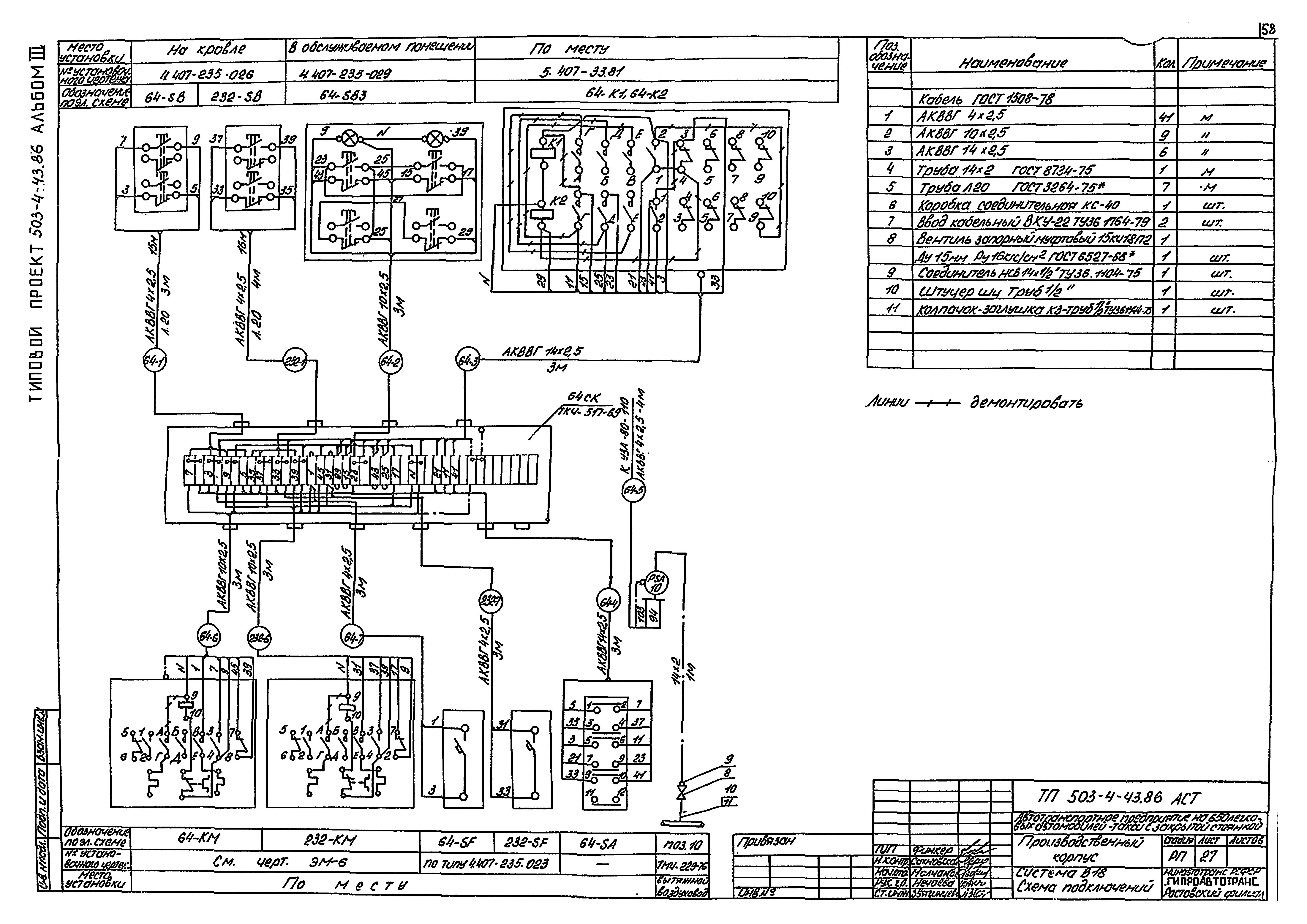
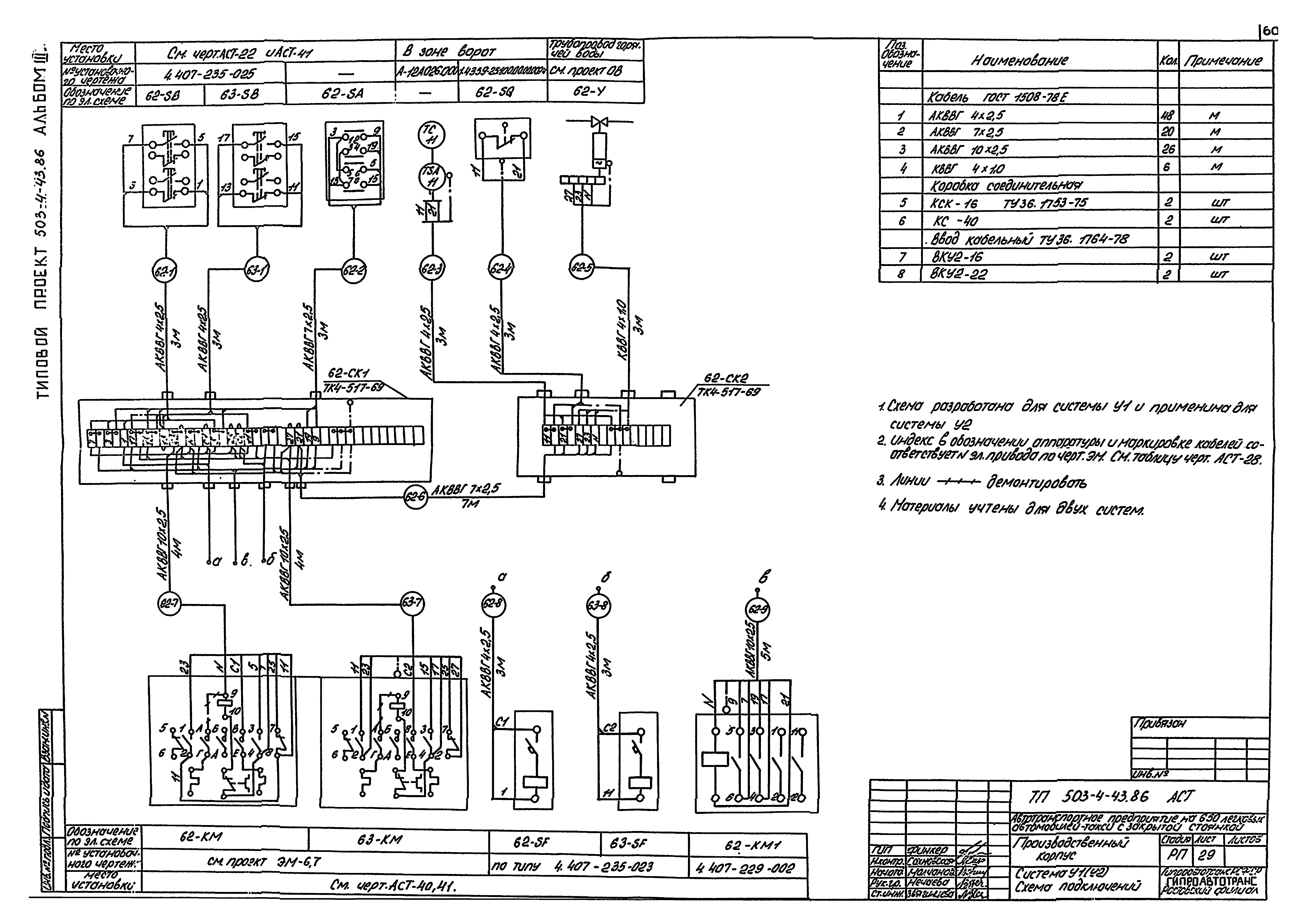
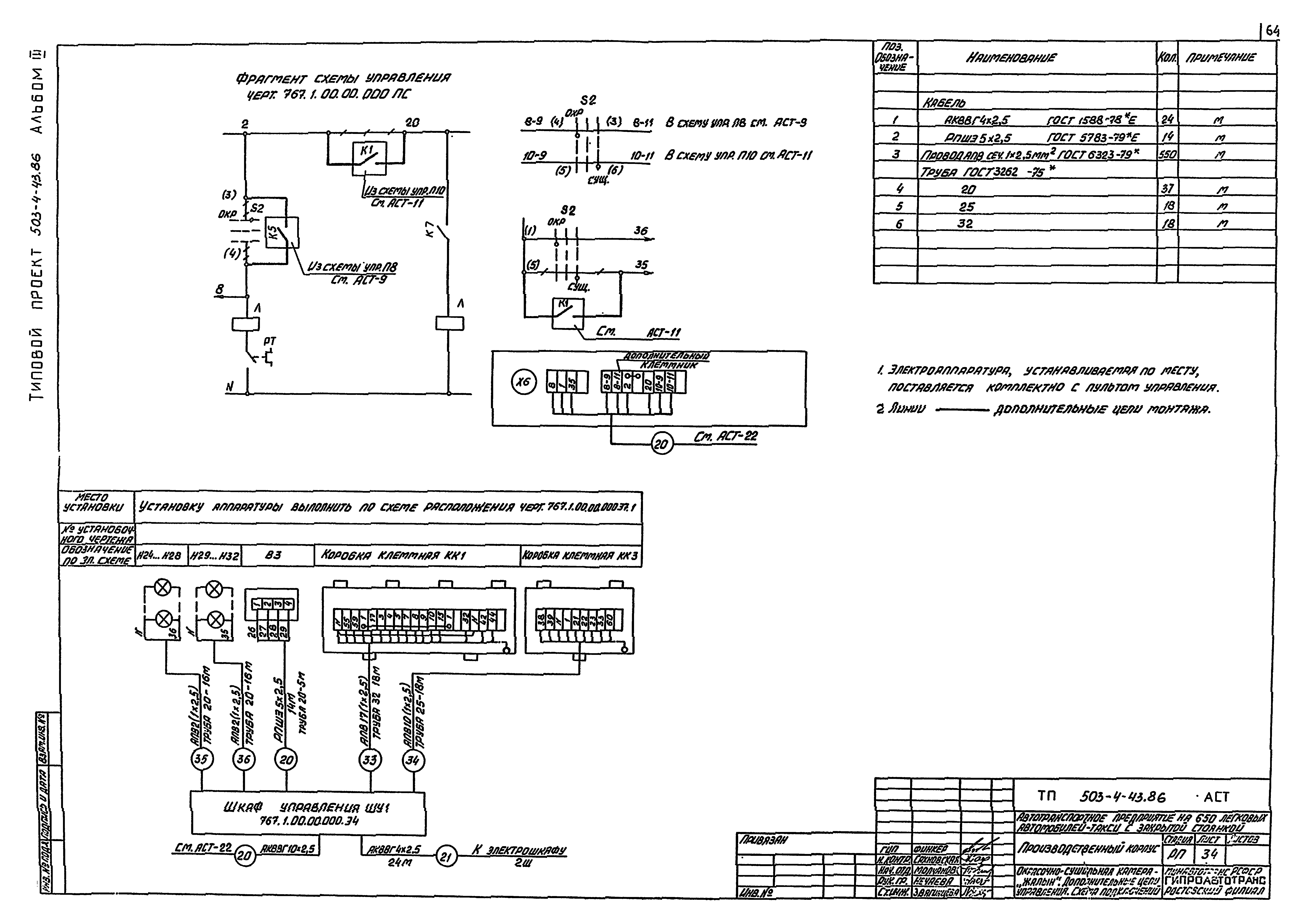
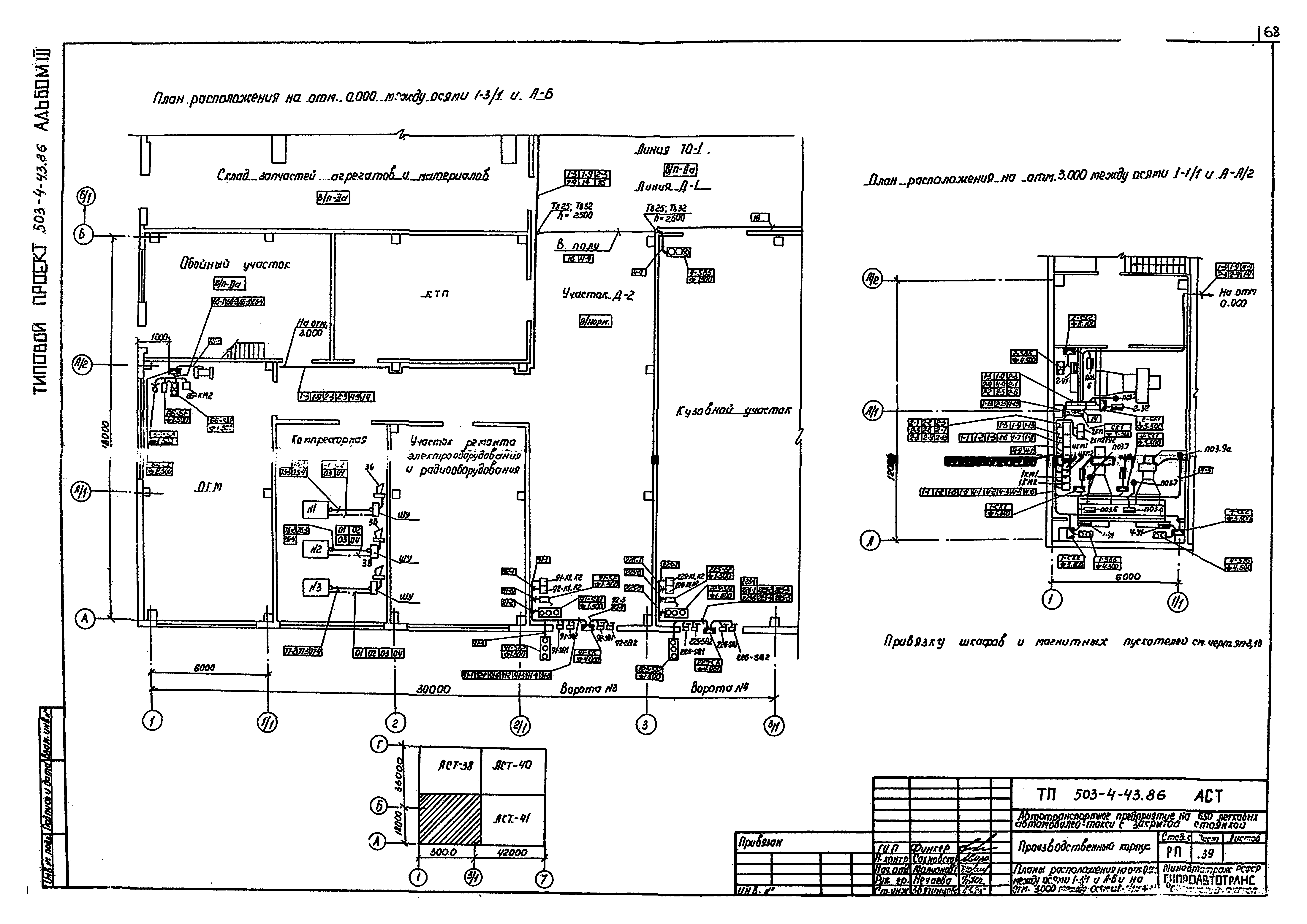
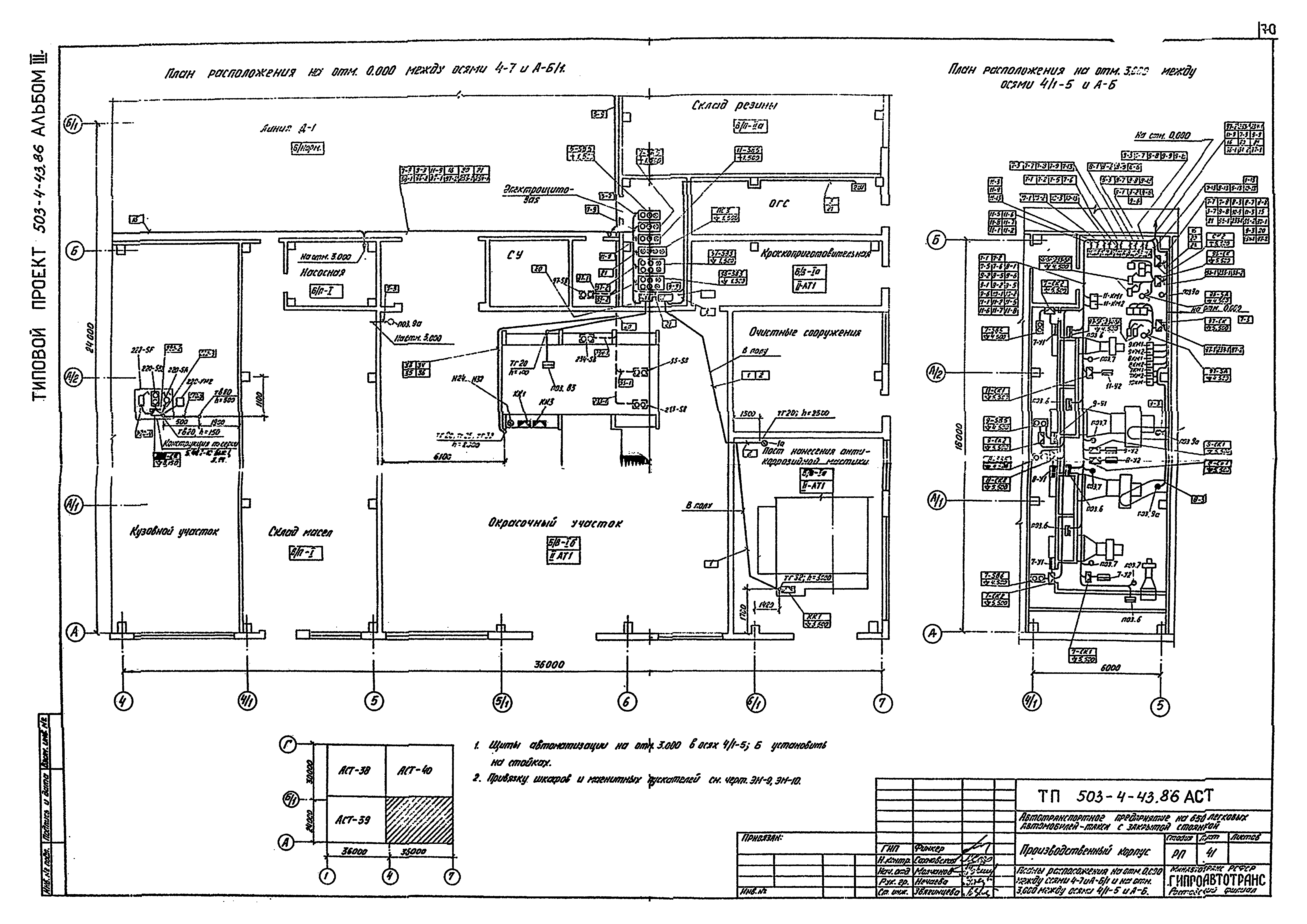
| Оглавление: | ТП 503-4-43.86 Содержание альбома ТП 503-4-43.86-ЭМ Чертежи марки ЭМ ТП 503-4-43.86-ЭМ-1 Общие данные (начало) ТП 503-4-43.86-ЭМ-2 Общие данные (продолжение) ТП 503-4-43.86-ЭМ-3 Общие данные (продолжение) ТП 503-4-43.86-ЭМ-4 Общие данные (окончание) ТП 503-4-43.86-ЭМ-5 КТП № 2. Схема принципиальная однолинейная. План установки эл. Оборудования ТП 503-4-43.86-ЭМ-6 План расположения на отм. 0.000 между осями 1-3/1 и Б/2-Г. Ведомость троллейный шинопроводов ТП 503-4-43.86-ЭМ-7 План расположения на отм. 0.000 между осями 3/1-7 и Б/2-Г ТП 503-4-43.86-ЭМ-8 План расположения на отм. 0.000 между осями 1-3/1 и А-Б/1. Ведомость узлов установки ТП 503-4-43.86-ЭМ-9 План расположения на отм. 0.000 между осями 3/1-7 и А-Б/1 ТП 503-4-43.86-ЭМ-10 Планы расположения на отм. 3.300 между осями 1-1/1 и А-Д/2;4/1-5 и А-Д/2;1/1-5 и А-Б;6-7 и В-Г ТП 503-4-43.86-ЭМ-11 План магистральных и троллейных линий. Заземление ТП 503-4-43.86-ЭМ-12 Расчетная схема ~380/220 В ШР1,ШР2 ТП 503-4-43.86-ЭМ-13 Расчетная схема ~380/220 В ШР3 (начало) ТП 503-4-43.86-ЭМ-14 Расчетная схема ~380/220 В ШР3 (окончание). ШР5,ШР6 ТП 503-4-43.86-ЭМ-15 Расчетная схема ~380/220 В ШР7,ШР8 (начало) ТП 503-4-43.86-ЭМ-16 Расчетная схема ~380/220 В ШР8 (окончание). ШР9 ТП 503-4-43.86-ЭМ-17 Расчетная схема ~380/220 В ШР10 ТП 503-4-43.86-ЭМ-18 Расчетная схема ~380/220 В ШР11,ШР12 ТП 503-4-43.86-ЭМ-19 Расчетная схема ~380/220 В ШР13 ТП 503-4-43.86-ЭМ-20 Расчетная схема ~380/220 В ШР14,ШР15 (начало) ТП 503-4-43.86-ЭМ-21 Расчетная схема ~380/220 В ШР15 (окончание). ШР16 ТП 503-4-43.86-ЭМ-22 Расчетная схема ~380/220 В ШР17,ШР18 ТП 503-4-43.86-ЭМ-23 Расчетная схема ~380/220 В ШР19,ШР20 (начало) ТП 503-4-43.86-ЭМ-24 Расчетная схема ~380/220 В ШР20 (окончание), ШР21, ШР22 (начало) ТП 503-4-43.86-ЭМ-25 Расчетная схема ~380/220 В ШР22 (окончание). ШР23 ТП 503-4-43.86-ЭМ-26 Кабельный журнал. Сводка кабелей и проводов ТП 503-4-43.86-ЭО Чертежи марки ЭО ТП 503-4-43.86-ЭО-1 Общие данные ТП 503-4-43.86-ЭО-2 План расположения на отм. 0.000. Фрагмент плана 1. Фрагмент плана 2 ТП 503-4-43.86-ЭО-3 План расположения на отм. 3.300 между осями 1-1/1 и А-А/2; 6-7 и В-Г; 1/1-5 и А-Б; на отм. -1.100 между осями 3 и А-А/1. Кабельный журнал ТП 503-4-43.86-ЭО-4 Ведомость узлов установки. Данные о групповых щитках. Принципиальная схема питающей сети ТП 503-4-43.86-АСТ Чертежи марки АСТ ТП 503-4-43.86-АСТ-1 Общие данные (начало) ТП 503-4-43.86-АСТ-2 Общие данные (окончание) ТП 503-4-43.86-АСТ-3 Система П1(П2...П4,П6,П7,П11...П14). Схема функциональная ТП 503-4-43.86-АСТ-4 Система П5. Схема функциональная ТП 503-4-43.86-АСТ-5 Система П8(П9). Схема функциональная ТП 503-4-43.86-АСТ-6 Система П10. Схема функциональная ТП 503-4-43.86-АСТ-7 Система П1(П2...П4,П6,П7,П11...П14). Схема электрическая управления ТП 503-4-43.86-АСТ-8 Система П5. Схема электрическая управления ТП 503-4-43.86-АСТ-9 Система П8. Схема электрическая управления ТП 503-4-43.86-АСТ-10 Система П9. Схема электрическая управления ТП 503-4-43.86-АСТ-11 Система П10. Схема электрическая управления ТП 503-4-43.86-АСТ-12 Система П1(П2...П4,П6,П7,П11...П14). Схема электрическая регулирования ТП 503-4-43.86-АСТ-13 Система П5. Схема электрическая регулирования ТП 503-4-43.86-АСТ-14 Система П8. Схема электрическая регулирования ТП 503-4-43.86-АСТ-15 Система П9. Схема электрическая регулирования ТП 503-4-43.86-АСТ-16 Система П91(П2...П4,П6,П7,П11...П14). Схема подключений ТП 503-4-43.86-АСТ-17 Система П5. Схема подключений ТП 503-4-43.86-АСТ-18 Система П8(П9). Схема подключений ТП 503-4-43.86-АСТ-19 Система П10. Схема подключений ТП 503-4-43.86-АСТ-20 Решетка. Дополнительные щели управления. Схема подключений ТП 503-4-43.86-АСТ-21 Системы П1...П4,П6,П7,П11...П14. Кабельный журнал ТП 503-4-43.86-АСТ-22 Схема межщитовых соединений ТП 503-4-43.86-АСТ-23 Система В3(В10,В12,В14,В20). Схема электрическая управления. Кабельный журнал ТП 503-4-43.86-АСТ-24 Система В3(В10,В12,В14,В20). Схема подключений ТП 503-4-43.86-АСТ-25 Система В5(В18). Схема электрическая управления ТП 503-4-43.86-АСТ-26 Система В6. Схема подключений ТП 503-4-43.86-АСТ-27 Система В18. Схема подключений ТП 503-4-43.86-АСТ-28 Система У1(У2). Схема электрическая управления. Схема функциональная ТП 503-4-43.86-АСТ-29 Система У1(У2). Схема подключений ТП 503-4-43.86-АСТ-30 Система Р1(Р2...Р4). Схемы ТП 503-4-43.86-АСТ-31 Ворота № 1(№ 2....№ 4). Схемы ТП 503-4-43.86-АСТ-32 Конвейер на 3 поста. Схема подключений ТП 503-4-43.86-АСТ-33 Компрессор № 1(№ 2...№ 3). Схема подключений ТП 503-4-43.86-АСТ-34 Окрасочно-сушильная камера "Жалын". Дополнительные цепи управления. Схема подключений ТП 503-4-43.86-АСТ-35 Тепловой пункт. Схема функциональная ТП 503-4-43.86-АСТ-36 Тепловой пункт. Схема подключения приборов ТП 503-4-43.86-АСТ-37 Контроль рН-ионов. Схема подключений ТП 503-4-43.86-АСТ-38 Планы расположения на отм. 0.000 между осями 1-3 и Б/2-Г и на отм. 3.000 между осями 6-7 и В-Г ТП 503-4-43.86-АСТ-39 Планы расположения на отм. 0.000 между осями 1-3/1 и А-Б и на отм. 3.000 между осями 1-1/1 и А-А/2 ТП 503-4-43.86-АСТ-40 План расположения на отм. 0.000 между осями 3/1-7 и Б/2-Г. Сводка кабелей и проводов ТП 503-4-43.86-АСТ-41 Планы расположения на отм. 0.000 между осями 4-7 и А-Б/1 и на отм. 3.000 между осями 4/1-5 и А-Б ТП 503-4-43.86-СС Чертежи марки СС ТП 503-4-43.86-СС-1 Общие данные ТП 503-4-43.86-СС-2 Схема организации технологической связи ТП 503-4-43.86-СС-3 Планы расположения на отм. 0.000 и отм. 3.000 между осями 6-6/1 и В-В/1 ТП 503-4-43.86-СС-4 Схемы кабельных соединений Псков-25 и ПДСВ. Планы расположения оборудования на отм. 3.000 между осями 6-6/1 и В-В/1. Сводка кабелей и проводов ТП 503-4-43.86-СС-5 Скелетные схемы комплектной сети, радиотрансляционной сети и громкоговорящего оборудования. Схема кабельных соединений 100У-101 |
| Разработан: | Ростовский филиал Гипроавтотранса Минавтотранса РСФСР |
| Утверждён: | 30.09.1986 Минавтотранс РСФСР (Russian Federation Minavtotrans 22) |
| Издан: | ЦИТП Госстроя СССР (CITP, Gosstroy (USSR) 1988 г. ) |
| Заменяет собой: |
|
| Нормативные ссылки: |











































































