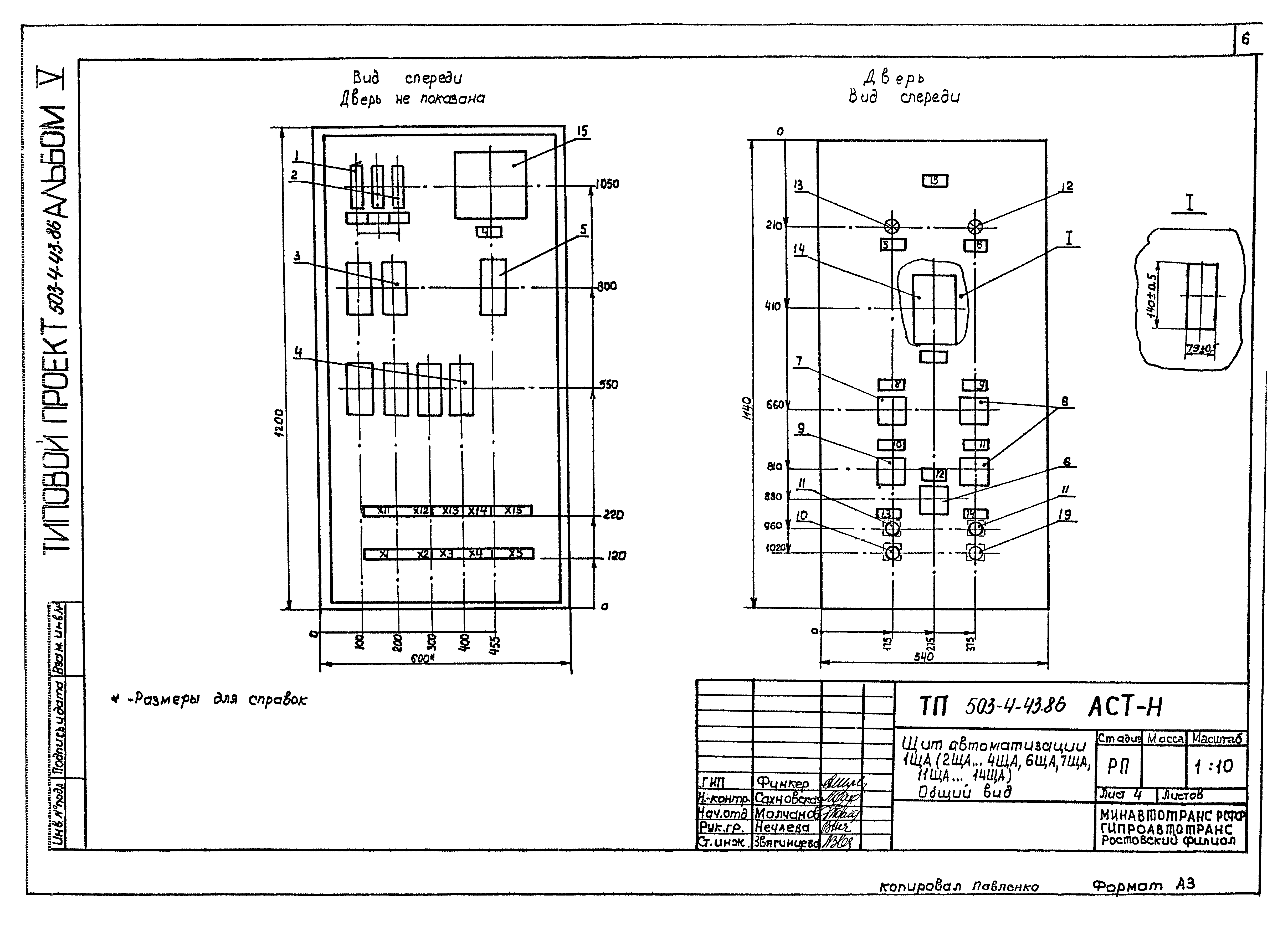
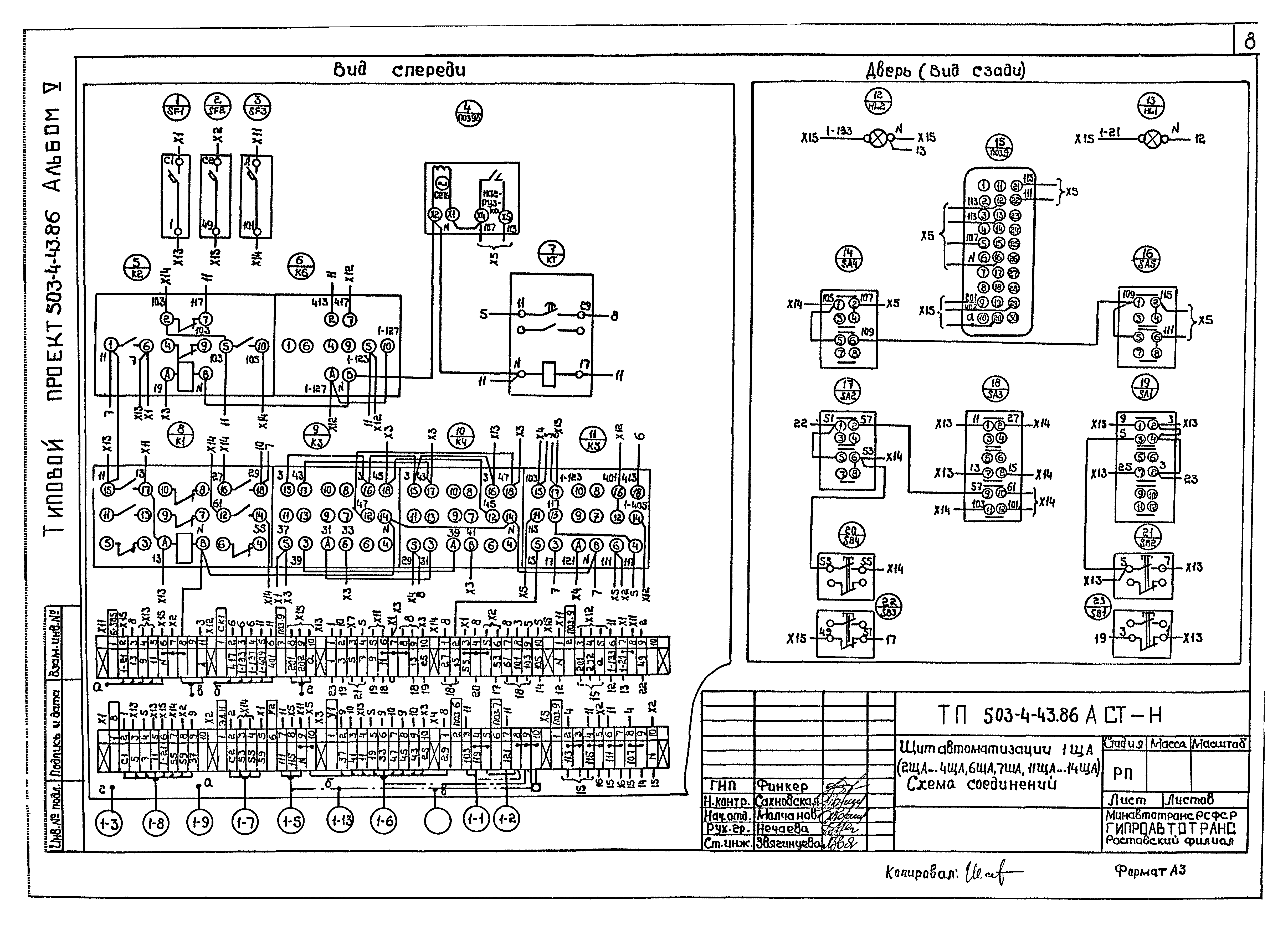
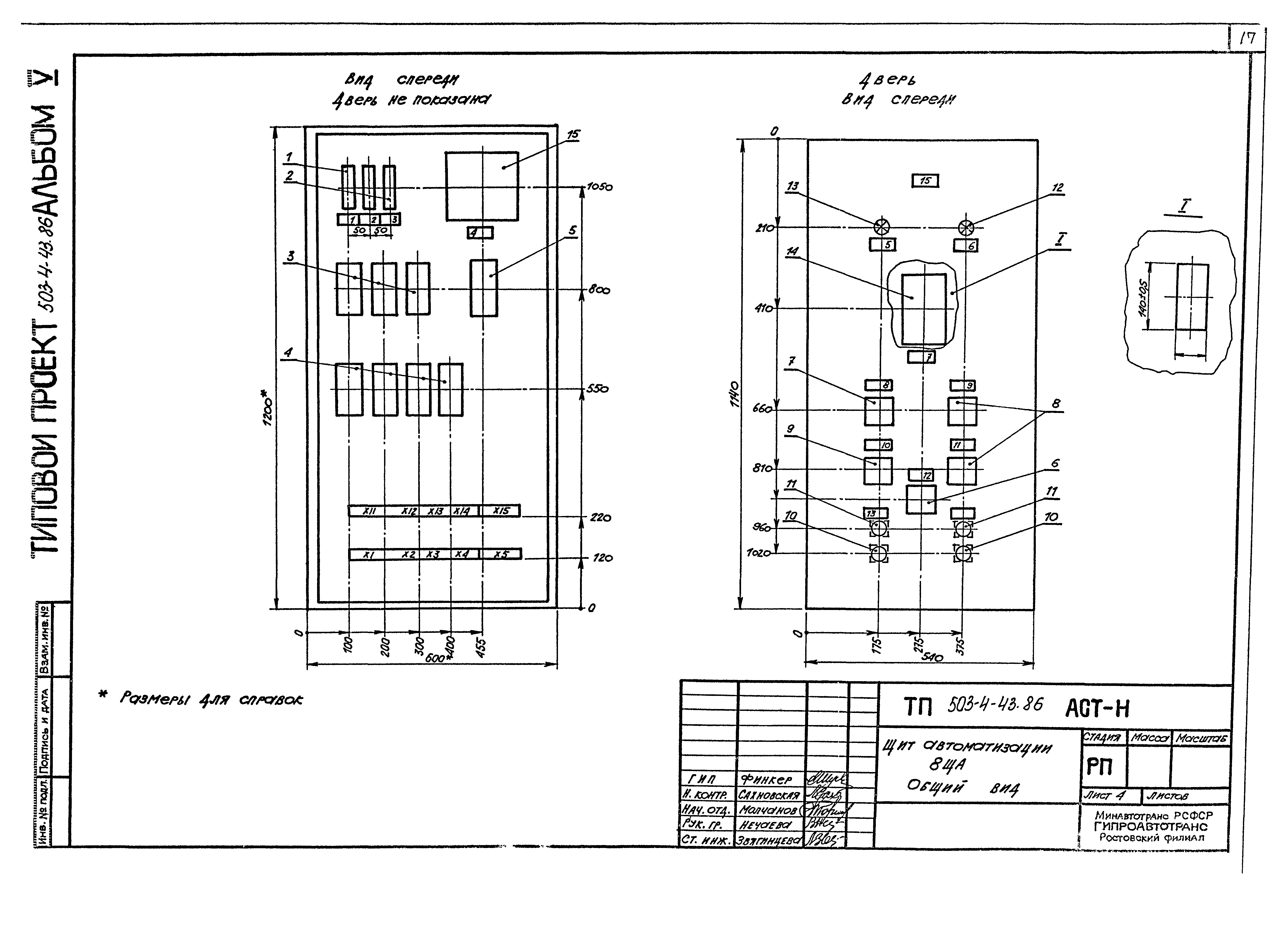
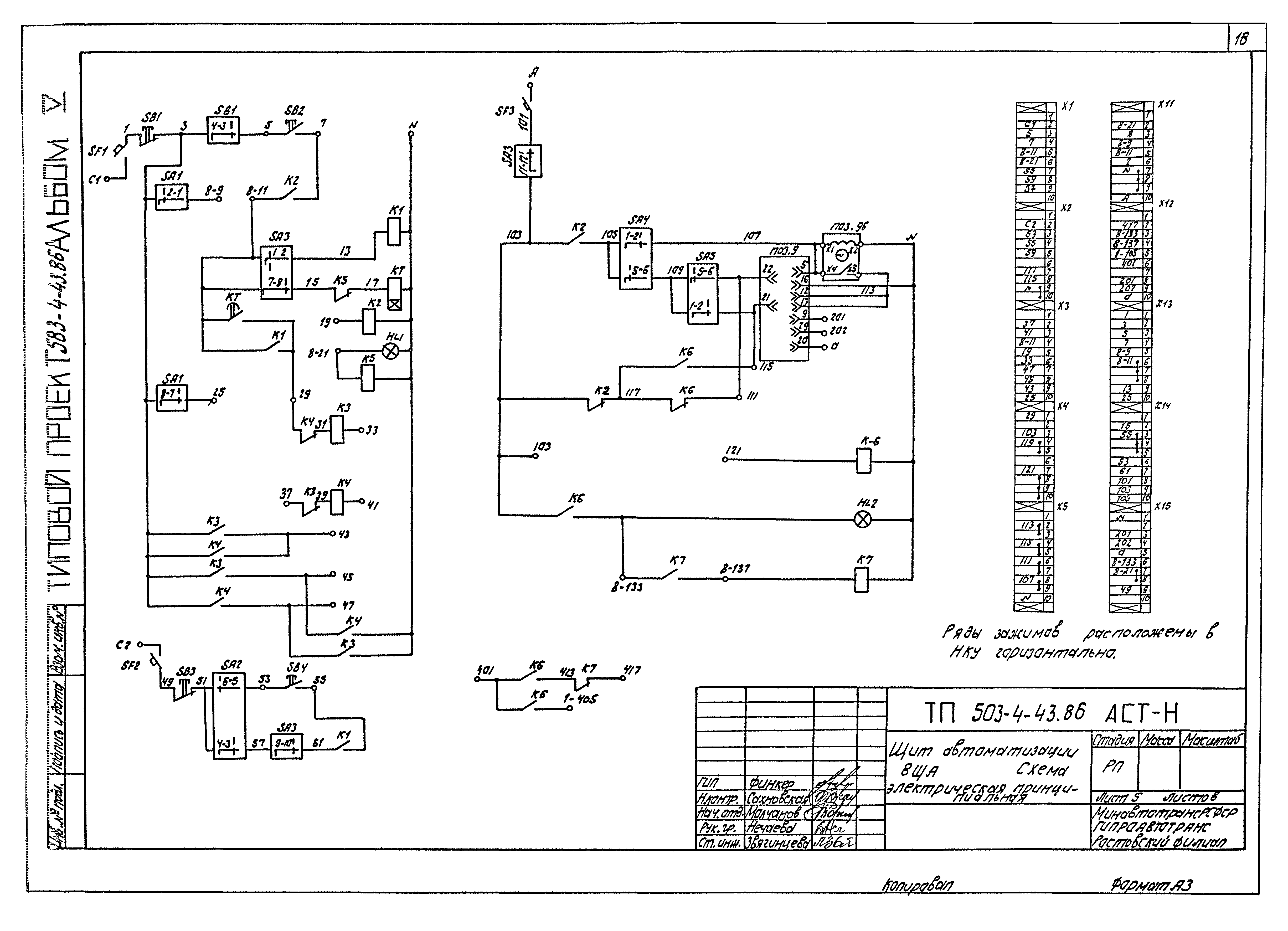
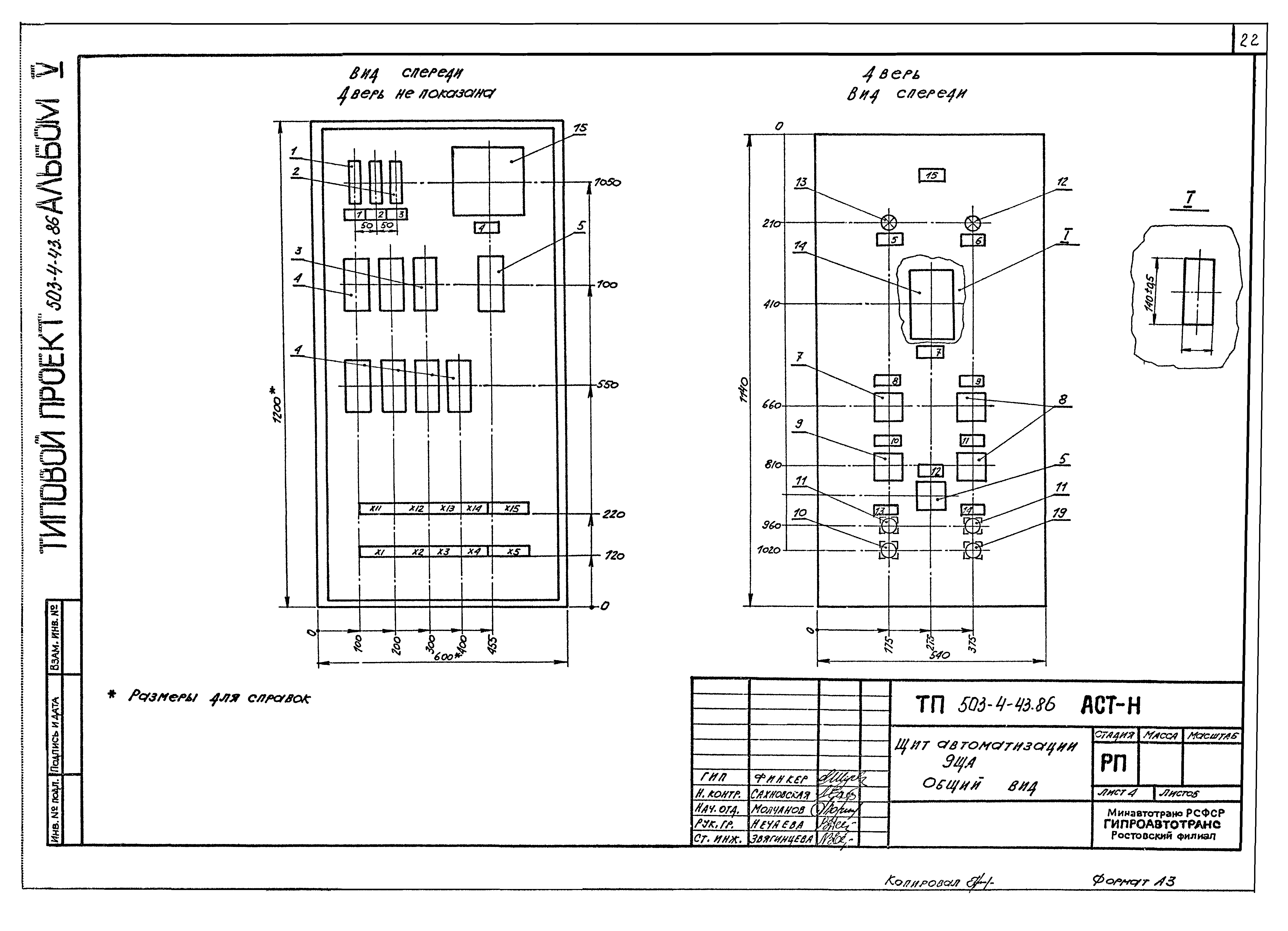
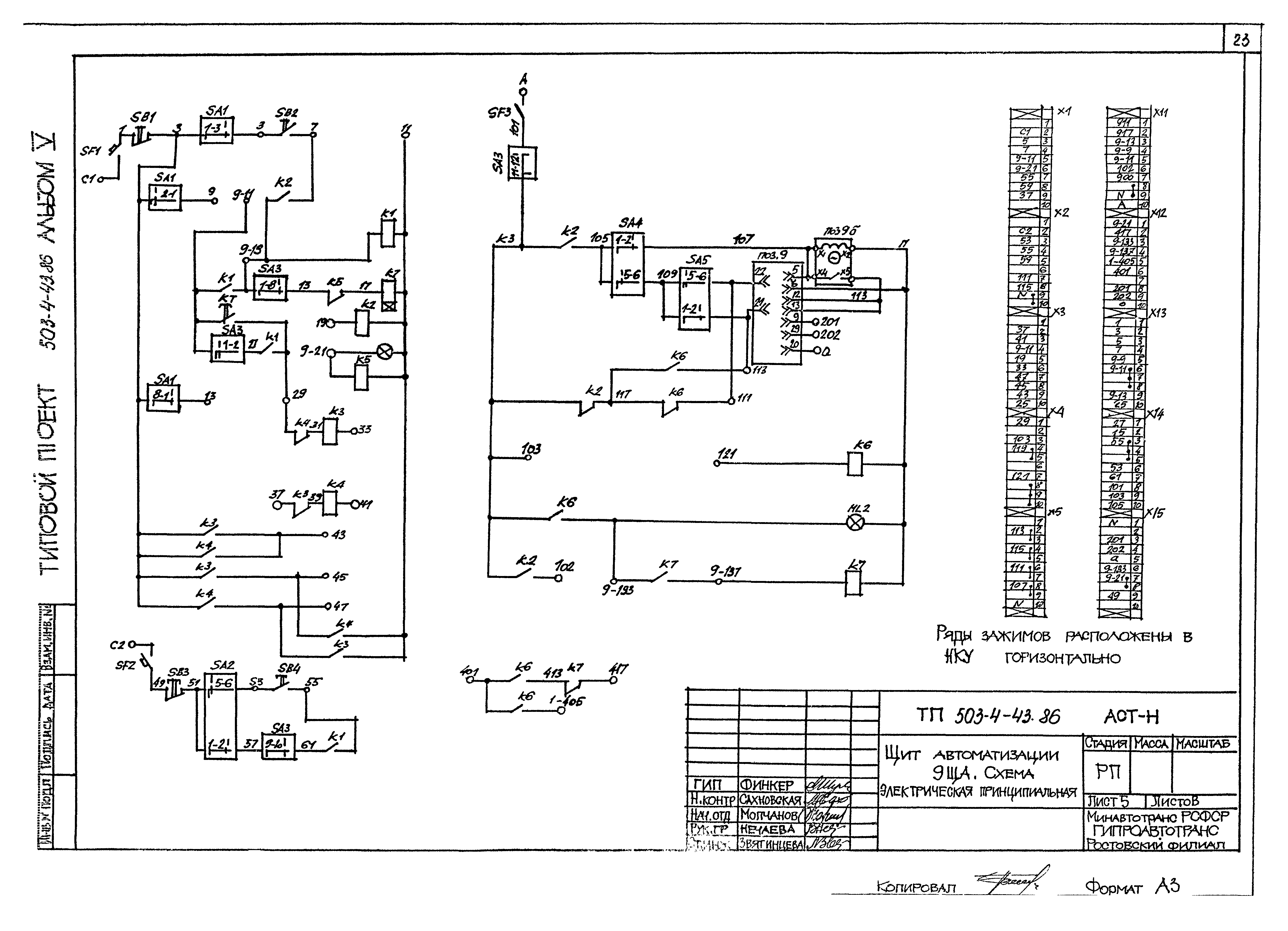
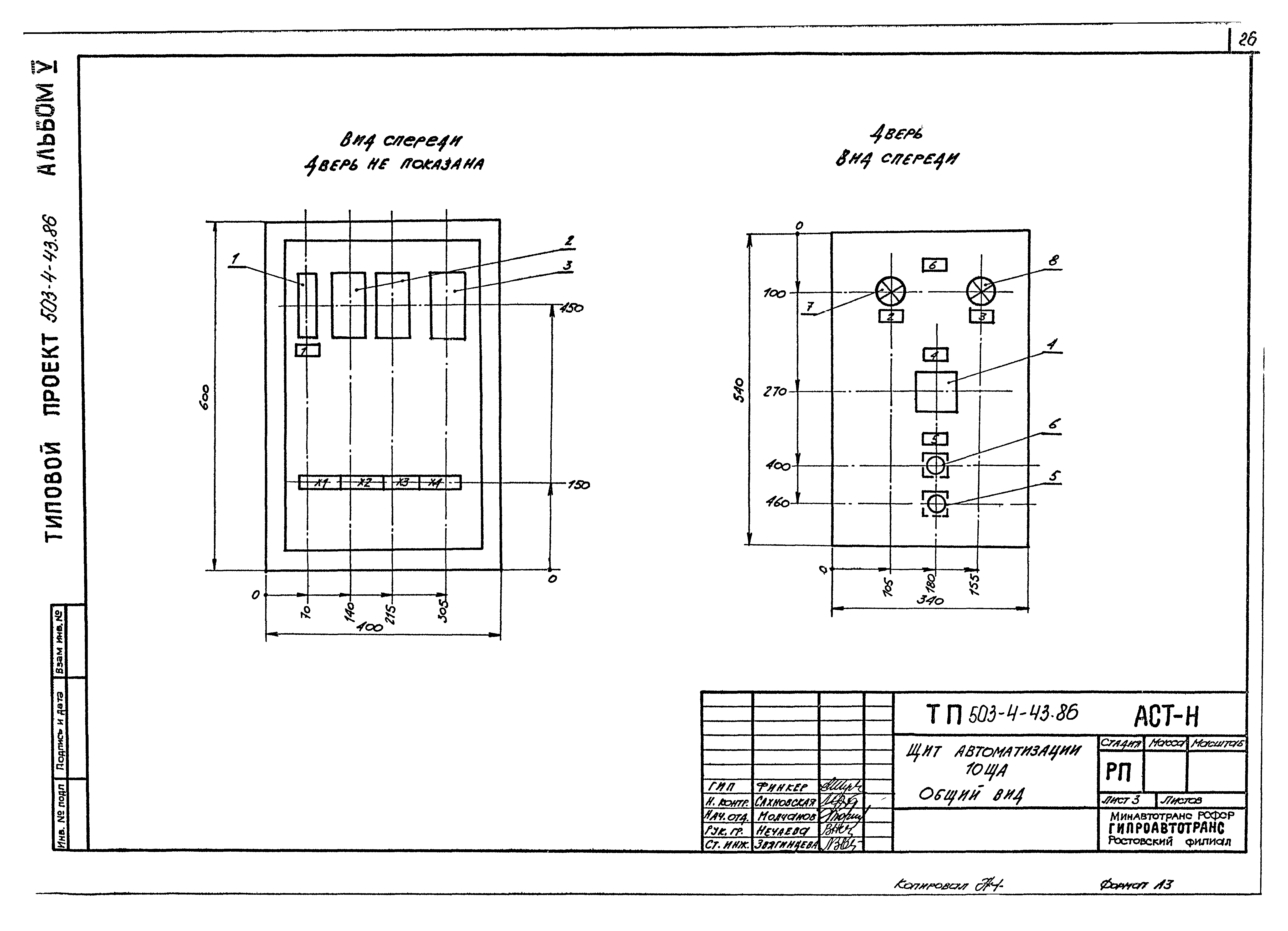
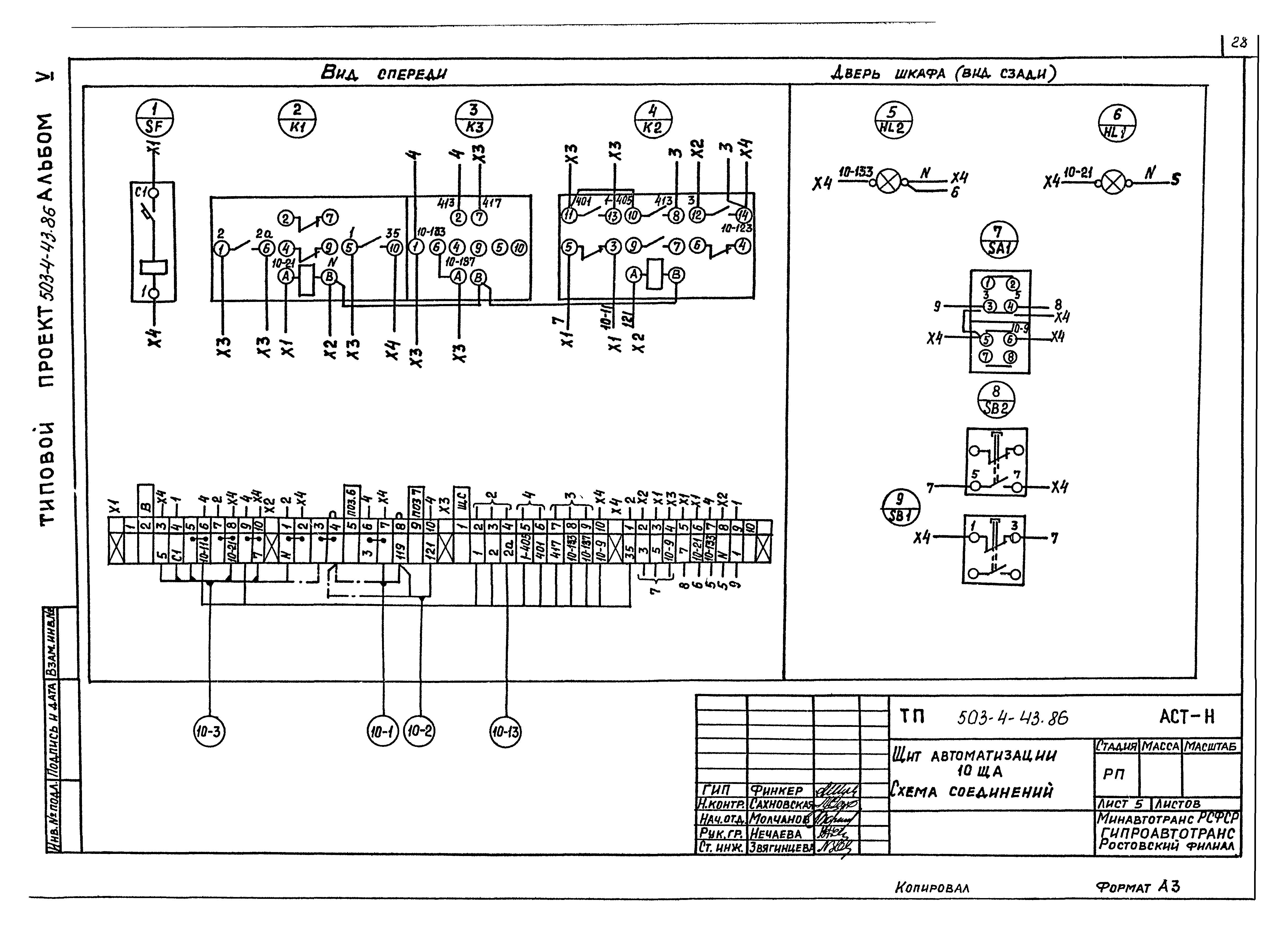
Скачать Типовой проект 503-4-43.86 Альбом V. Задание заводу-изготовителю на автоматику и электрооборудованиеДата актуализации: 01.01.2021
|
| Обозначение: | Типовой проект 503-4-43.86 |
| Обозначение англ: | 503-4-43.86 |
| Статус: | не определен законодательством |
| Название рус.: | Альбом V. Задание заводу-изготовителю на автоматику и электрооборудование |
| Дата добавления в базу: | 01.02.2017 |
| Дата актуализации: | 01.01.2021 |
| Дата введения: | 01.03.1987 |
| Дата окончания срока действия: | 30.06.2003 |
| Разработан: | Ростовский филиал Гипроавтотранса Минавтотранса РСФСР |
| Утверждён: | 30.09.1986 Минавтотранс РСФСР (Russian Federation Minavtotrans 22) |
| Заменяет собой: |
|
| Нормативные ссылки: |

































