Скачать Типовой проект 320-062 Альбом 1. Часть I. Архитектурно-строительная частьДата актуализации: 01.01.2021
|
| Обозначение: | Типовой проект 320-062 |
| Обозначение англ: | 320-062 |
| Статус: | не действует |
| Название рус.: | Альбом 1. Часть I. Архитектурно-строительная часть |
| Дата добавления в базу: | 01.09.2013 |
| Дата актуализации: | 01.01.2021 |
| Дата окончания срока действия: | 30.03.1981 |
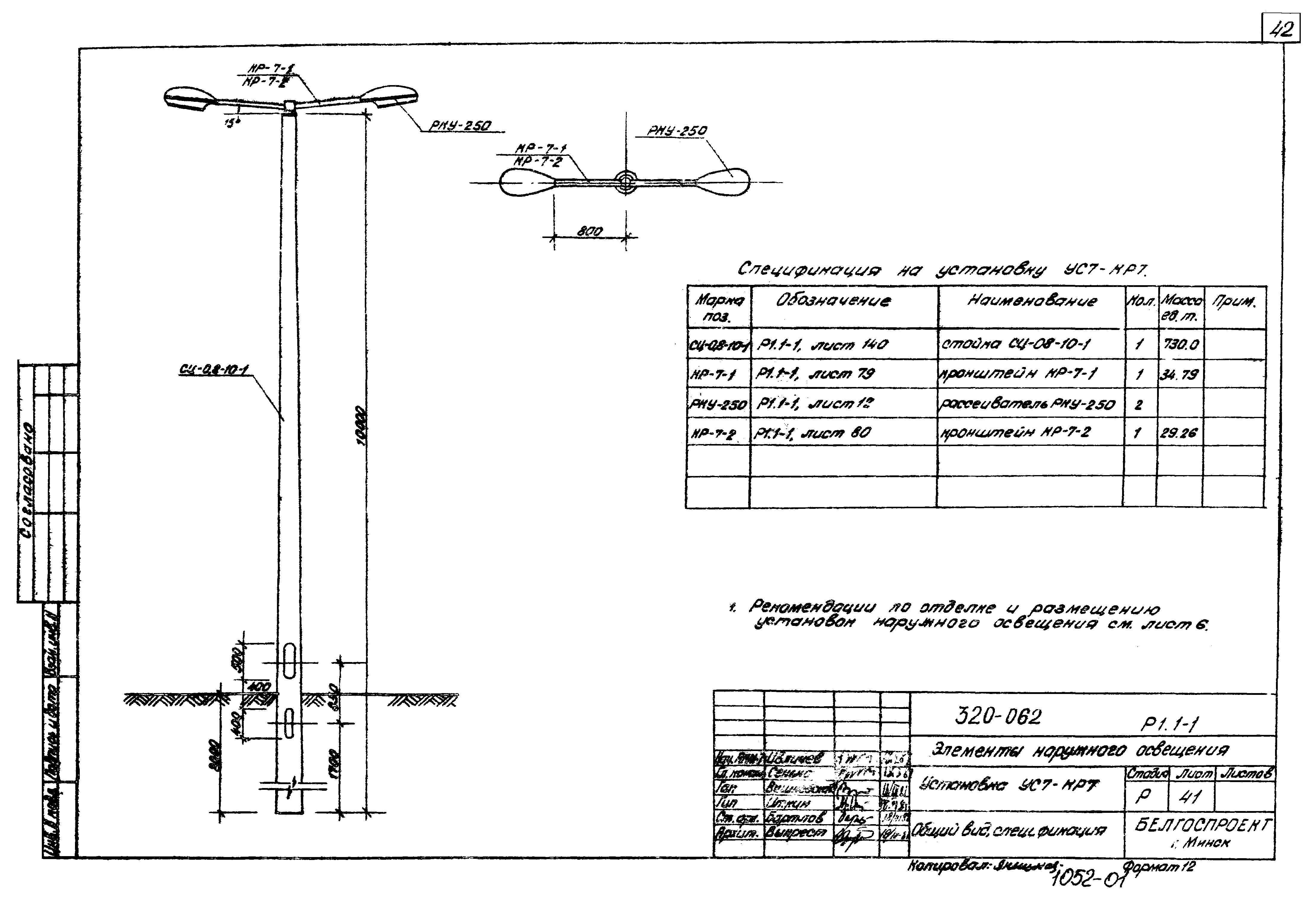
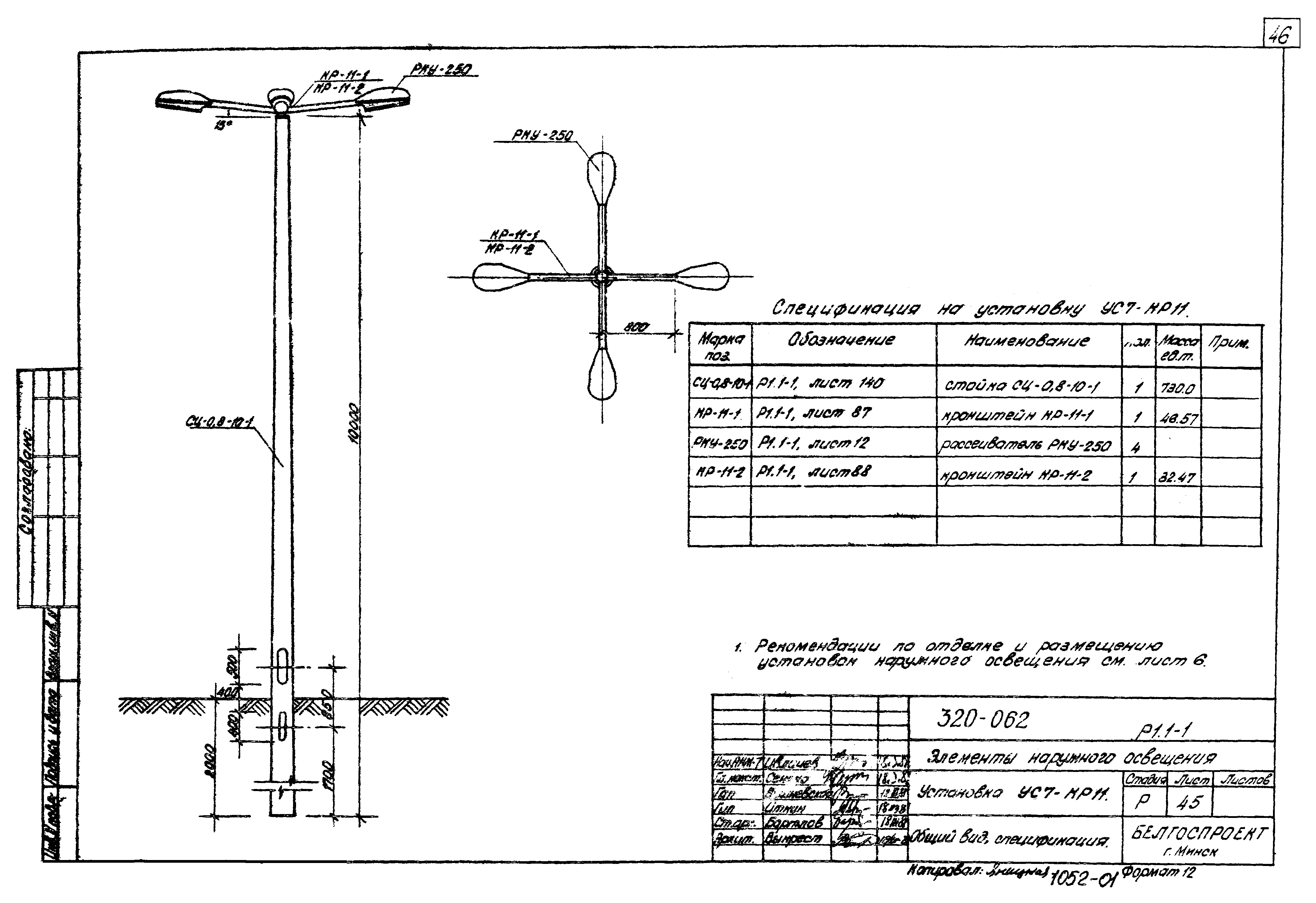
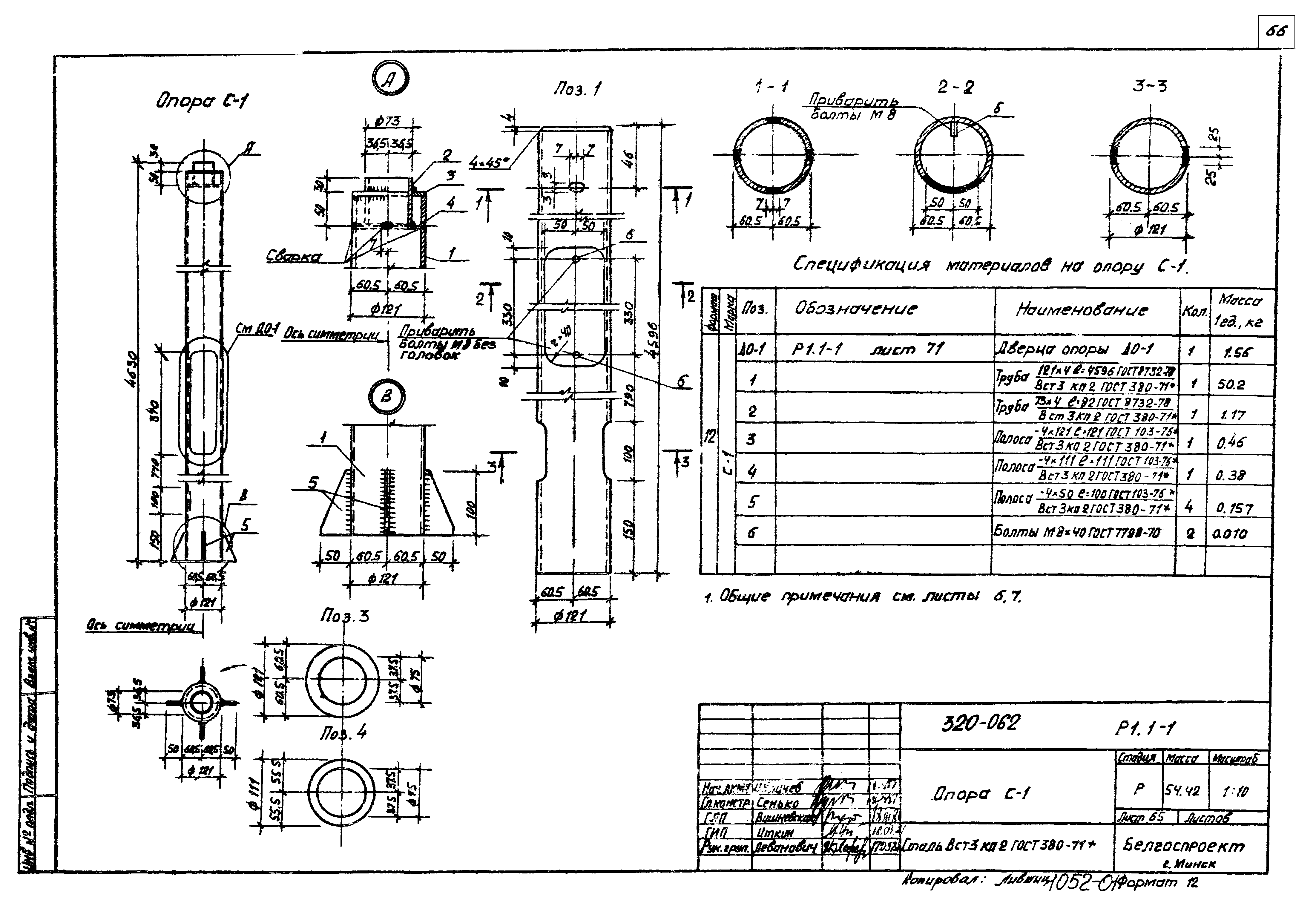
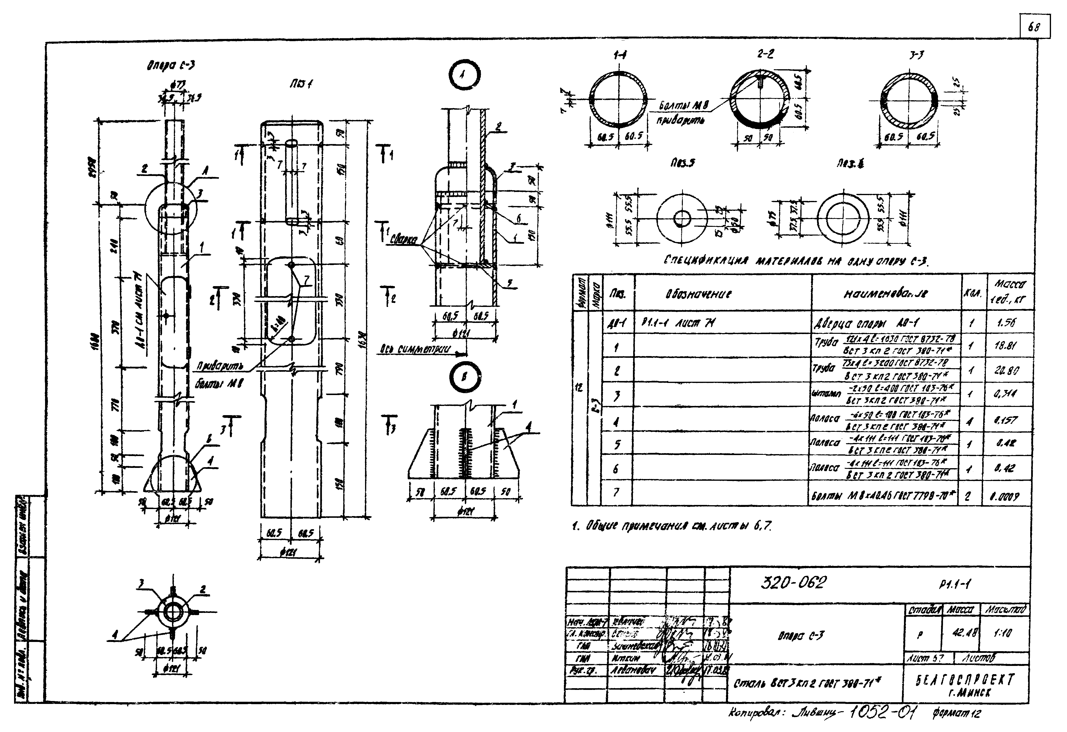
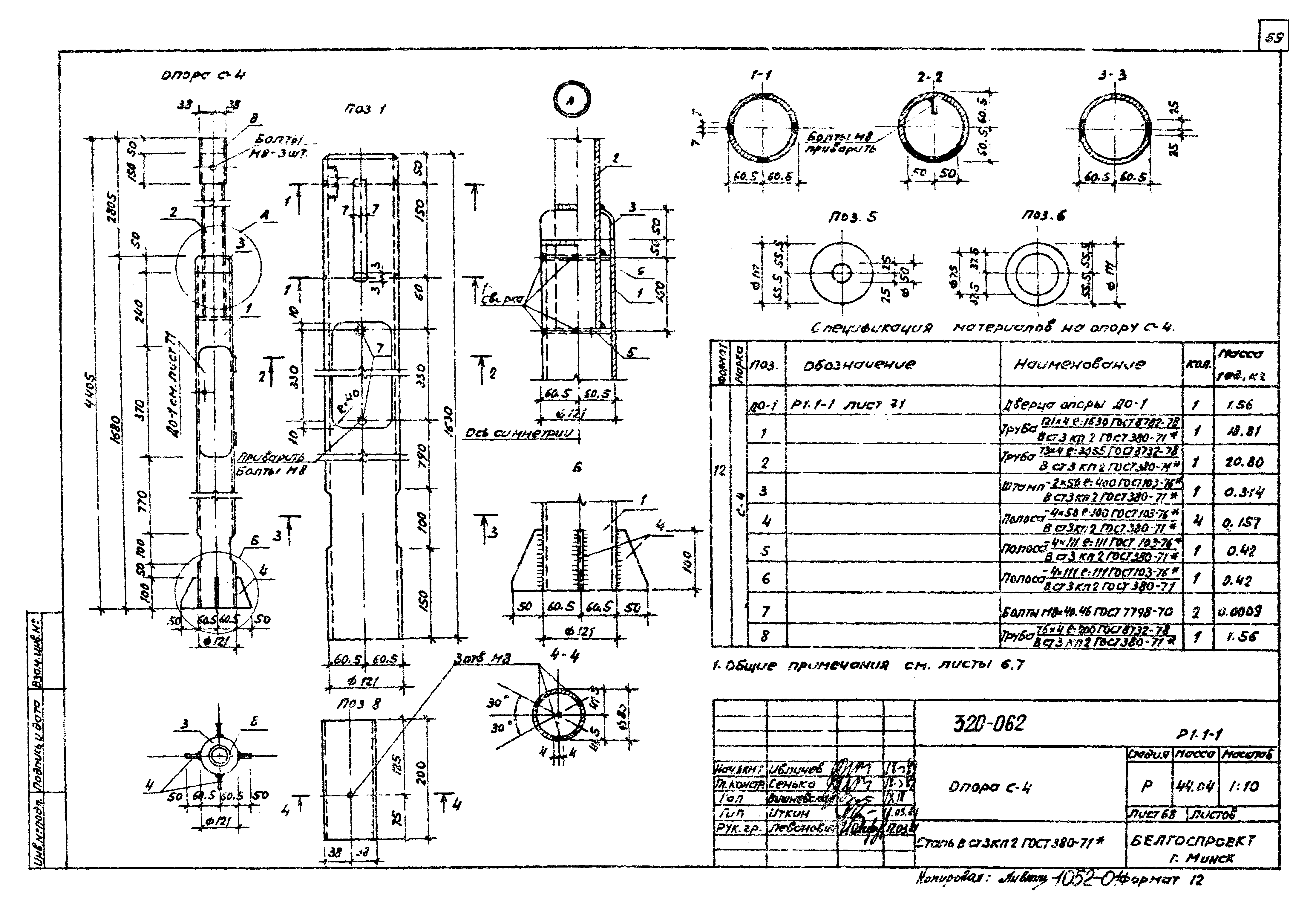
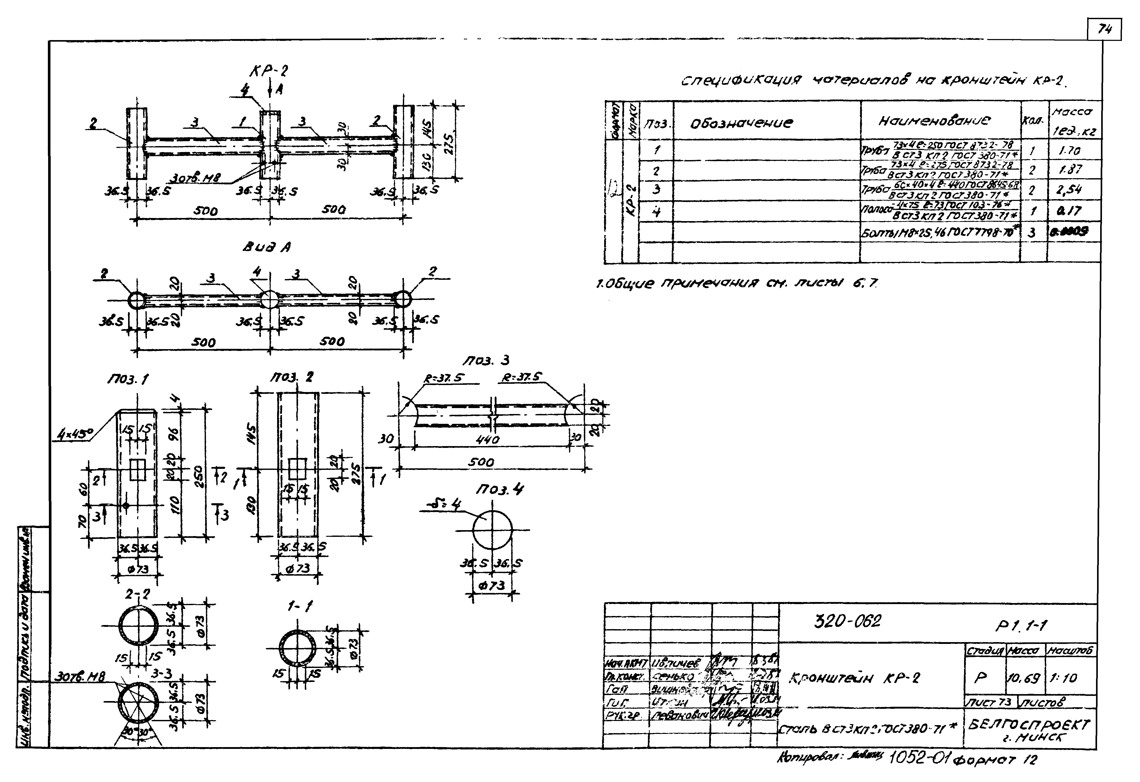
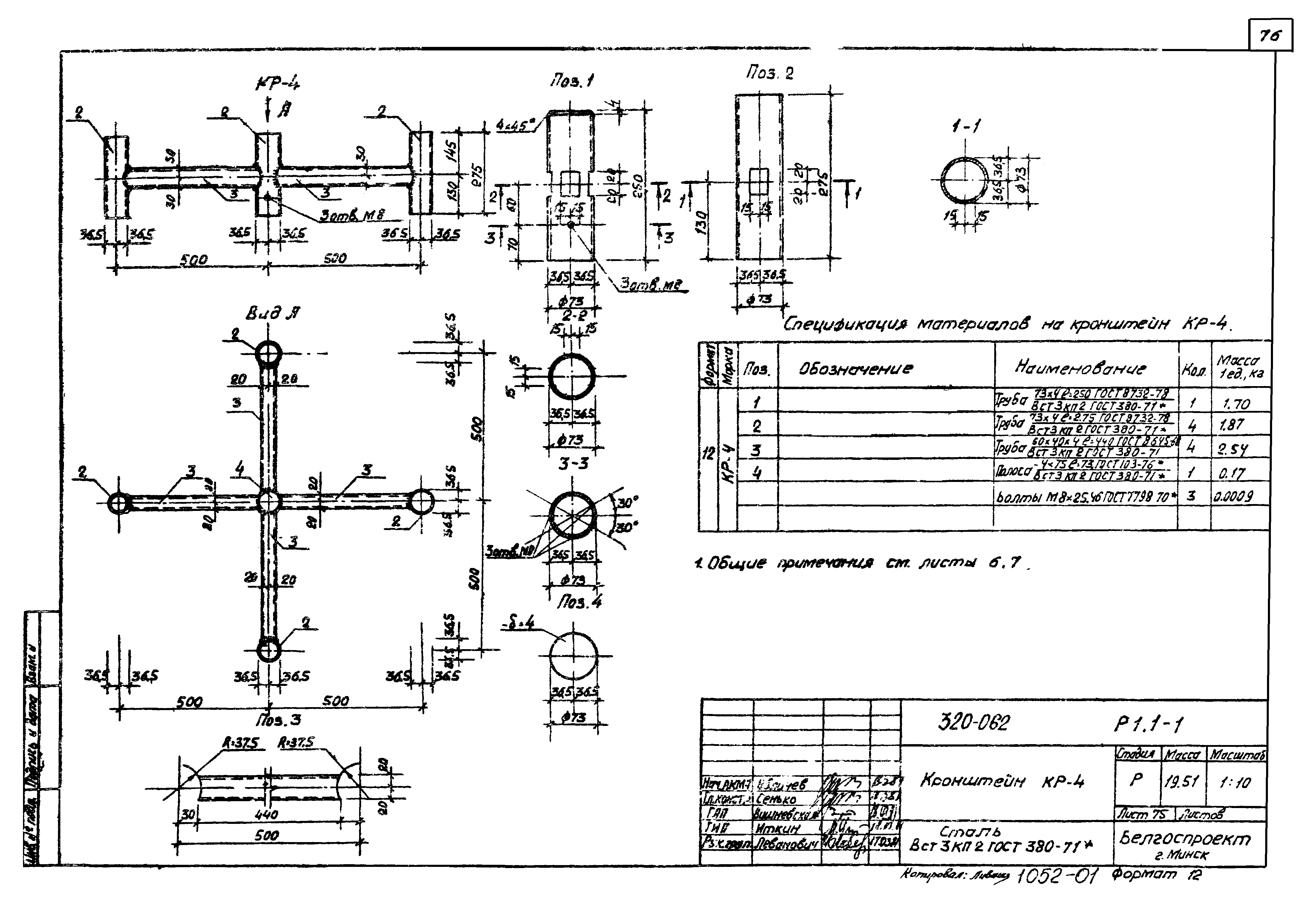
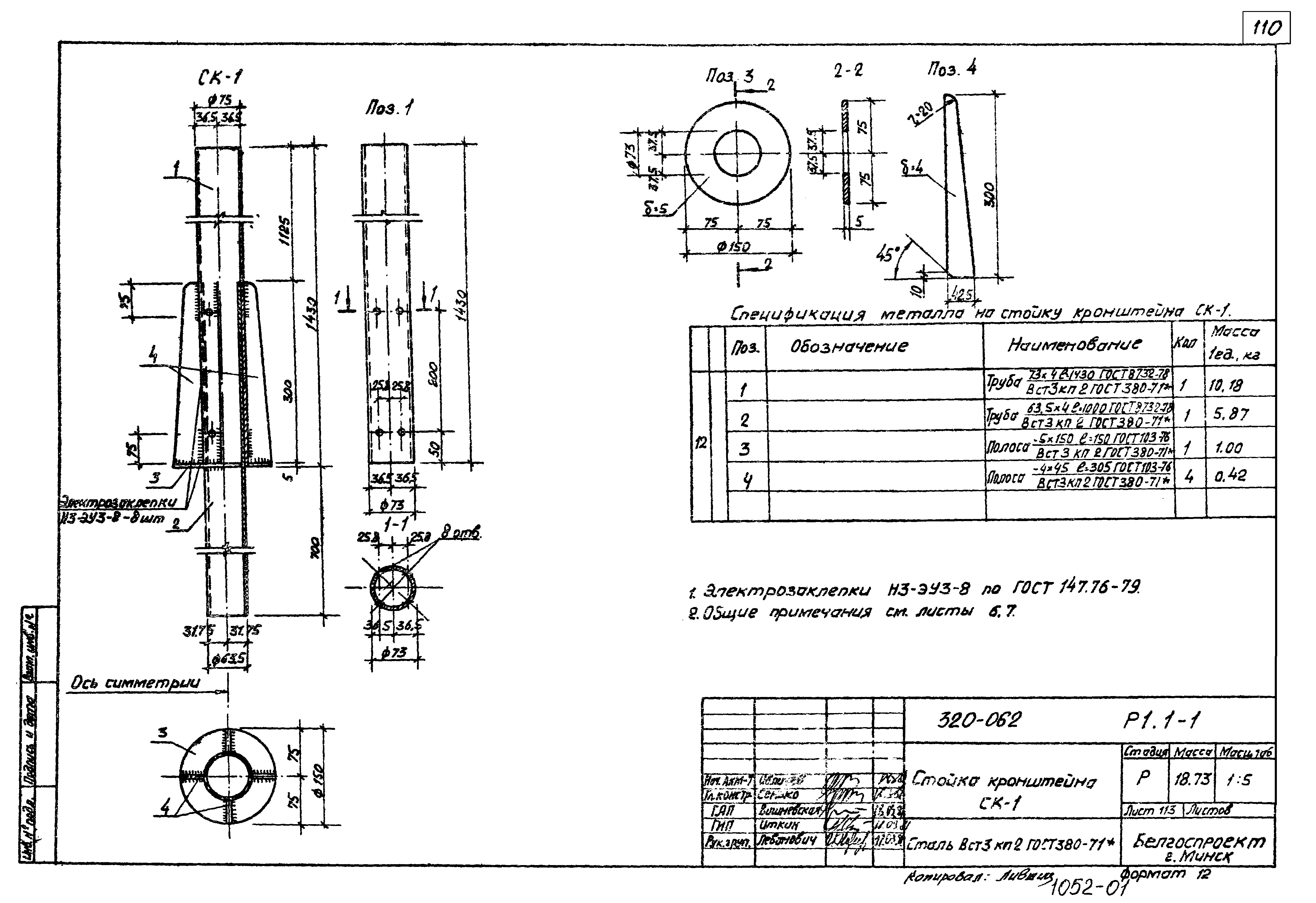
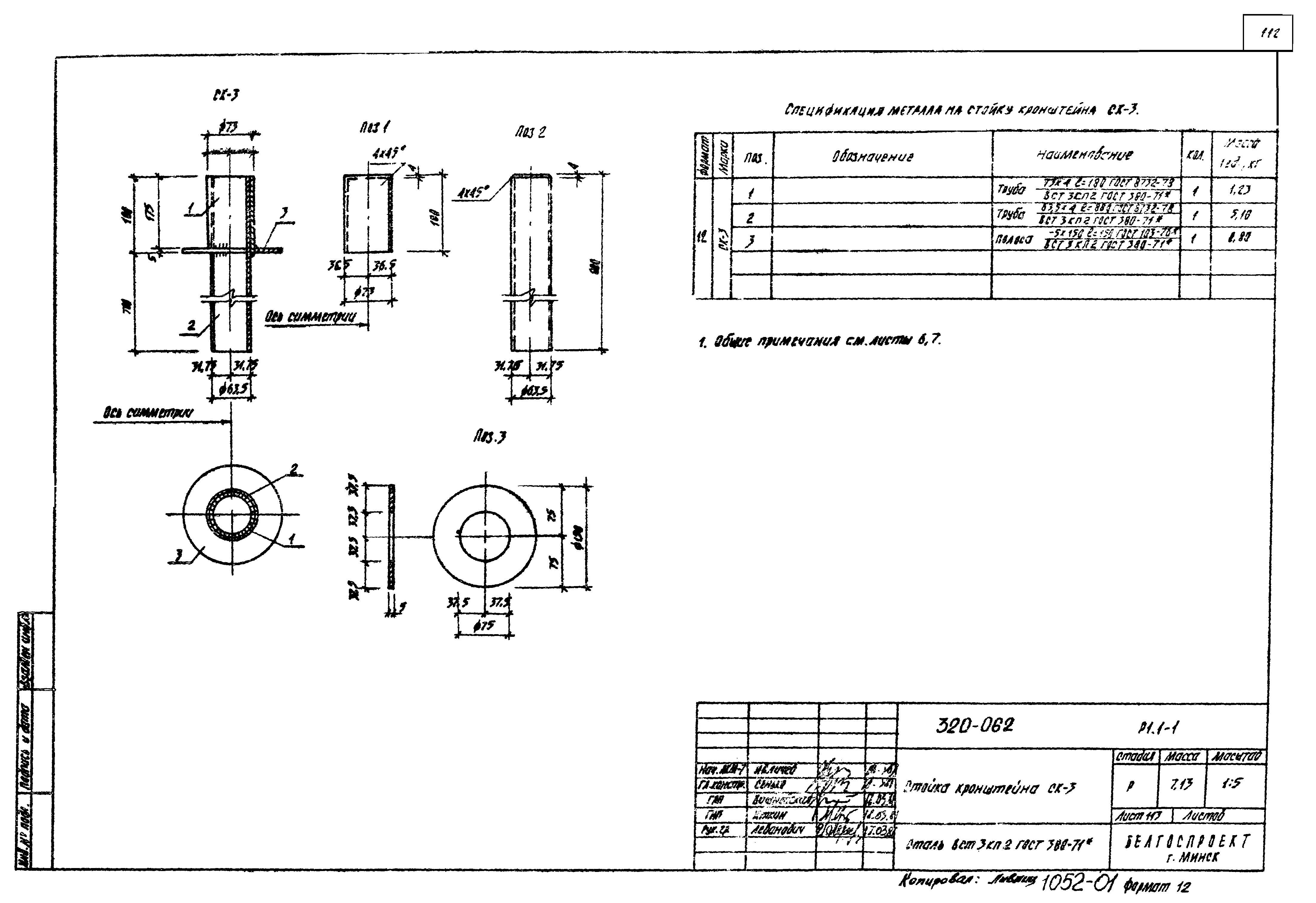
| Оглавление: | Общие данные Номенклатура установок наружного освещения Номенклатура светильников Установка УС1-Т Установка УС1-КР1 Установка УС1-КР2 Установка УС1-КР3 Установка УС1-КР4 Установка УС1-КР5 Установка УС2-Т Установка УС2-КР1 Установка УС2-КР2 Установка УС2-КР3 Установка УС2-КР4 Установка УС2-КР5 Установка УС3-Т Установка УС3-КР1 Установка УС3-КР2 Установка УС3-КР3 Установка УС3-КР4 Установка УС3-КР5 Установка УС5 Установка УС4 Установка УС6-КР6 Установка УС6-КР7 Установка УС6-КР8 Установка УС6-КР10 Установка УС6-КР9 Установка УС6-КР11 Установка УС7-КР6 Установка УС7-КР7 Установка УС7-КР8 Установка УС7-КР10 Установка УС1-КР9 Установка УС7-КР11 Установка УС8-КР12 Установка УС8-КР13 Установка УС8-КР14 Установка УС8-КР15 Установка УС8-КР16 Установка УС8-КР17 Установка УС8-КР18 Установка УС8-КР19 Установка УС9-КР20 Установка УС9-КР21 Световые аншлаги Узлы 1, 2 Узлы 3, 4, 5 Узел 6 Узел 7 Узел 8, 9 Узел 10 Узел 11 Опора С-1 Опора С-2 Опора С-3 Опора С-4 Опора С-5 Опора С-6 Дверца опоры ДО-1 Кронштейн КР-1 Кронштейн КР-2 Кронштейн КР-3 Кронштейн КР-4 Кронштейн КР-5 Кронштейн КР-6-1 Кронштейн КР-6-2 Кронштейн КР-7-1 Кронштейн КР-7-2 Кронштейн КР-8-1 Кронштейн КР-8-2 Кронштейн КР-9-1 Кронштейн КР-9-2 Кронштейн КР-10-1 Кронштейн КР-10-2 Кронштейн КР-11-1 Кронштейн КР-11-2 Кронштейн КР-12-1 Кронштейн КР-12-2 Кронштейн КР-13-1 Кронштейн КР-13-2 Кронштейн КР-14-1 Кронштейн КР-14-2 Кронштейн КР-15-1 Кронштейн КР-15-2 Спецификация элементов на кронштейн КР-15-1 Спецификация элементов на кронштейн КР-15-2 Кронштейн КР-16-1 Кронштейн КР-16-2 Кронштейн КР-17-1 Кронштейн КР-17-2 Спецификация элементов на кронштейн КР-17-1 Спецификация элементов на кронштейн КР-17-2 Кронштейн КР-18 Кронштейн КР-19 Спецификация элементов на кронштейн КР-18 Спецификация элементов на кронштейн КР-19 Кронштейн КР-20 Кронштейн КР-21 Спецификация элементов на кронштейн КР-20 Спецификация элементов на кронштейн КР-21 Стойка кронштейна СК-1 Стойка кронштейна СК-2 Стойка кронштейна СК-3 Оголовок ОГ-1 Оголовок ОГ-2 Оголовок ОГ-3 Оголовок ОГ-4 Заглушка П-1 Заглушка П-2 Консоль кронштейна КК-1 Консоль кронштейна КК-2 Консоль кронштейна КК-3 Консоль кронштейна КК-4 Консоль кронштейна КК-5 Консоль кронштейна КК-6 Консоль кронштейна КК-7 Консоль кронштейна КК-8 Консоль кронштейна КК-9 Кольцо К-1 Накладка Н-1 Накладка Н-2 Декоративный светильник УС-4 Декоративный светильник УС-5 Спецификация материалов на декоративный светильник УС-4 Спецификация материалов на декоративный светильник УС-5 Рамка Р-2 Опора СЦс-0,65-8-1 Опора СЦс-0,8-10-1 Расположение закладных деталей в отверстия для ревизии в опорах СЦс-0,65-8-1; СЦс-0,8-10-1 Рамка Р-1 Дверца Д-1 Фланец А-1-1 Закладная деталь ИМ-1 Фундамент Ф-1 Закладная деталь ИМ-2 Фундамент Ф-2 Фундамент Ф-2. Армирование Фундамент Ф-2. Рамка, дверца, спецификация элементов на фундамент Ф-2 |
| Разработан: | Белгоспроект |
| Утверждён: | 24.12.1979 Госстрой БССР (BSSR Gosstroy 181) |












































































































































