Скачать Серия 2.193 Р-1 Альбом 1. Схемы соединений и общие видыДата актуализации: 01.01.2021
|
| Обозначение: | Серия 2.193 Р-1 |
| Обозначение англ: | Series 2.193 Р-1 |
| Статус: | действует |
| Название рус.: | Альбом 1. Схемы соединений и общие виды |
| Дата добавления в базу: | 01.09.2013 |
| Дата актуализации: | 01.01.2021 |
| Дата введения: | 01.01.1975 |
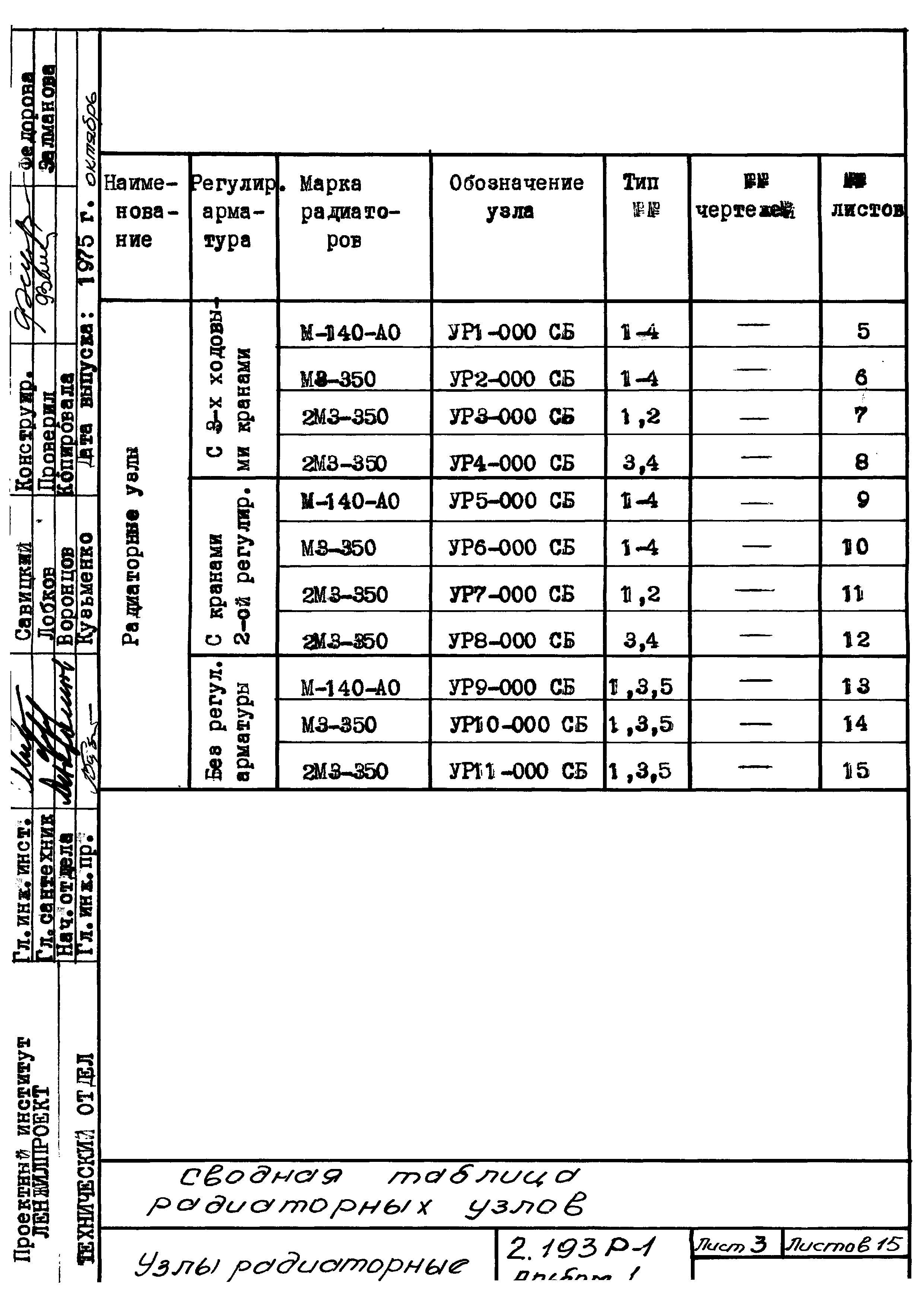
| Оглавление: | 2.193 Р-1 Содержание 2.193 Р-1 Пояснительная записка 2.193 Р-1 Сводная таблица 2.193 Р-1 Схемы соединений 2.193 Р-1 Радиаторный узел УР1-000 СБ 2.193 Р-1 Радиаторный узел УР2-000 СБ 2.193 Р-1 Радиаторный узел УР3-000 СБ 2.193 Р-1 Радиаторный узел УР4-000 СБ 2.193 Р-1 Радиаторный узел УР5-000 СБ 2.193 Р-1 Радиаторный узел УР6-000 СБ 2.193 Р-1 Радиаторный узел УР7-000 СБ 2.193 Р-1 Радиаторный узел УР8-000 СБ 2.193 Р-1 Радиаторный узел УР9-000 СБ 2.193 Р-1 Радиаторный узел УР10-000 СБ 2.193 Р-1 Радиаторный узел УР11-000 СБ |
| Разработан: | ЛенжилНИИпроект |
| Утверждён: | ЛенжилНИИпроект |
















