Скачать Серия 03.005-7 Выпуск 0-1. Часть I. Конструктивные решения входов и аварийных выходов защитных сооружений в сухих грунтах. Материалы для проектированияДата актуализации: 01.01.2021
|
| Обозначение: | Серия 03.005-7 |
| Обозначение англ: | Series 03.005-7 |
| Статус: | не определен законодательством |
| Название рус.: | Выпуск 0-1. Часть I. Конструктивные решения входов и аварийных выходов защитных сооружений в сухих грунтах. Материалы для проектирования |
| Дата добавления в базу: | 01.09.2013 |
| Дата актуализации: | 01.01.2021 |
| Дата введения: | 01.09.1990 |
| Дата окончания срока действия: | 30.06.2003 |
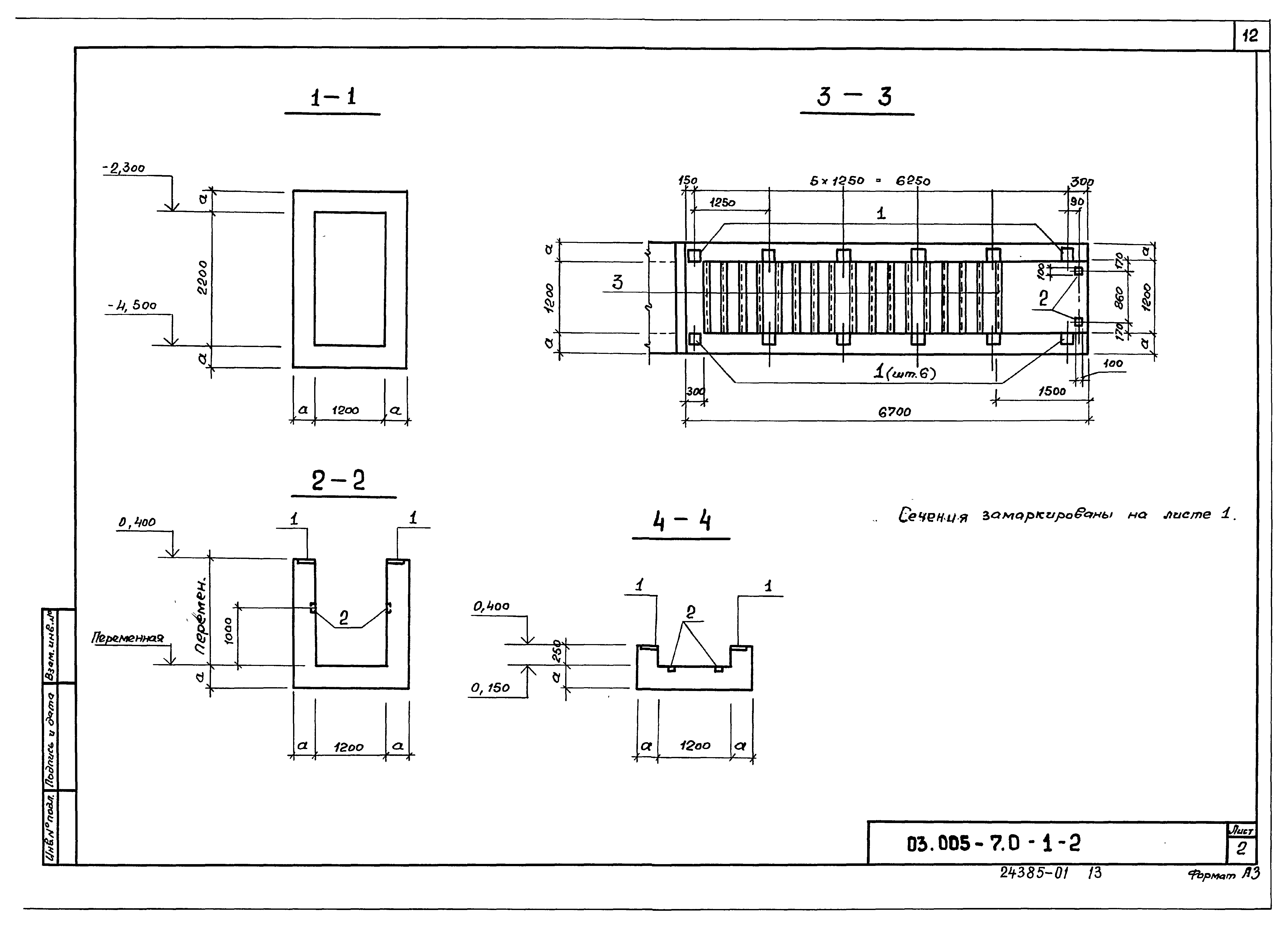
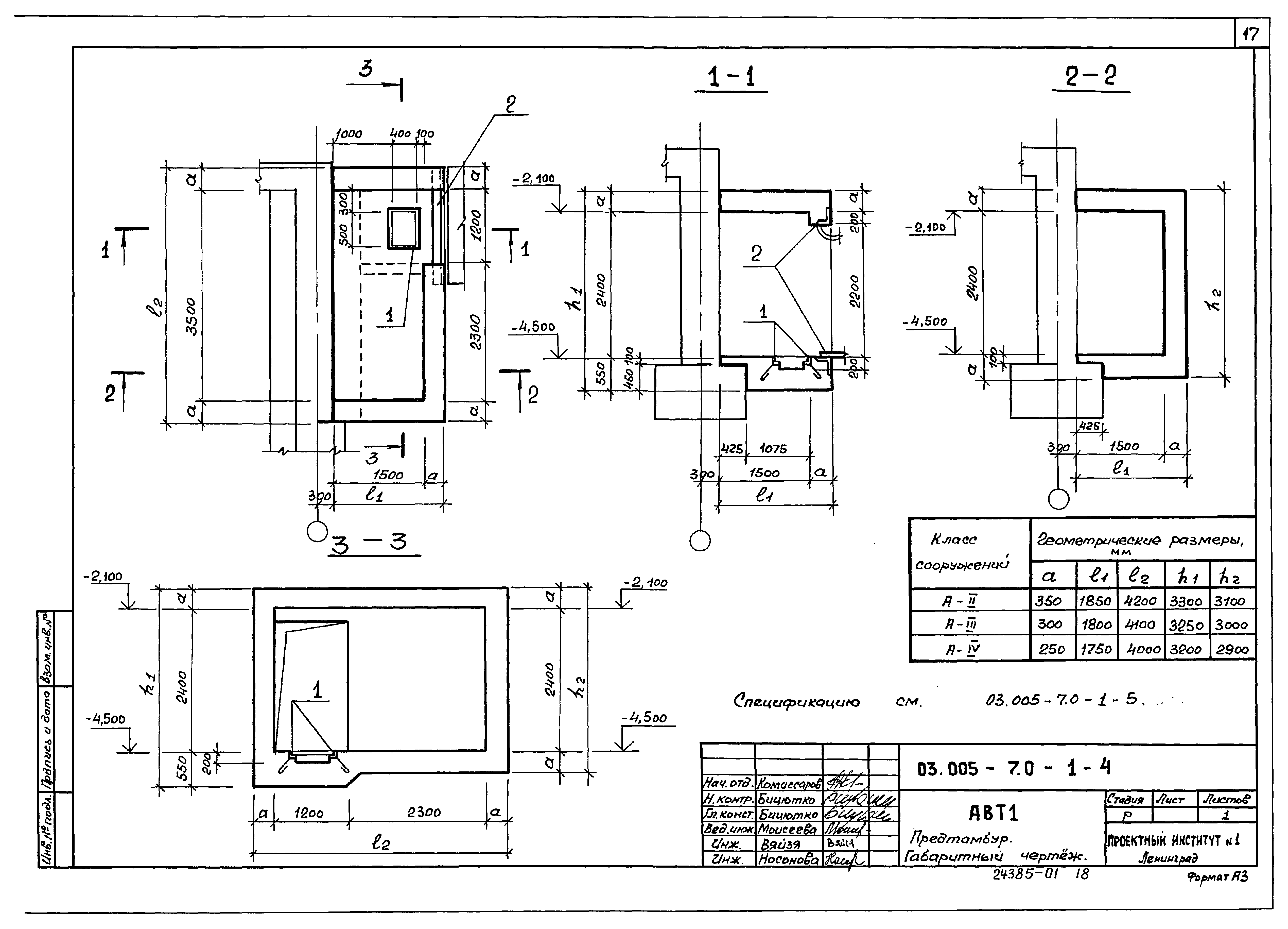
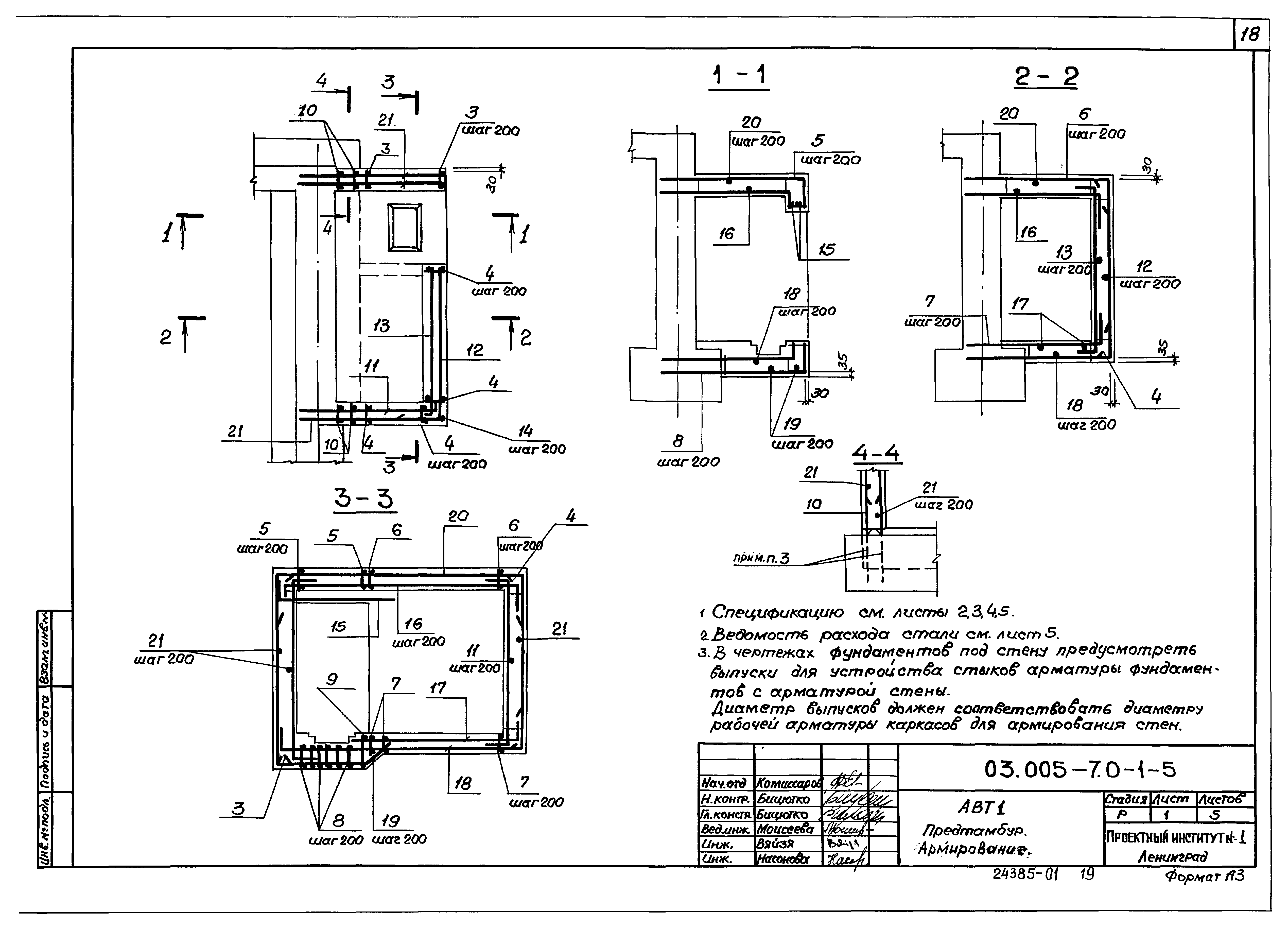
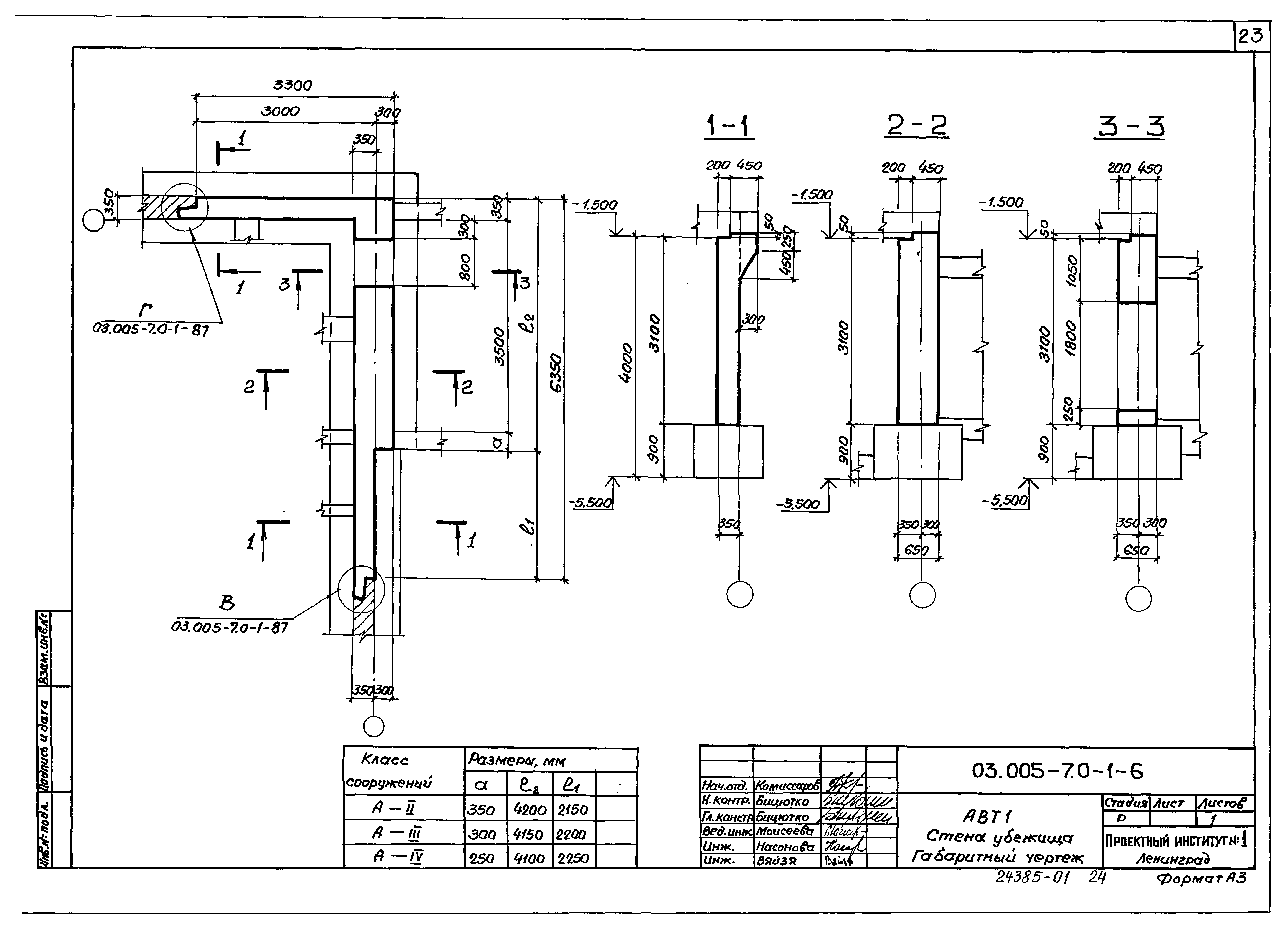
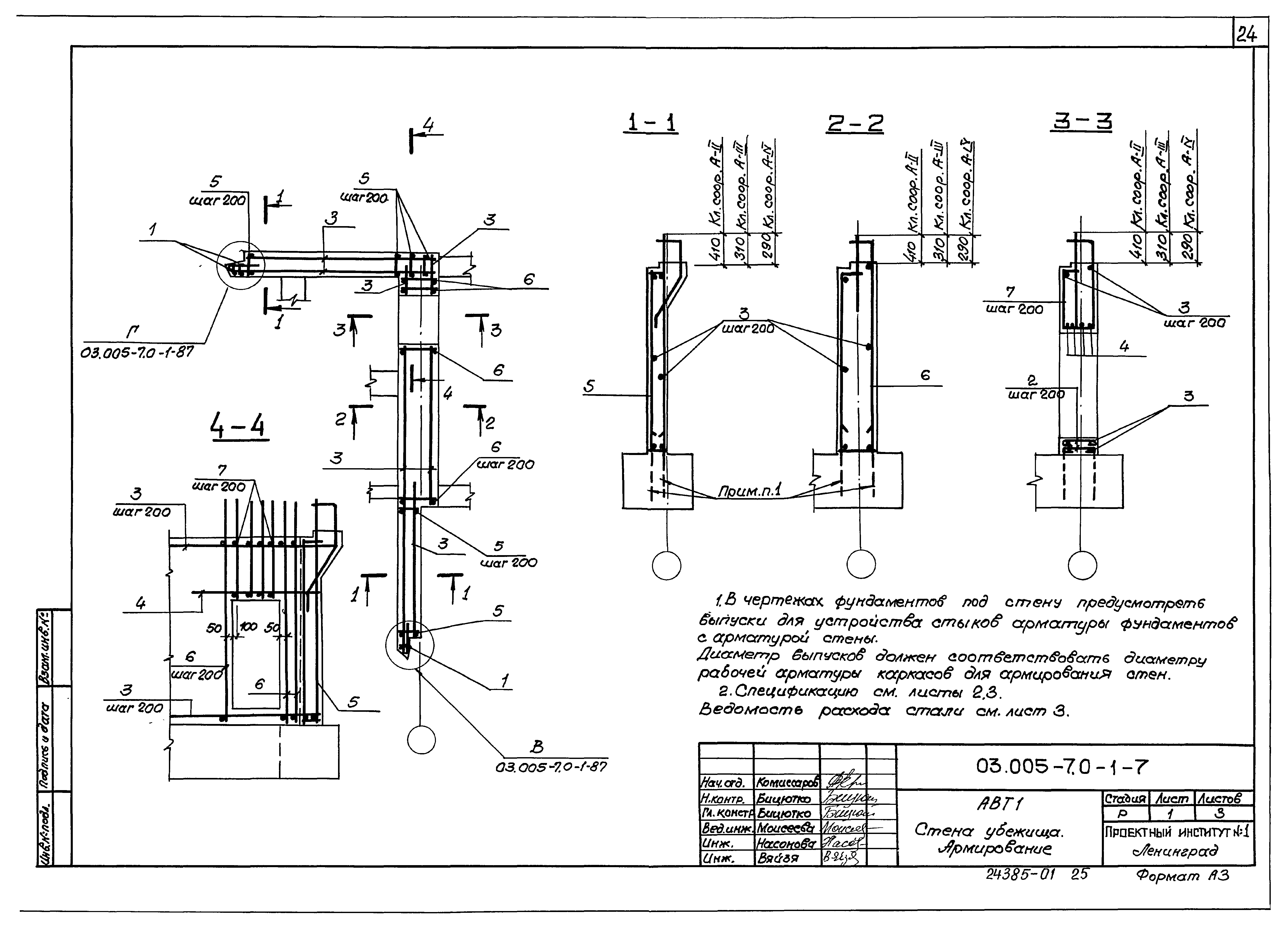
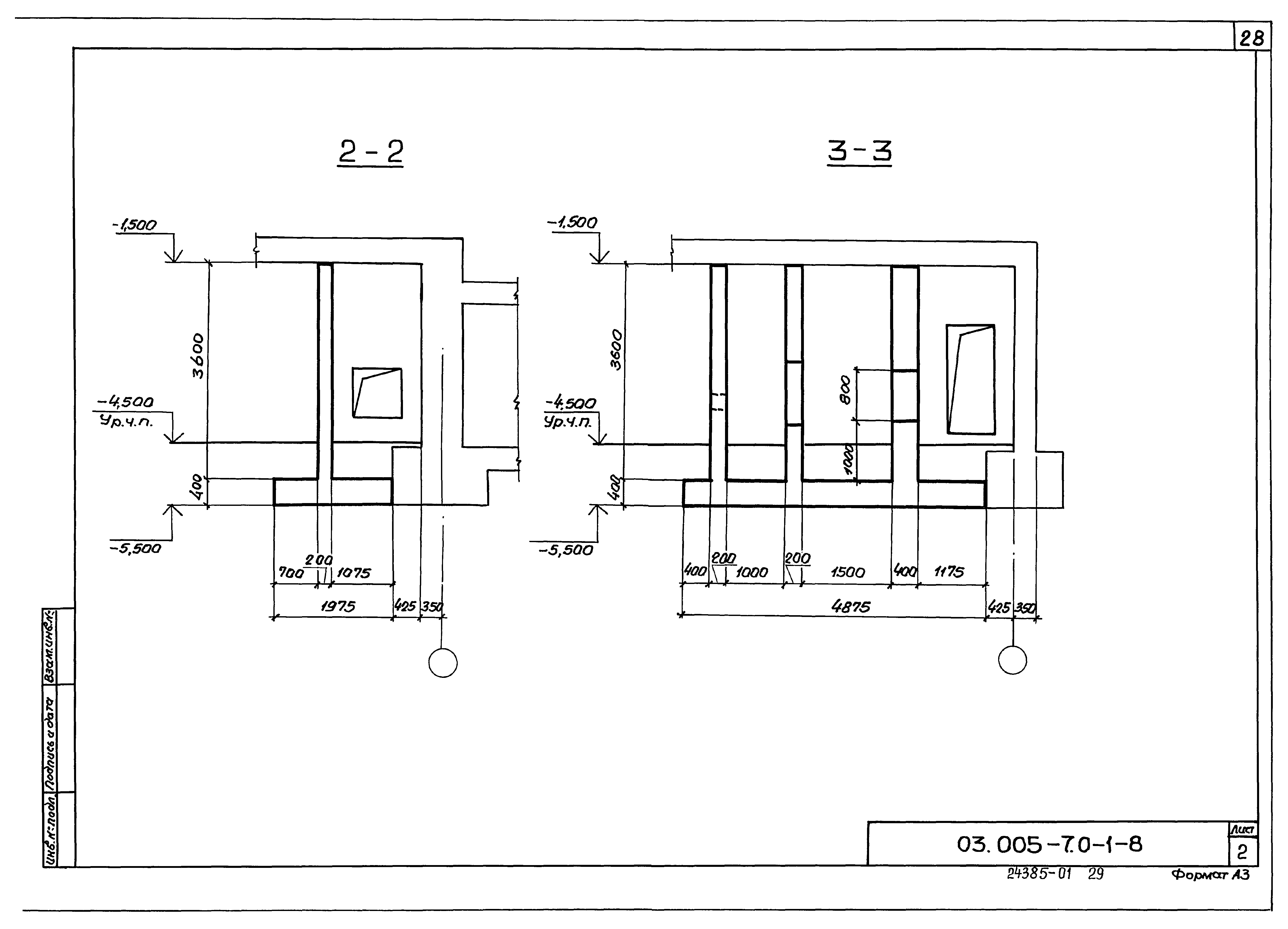
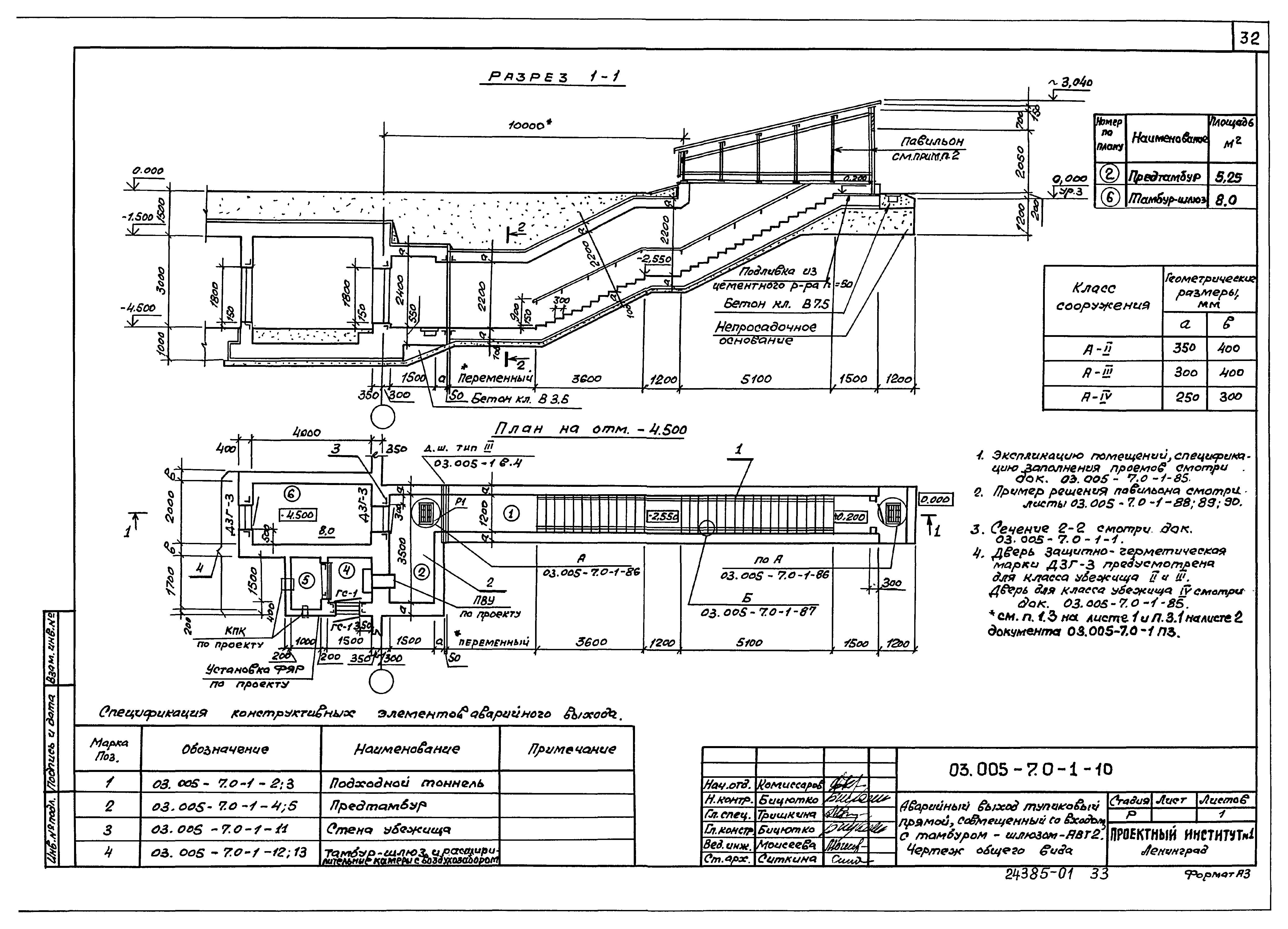
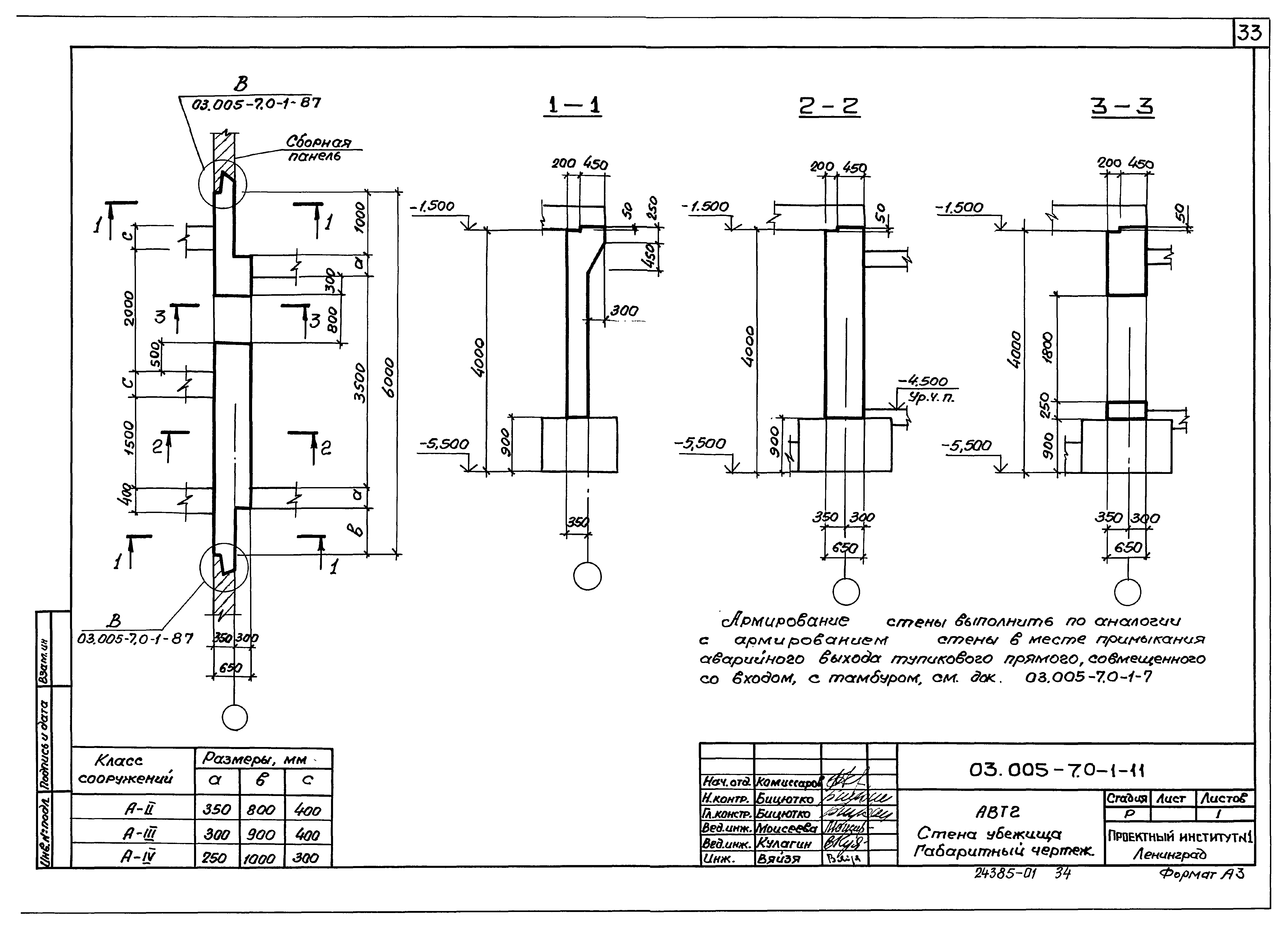
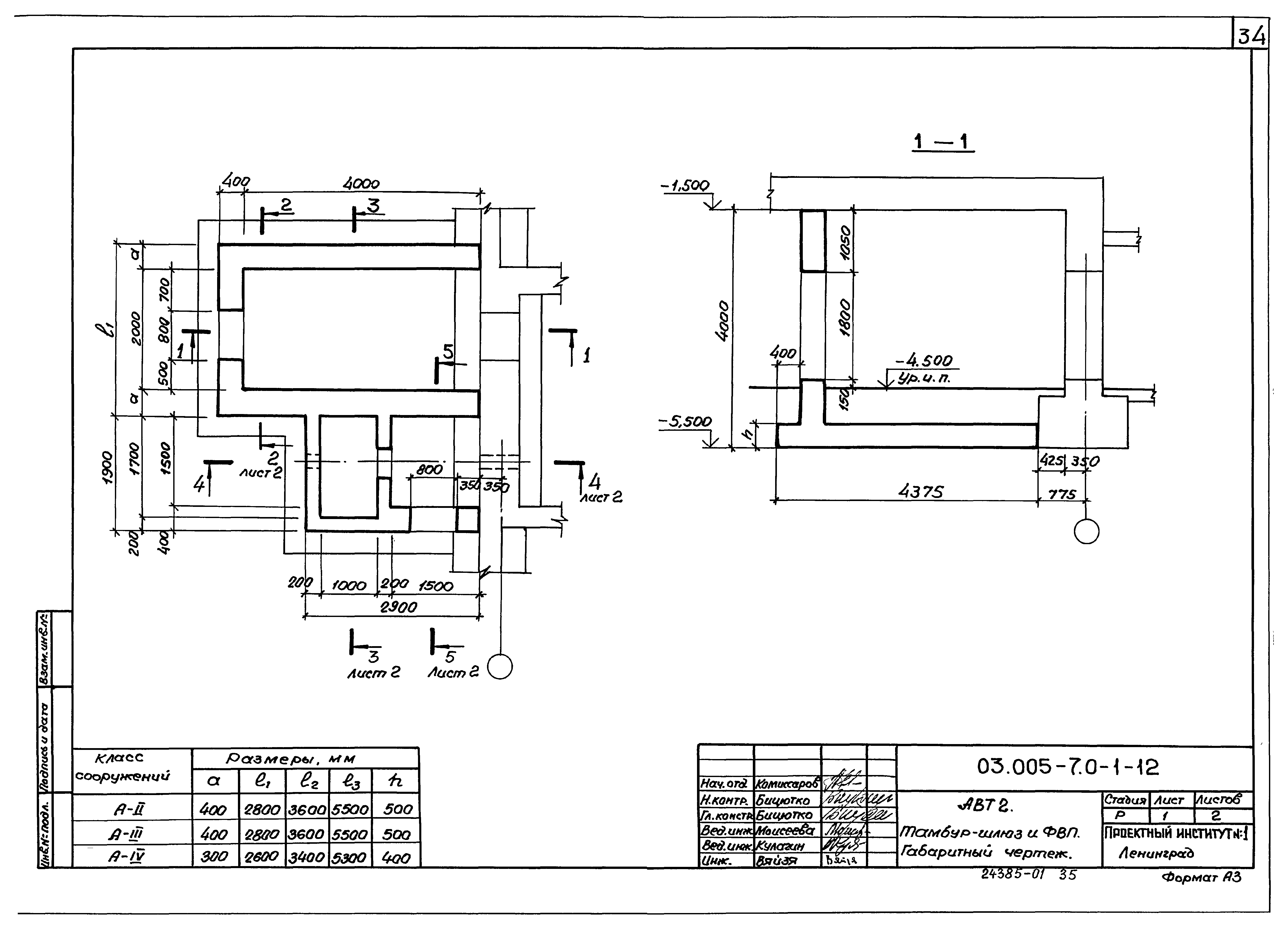
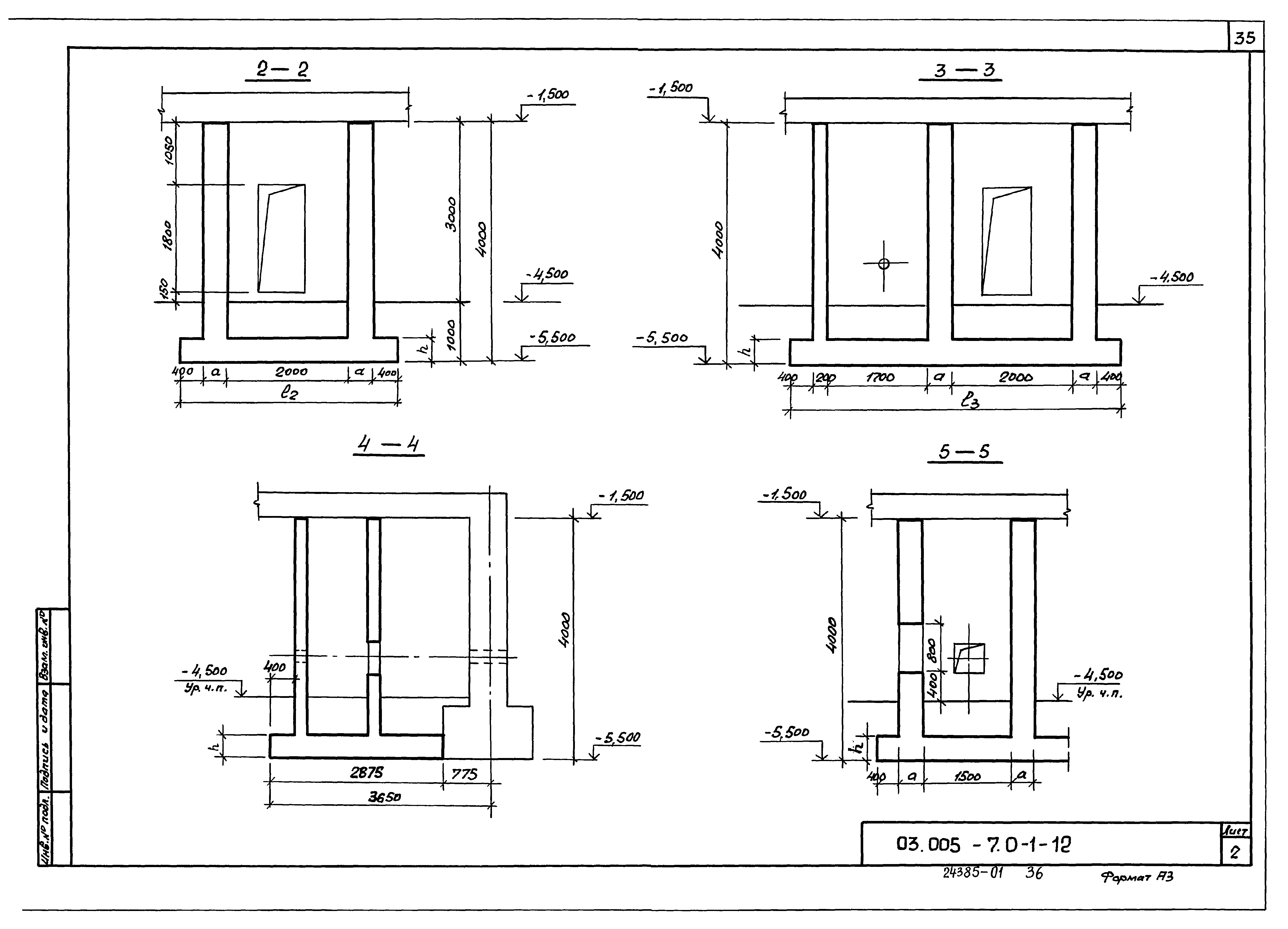
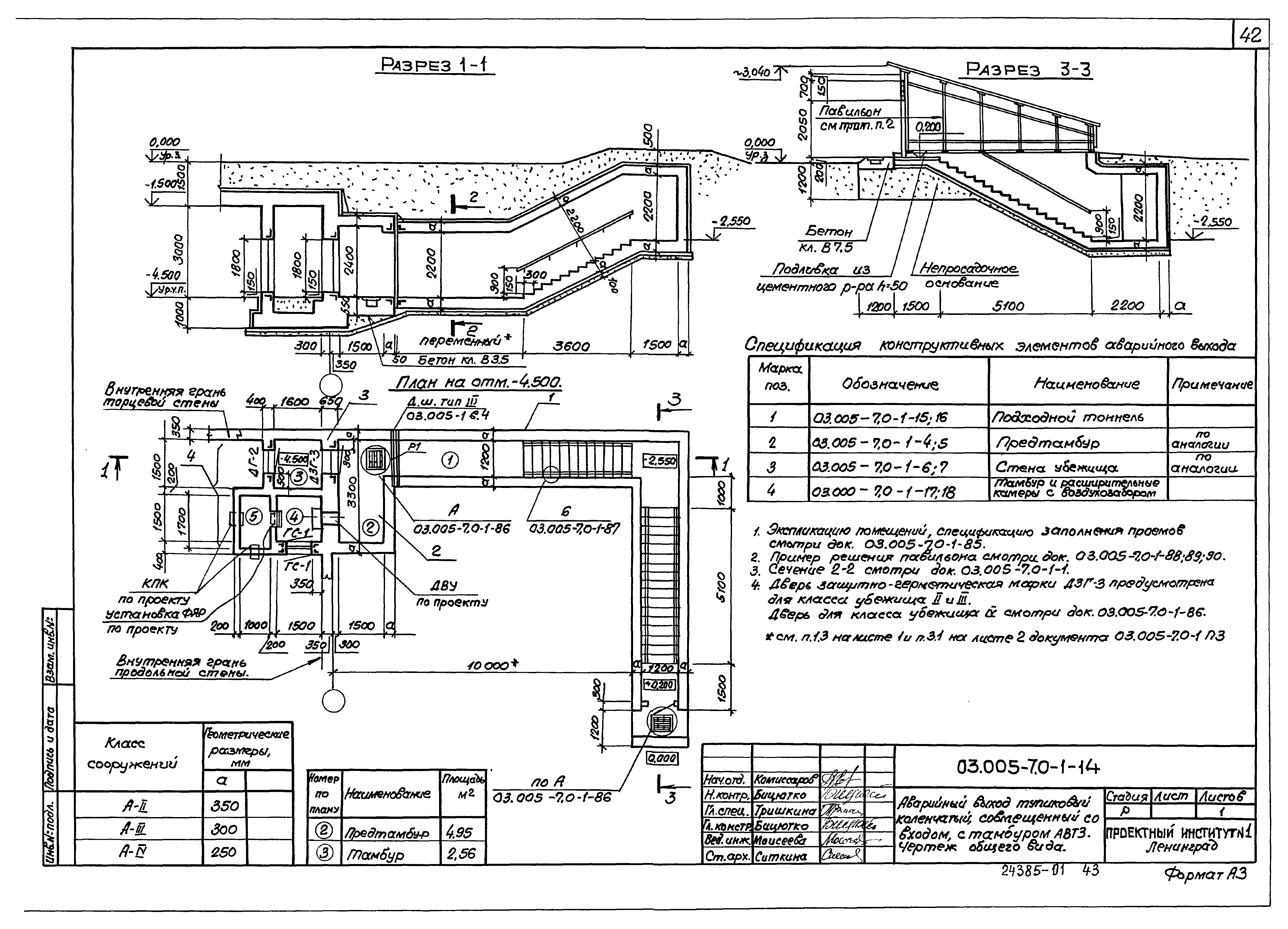
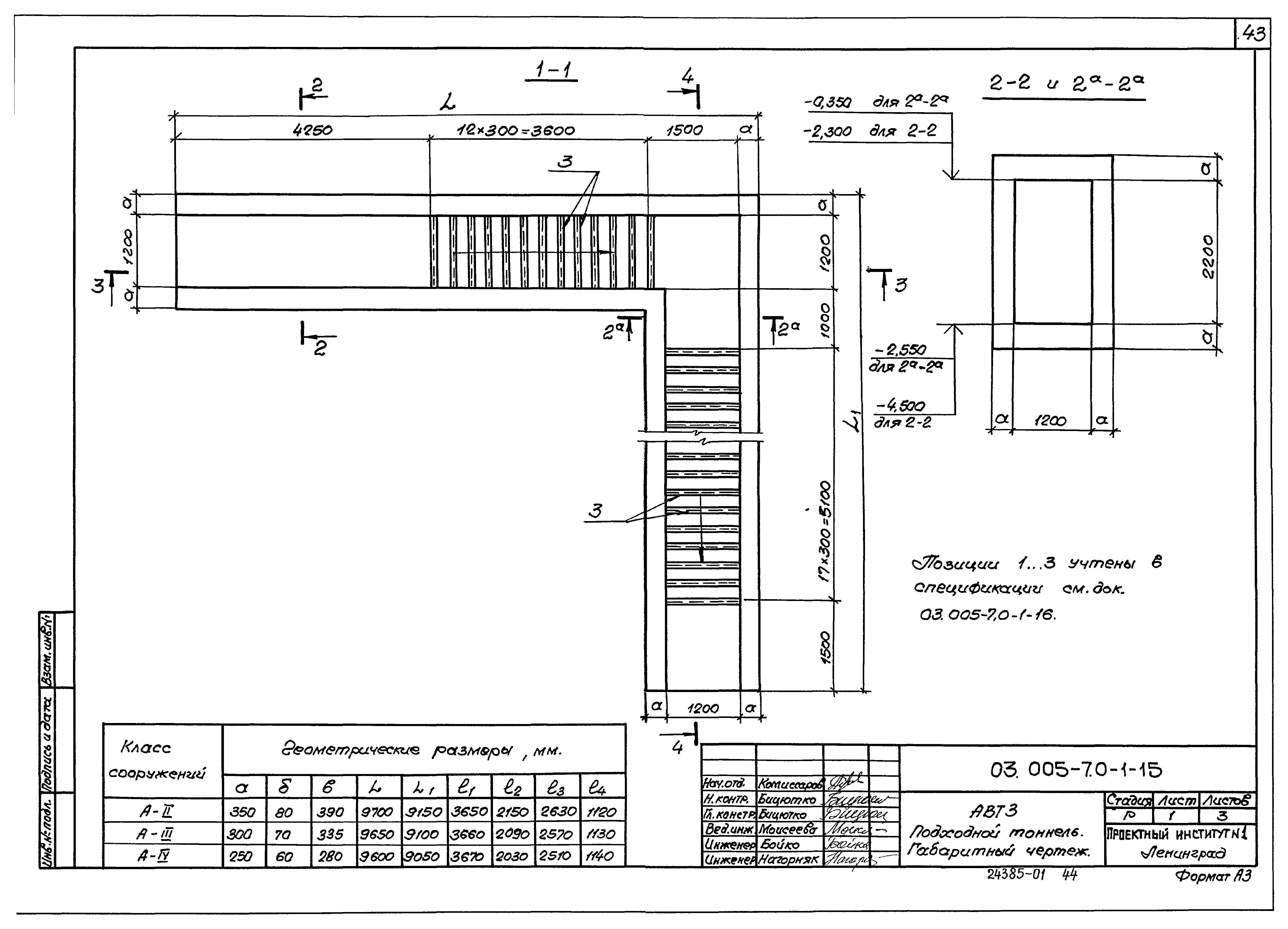
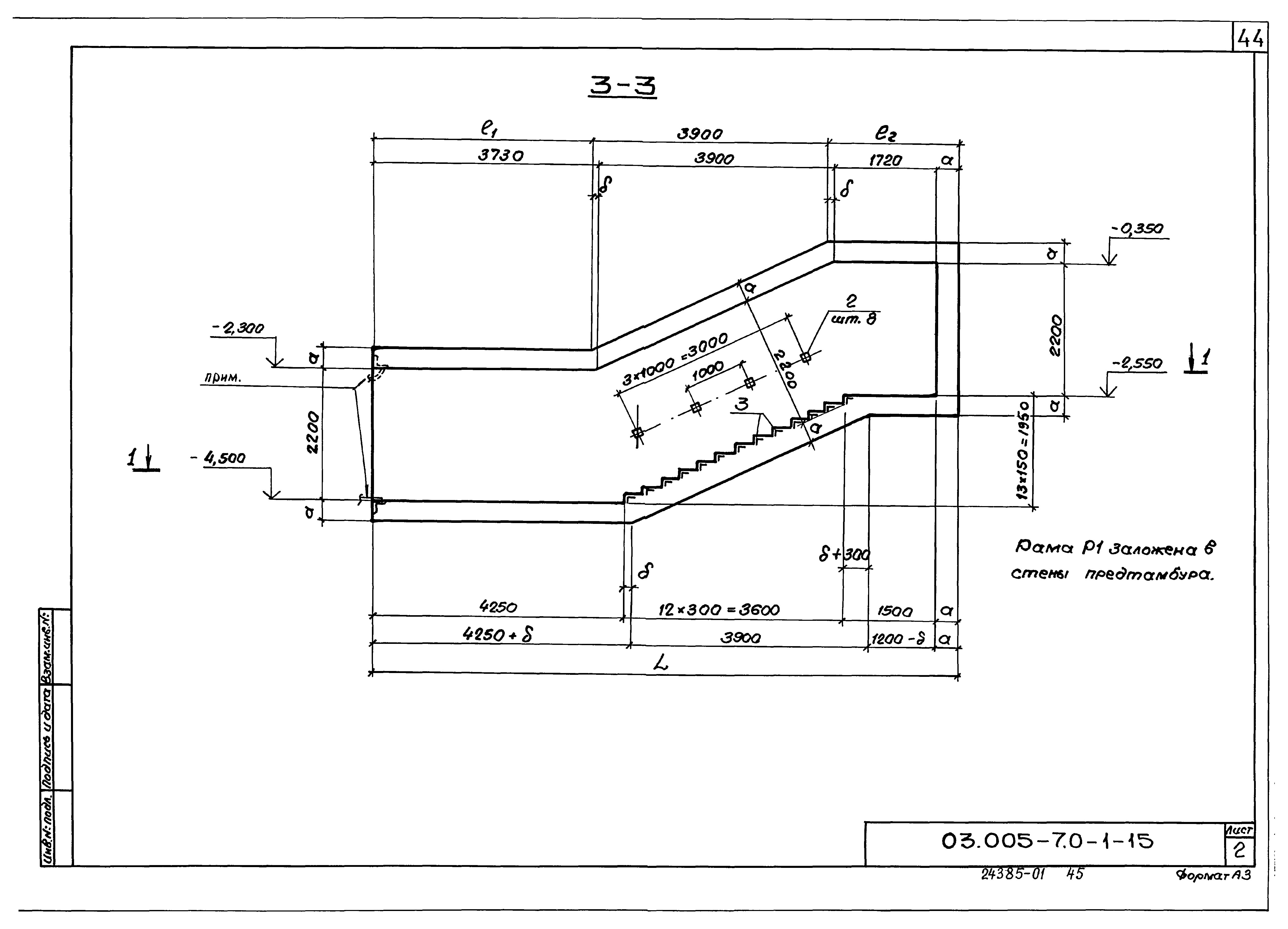
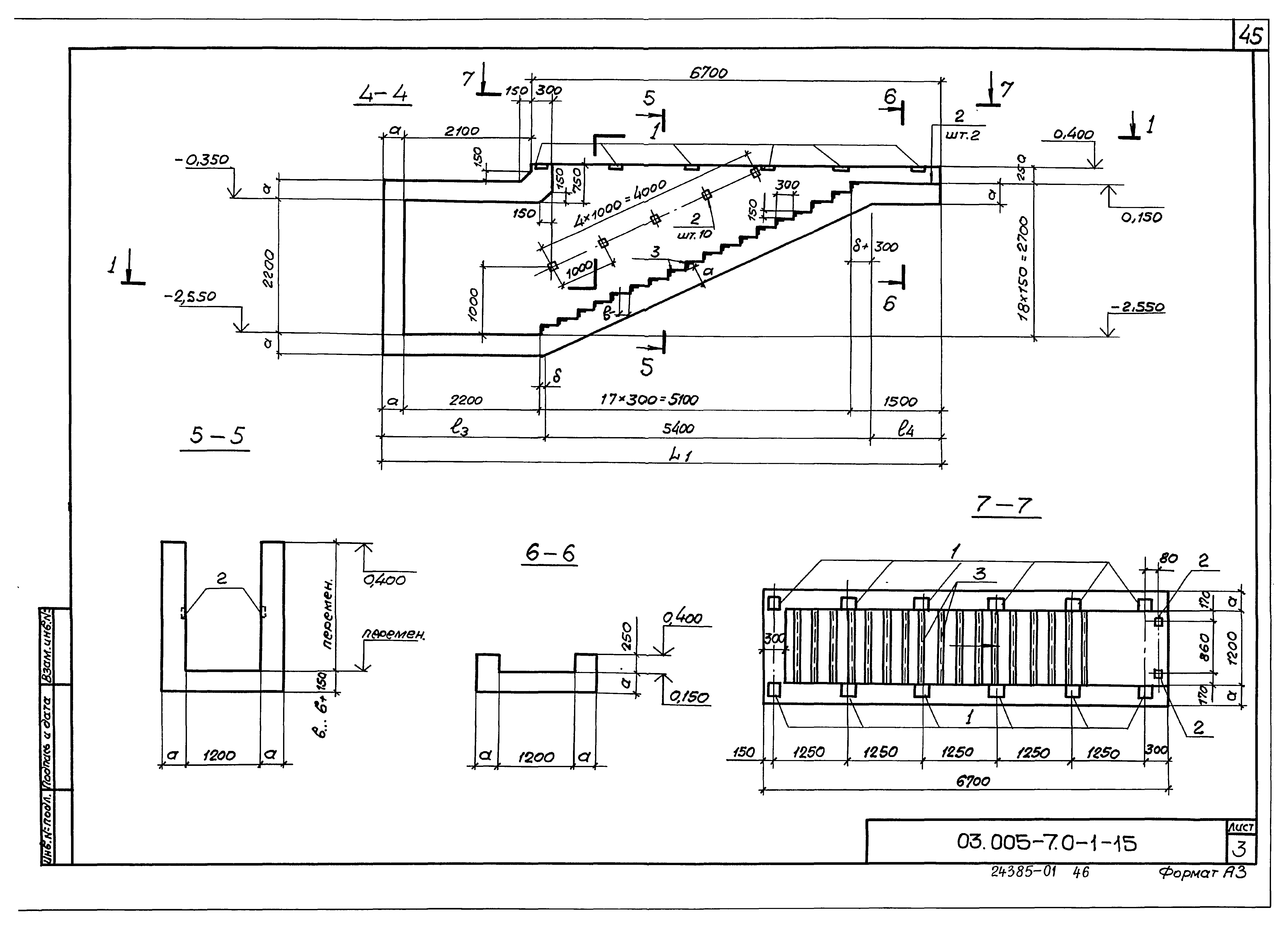
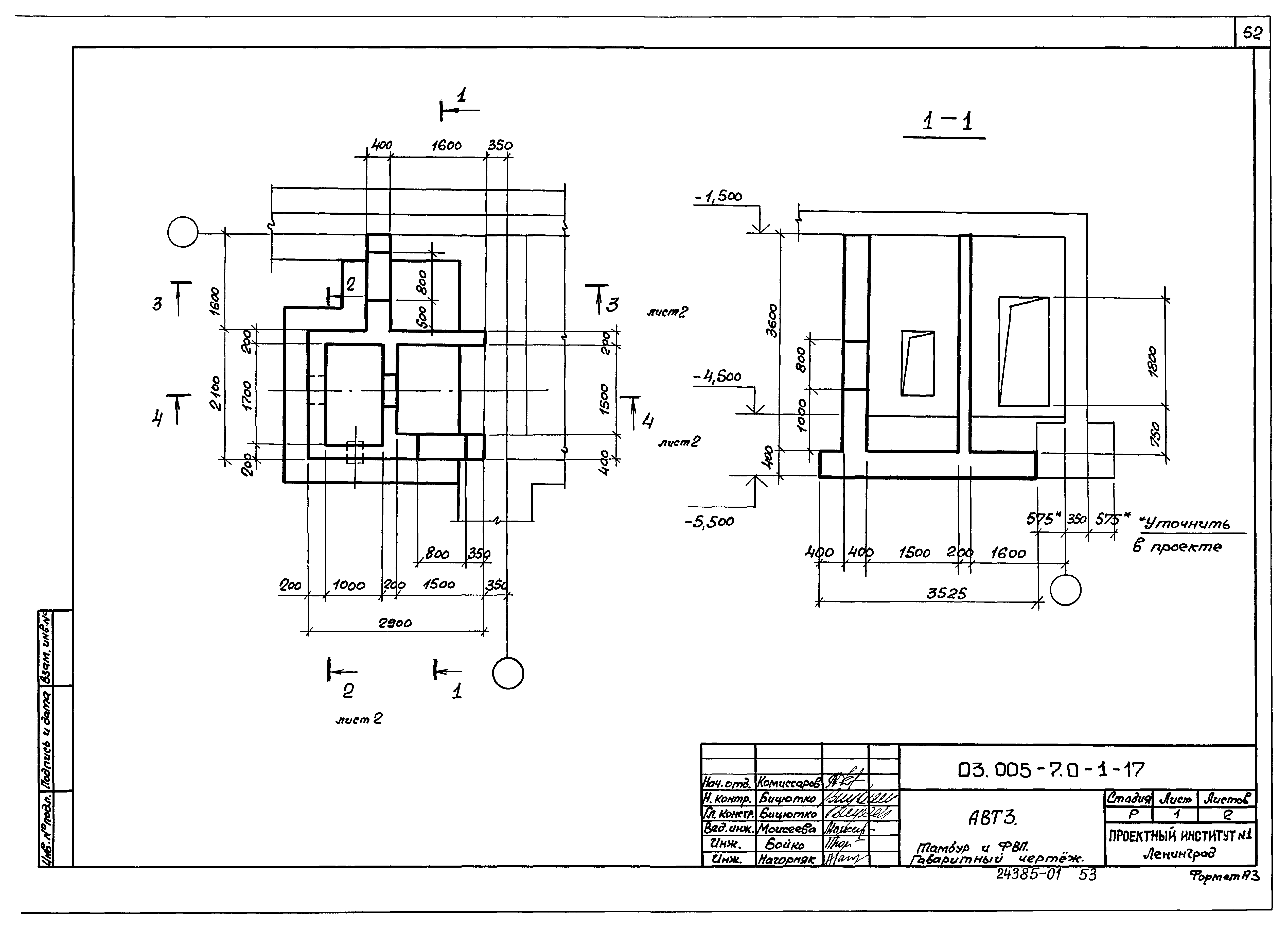
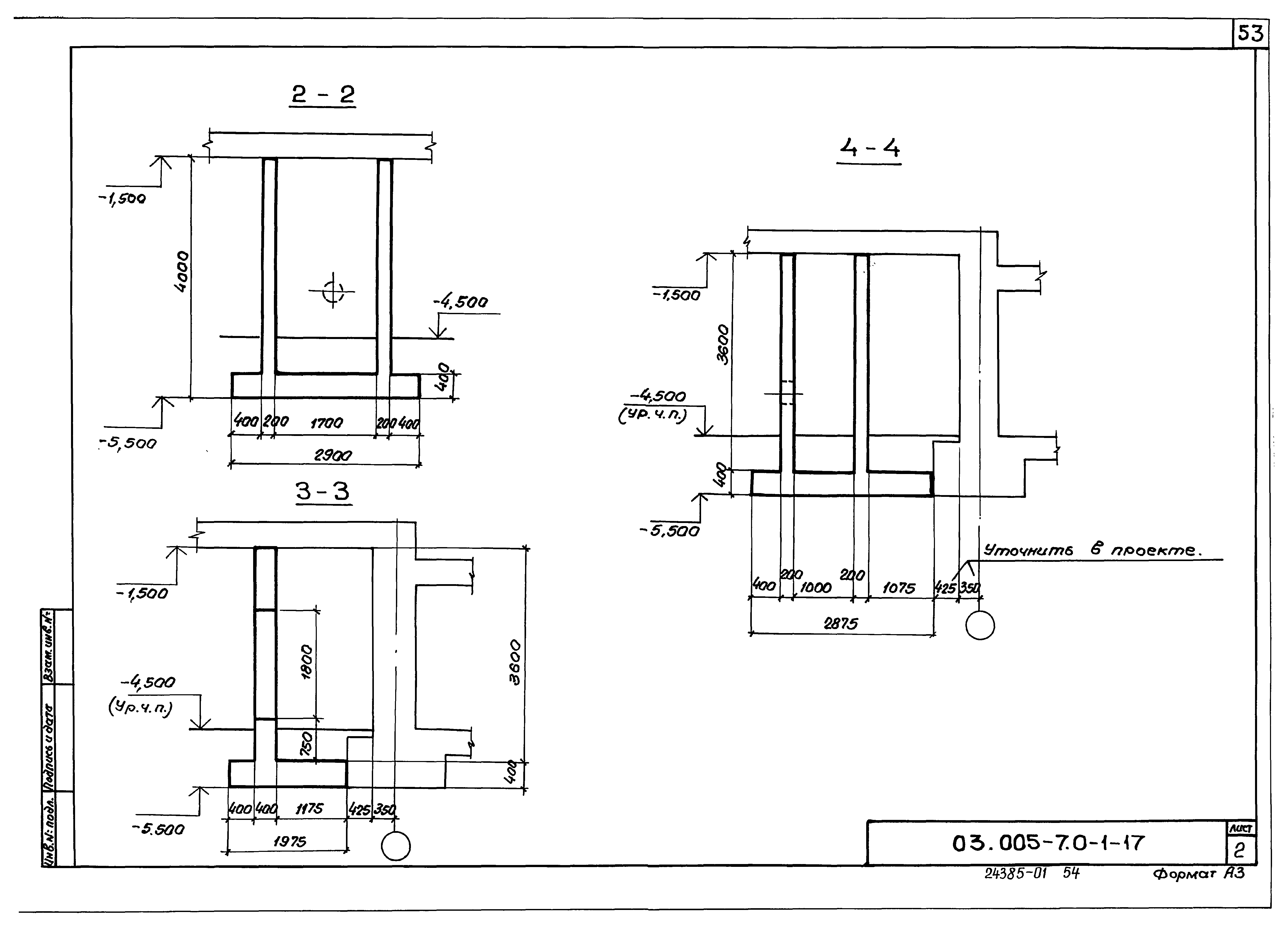
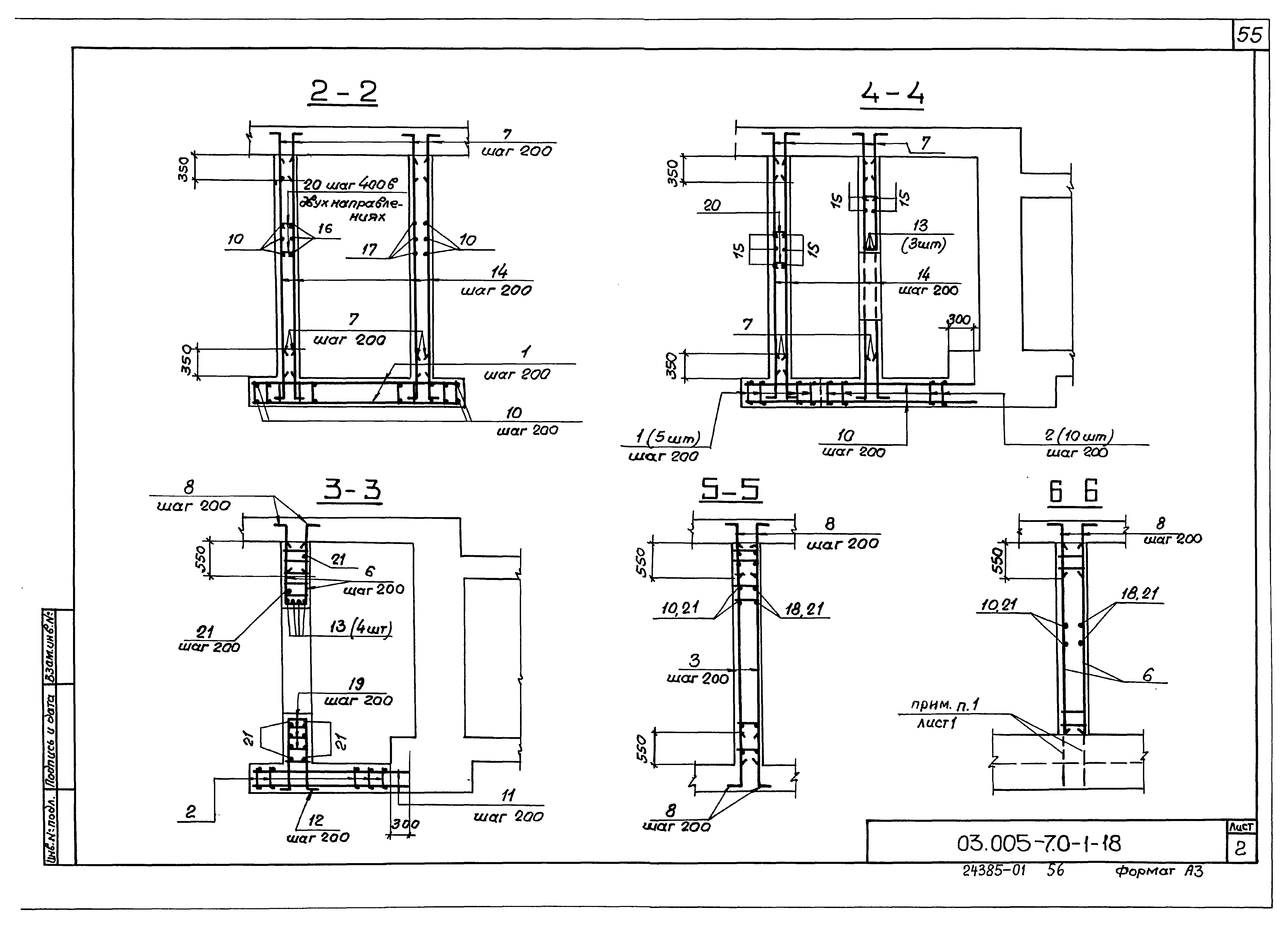
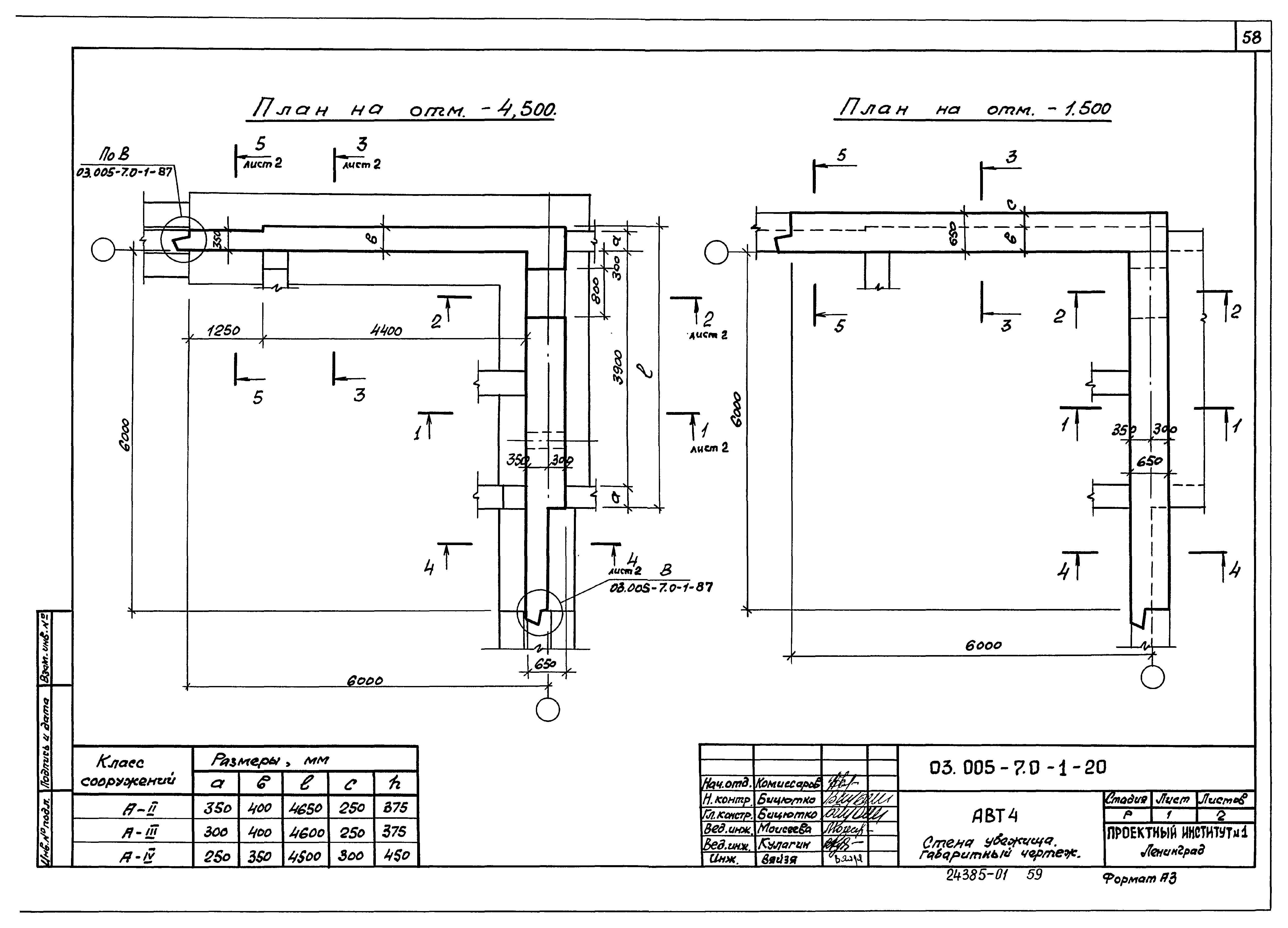
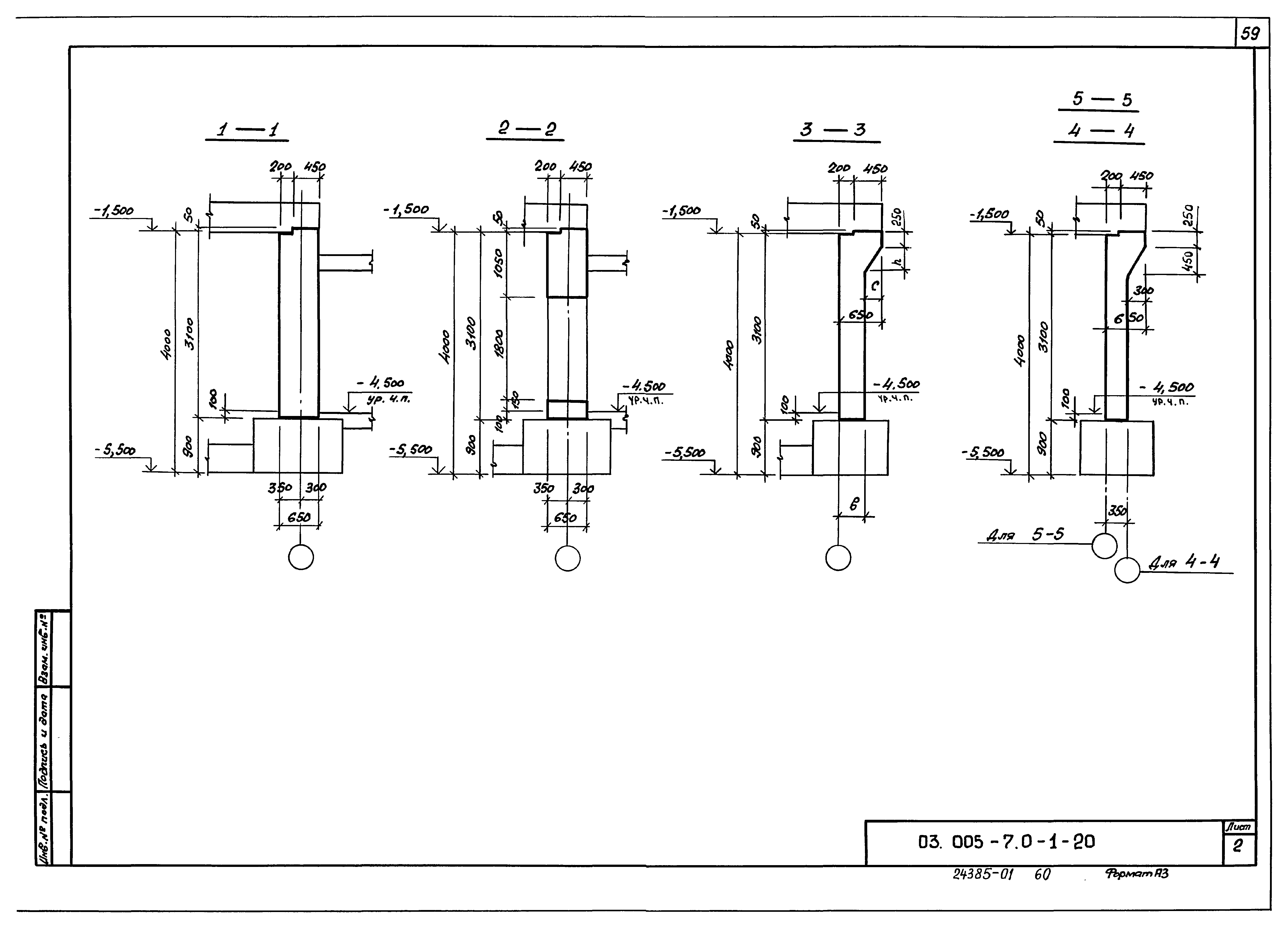
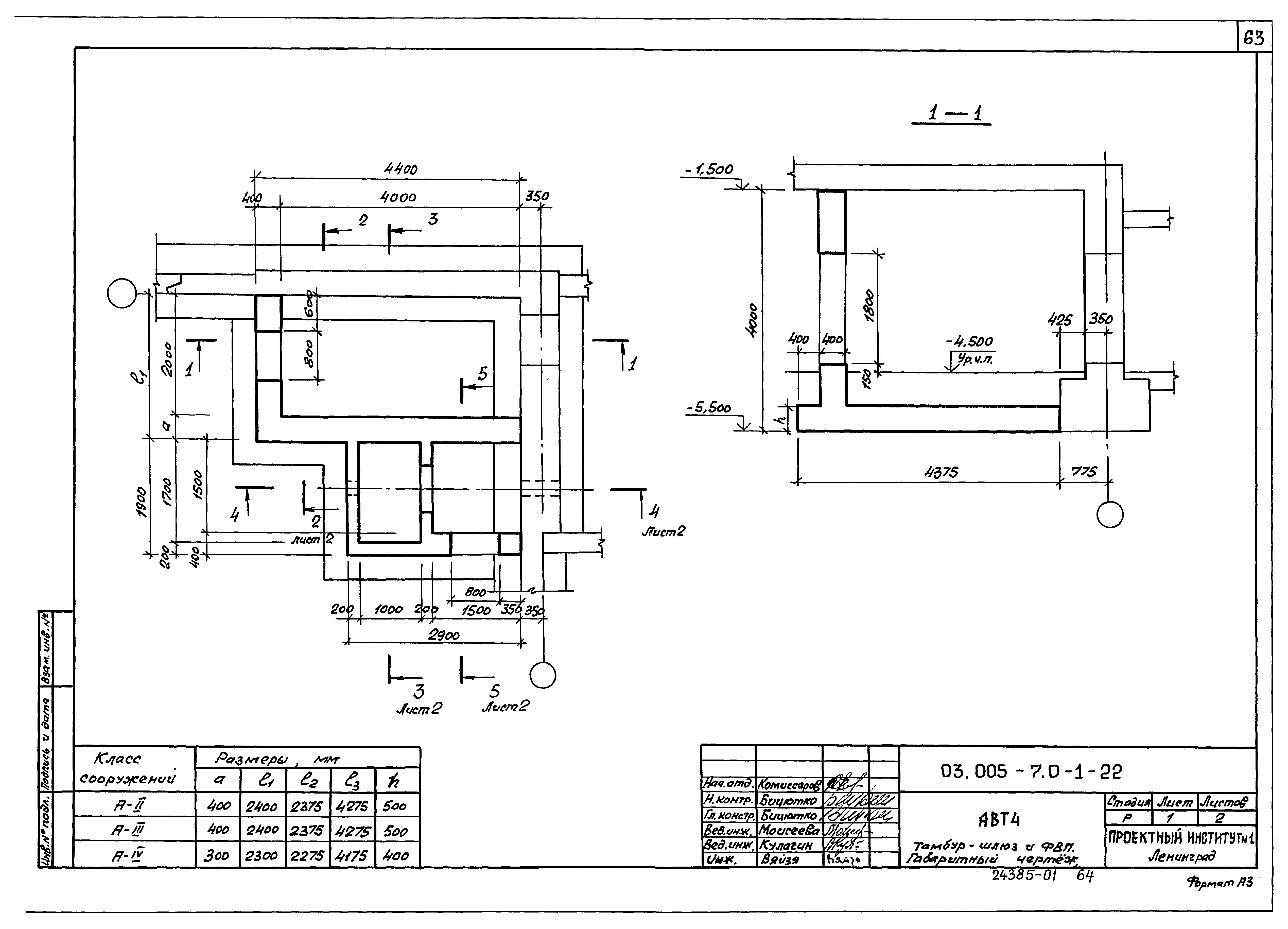
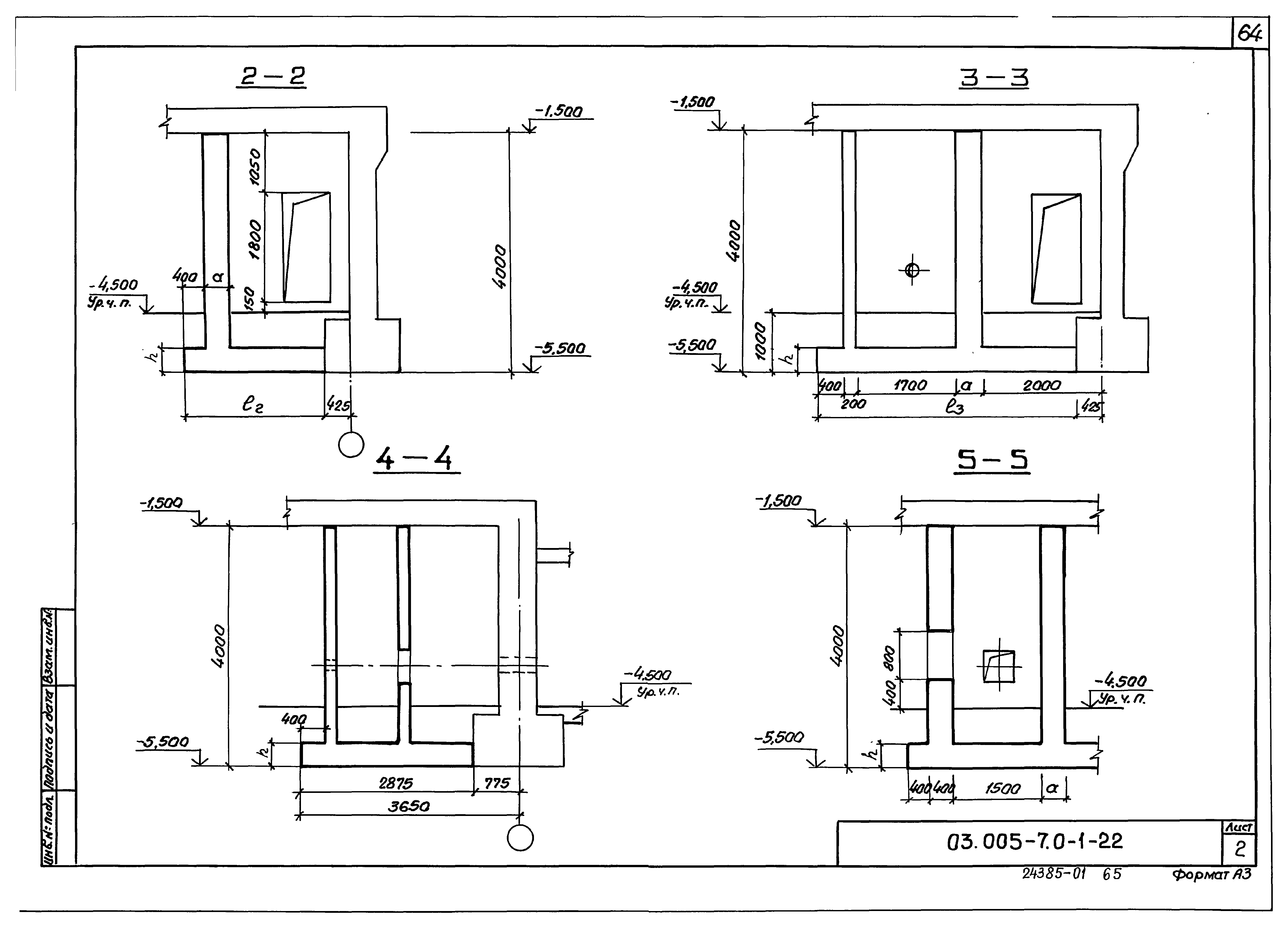
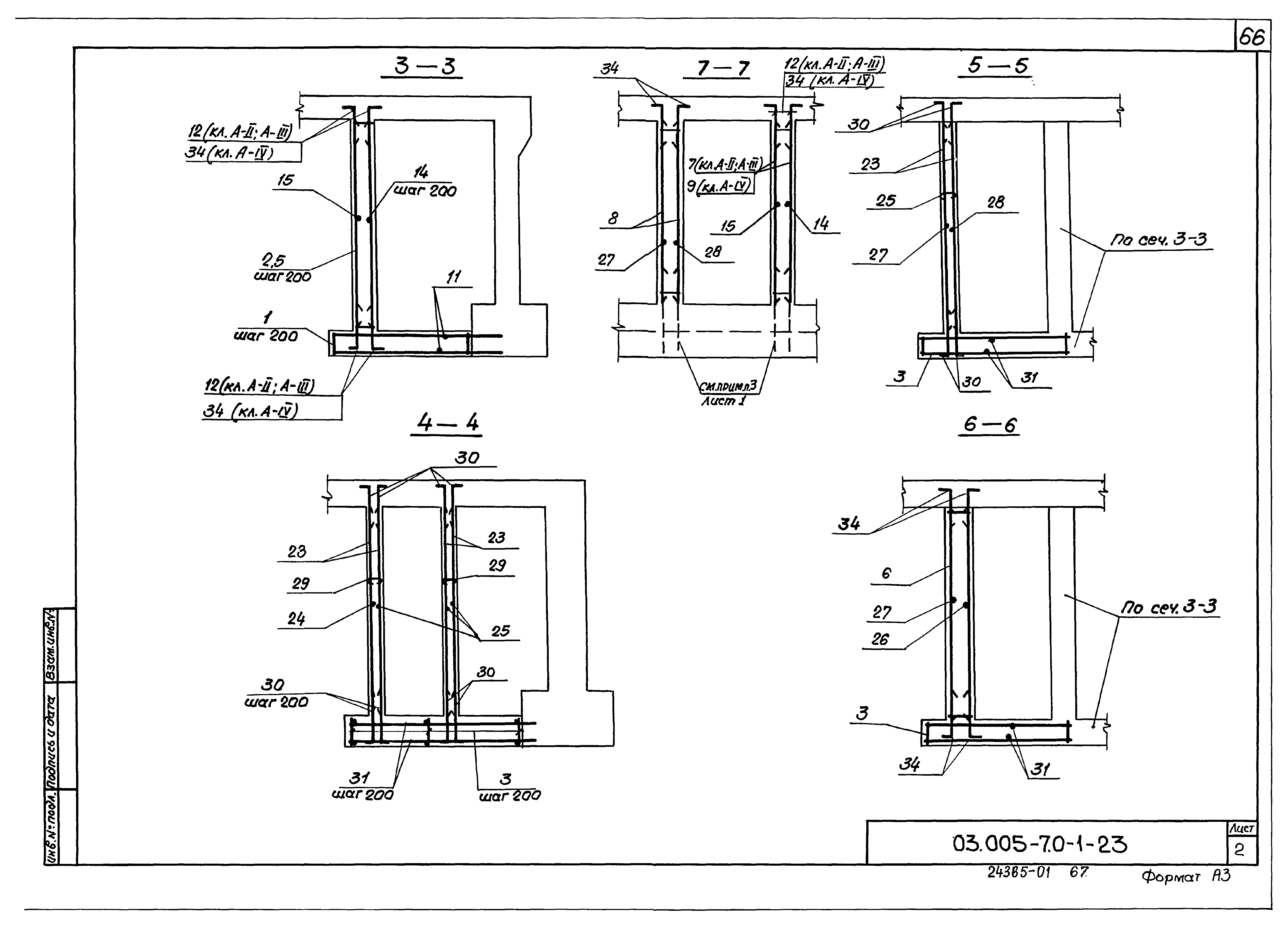
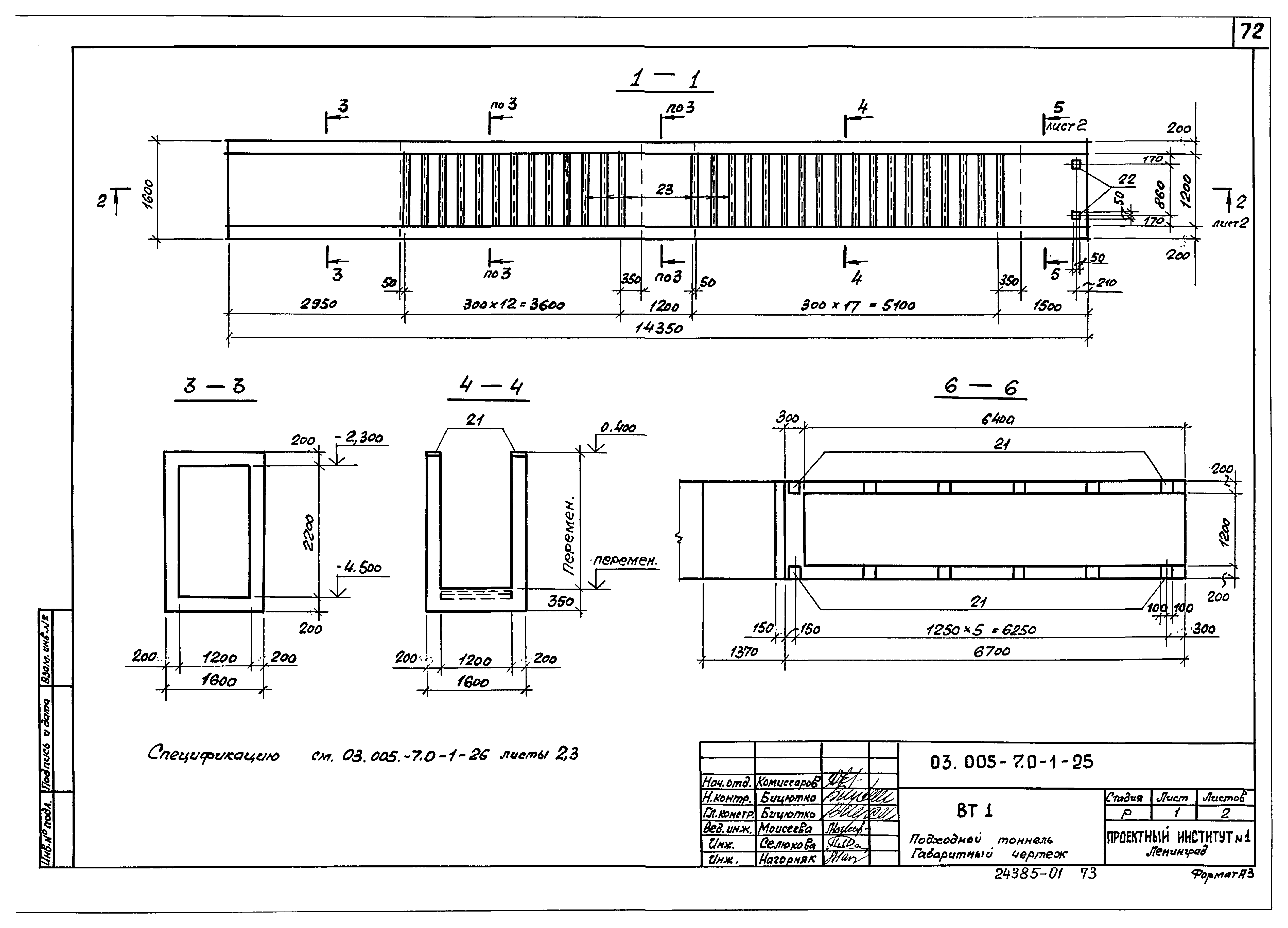
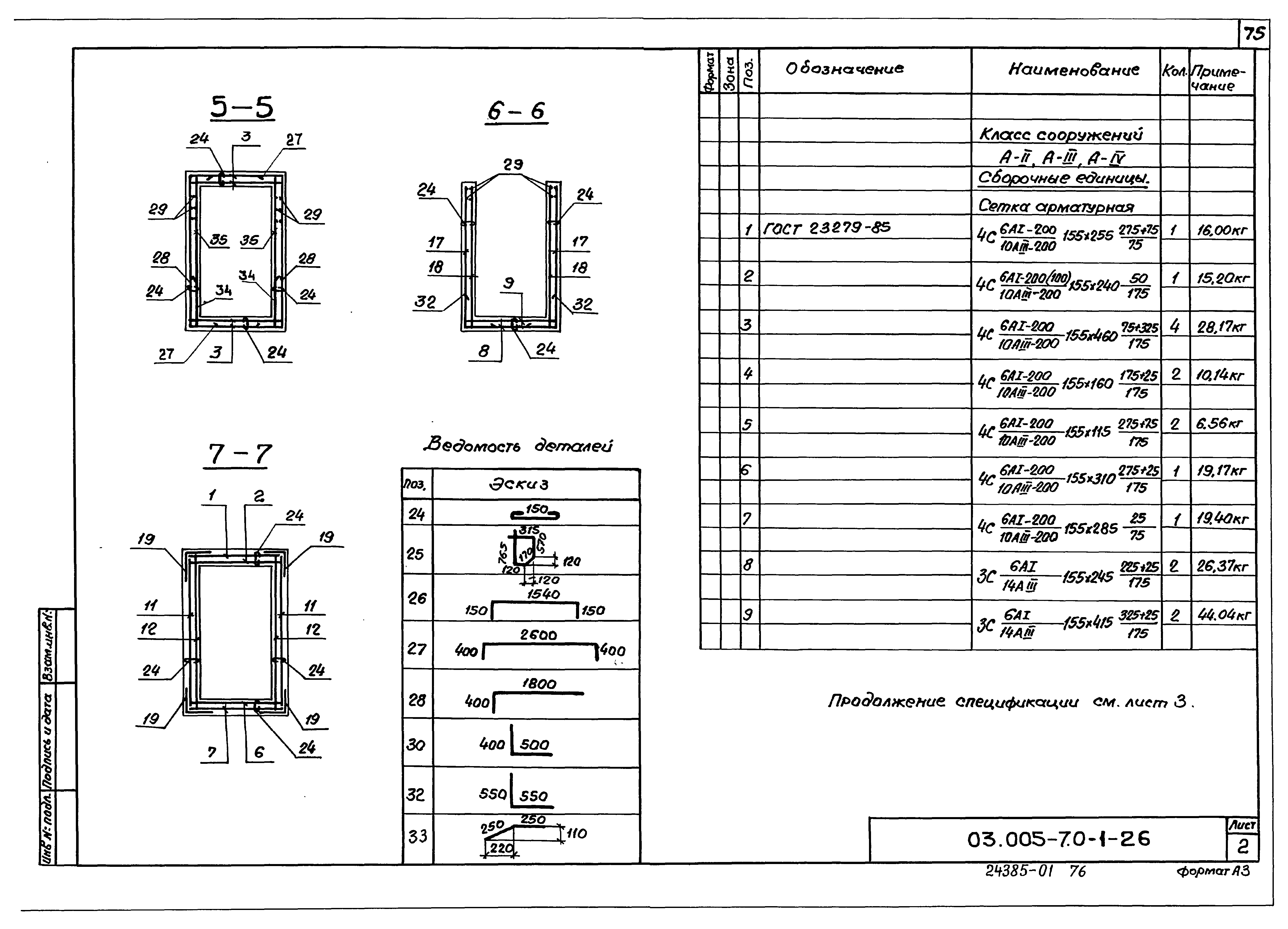
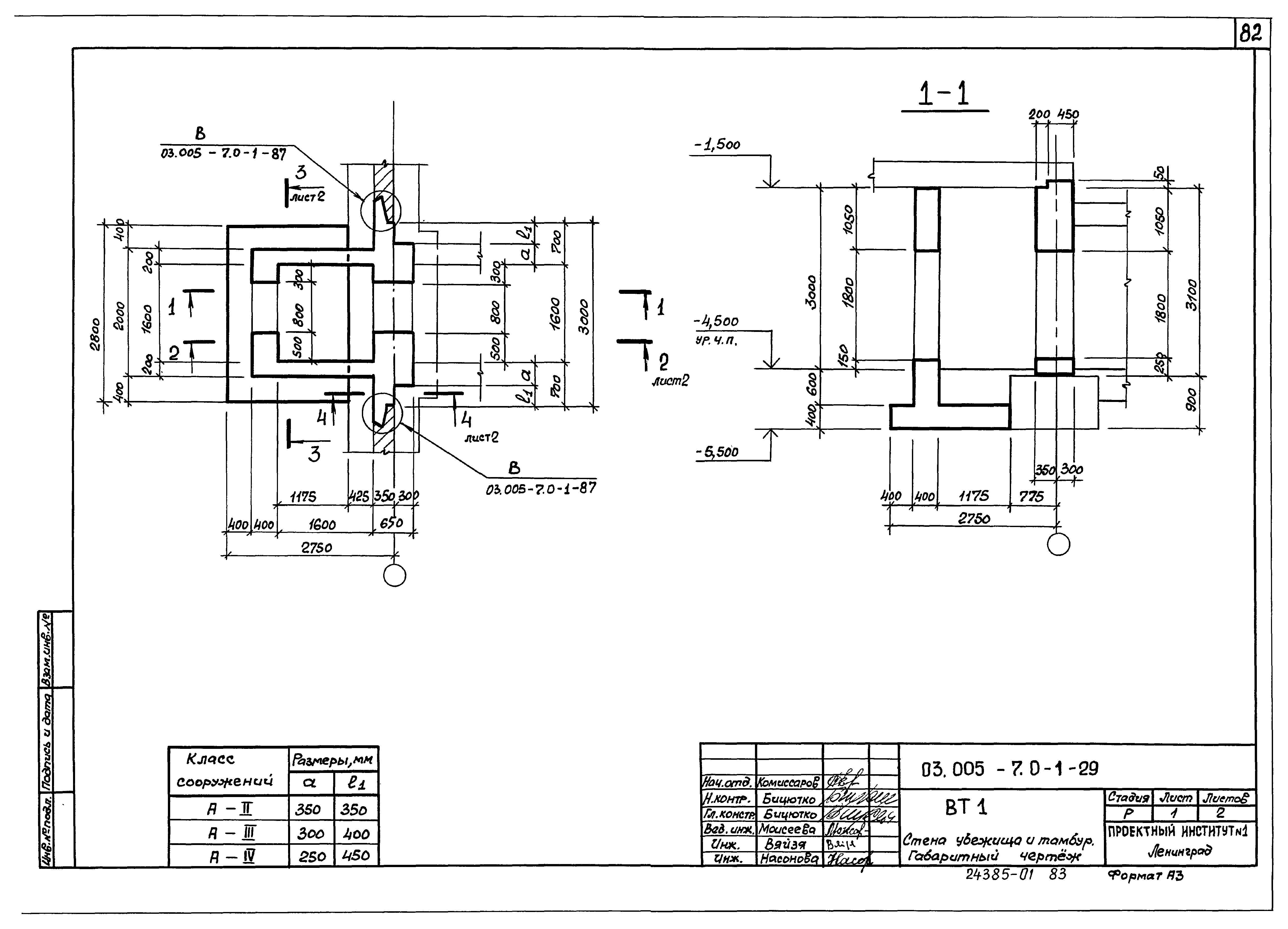
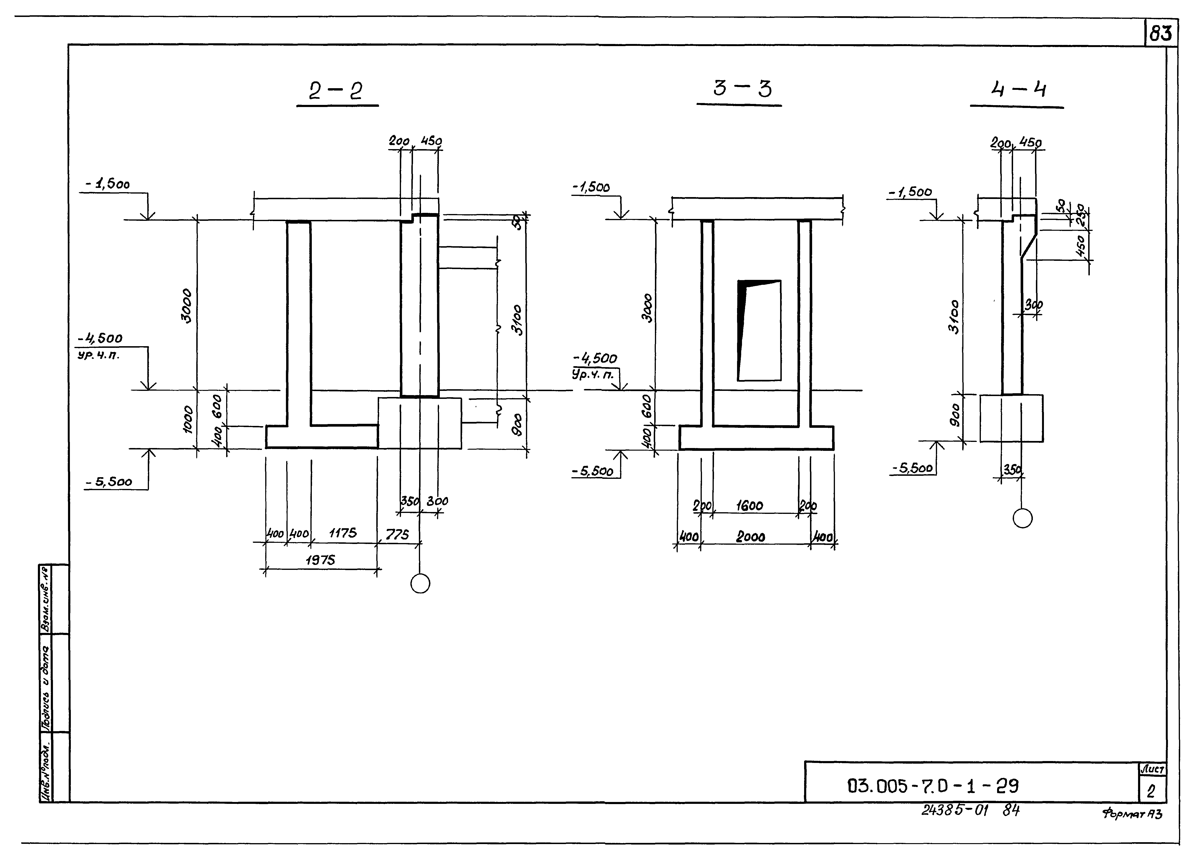
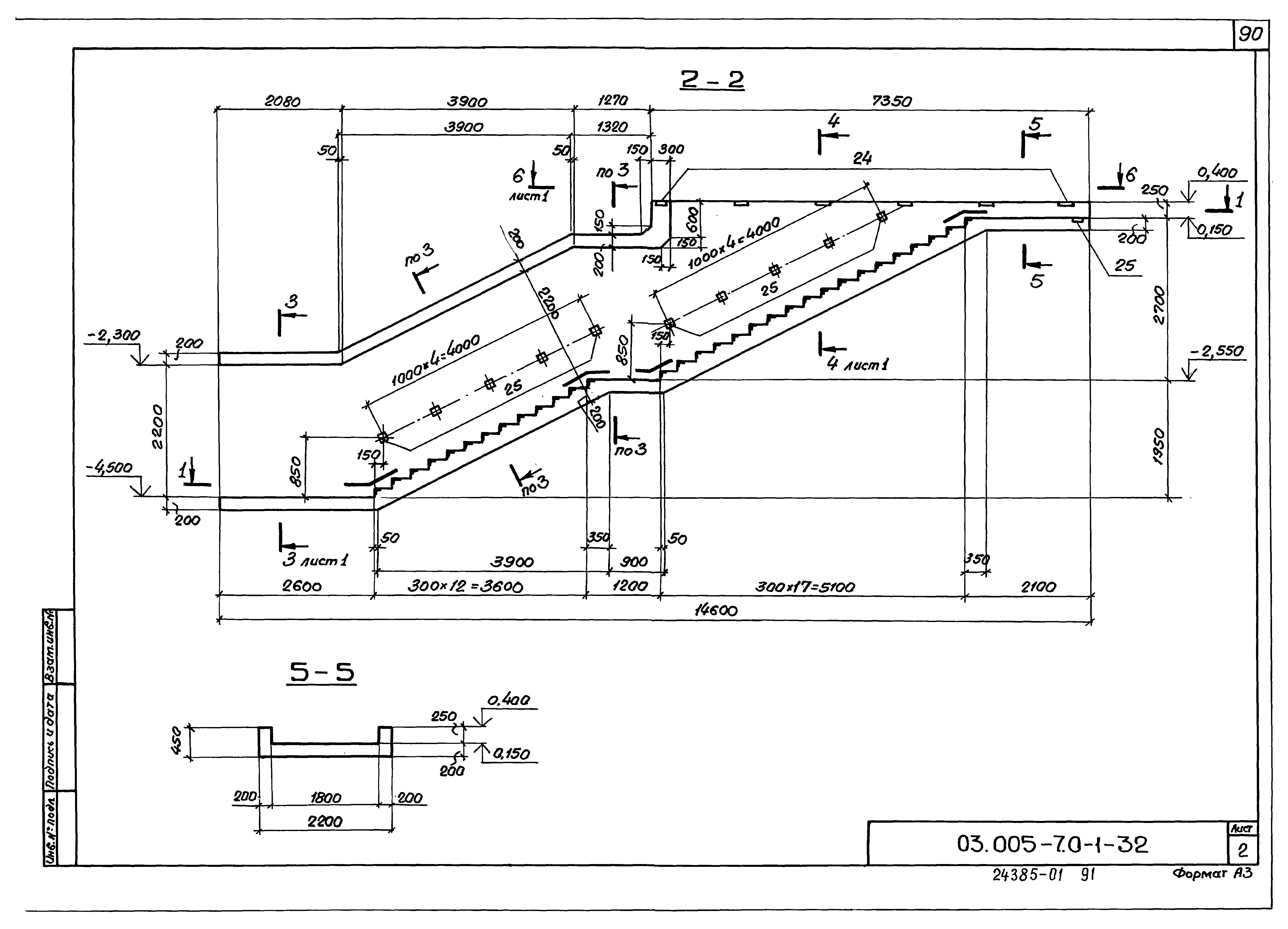
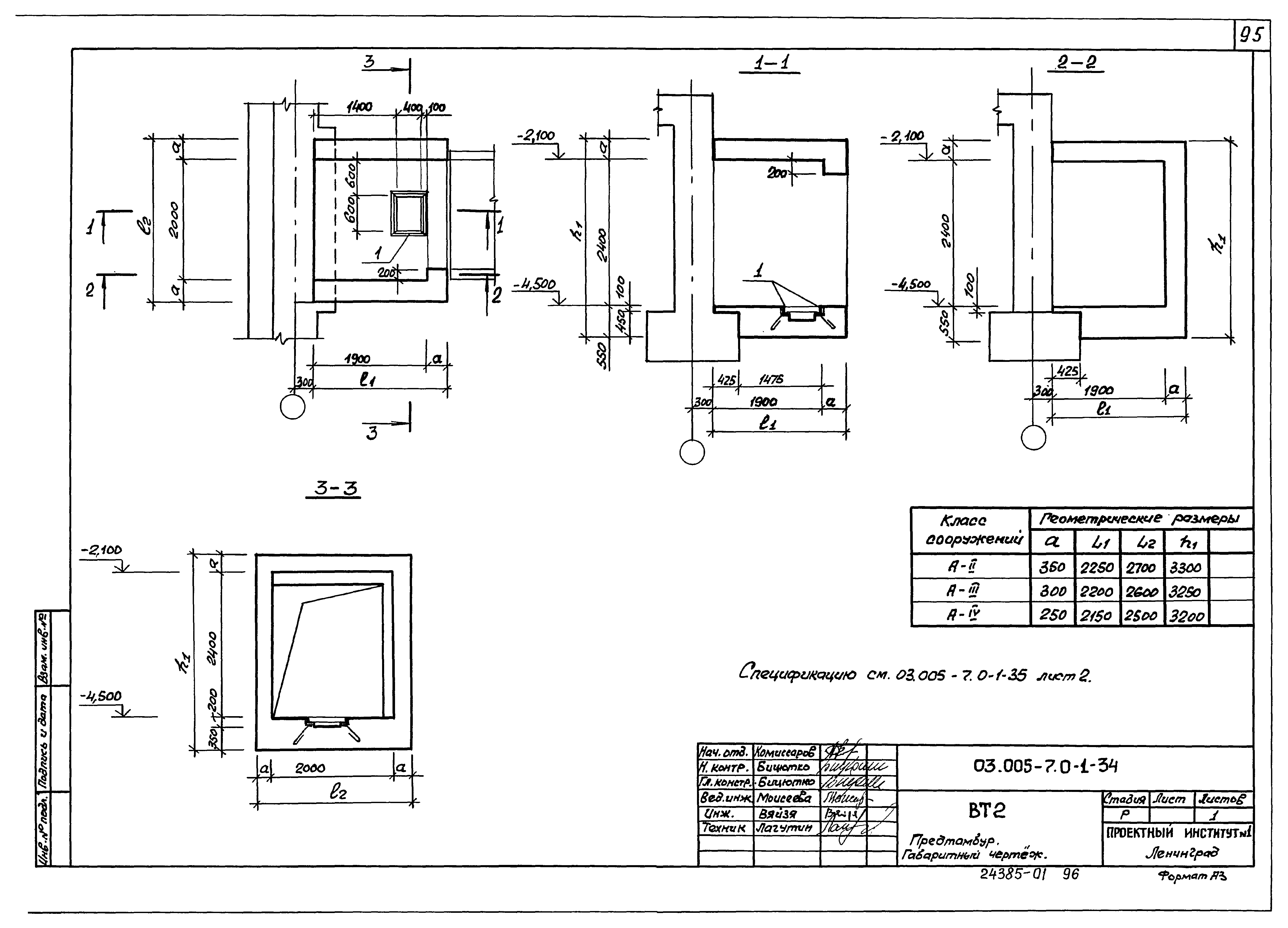
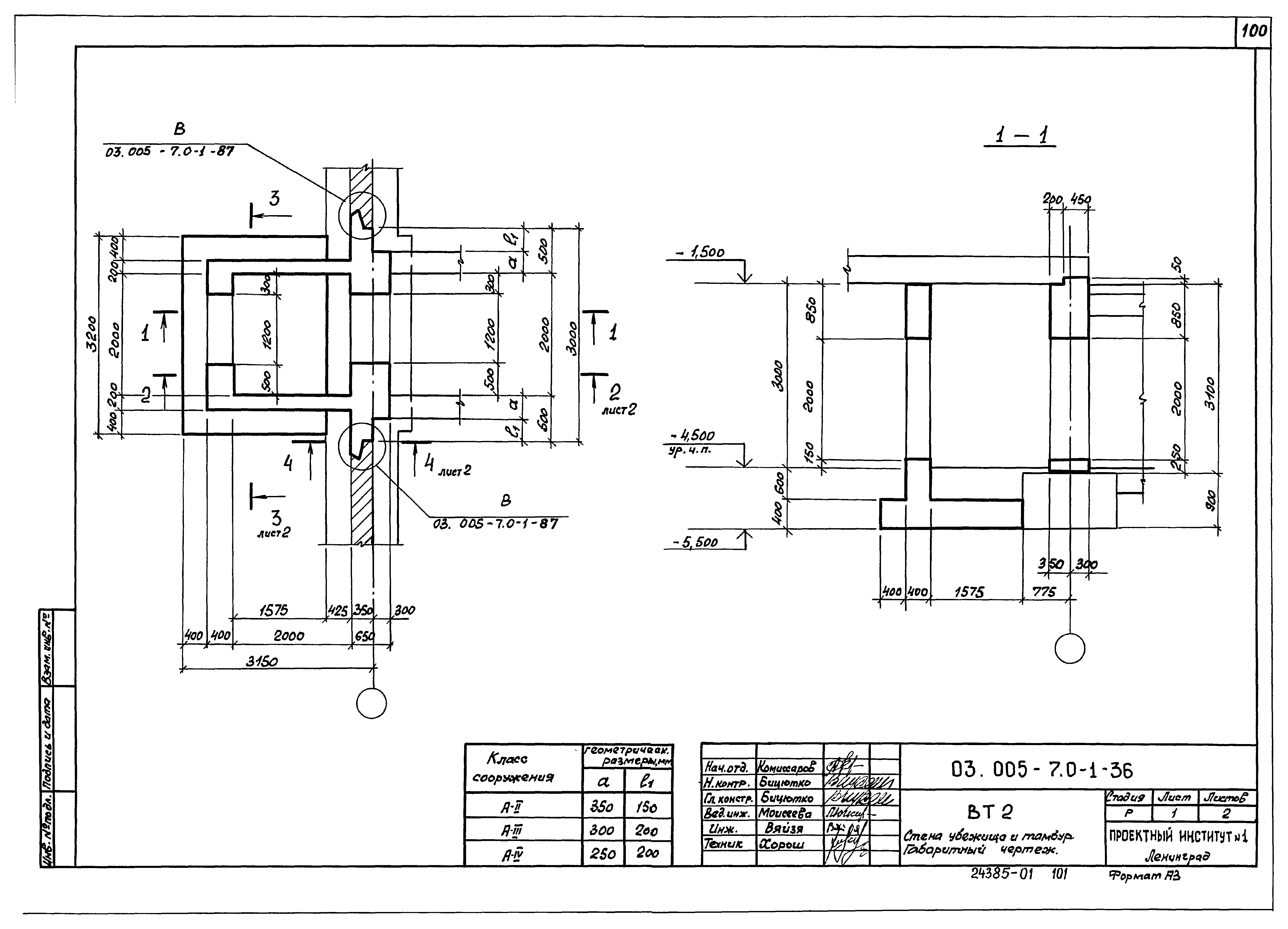
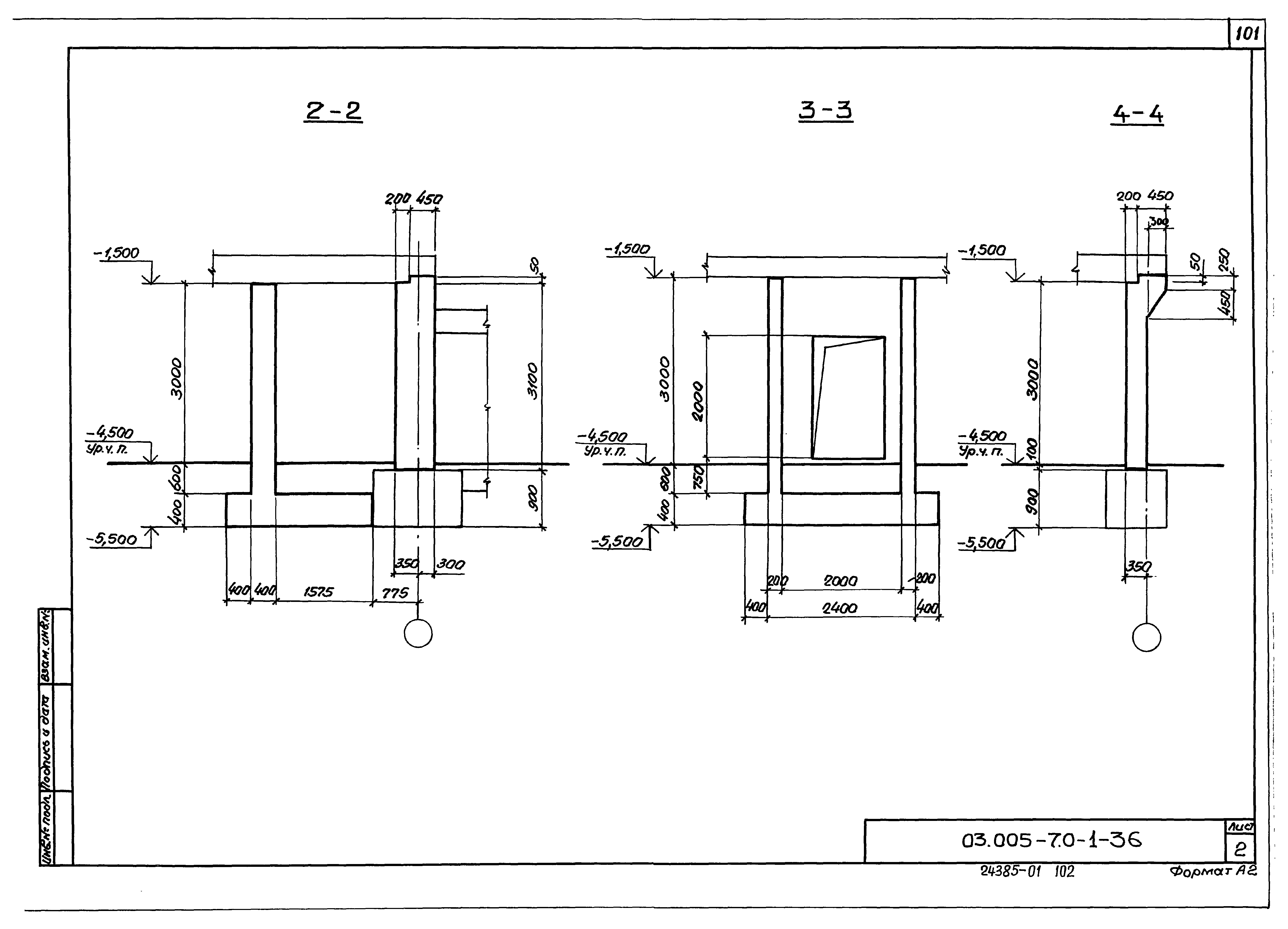
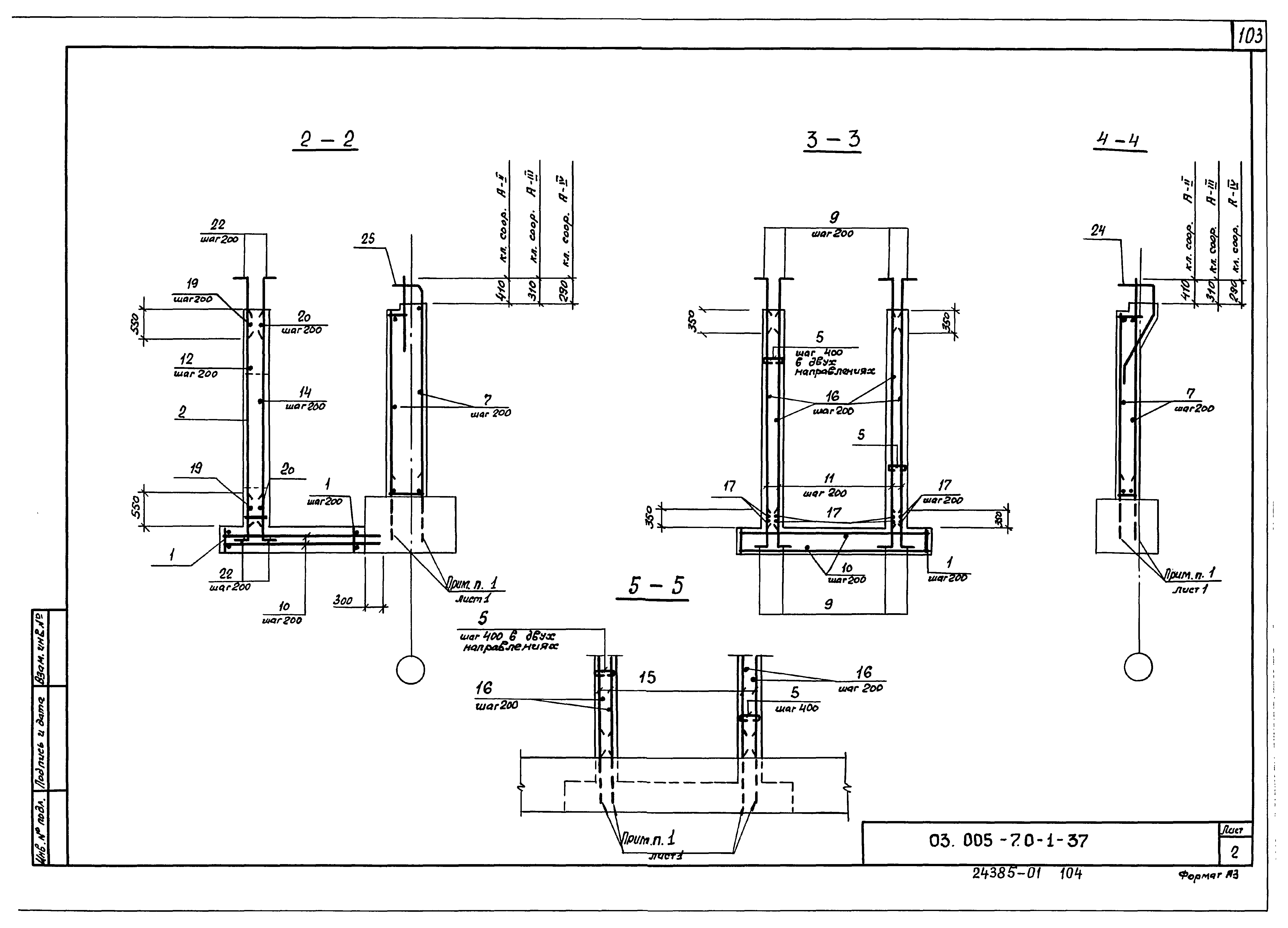
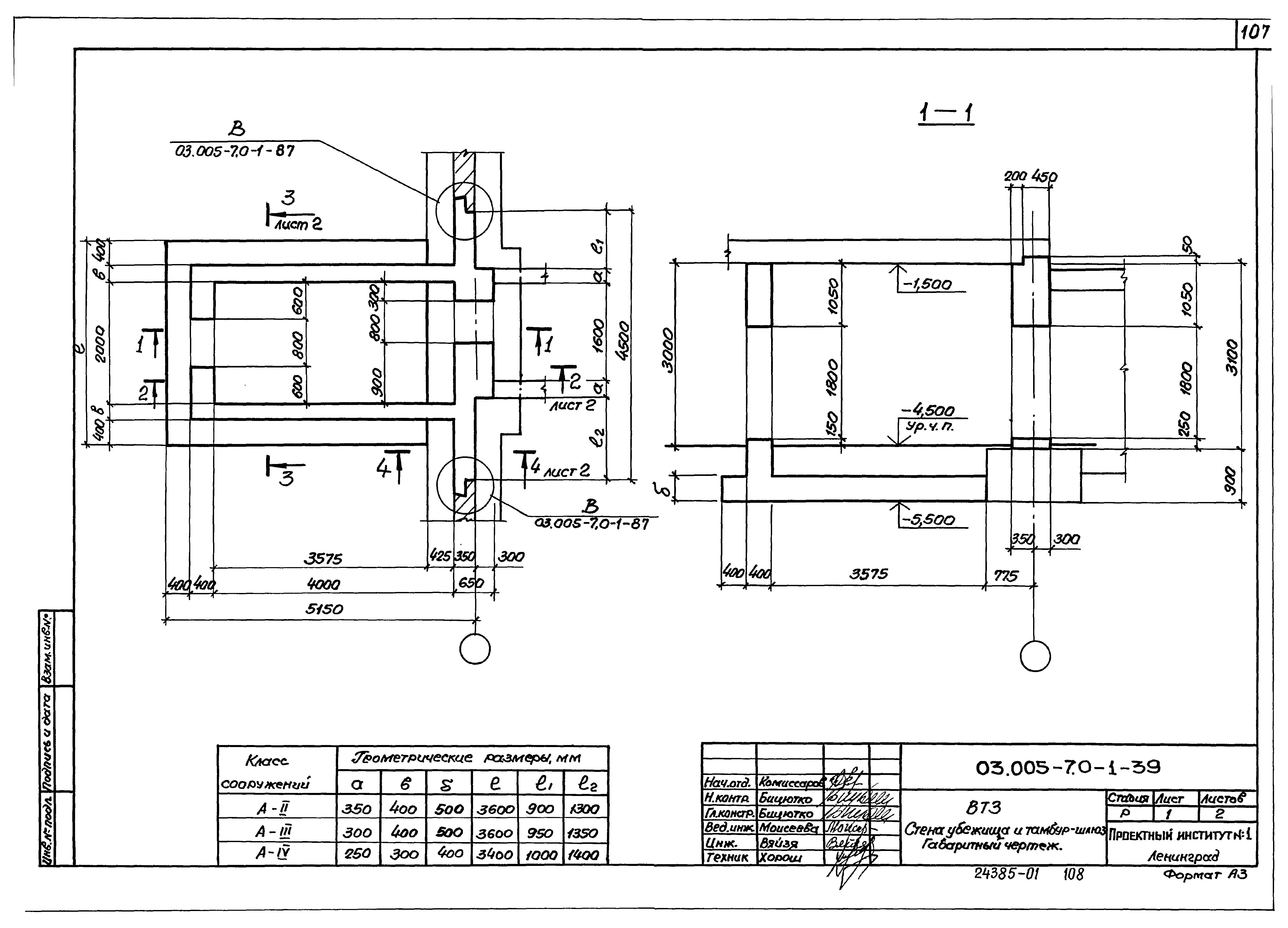
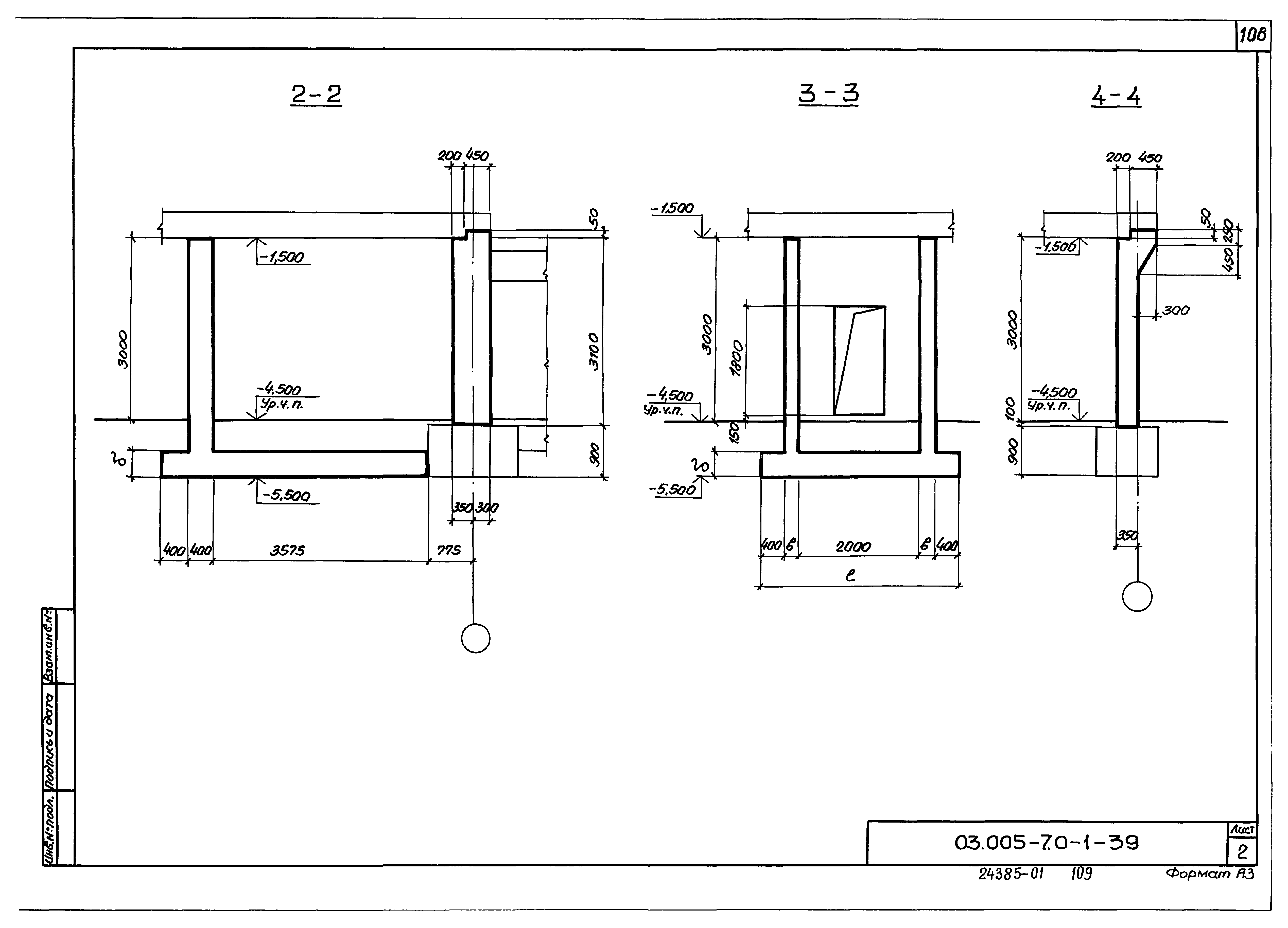
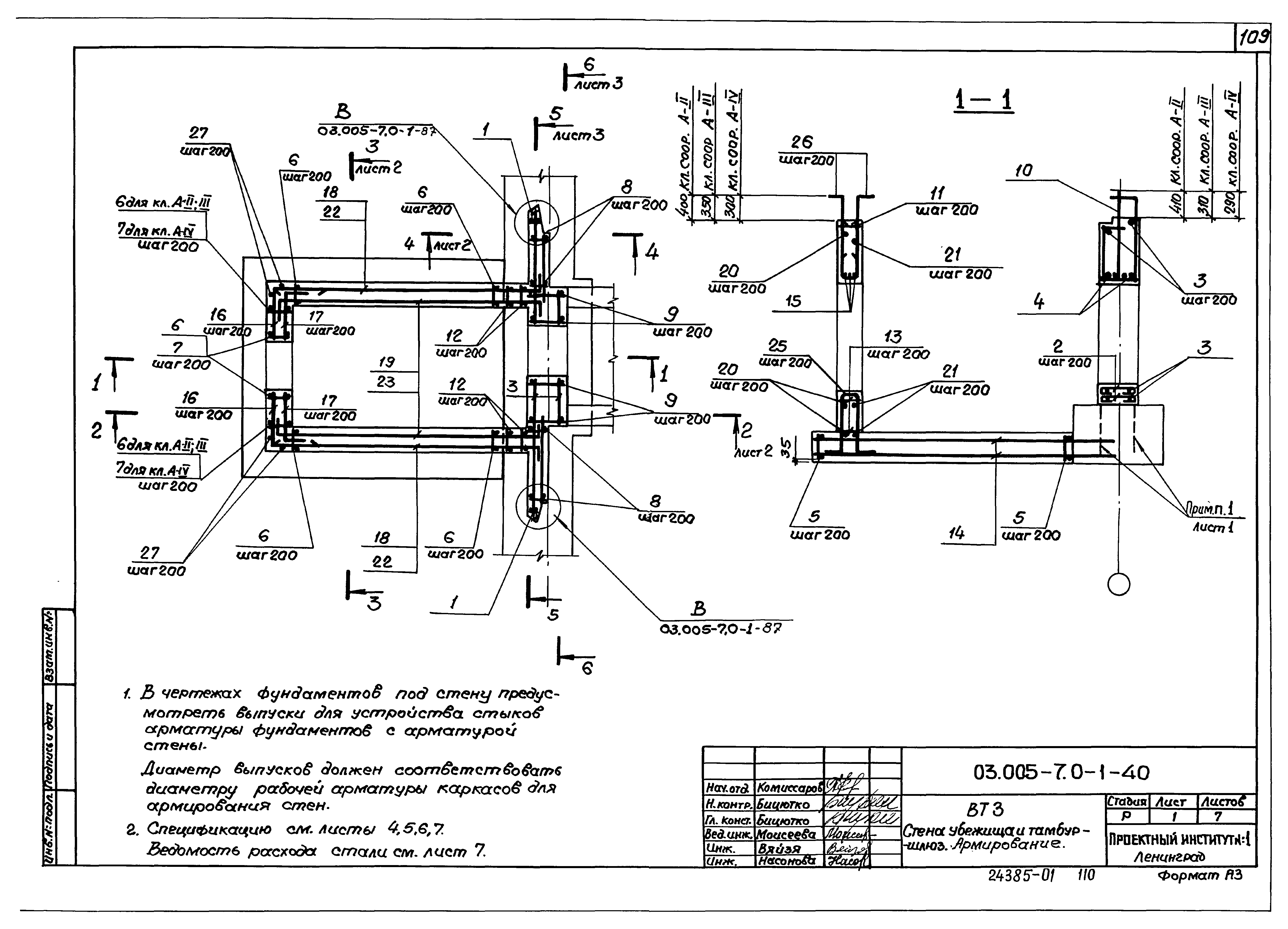
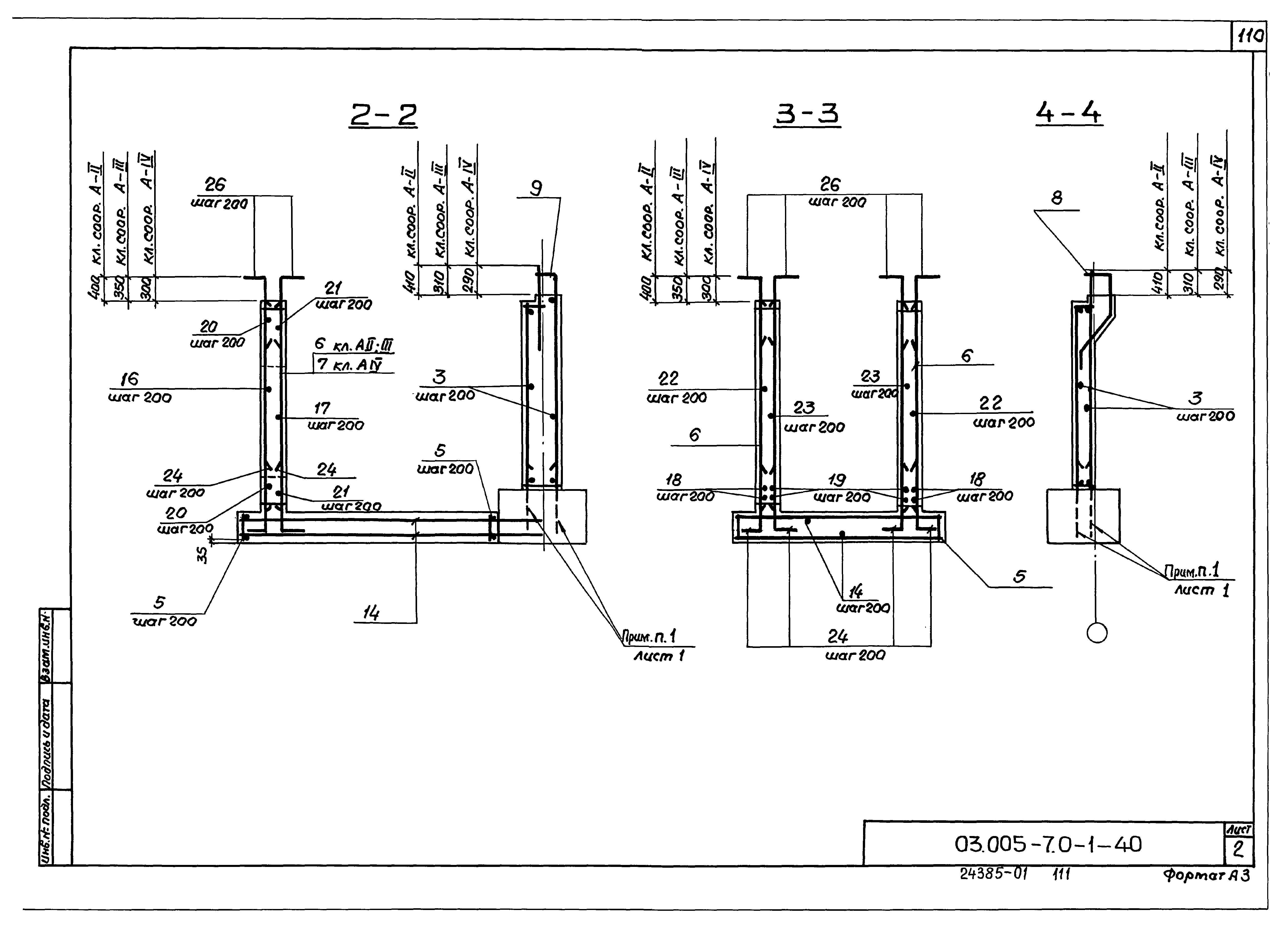
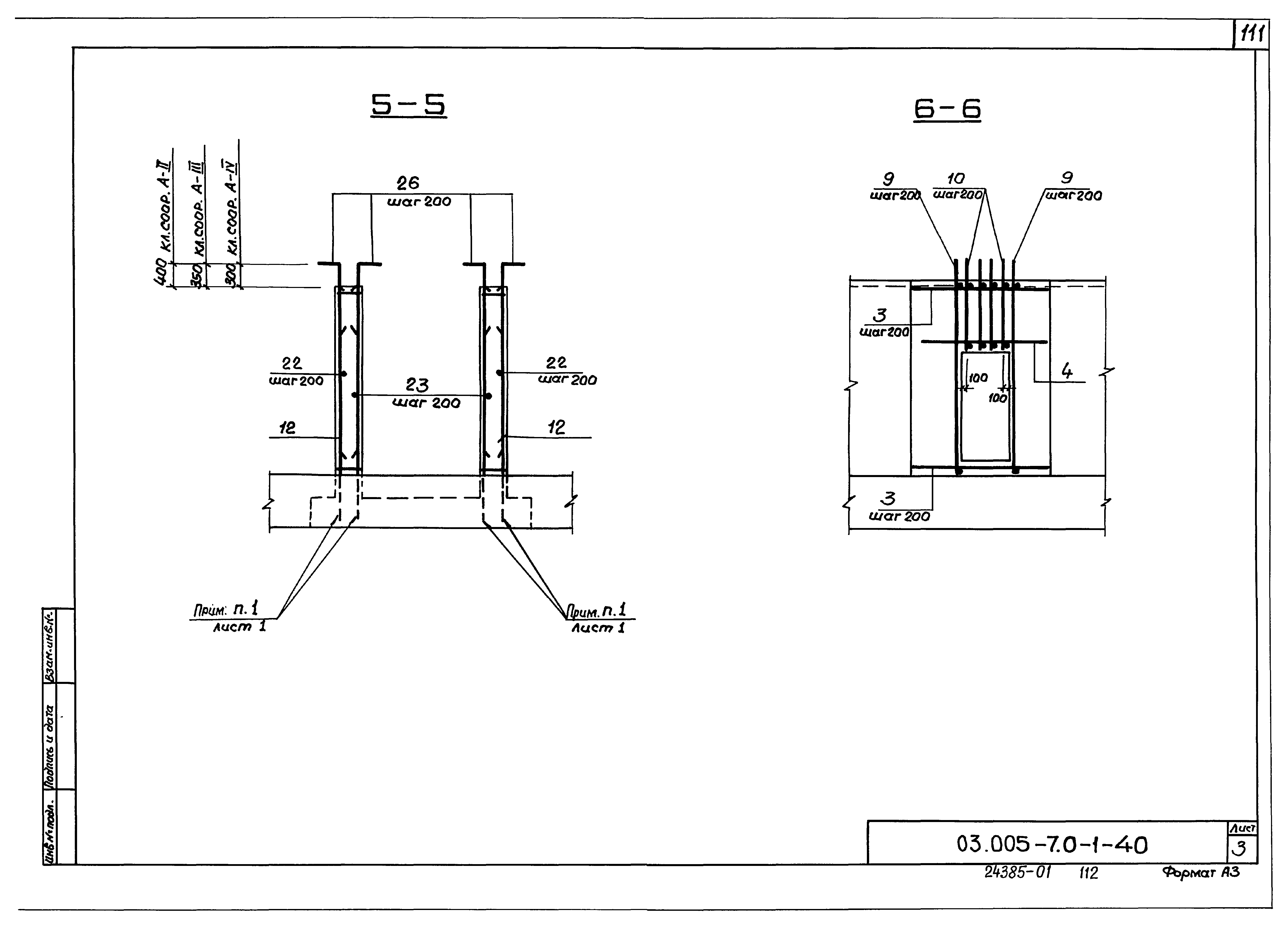
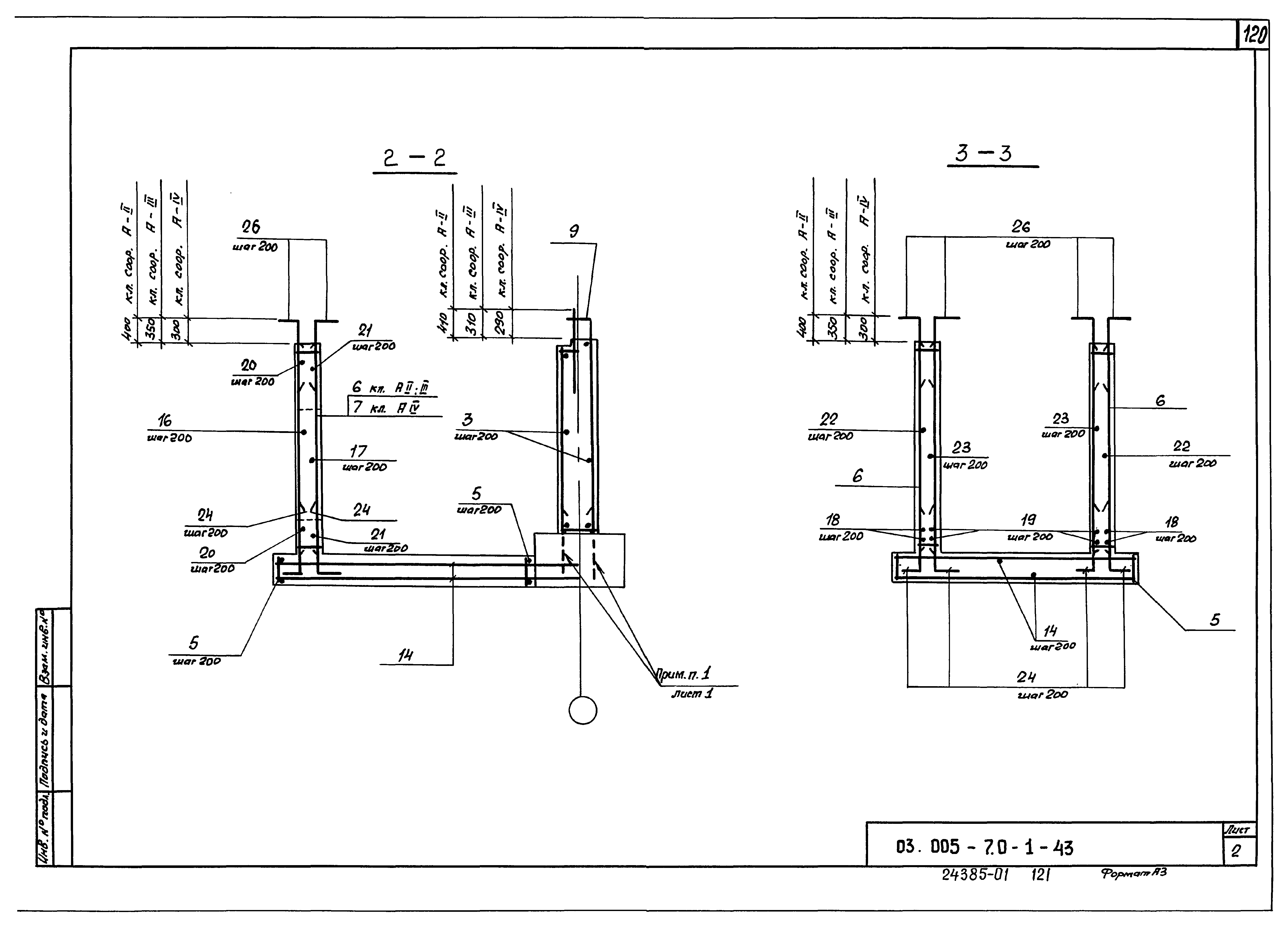
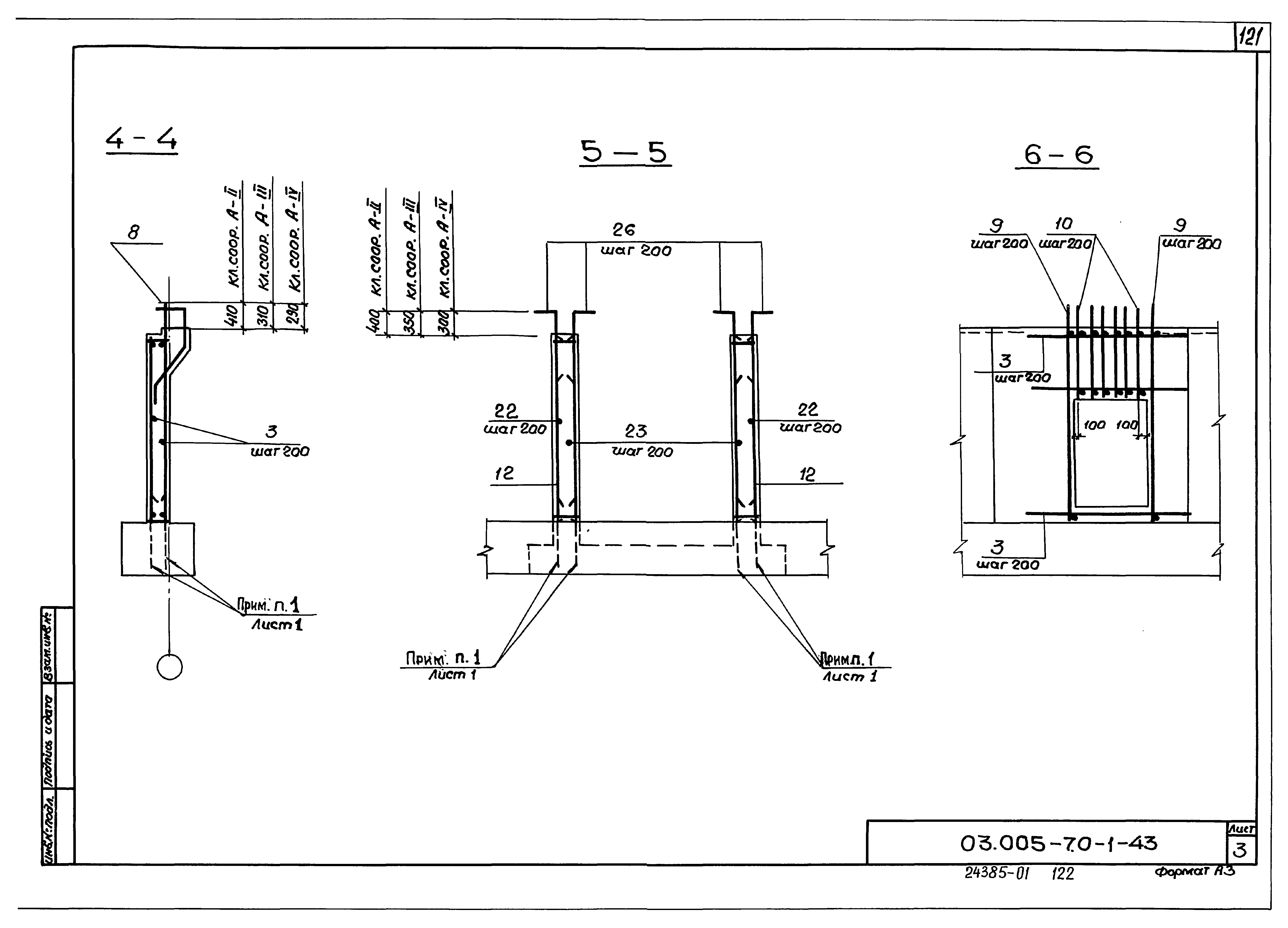
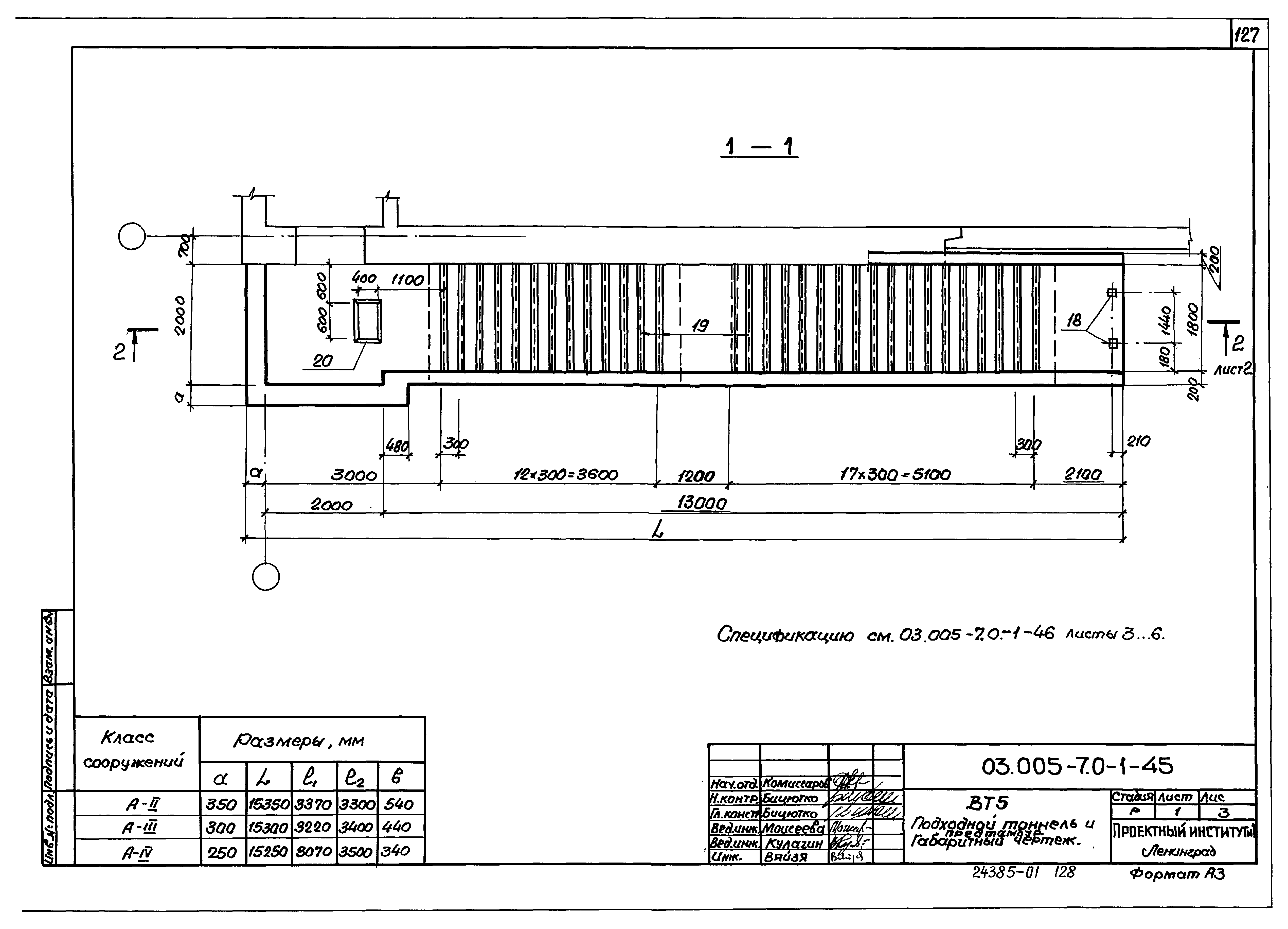
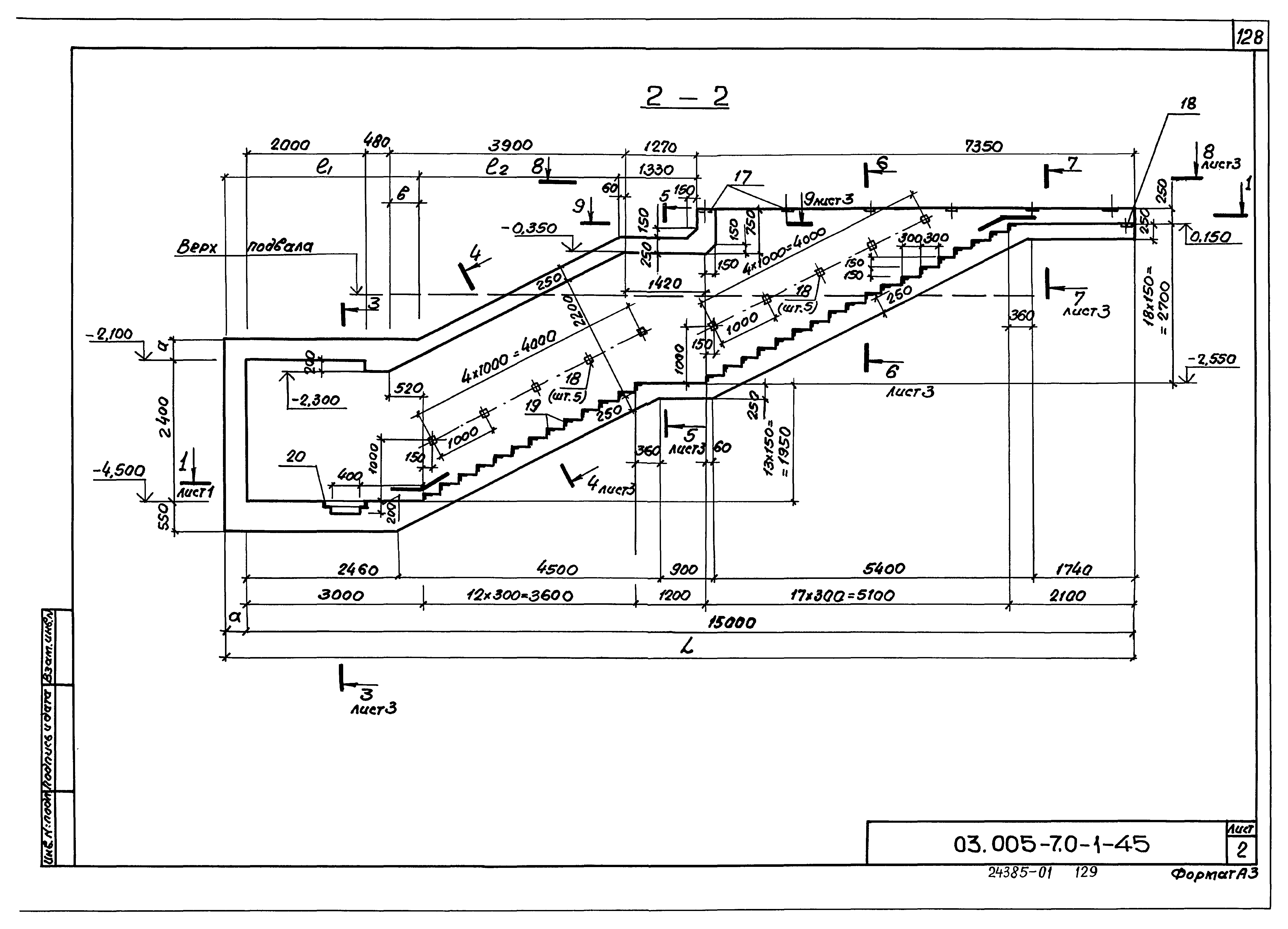
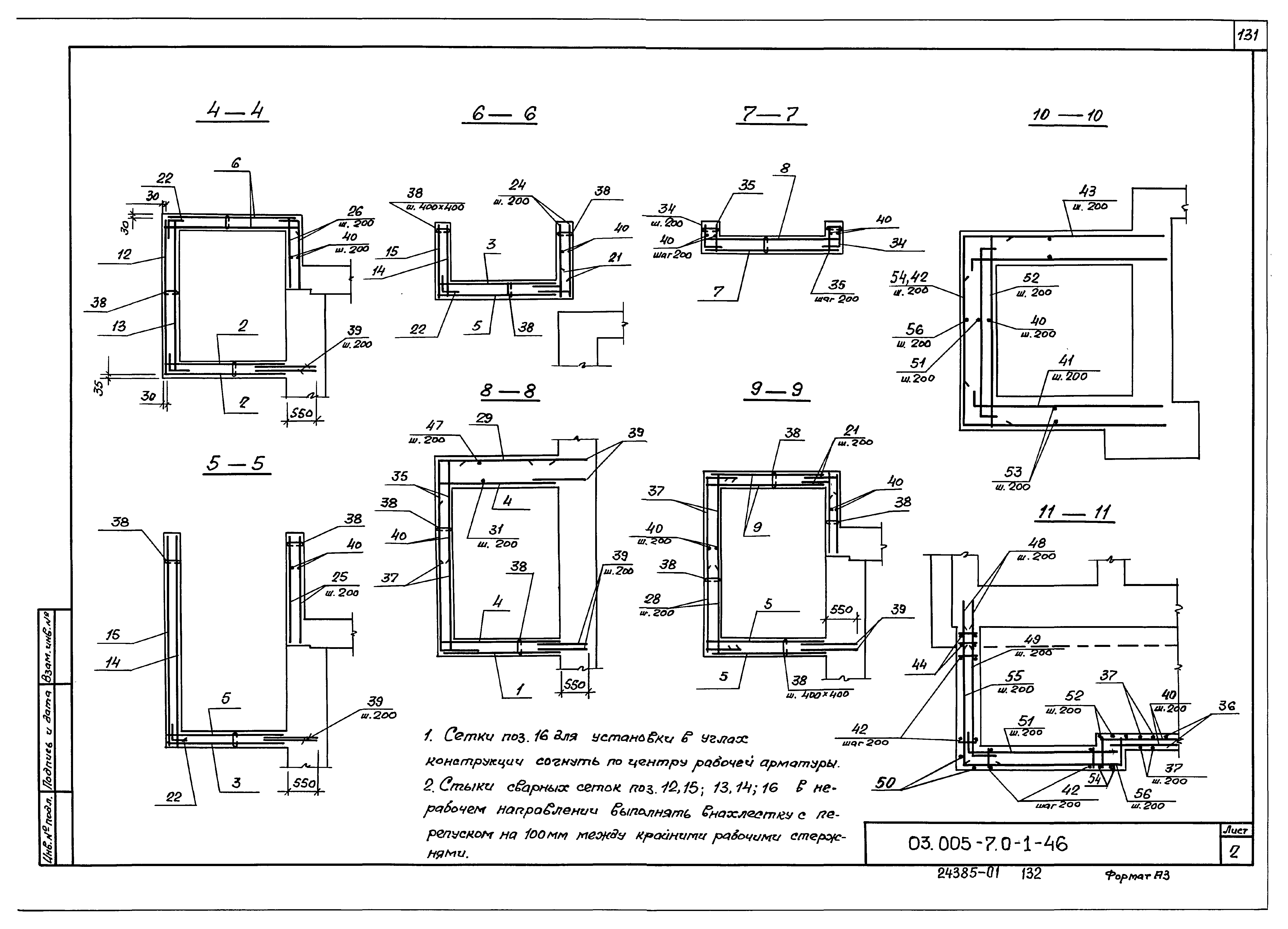
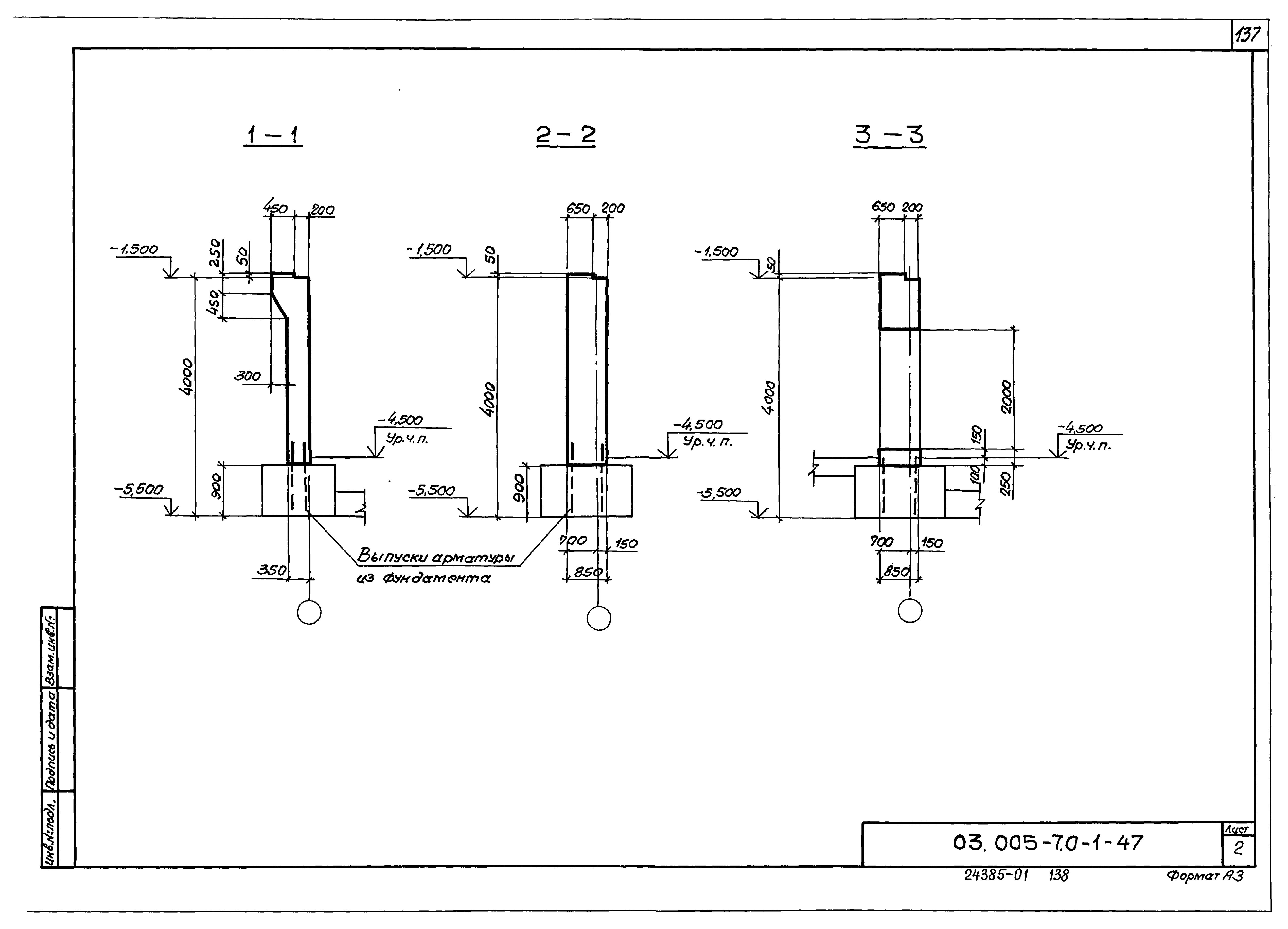
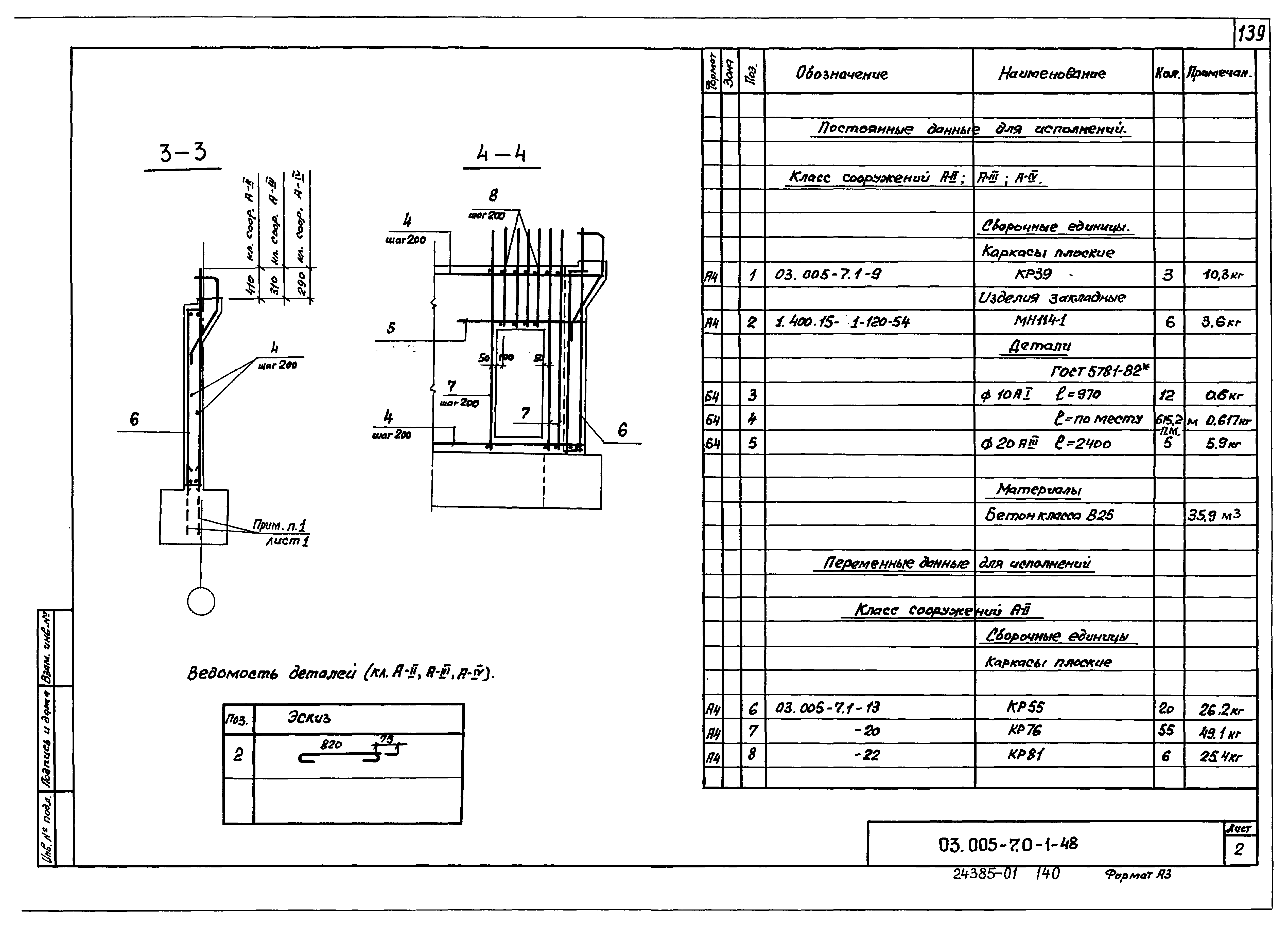
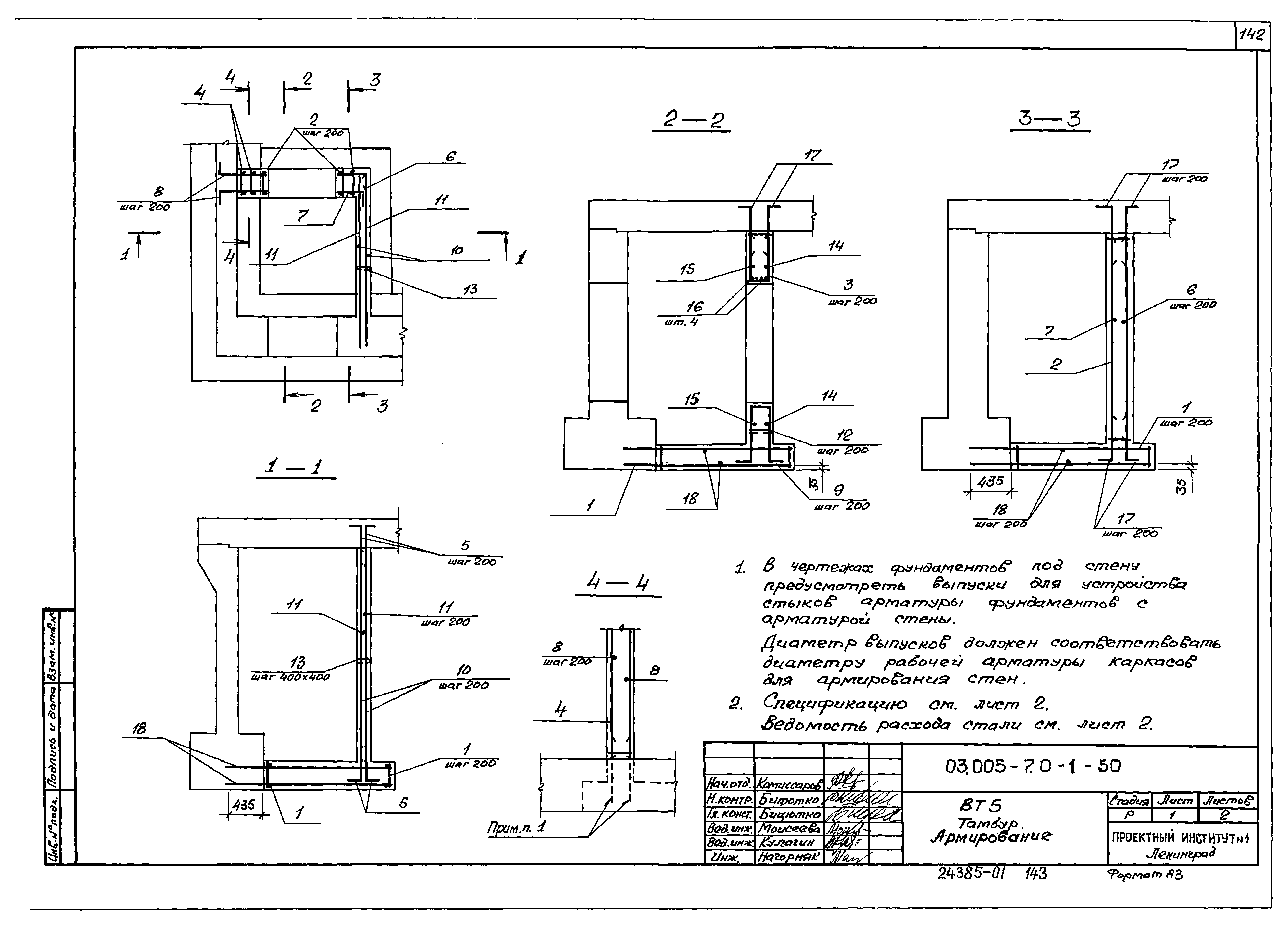
| Оглавление: | 03.005-7.0-1-ПЗ Пояснительная записка 03.005-7.0-1-1 Аварийный выход тупиковый прямой, совмещенный со входом, с тамбуром - АВТ1. Чертеж общего вида 03.005-7.0-1-2 АВТ1. Походной тоннель. Габаритный чертеж 03.005-7.0-1-3 АВТ1. Походной тоннель. Армирование 03.005-7.0-1-4 АВТ1. Предтамбур. Габаритный чертеж 03.005-7.0-1-5 АВТ1. Предтамбур. Сборочный чертеж 03.005-7.0-1-6 АВТ1. Стена убежища. Габаритный чертеж 03.005-7.0-1-7 АВТ1. Стена убежища. Армирование 03.005-7.0-1-8 АВТ1. Тамбур и ФВП. Габаритный чертеж 03.005-7.0-1-9 АВТ1. Тамбур и ФВП. Армирование 03.005-7.0-1-10 Аварийный выход тупиковый прямой, совмещенный со входом, с тамбуром-шлюзом - АВТ2. Чертеж общего вида 03.005-7.0-1-11 АВТ2. Стена убежища. Габаритный чертеж 03.005-7.0-1-12 АВТ2. Тамбур-шлюз и ФВП. Габаритный чертеж 03.005-7.0-1-13 АВТ2. Тамбур-шлюз и ФВП. Армирование 03.005-7.0-1-14 Аварийный выход тупиковый коленчатый, совмещенный со входом, с тамбуром - АВТ3. Чертеж общего вида 03.005-7.0-1-15 АВТ3. Походной тоннель. Габаритный чертеж 03.005-7.0-1-16 АВТ3. Походной тоннель. Армирование 03.005-7.0-1-17 АВТ3. Тамбур и ФВП. Габаритный чертеж 03.005-7.0-1-18 АВТ3. Тамбур и ФВП. Армирование 03.005-7.0-1-19 Аварийный выход тупиковый коленчатый, совмещенный со входом, с тамбуром-шлюзом - АВТ4. Чертеж общего вида 03.005-7.0-1-20 АВТ4. Стена убежища. Габаритный чертеж 03.005-7.0-1-21 АВТ4. Стена убежища. Армирование 03.005-7.0-1-22 АВТ4. Тамбур-шлюз и ФВП. Габаритный чертеж 03.005-7.0-1-23 АВТ4. Тамбур-шлюз и ФВП. Армирование 03.005-7.0-1-24 Вход тупиковый прямой с тамбуром при ширине дверного проема 0,8 м - ВТ1. Чертеж общего вида 03.005-7.0-1-25 ВТ1. Походной тоннель. Габаритный чертеж 03.005-7.0-1-26 ВТ1. Походной тоннель. Армирование 03.005-7.0-1-27 ВТ1. Предтамбур. Габаритный чертеж 03.005-7.0-1-28 ВТ1. Предтамбур. Армирование 03.005-7.0-1-29 ВТ1. Стена убежища и тамбур. Габаритный чертеж 03.005-7.0-1-30 ВТ1. Стена убежища и тамбур. Армирование 03.005-7.0-1-31 Вход тупиковый прямой с тамбуром при ширине дверного проема 1,2 м - ВТ2. Чертеж общего вида 03.005-7.0-1-32 ВТ2. Походной тоннель. Габаритный чертеж 03.005-7.0-1-33 ВТ2. Походной тоннель. Армирование 03.005-7.0-1-34 ВТ2. Предтамбур. Габаритный чертеж 03.005-7.0-1-35 ВТ2. Предтамбур. Армирование 03.005-7.0-1-36 ВТ2. Стена убежища и тамбур. Габаритный чертеж 03.005-7.0-1-37 ВТ2. Стена убежища и тамбур. Армирование 03.005-7.0-1-38 Вход тупиковый прямой с тамбуром-шлюзом при ширине дверного проема 0,8 м - ВТ3. Чертеж общего вида 03.005-7.0-1-39 ВТ3. Стена убежища и тамбур-шлюз. Габаритный чертеж 03.005-7.0-1-40 ВТ3. Стена убежища и тамбур-шлюз. Армирование 03.005-7.0-1-41 Вход тупиковый прямой с тамбуром-шлюзом при ширине дверного проема 1,2 м - ВТ4. Чертеж общего вида 03.005-7.0-1-42 ВТ4. Стена убежища и тамбур-шлюз. Габаритный чертеж 03.005-7.0-1-43 ВТ4. Стена убежища и тамбур-шлюз. Армирование 03.005-7.0-1-44 Вход тупиковый пристенный с тамбуром - ВТ5. Чертеж общего вида 03.005-7.0-1-45 ВТ5. Подходной тоннель и предтамбур. Габаритный чертеж 03.005-7.0-1-46 ВТ5. Подходной тоннель и предтамбур. Армирование 03.005-7.0-1-47 ВТ5. Стена убежища. Габаритный чертеж 03.005-7.0-1-48 ВТ5. Стена убежища. Армирование 03.005-7.0-1-49 ВТ5. Тамбур. Габаритный чертеж 03.005-7.0-1-50 ВТ5. Тамбур. Армирование |
| Разработан: | Проектный институт № 1 |
| Утверждён: | 27.04.1990 Штаб гражданской обороны СССР (USSR Civil Defense Headquarters 14) |















































































































































