Скачать Серия 03.005-7 Выпуск 1. Арматурные изделия. Рабочие чертежиДата актуализации: 01.01.2021
|
| Обозначение: | Серия 03.005-7 |
| Обозначение англ: | Series 03.005-7 |
| Статус: | не определен законодательством |
| Название рус.: | Выпуск 1. Арматурные изделия. Рабочие чертежи |
| Дата добавления в базу: | 01.09.2013 |
| Дата актуализации: | 01.01.2021 |
| Дата введения: | 01.09.1990 |
| Дата окончания срока действия: | 30.06.2003 |
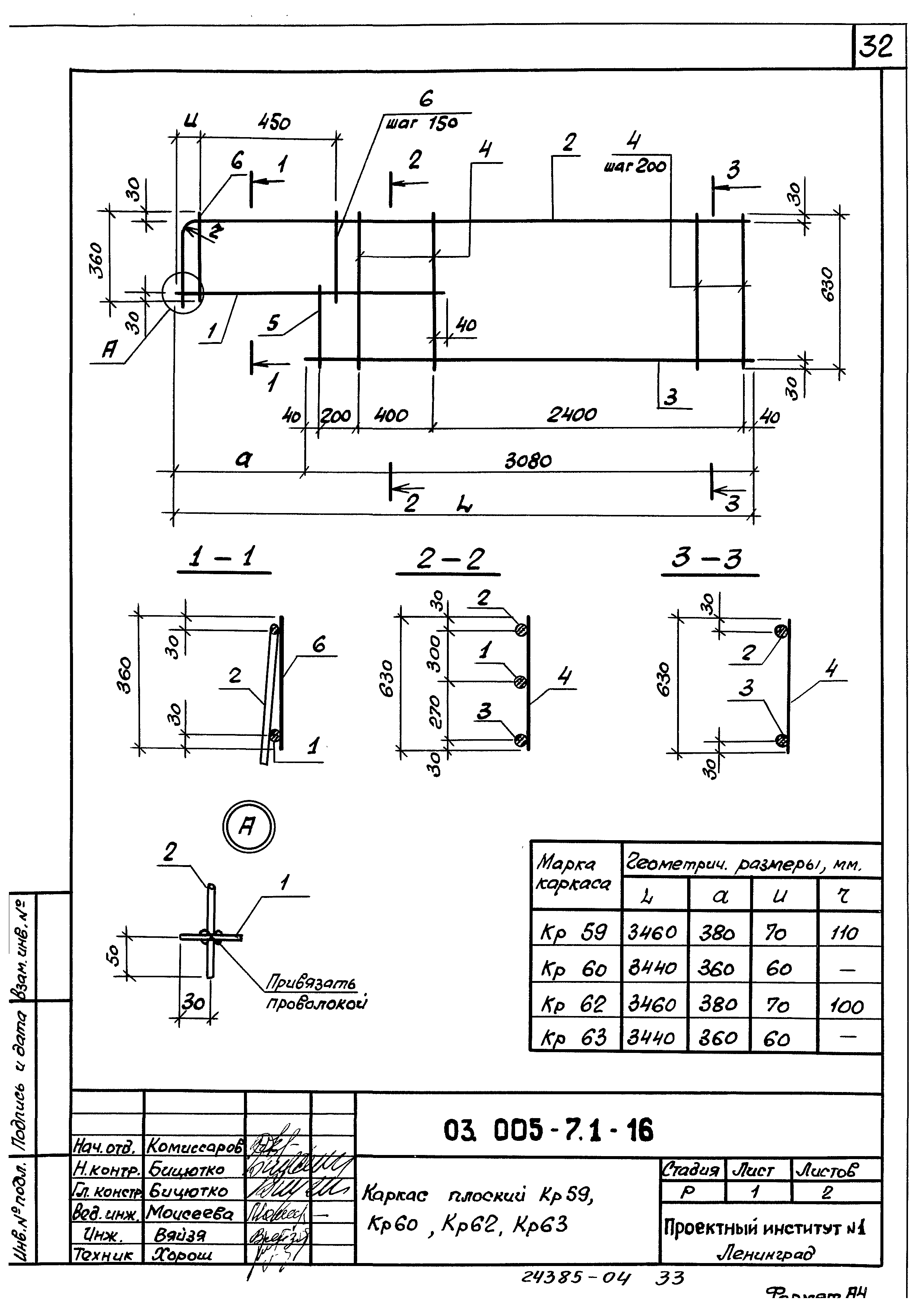
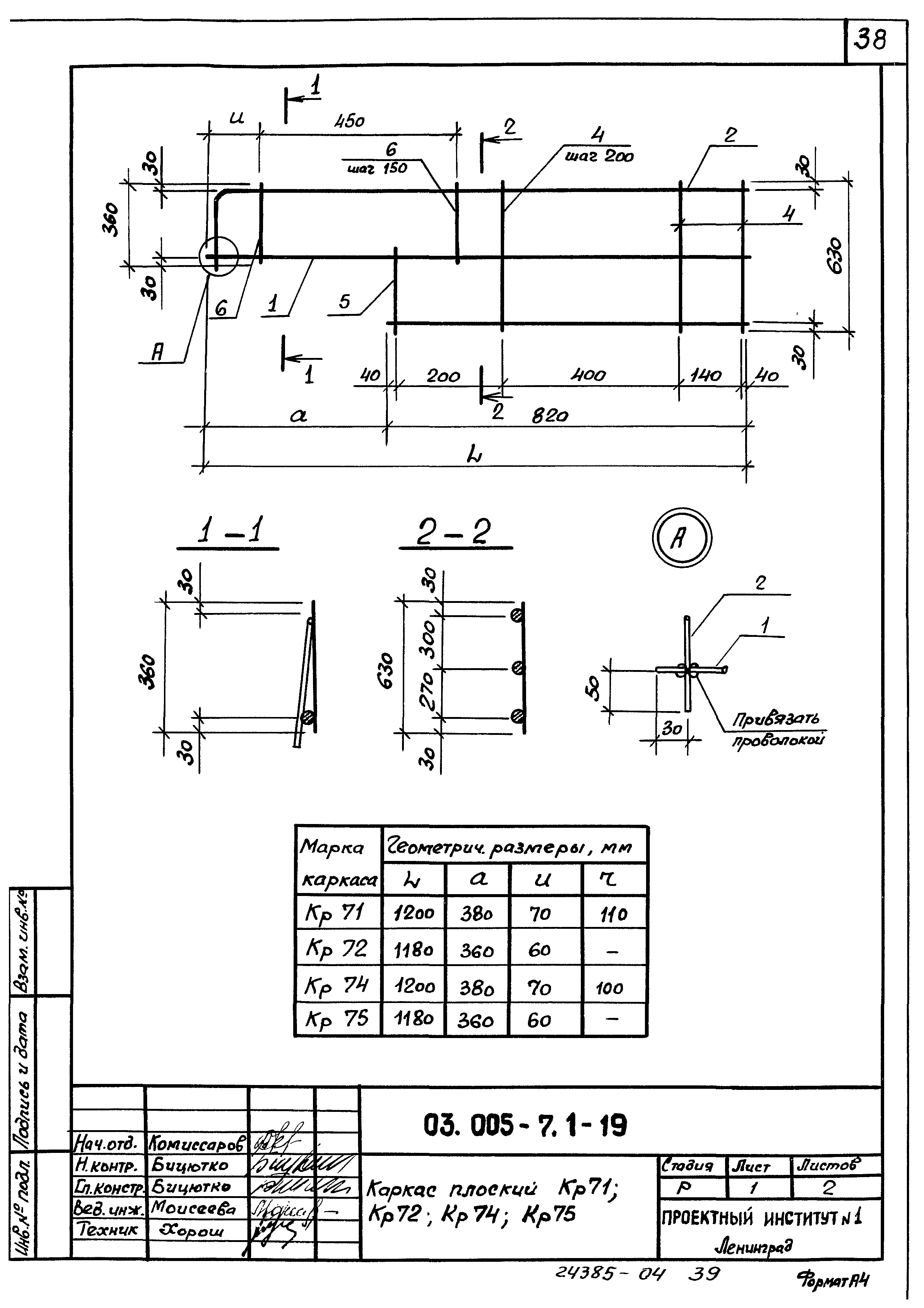
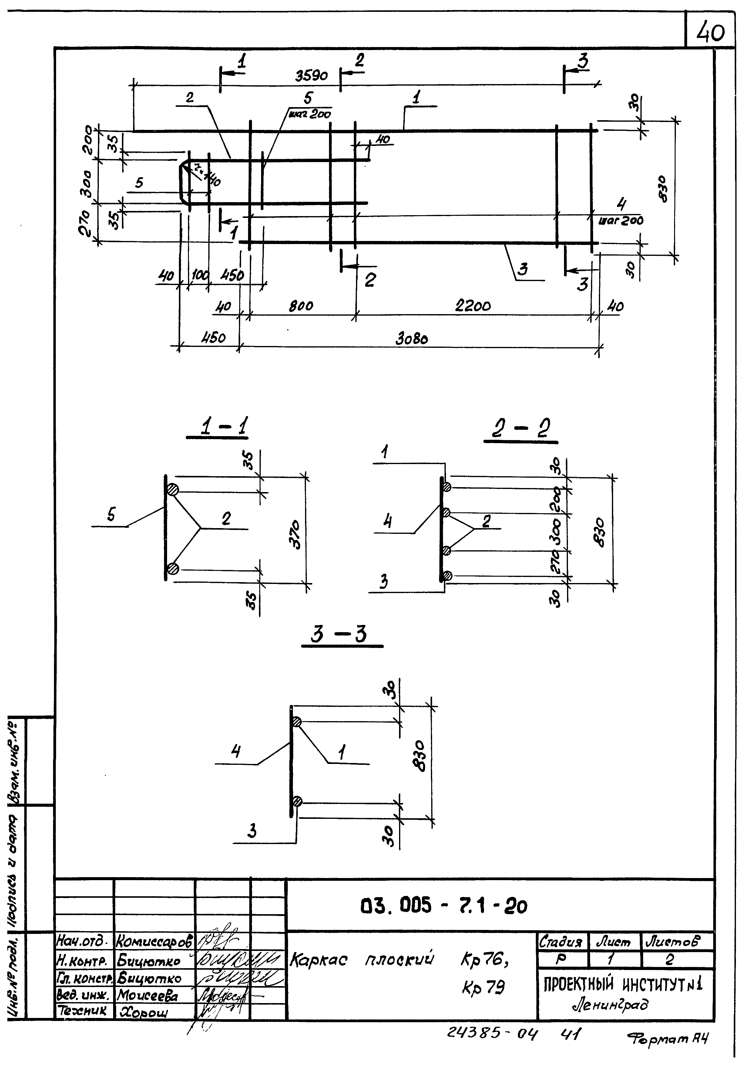
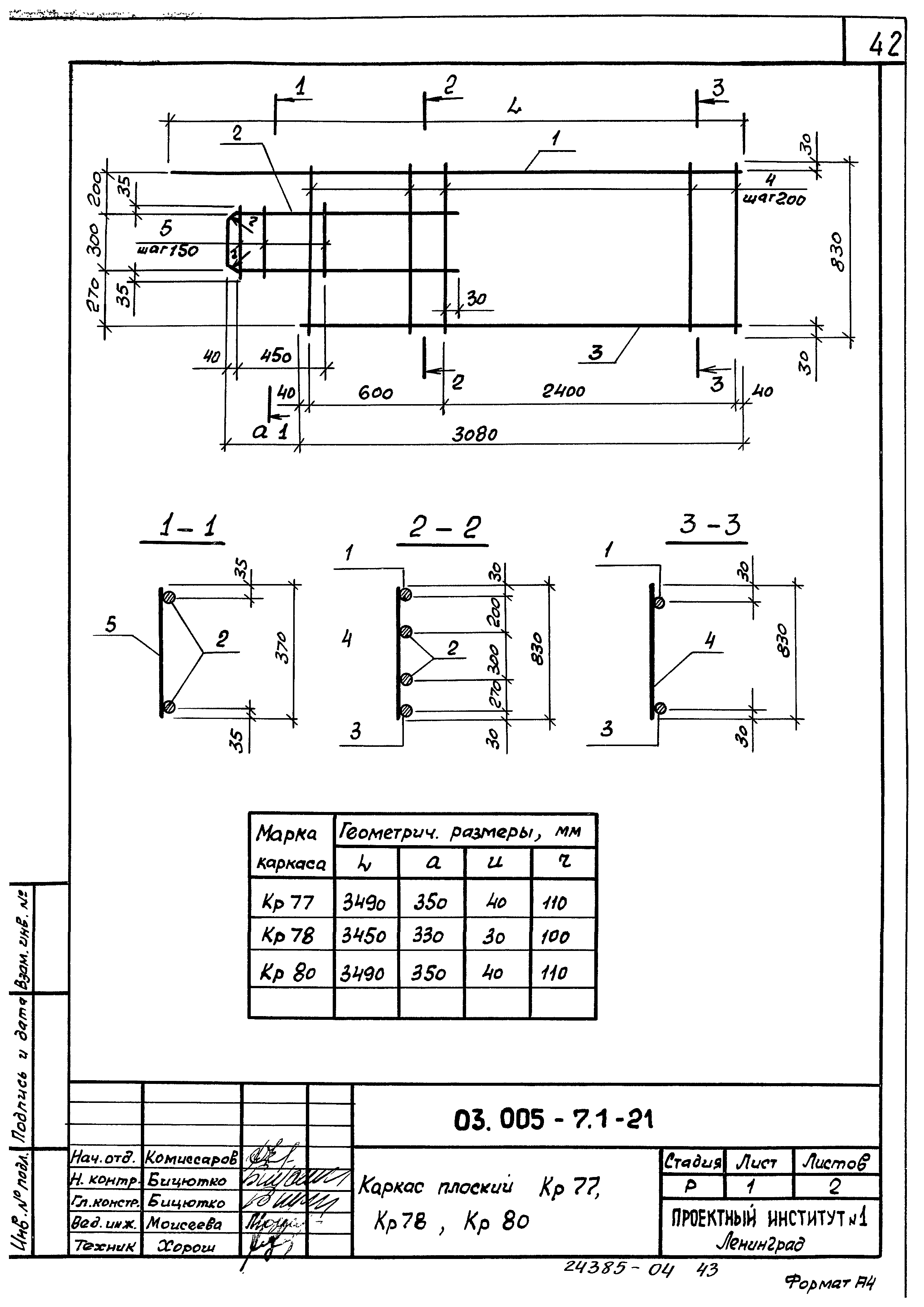
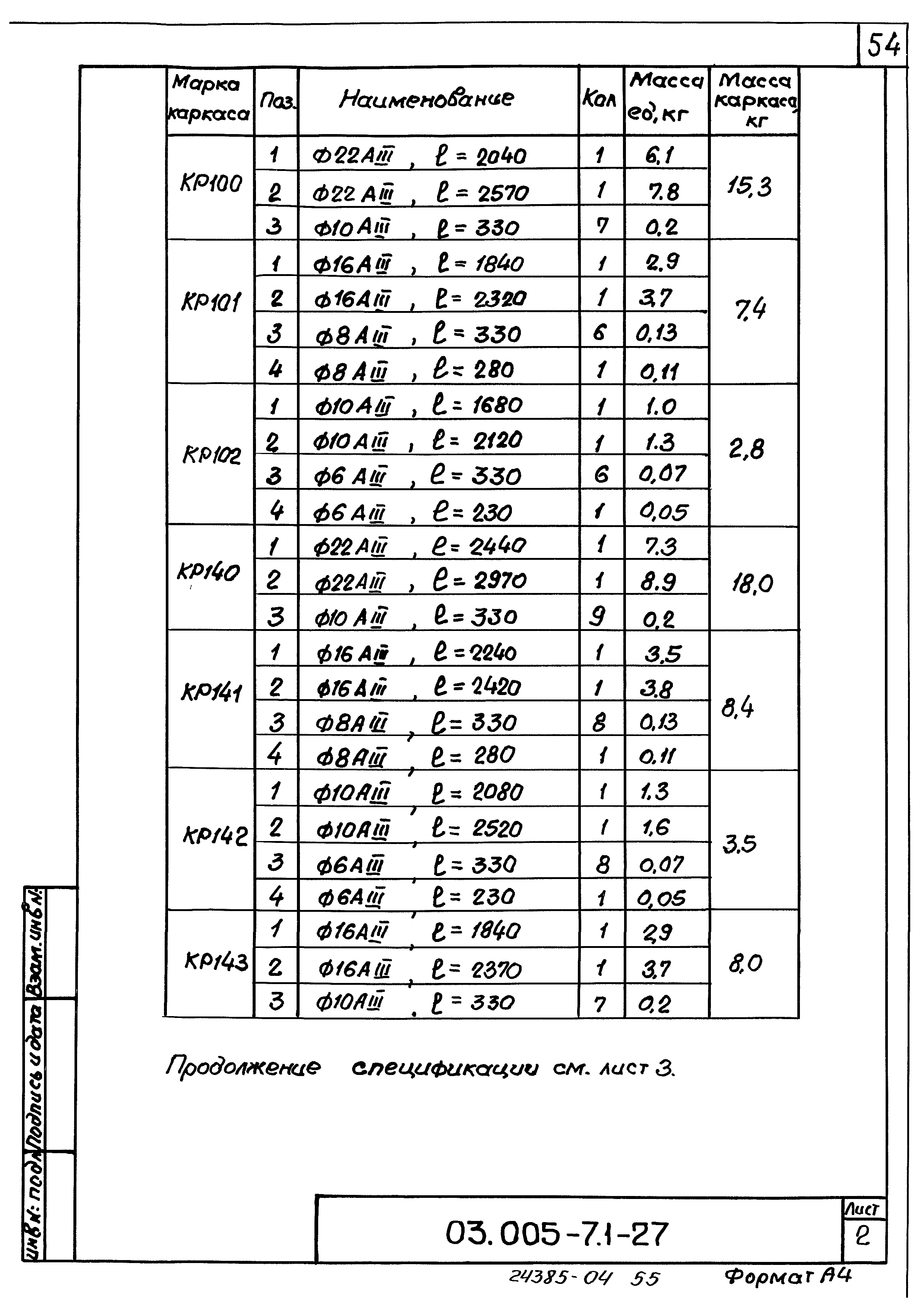
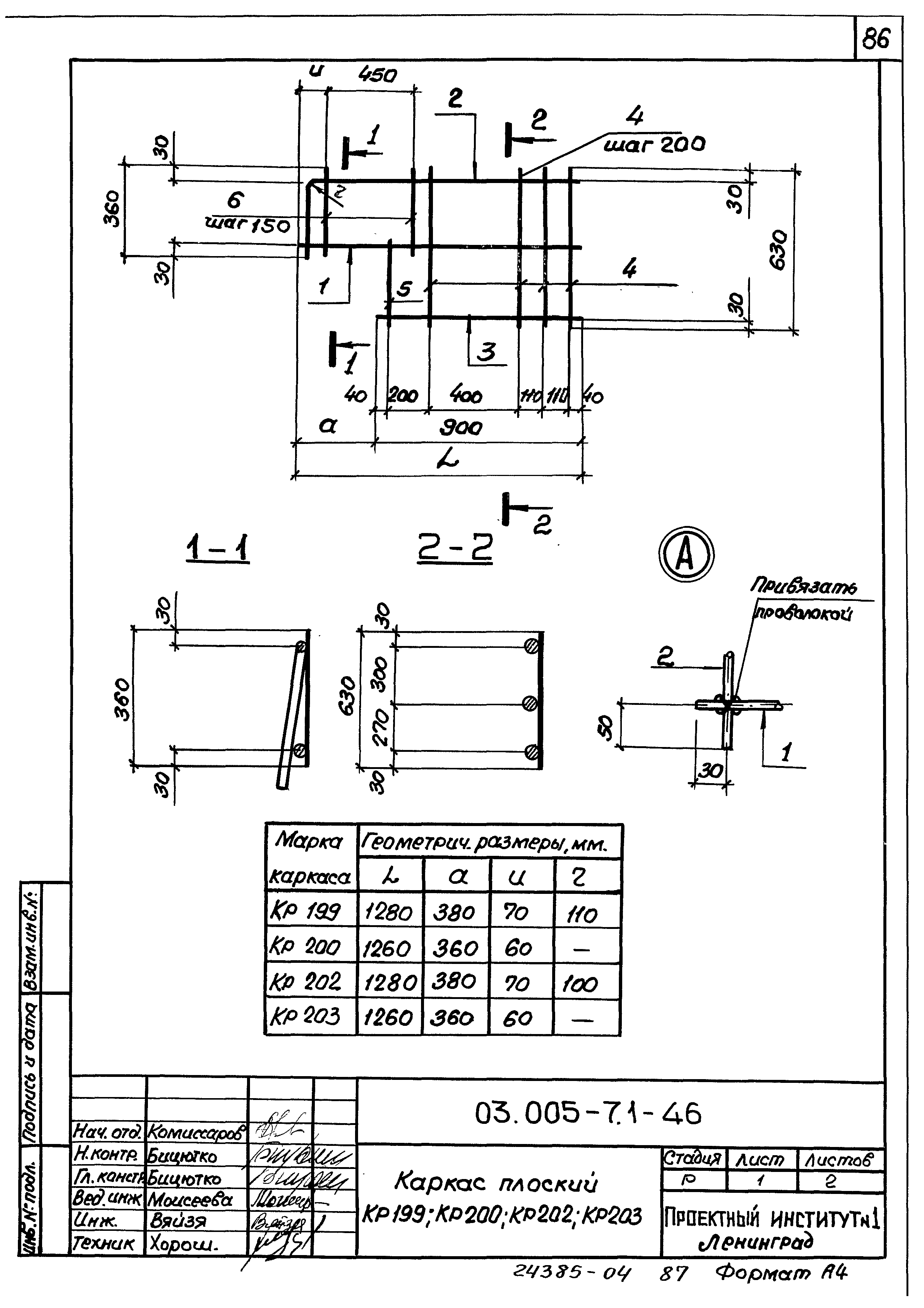
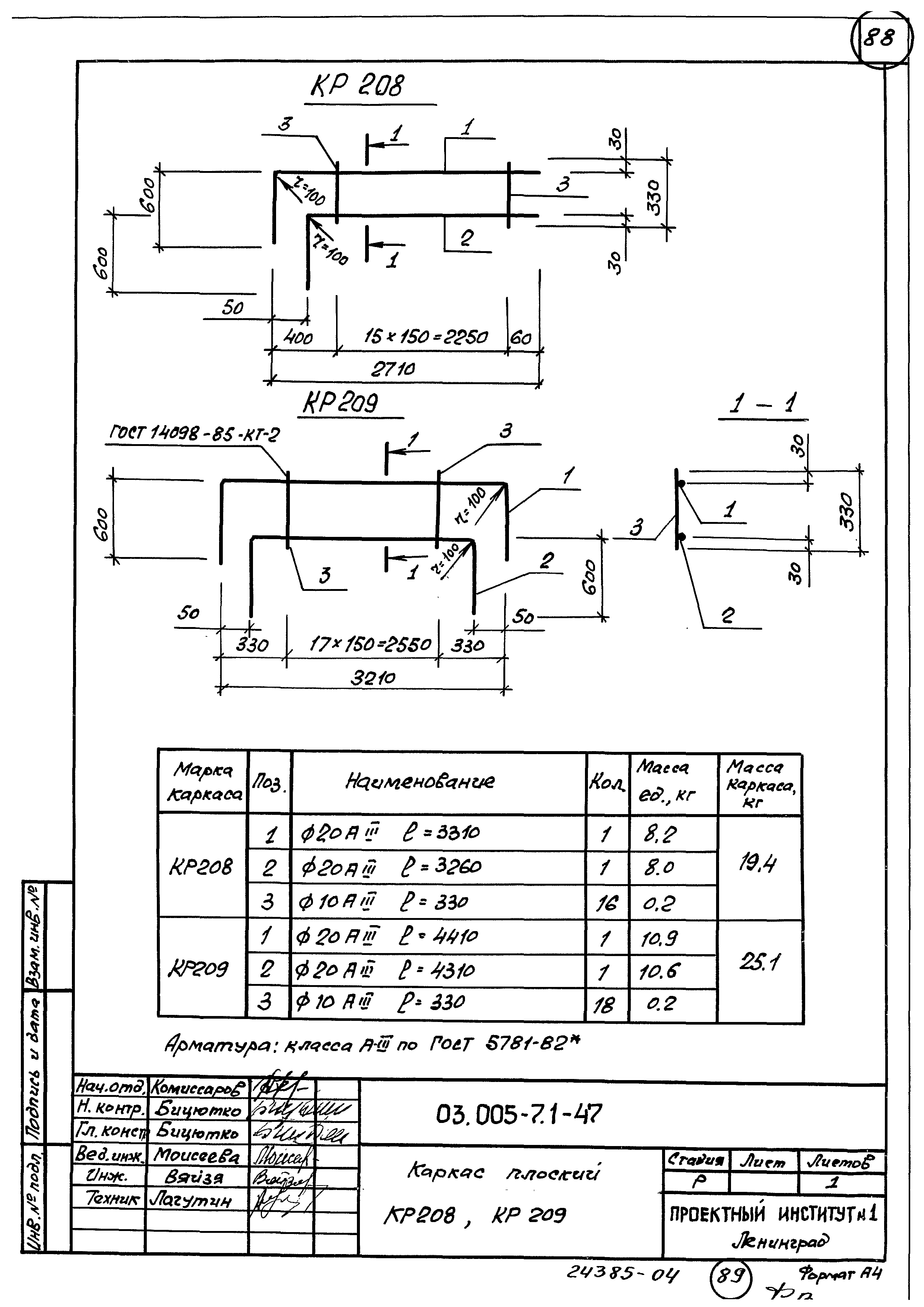
| Оглавление: | 03.005-7.1-ТТ Технические требования 03.005-7.1-1 Каркас плоский КР1…КР3 03.005-7.1-2 Каркас плоский КР4…КР6, КР40…КР47, КР158, КР159 03.005-7.1-3 Каркас плоский КР7…КР12 03.005-7.1-4 Каркас плоский КР13…КР18 03.005-7.1-5 Каркас плоский КР19…КР26 03.005-7.1-6 Каркас плоский КР27…КР29 03.005-7.1-7 Каркас плоский КР30…КР32 03.005-7.1-8 Каркас плоский КР36, КР37 03.005-7.1-9 Каркас плоский КР33…КР35, КР38, КР39, КР109, КР131, КР174, КР175 03.005-7.1-10 Каркас плоский КР48 03.005-7.1-11 Каркас плоский КР49…КР51 03.005-7.1-12 Каркас плоский КР52…КР54 03.005-7.1-13 Каркас плоский КР55 03.005-7.1-14 Каркас плоский КР56, КР57 03.005-7.1-15 Каркас плоский КР58, КР61 03.005-7.1-16 Каркас плоский КР59, КР60, КР62, КР63 03.005-7.1-17 Каркас плоский КР64, КР67, КР70, КР73 03.005-7.1-18 Каркас плоский КР65, КР66, КР68, КР69 03.005-7.1-19 Каркас плоский КР71, КР72, КР74, КР75 03.005-7.1-20 Каркас плоский КР76, КР79 03.005-7.1-21 Каркас плоский КР77, КР78, КР80 03.005-7.1-22 Каркас плоский КР81, КР84 03.005-7.1-23 Каркас плоский КР82, КР83, КР85 03.005-7.1-24 Каркас плоский КР86…КР90, КР103…КР105, КР110…КР113, КР188 03.005-7.1-25 Каркас плоский КР91…КР93 03.005-7.1-26 Каркас плоский КР94…КР99, КР132, КР133 03.005-7.1-27 Каркас плоский КР100…КР102, КР140…КР148 03.005-7.1-28 Каркас плоский КР106 03.005-7.1-29 Каркас плоский КР107 03.005-7.1-30 Каркас плоский КР108 03.005-7.1-31 Каркас плоский КР114…КР124 03.005-7.1-32 Каркас плоский КР125…КР130 03.005-7.1-33 Каркас плоский КР134…КР139 03.005-7.1-34 Каркас плоский КР149…КР157 03.005-7.1-35 Каркас плоский КР160…КР165 03.005-7.1-36 Каркас плоский КР166…КР173 03.005-7.1-37 Каркас плоский КР176…КР187 03.005-7.1-38 Сетка арматурная С1…С3 03.005-7.1-39 Сетка арматурная С4 03.005-7.1-40 Сетка арматурная С5 03.005-7.1-41 Сетка арматурная С6 03.005-7.1-42 Сетка арматурная С7 03.005-7.1-43 Сетка арматурная С8 03.005-7.1-44 Каркас плоский КР189…КР197, КР204…КР207 03.005-7.1-45 Каркас плоский КР198…КР200 03.005-7.1-46 Каркас плоский КР201…КР203 03.005-7.1-47 Каркас плоский КР208, КР209 |
| Разработан: | Проектный институт № 1 |
| Утверждён: | 27.04.1990 Штаб гражданской обороны СССР (USSR Civil Defense Headquarters 14) |
























































































