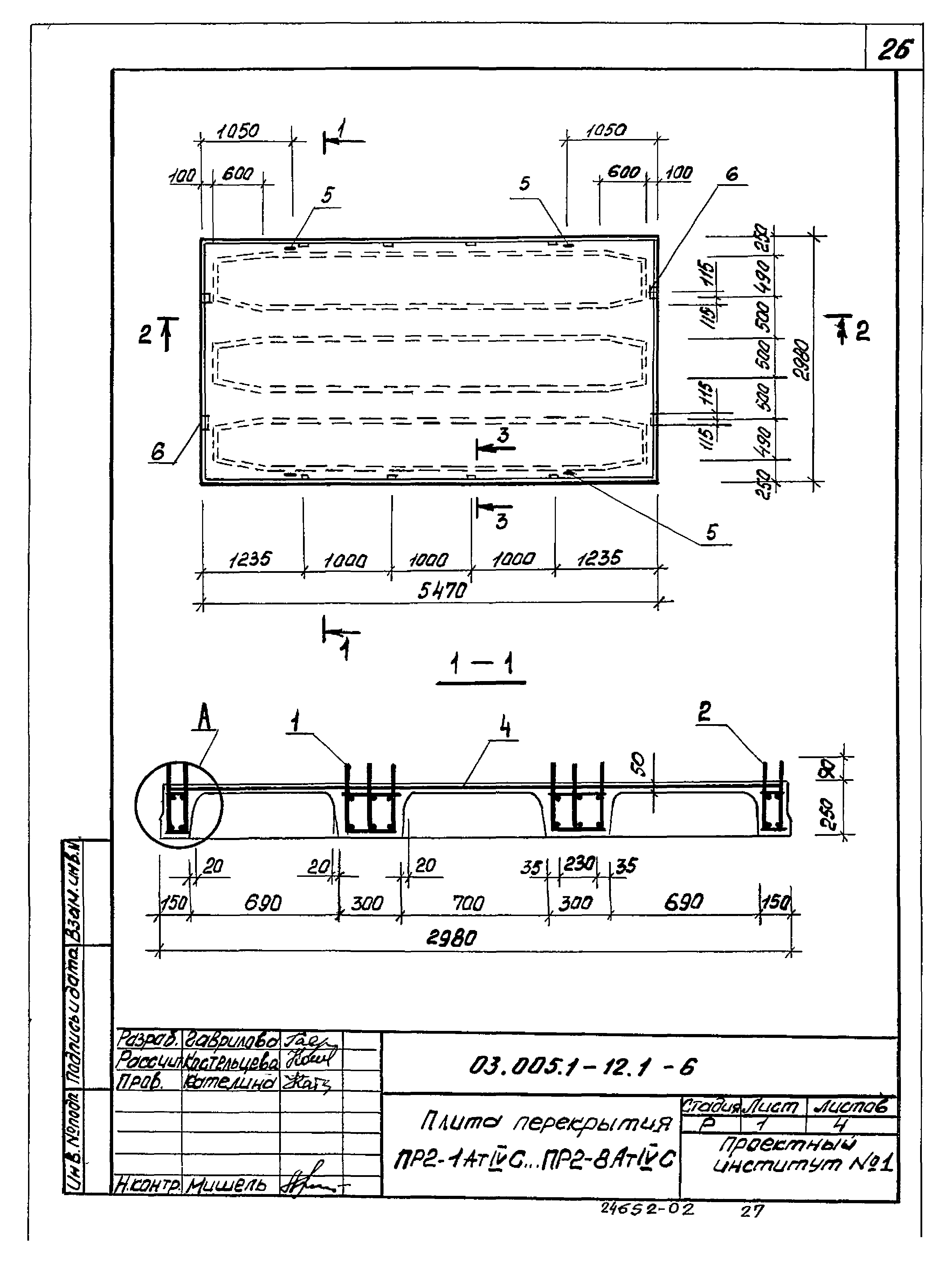
Скачать Серия 03.005.1-12 Выпуск 1. Сборные железобетонные изделия перекрытий с арматурой класса А-III и Ат-IVС. Рабочие чертежиДата актуализации: 01.01.2021
|
| Обозначение: | Серия 03.005.1-12 |
| Обозначение англ: | Series 03.005.1-12 |
| Статус: | не определен законодательством |
| Название рус.: | Выпуск 1. Сборные железобетонные изделия перекрытий с арматурой класса А-III и Ат-IVС. Рабочие чертежи |
| Дата добавления в базу: | 01.01.2021 |
| Дата актуализации: | 01.01.2021 |
| Дата введения: | 01.01.1991 |
| Дата окончания срока действия: | 30.06.2003 |
| Разработан: | ВНИИжелезобетон Проектный институт № 1 |
| Утверждён: | 05.09.1990 УНГО СССР (235/13/3057) |


































