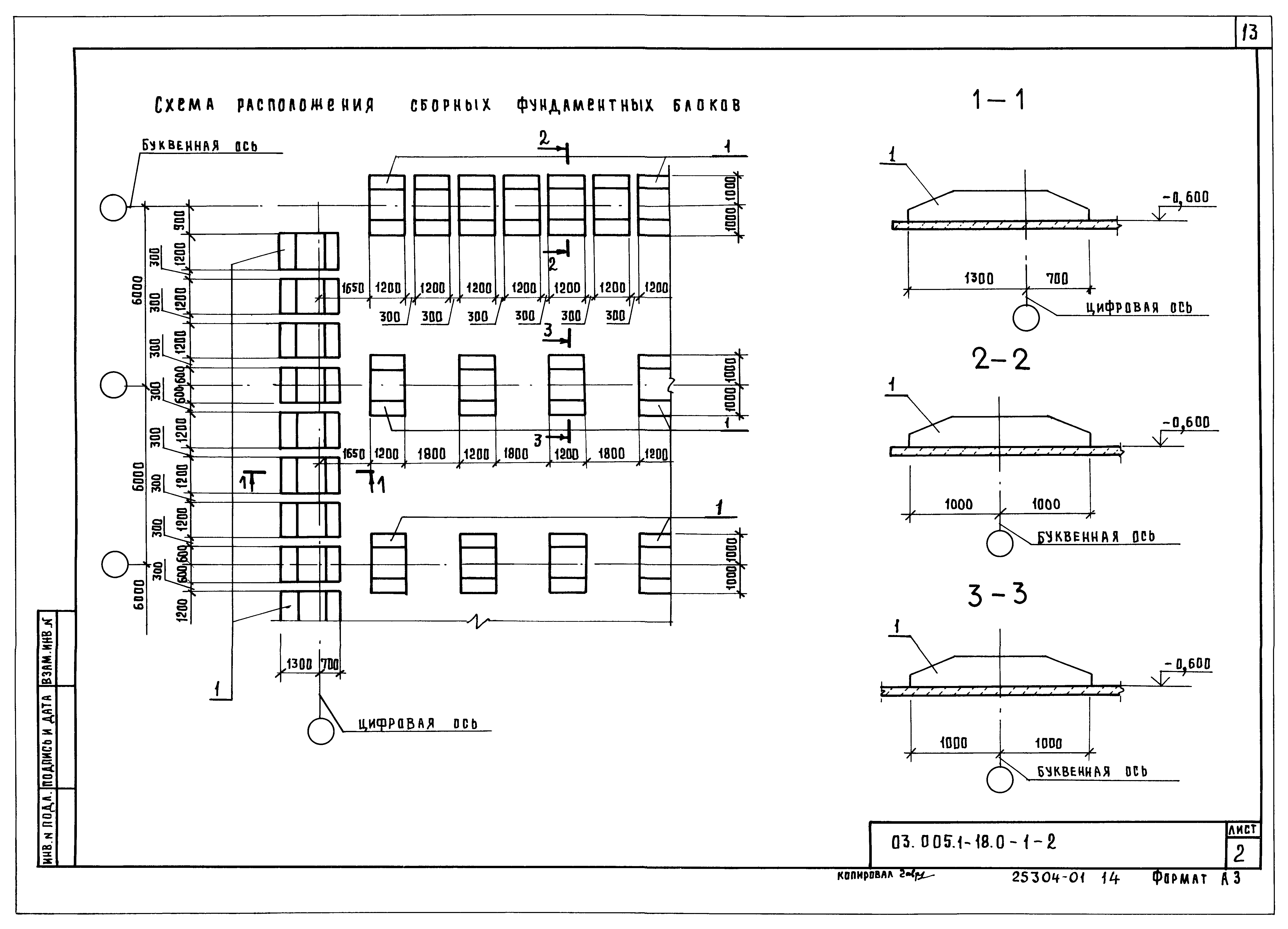
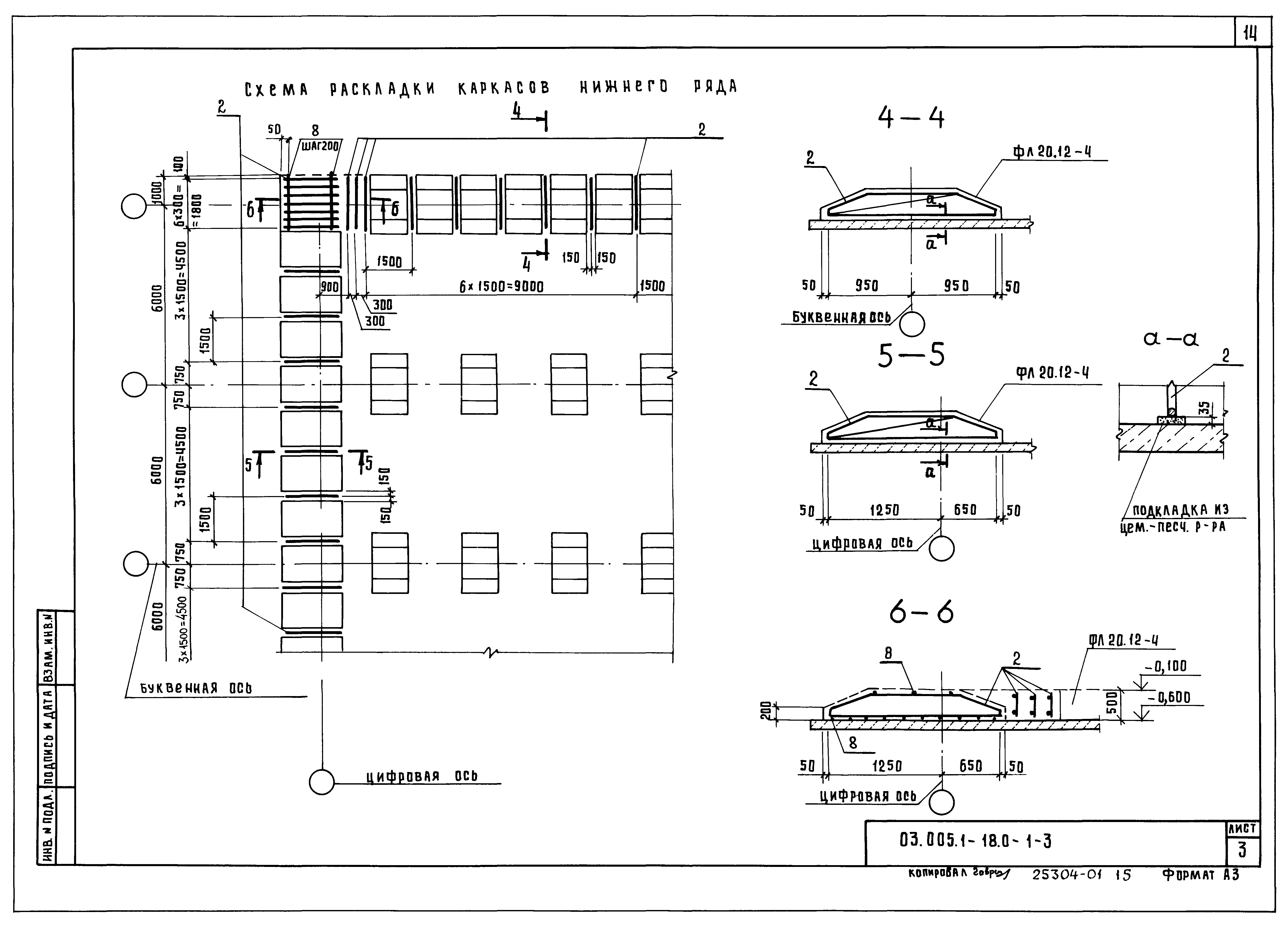
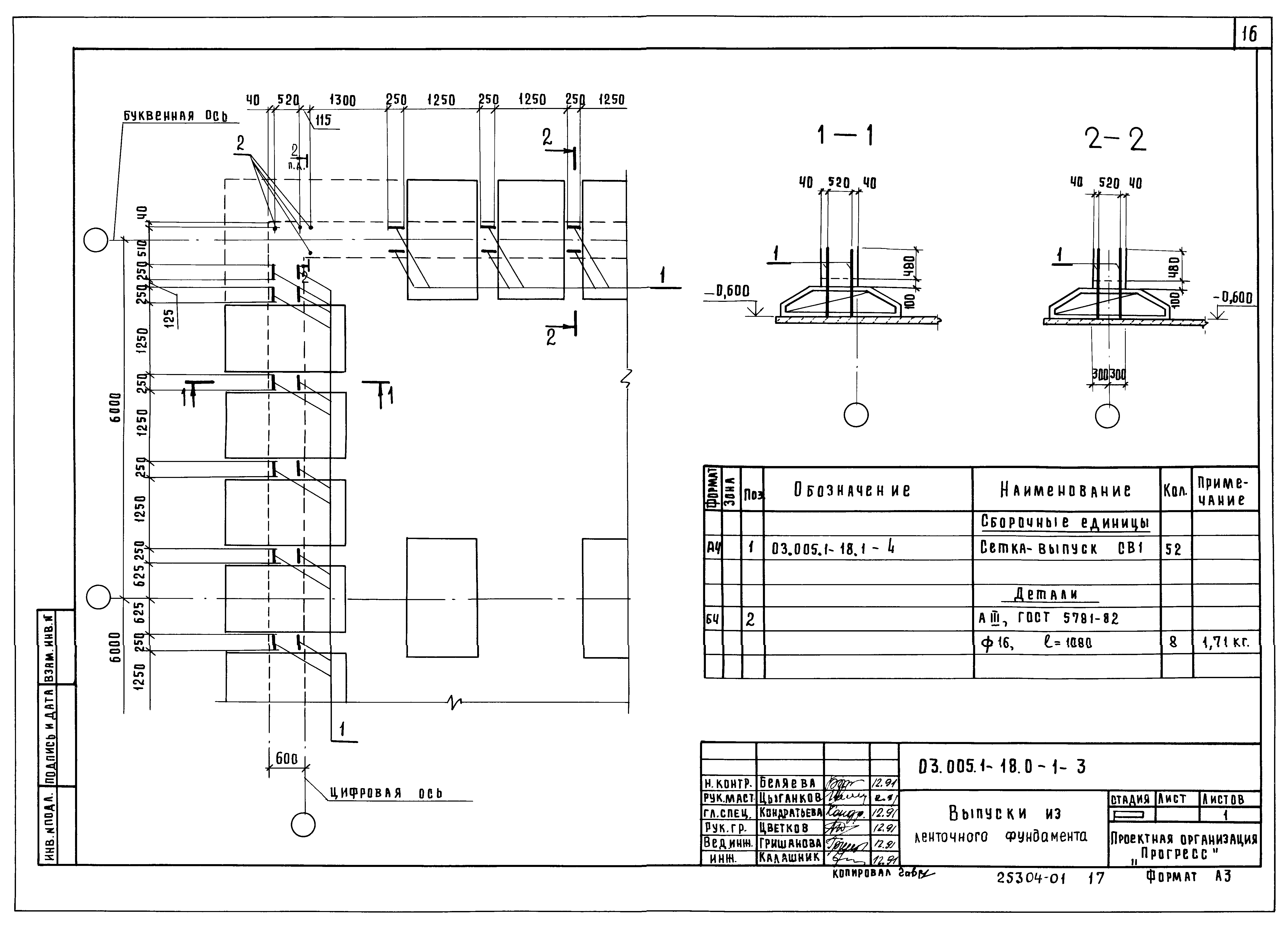
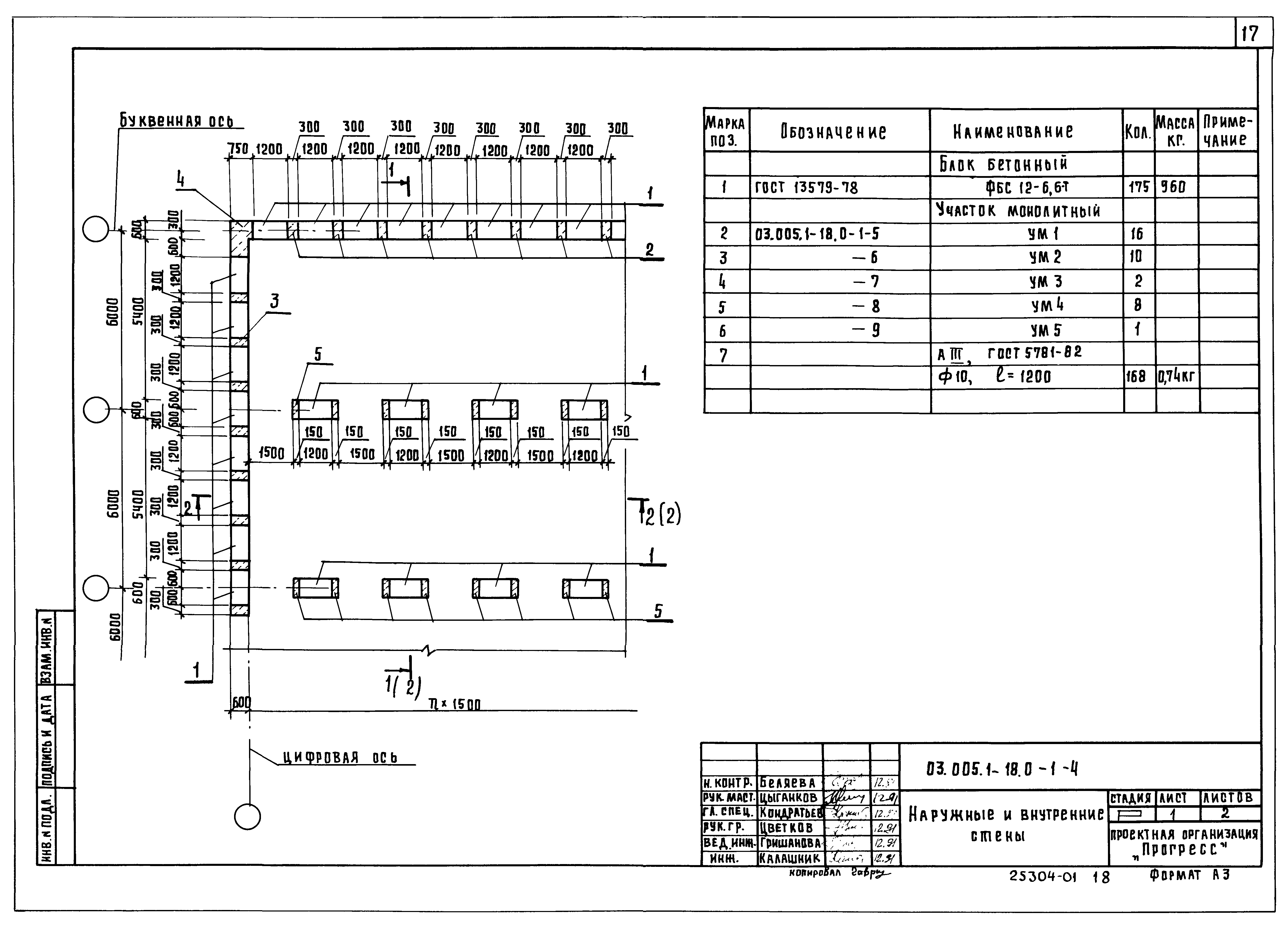
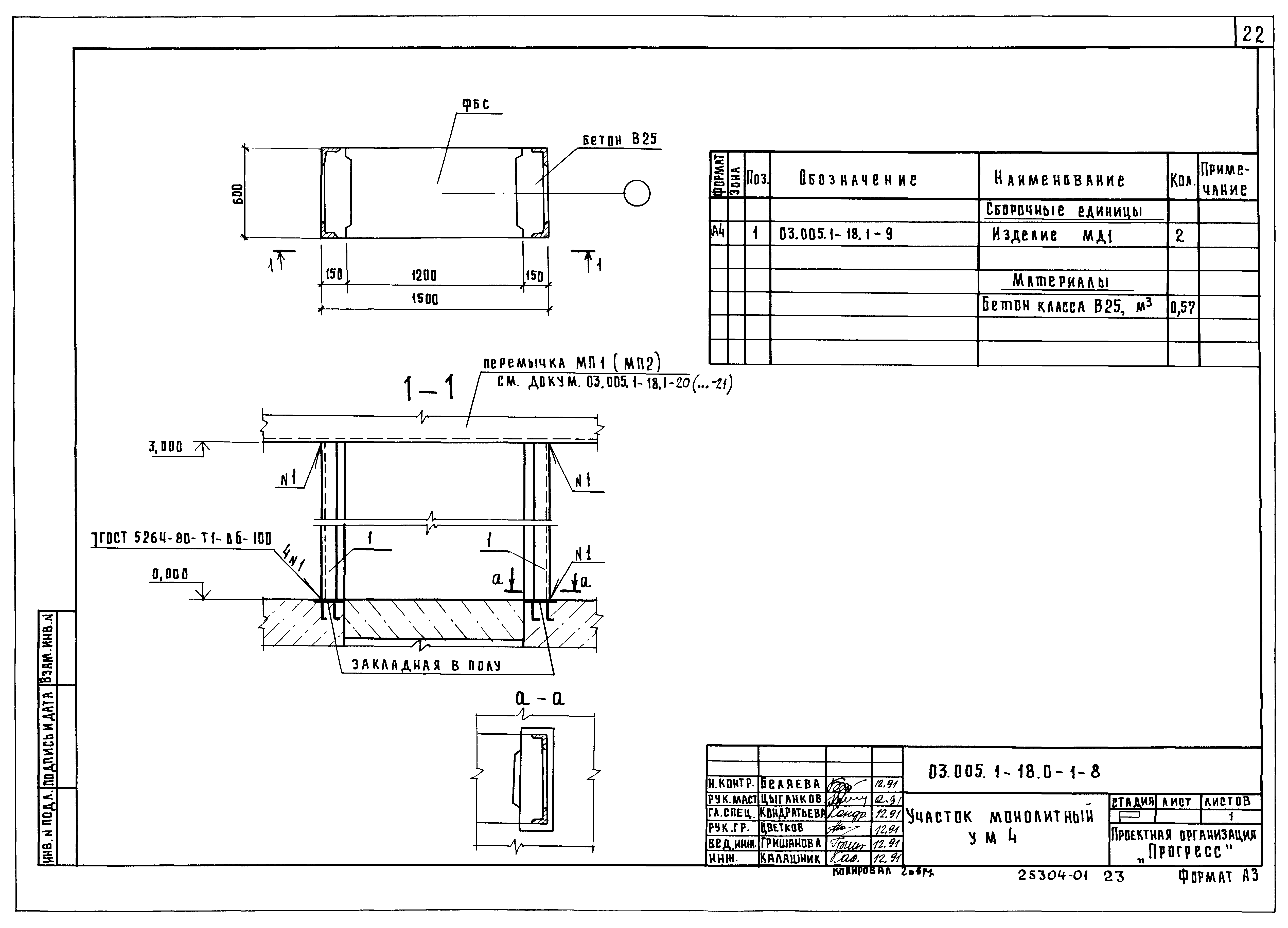
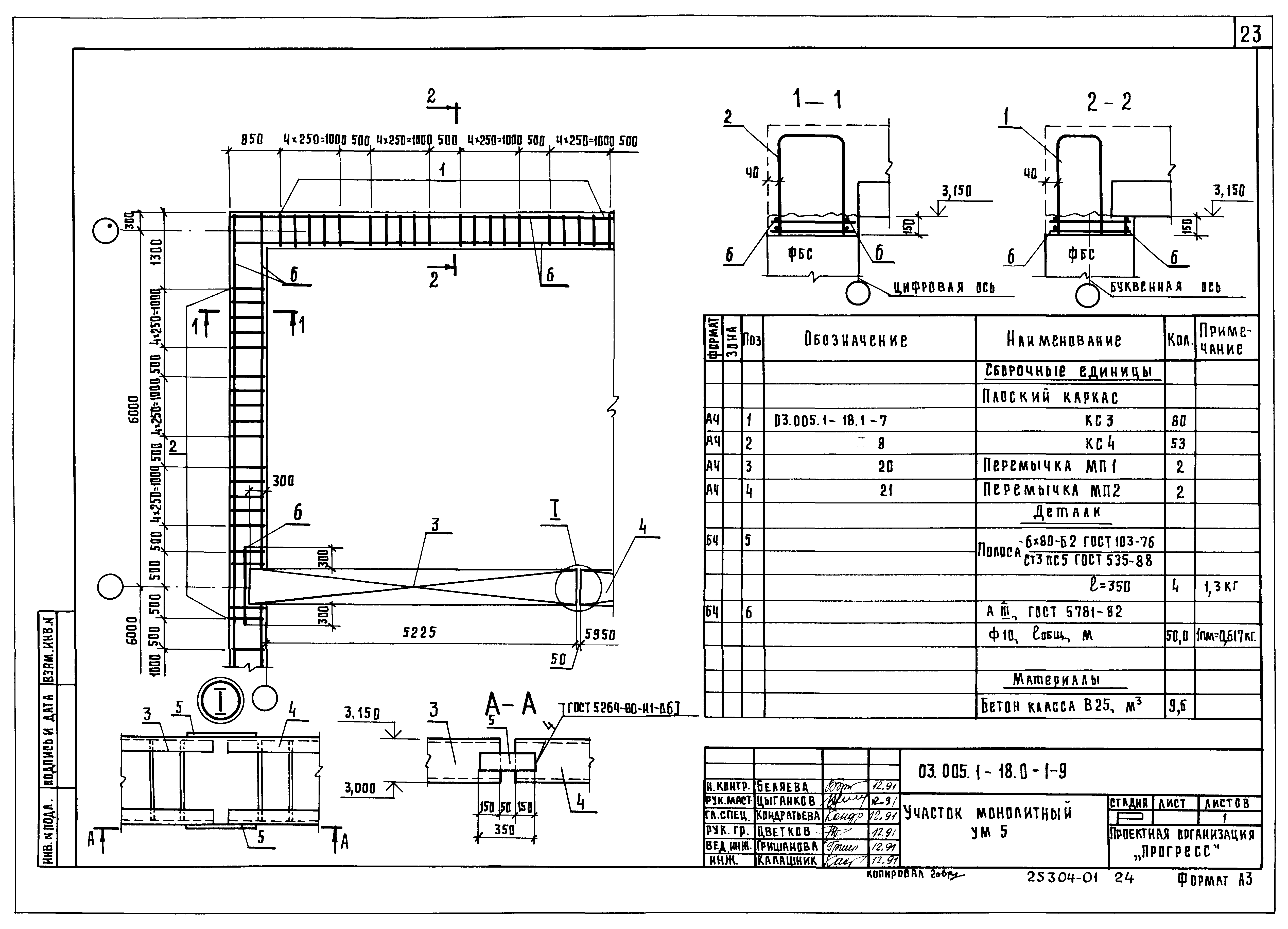
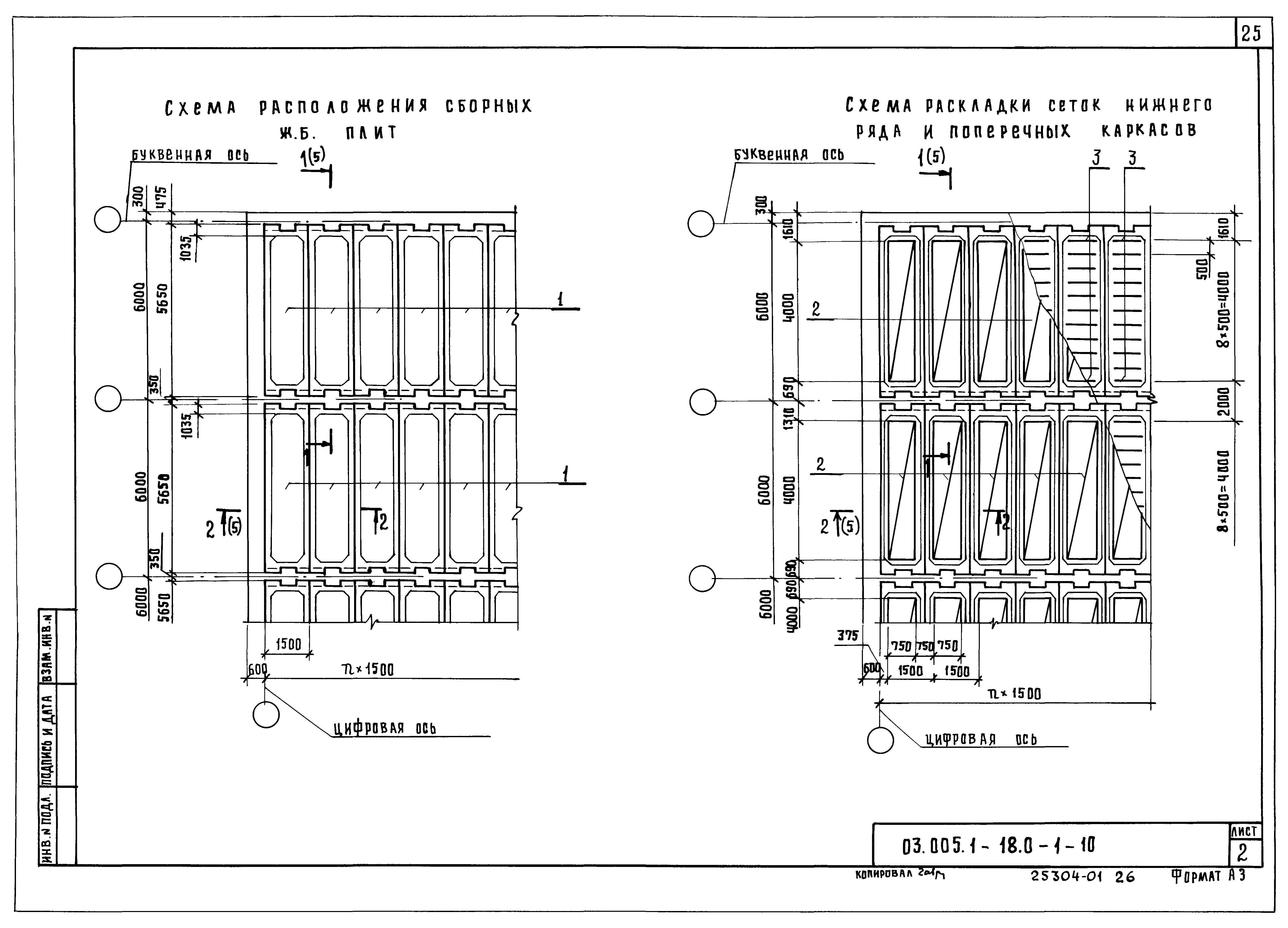
Скачать Серия 03.005.1-18 Выпуск 0-1. Сборно-монолитные заглубленные помещения пролетом 6,0 м, высотой этажа 3,0 м для маловлажных грунтов. Материалы для проектированияДата актуализации: 01.01.2021 Серия 03.005.1-18
Выпуск 0-1. Сборно-монолитные заглубленные помещения пролетом 6,0 м, высотой этажа 3,0 м для маловлажных грунтов. Материалы для проектирования| Обозначение: | Серия 03.005.1-18 | | Обозначение англ: | Series 03.005.1-18 | | Статус: | не определен законодательством | | Название рус.: | Выпуск 0-1. Сборно-монолитные заглубленные помещения пролетом 6,0 м, высотой этажа 3,0 м для маловлажных грунтов. Материалы для проектирования | | Дата добавления в базу: | 01.01.2021 | | Дата актуализации: | 01.01.2021 | | Дата введения: | 30.01.1992 | | Дата окончания срока действия: | 30.06.2003 | | Разработан: | ПКО Прогресс Агропромстроя РСФСР
| | Утверждён: | 23.12.1991 УНГО СССР (68)
| | Издан: | ЦИТП Госстроя СССР (CITP, Gosstroy (USSR) 1992 г. )
|
                               
|