Скачать Серия 01.0179-1 Выпуск 0. Технические условия на изготовление, техническое описание, номенклатура изделийДата актуализации: 01.01.2021
|
| Обозначение: | Серия 01.0179-1 |
| Обозначение англ: | Series 01.0179-1 |
| Статус: | не определен законодательством |
| Название рус.: | Выпуск 0. Технические условия на изготовление, техническое описание, номенклатура изделий |
| Дата добавления в базу: | 01.09.2013 |
| Дата актуализации: | 01.01.2021 |
| Дата введения: | 01.07.1987 |
| Дата окончания срока действия: | 30.06.2003 |
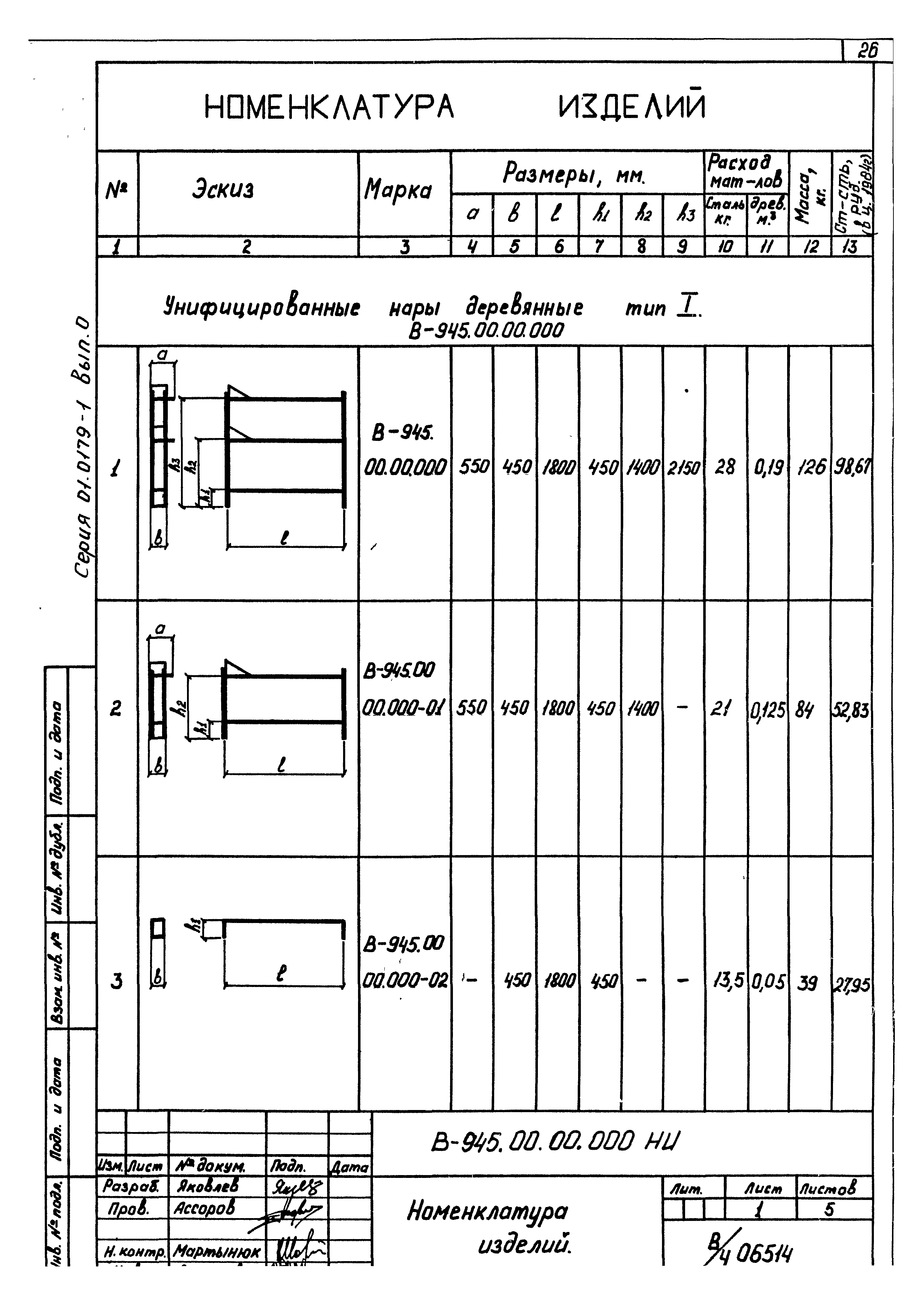
| Оглавление: | Вводная часть Требования к материалам Требования к заготовкам и деталям из проката Требования к механической обработке Требования к сварным изделиям Требования к изделиям из древесины Требования к окраске Требования к сборке Правила приемки Транспортировка и хранение Гарантии поставщика Введение Назначение Состав изделия Устройство Размещение и монтаж Узлы крепления к стенам и перегородкам |
| Разработан: | В/ч 06514 |
| Утверждён: | 30.03.1987 11 Управление Г.О. СССР (1) |






























