Скачать Серия 01.0179-1 Выпуск 2. Одноярусные, двухъярусные и трехъярусные нары с металлическим каркасом и деревянными настилами. Рабочие чертежиДата актуализации: 01.01.2021
|
| Обозначение: | Серия 01.0179-1 |
| Обозначение англ: | Series 01.0179-1 |
| Статус: | не определен законодательством |
| Название рус.: | Выпуск 2. Одноярусные, двухъярусные и трехъярусные нары с металлическим каркасом и деревянными настилами. Рабочие чертежи |
| Дата добавления в базу: | 01.09.2013 |
| Дата актуализации: | 01.01.2021 |
| Дата введения: | 01.07.1987 |
| Дата окончания срока действия: | 30.06.2003 |
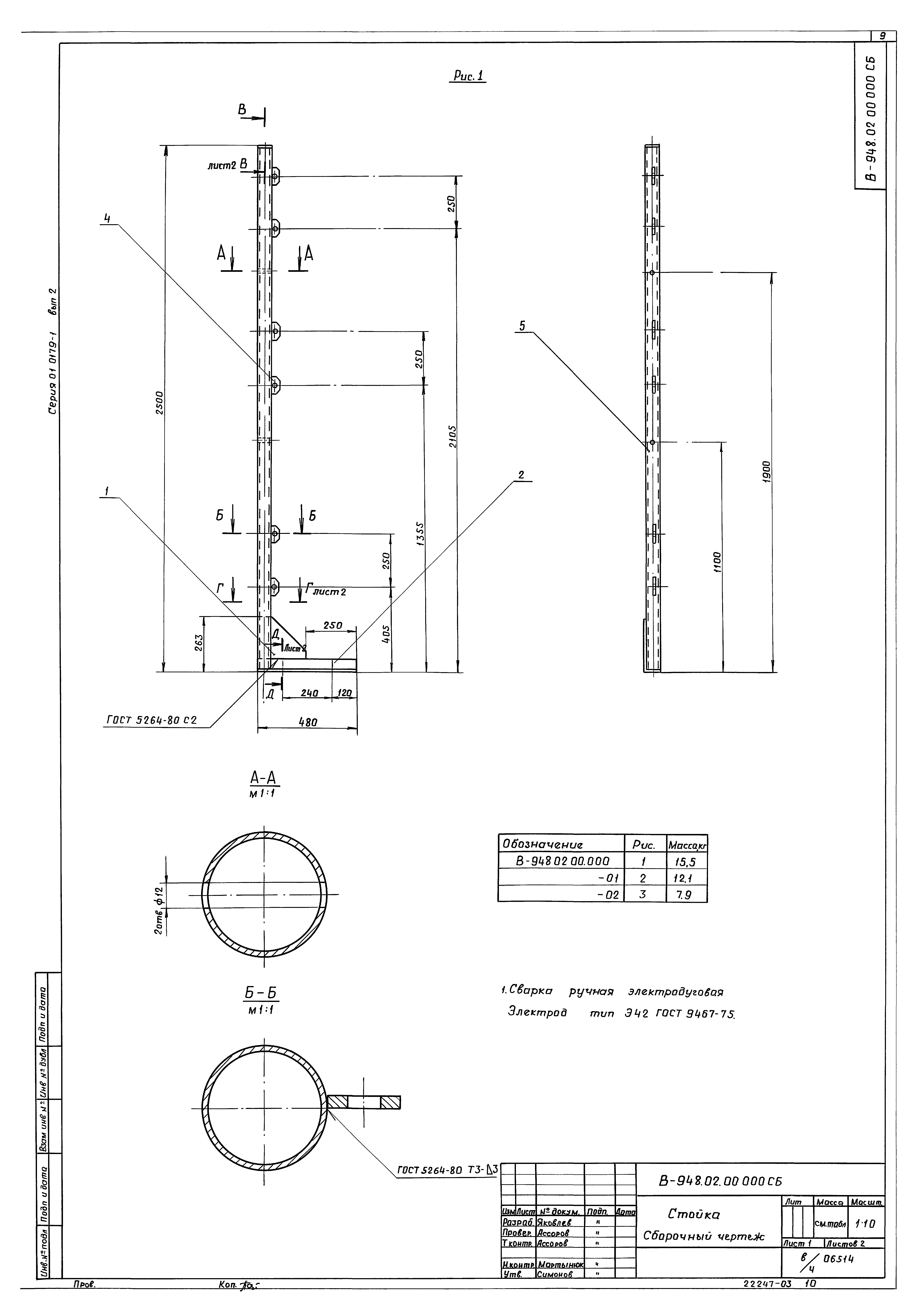
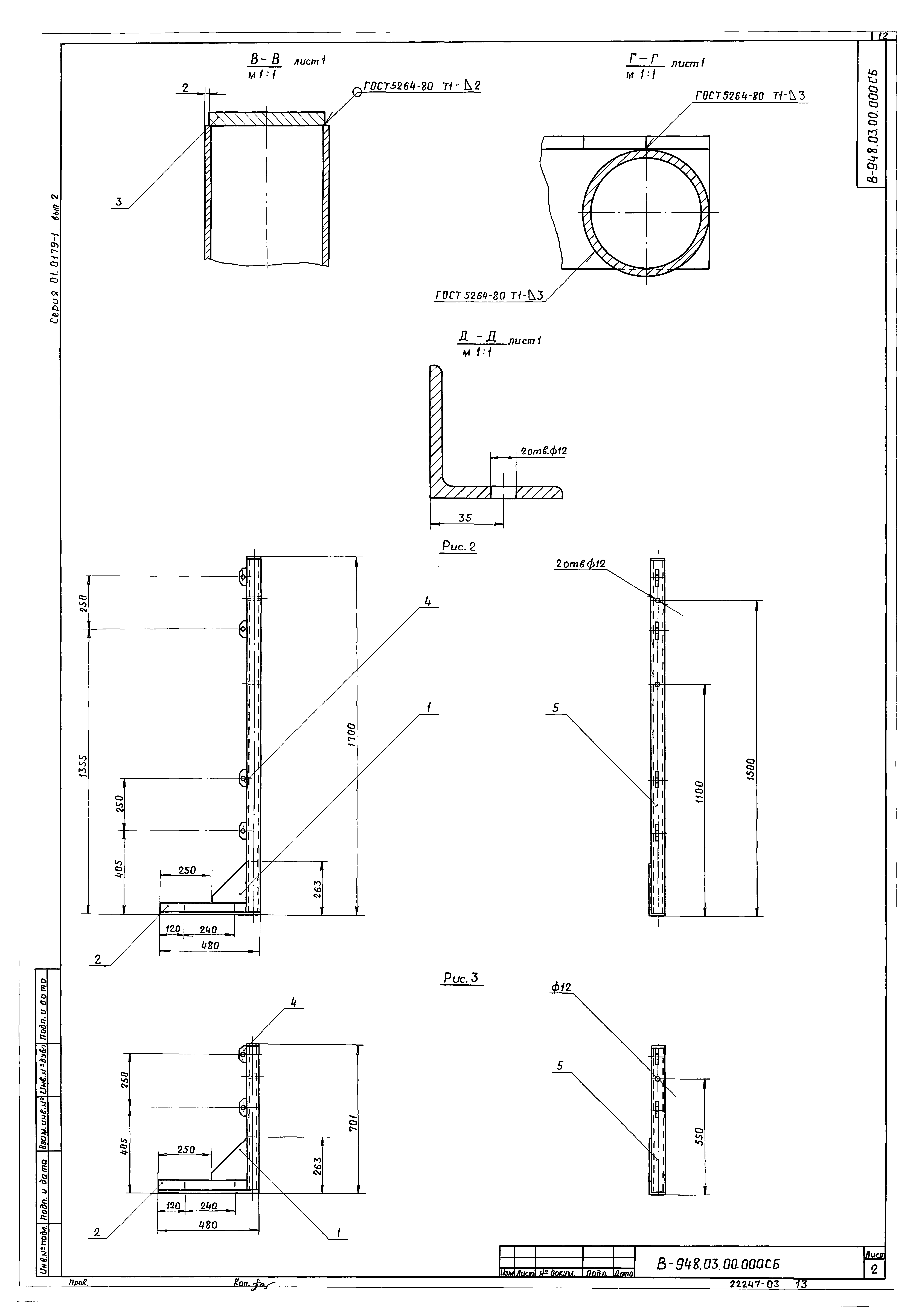
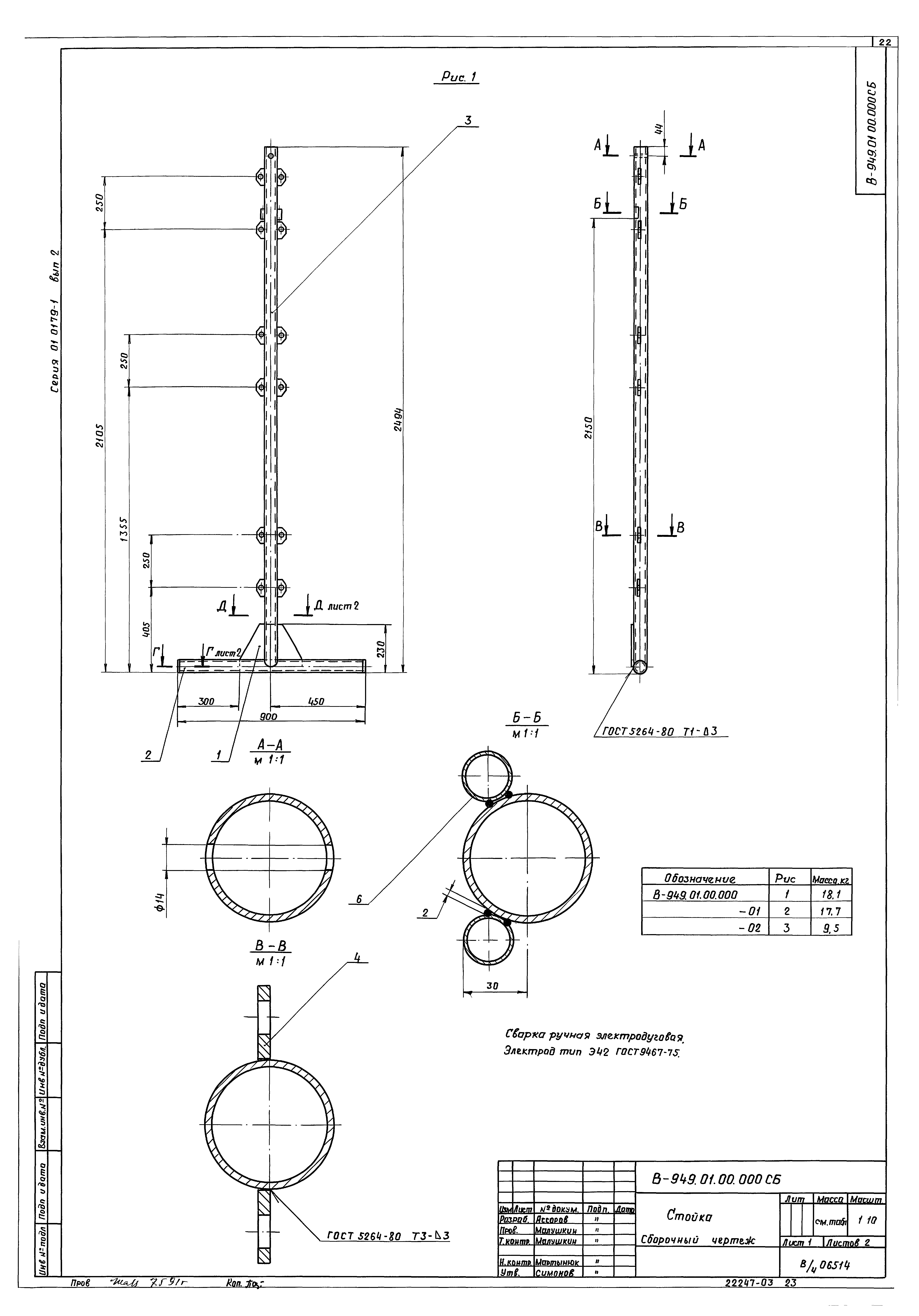
| Оглавление: | Титульный лист Содержание выпуска В-948.00.00.000 Нары металлические тип IV В-948.00.00.000 СБ Нары металлические тип IV В-948.01.00.000 СБ Лежак В-948.01.00.000 Лежак В-948.00.00.001 Стяжка В-948.01.00.001 Уголок В-948.01.00.002 Уголок В-948.01.00.003 Кронштейн В-948.01.00.004 Рейка В-948.02.00.000 Стойка В-948.02.00.001 Косынка В-948.02.00.004 Кронштейн В-948.02.00.000 СБ Стойка В-948.03.00.000 СБ Стойка В-948.03.00.000 Стойка В-948.04.00.000 Лежак В-948.05.00.000 Подголовник В-948.04.00.000 СБ Лежак В-948.05.00.000 СБ Подголовник В-948.06.00.000 СБ Стремянка В-948.06.00.000 Стремянка В-948.06.01.002 Кронштейн В-948.06.01.000 СБ Лестница В-948.06.01.000 Лестница В-948.06.01.001 Стойка В-949.00.00.000 Нары металлические тип V В-949.00.00.000 СБ Нары металлические тип V В-949.01.00.000 Стойка В-949.01.00.001 Косынка В-949.01.00.003 Труба В-949.01.00.000 СБ Стойка В-949.02.00.000 СБ Раскос В-949.02.00.000 Раскос В-949.02.00.001 Труба В-949.02.00.002 Кронштейн В-949.02.00.003 Пластина В-949.03.00.000 Вставка В-949.03.00.000 СБ Вставка В-949.04.00.000 СБ Подголовник В-949.04.00.000 Подголовник В-949.04.00.001 Кронштейн В-949.04.00.002 Доска В-949.04.00.003 Доска В-949.05.00.000 Раскос В-949.05.00.000 СБ Раскос В-950.00.00.000 Нары металлические тип VI В-950.00.00.000 СБ Нары металлические тип VI В-950.00.00.001 Ригель В-950.00.00.002 Подножка В-950.01.00.000 Лежак В-950.01.00.000 СБ Лежак В-948.05.00.002 Рейка В-950.02.00.001 Пята В-950.02.00.000 Стойка В-950.02.00.003 Ригель В-950.02.00.004 Кронштейн В-950.02.00.000 СБ Стойка В-950.03.00.000 СБ Лежак В-950.03.00.000 Лежак В-948.05.00.001 Доска В-950.04.00.000 СБ Подголовник В-950.04.00.000 Подголовник В-950.04.00.002 Доска В-951.00.00.000 Нары металлические тип VII В-951.00.00.000 СБ Нары металлические тип VII В-951.01.00.000 Лежак В-951.00.00.001 Ригель В-951.01.00.000 СБ Лежак В-951.02.00.000 Стойка В-951.02.00.002 Ригель В-951.02.00.003 Кронштейн В-951.02.00.000 СБ Стойка В-951.03.00.000 СБ Лежак В-951.03.00.000 Лежак В-951.04.00.000 Подголовник В-951.04.00.000 СБ Подголовник |
| Разработан: | В/ч 06514 |
| Утверждён: | 30.03.1987 11 Управление Г.О. СССР (1) |












































