Скачать Серия ТДК-Н-1-70 Часть II Раздел IX. Альбом 13. ЭлектроавтоматикаДата актуализации: 01.01.2021
|
| Обозначение: | Серия ТДК-Н-1-70 Часть II |
| Обозначение англ: | Series ТДК-Н-1-70 Часть II |
| Статус: | не определен законодательством |
| Название рус.: | Раздел IX. Альбом 13. Электроавтоматика |
| Дата добавления в базу: | 01.09.2013 |
| Дата актуализации: | 01.01.2021 |
| Дата введения: | 07.12.1971 |
| Дата окончания срока действия: | 30.06.2003 |
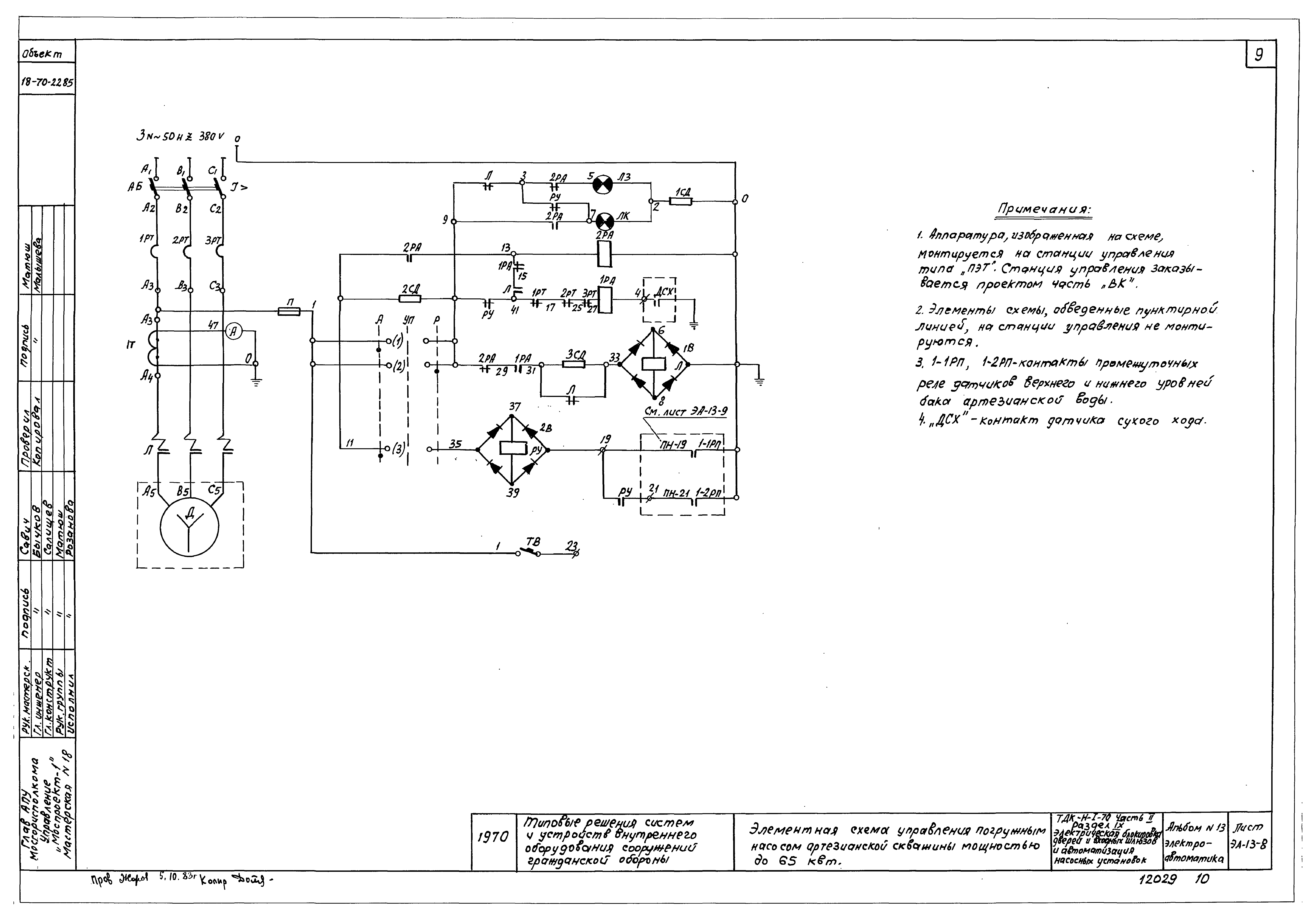
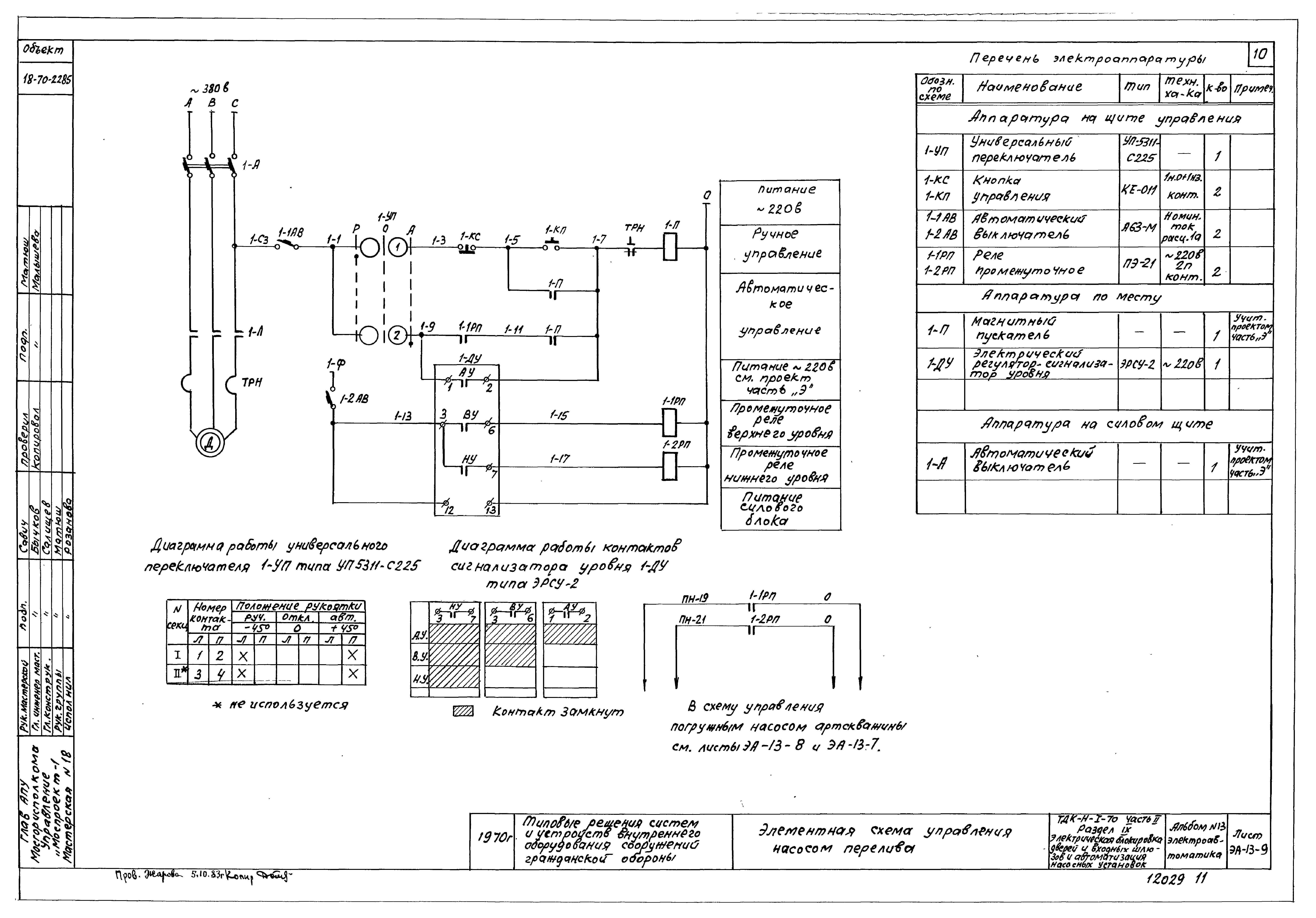
| Оглавление: | Содержание альбома Заглавный лист Принципиальная технологическая схема управления входами Принципиальная технологическая схема управления системами водоснабжения, канализации и дренажа Элементные схемы управления входами (входные тамбуры-шлюзы) Элементные схемы управления входами (тамбуры аварийного выхода и ДЭС) Элементная схема управления погружным насосом артезианской скважины мощностью до 12 кВт Элементная схема управления погружным насосом артезианской скважины мощностью до 65 кВт Элементная схема управления насосом перелива Элементные схемы управления насосами с автоматическим резервированием Элементная схема управления фекальным насосом Элементная схема управления насосом с однофазным двигателем типа АОЛБ Таблица условных обозначений |
| Разработан: | Моспроект-1 |
| Утверждён: | 07.12.1971 Моспроект-1 (274-р) |














