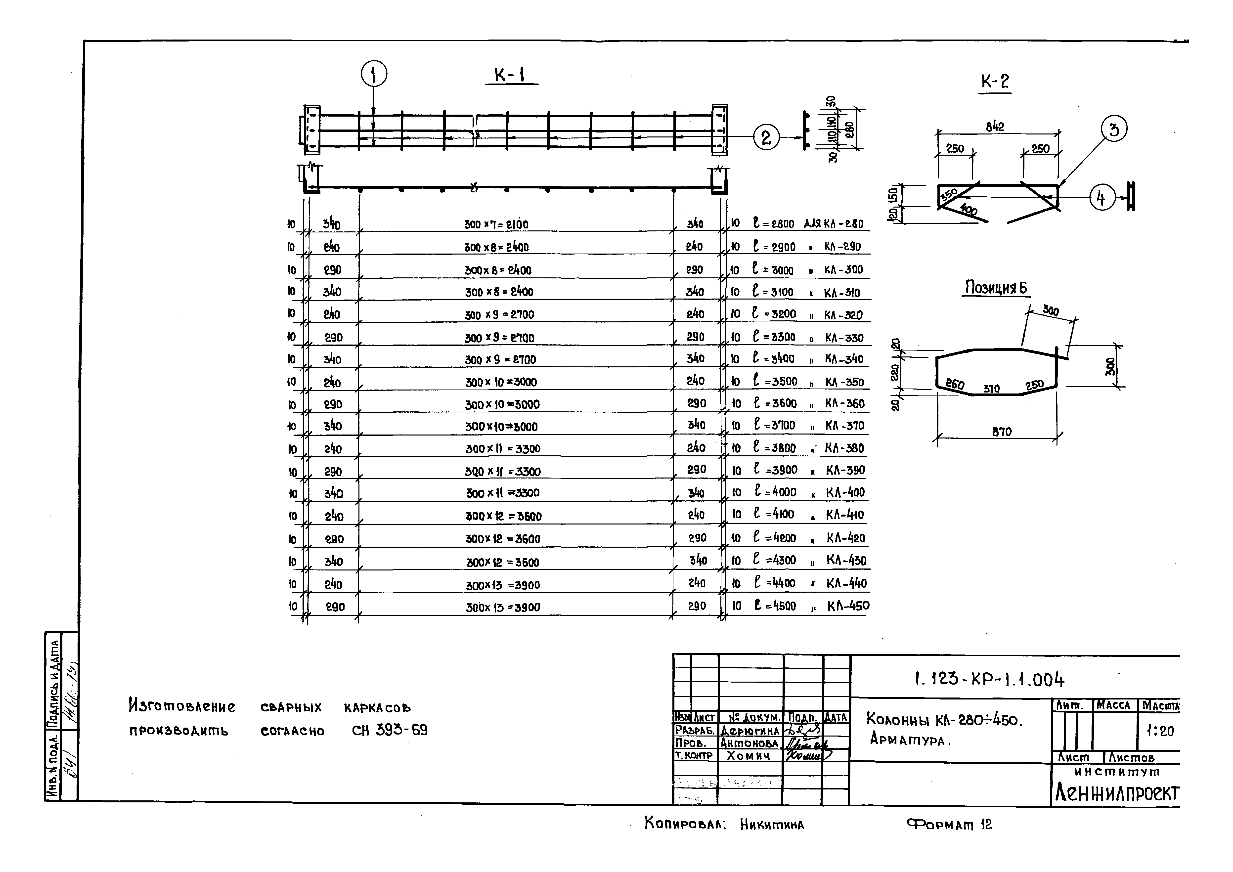
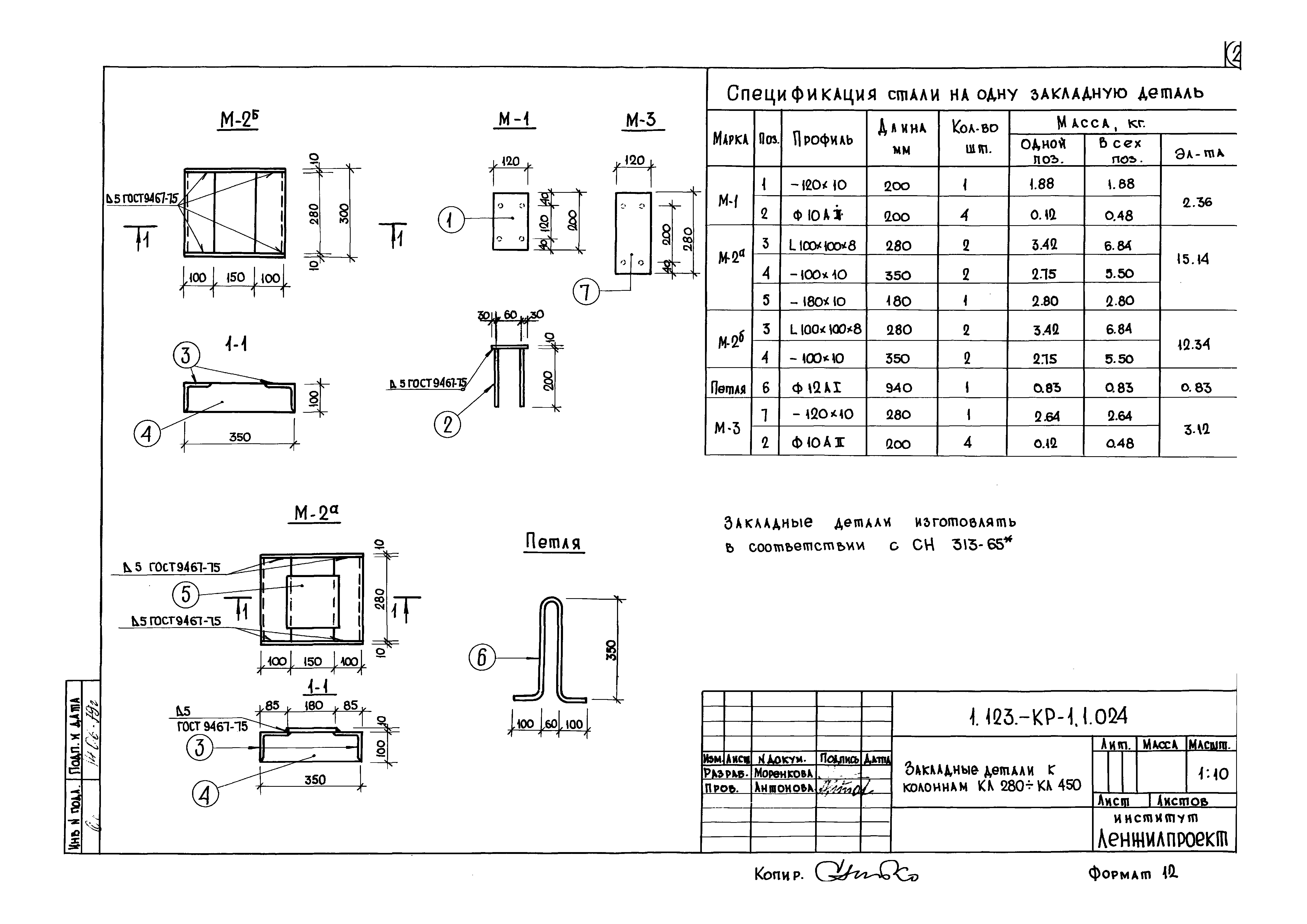
Скачать Серия 1.123-КР-1 Выпуск 1. Альбом I. Рабочие чертежиДата актуализации: 01.01.2021
|
| Обозначение: | Серия 1.123-КР-1 |
| Обозначение англ: | Series 1.123-КР-1 |
| Статус: | действует |
| Название рус.: | Выпуск 1. Альбом I. Рабочие чертежи |
| Дата добавления в базу: | 01.09.2013 |
| Дата актуализации: | 01.01.2021 |
| Дата введения: | 01.01.1977 |
| Разработан: | ЛенжилНИИпроект |
| Утверждён: | ЛенжилНИИпроект |

























