Скачать Серия 1.123-КР-1 Выпуск 5. Альбом I. Рабочие чертежиДата актуализации: 01.01.2021
|
| Обозначение: | Серия 1.123-КР-1 |
| Обозначение англ: | Series 1.123-КР-1 |
| Статус: | действует |
| Название рус.: | Выпуск 5. Альбом I. Рабочие чертежи |
| Дата добавления в базу: | 01.09.2013 |
| Дата актуализации: | 01.01.2021 |
| Дата введения: | 01.01.1977 |
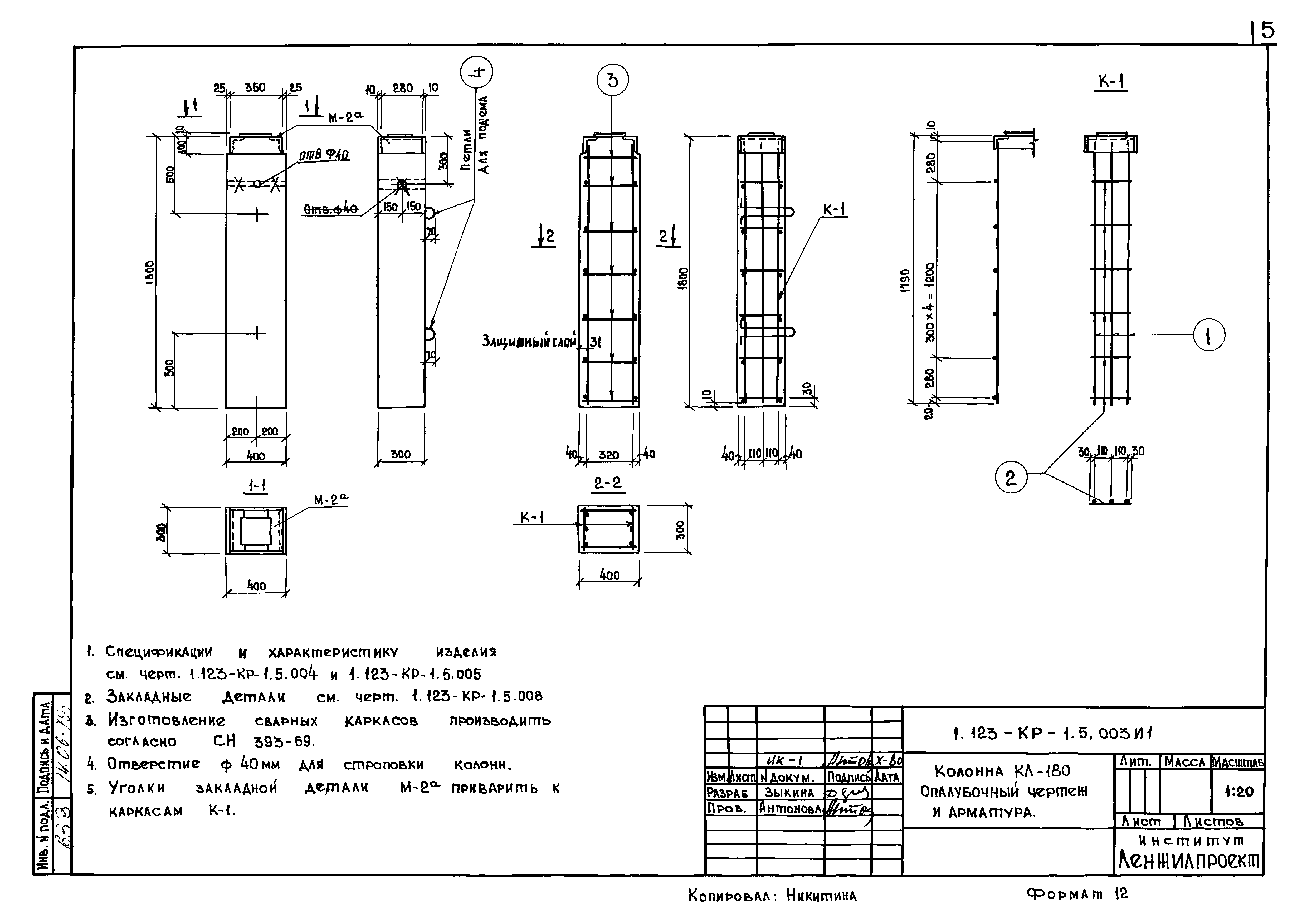
| Оглавление: | 1.23-КР-1.5.000 И1 Содержание альбома 1.23-КР-1.5.ИК-1 Информационная карта 1.23-КР-1.5.001 Пояснительная записка 1.23-КР-1.5.002 Колонна КЛ-180 1.23-КР-1.5.003 И1 Опалубочный чертеж, армирование и арматура 1.23-КР-1.5.004 Спецификации и характеристика изделия при стали класса АII 1.23-КР-1.5.005 Спецификации и характеристика изделия при стали класса АIII 1.23-КР-1.5.006 Закладные детали |
| Разработан: | ЛенжилНИИпроект |
| Утверждён: | ЛенжилНИИпроект |









