Скачать Двухцепные железобетонные опоры со стойками СВ 110, С 112, СВ 164 ВЛ 10 кВ с защищенными проводамиДата актуализации: 01.01.2021
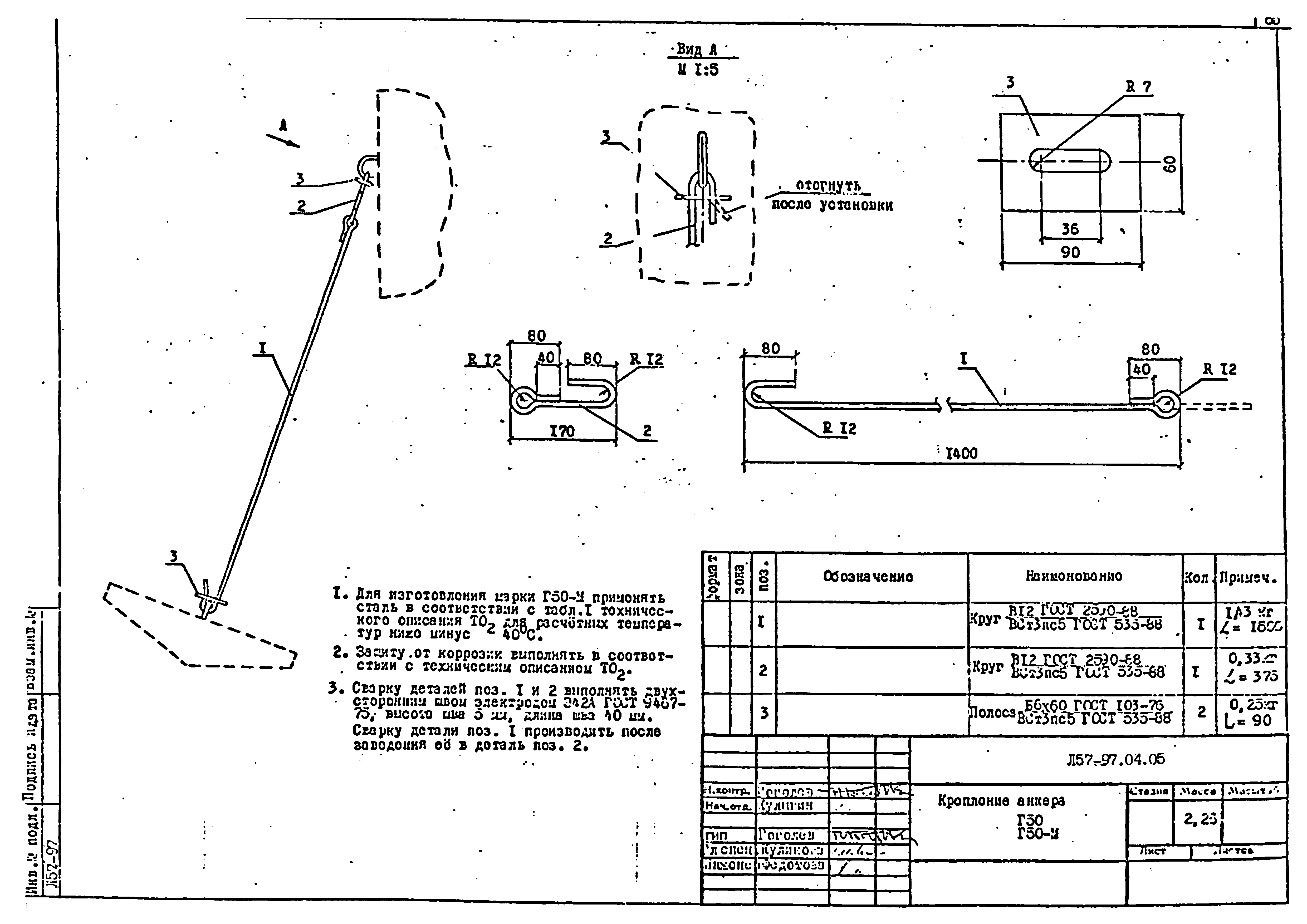
Двухцепные железобетонные опоры со стойками СВ 110, С 112, СВ 164 ВЛ 10 кВ с защищенными проводами| Статус: | не определен законодательством | | Название рус.: | Двухцепные железобетонные опоры со стойками СВ 110, С 112, СВ 164 ВЛ 10 кВ с защищенными проводами | | Дата добавления в базу: | 01.09.2013 | | Дата актуализации: | 01.01.2021 | | Дата введения: | 01.01.1997 | | Дата окончания срока действия: | 30.06.2003 | | Разработан: | АО РОСЭП
| | Утверждён: | 01.01.1997 АО РОСЭП
|
                                                                  
|