Скачать Серия 3.407-112 Выпуск 1. Пояснительная записка и рабочие чертежиДата актуализации: 01.01.2021
|
| Обозначение: | Серия 3.407-112 |
| Обозначение англ: | Series 3.407-112 |
| Статус: | не действует |
| Название рус.: | Выпуск 1. Пояснительная записка и рабочие чертежи |
| Дата добавления в базу: | 01.09.2013 |
| Дата актуализации: | 01.01.2021 |
| Дата введения: | 01.09.1976 |
| Дата окончания срока действия: | 01.09.1991 |
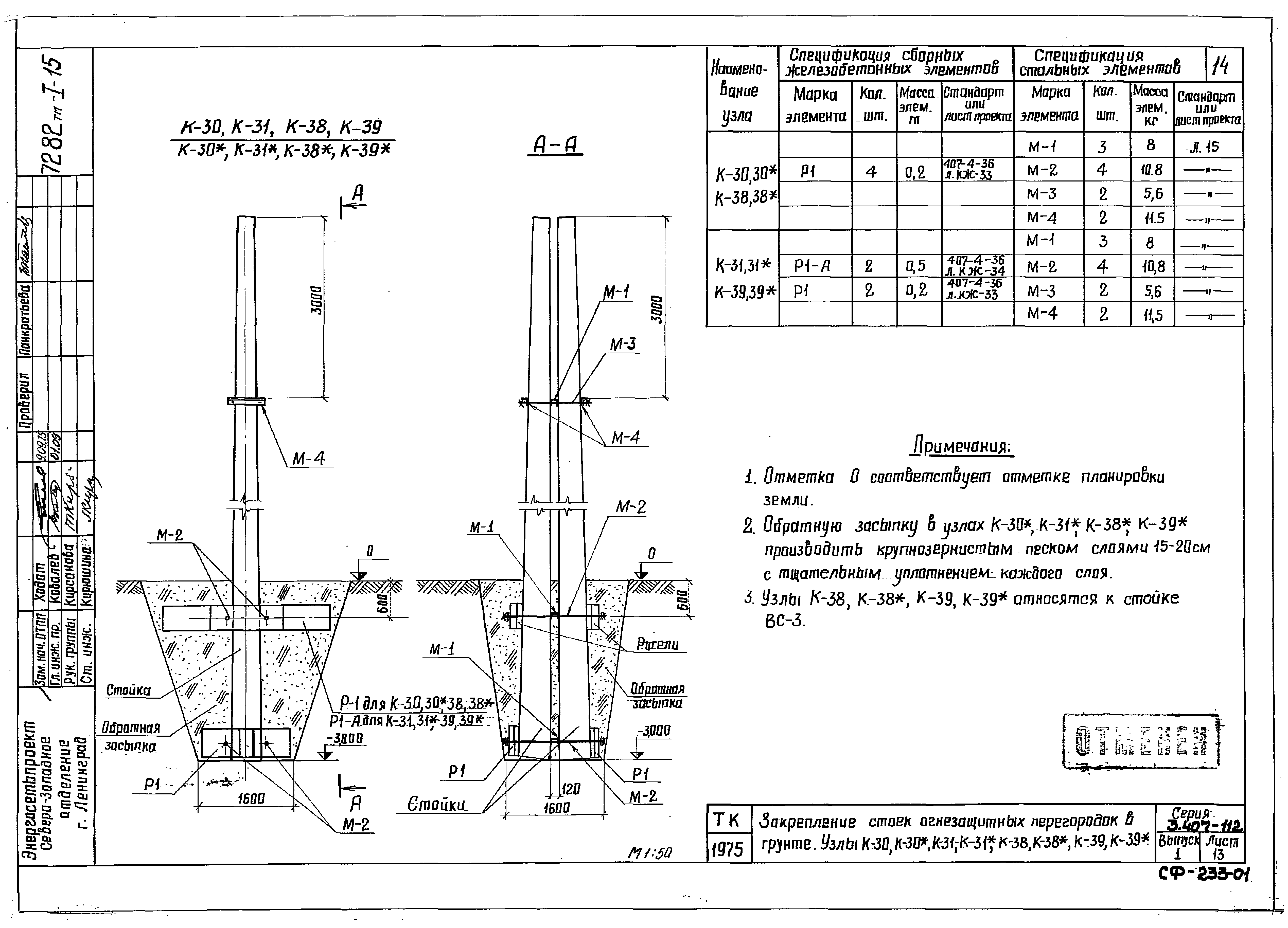
| Оглавление: | 3.407-112 Титульный лист 3.407-112 Перечень листов. Перечень примененных типовых проектов 3.407-112 Пояснительная записка 3.407-112 Таблица предельных опрокидывающих моментов закреплений стоек в грунте 3.407-112 Таблица единичных углов поворота стоек в грунте 3.407-112 Монтажная схема огнезащитной перегородки типа УПО-1 3.407-112 Монтажная схема огнезащитной перегородки типа УПО-2 3.407-112 Монтажная схема огнезащитной перегородки типа УПО-3 3.407-112 Закрепление стоек огнезащитных перегородок в грунте. Узлы К-26,К-27,К-34,К-35 3.407-112 Закрепление стоек огнезащитных перегородок в грунте. Узлы К-28,К-28*,К-29,К-29*,К-36,К-36*,К-37,К-37* 3.407-112 Закрепление стоек огнезащитных перегородок в грунте. Узлы К-30,К-30*,К-31,К-31*,К-38,К-38*,К-39,К-39* 3.407-112 Закрепление стоек огнезащитных перегородок в грунте. Узлы К-32,К-32*,К-33,К-33*,К-40,К-40*,К-41,К-41* 3.407-112 Металлоконструкции. Марки М-1÷М-4 |
| Разработан: | Северо-западное отделение института Энергосетьпроект |
| Утверждён: | 11.11.1975 Минэнерго СССР (USSR Minenergo 202) |
| Чем заменён: |
















