Скачать Типовой проект 902-2-345 Альбом III. Архитектурно-строительная частьДата актуализации: 01.01.2021
|
| Обозначение: | Типовой проект 902-2-345 |
| Обозначение англ: | 902-2-345 |
| Статус: | не действует |
| Название рус.: | Альбом III. Архитектурно-строительная часть |
| Дата добавления в базу: | 01.09.2013 |
| Дата актуализации: | 01.01.2021 |
| Дата введения: | 08.07.1981 |
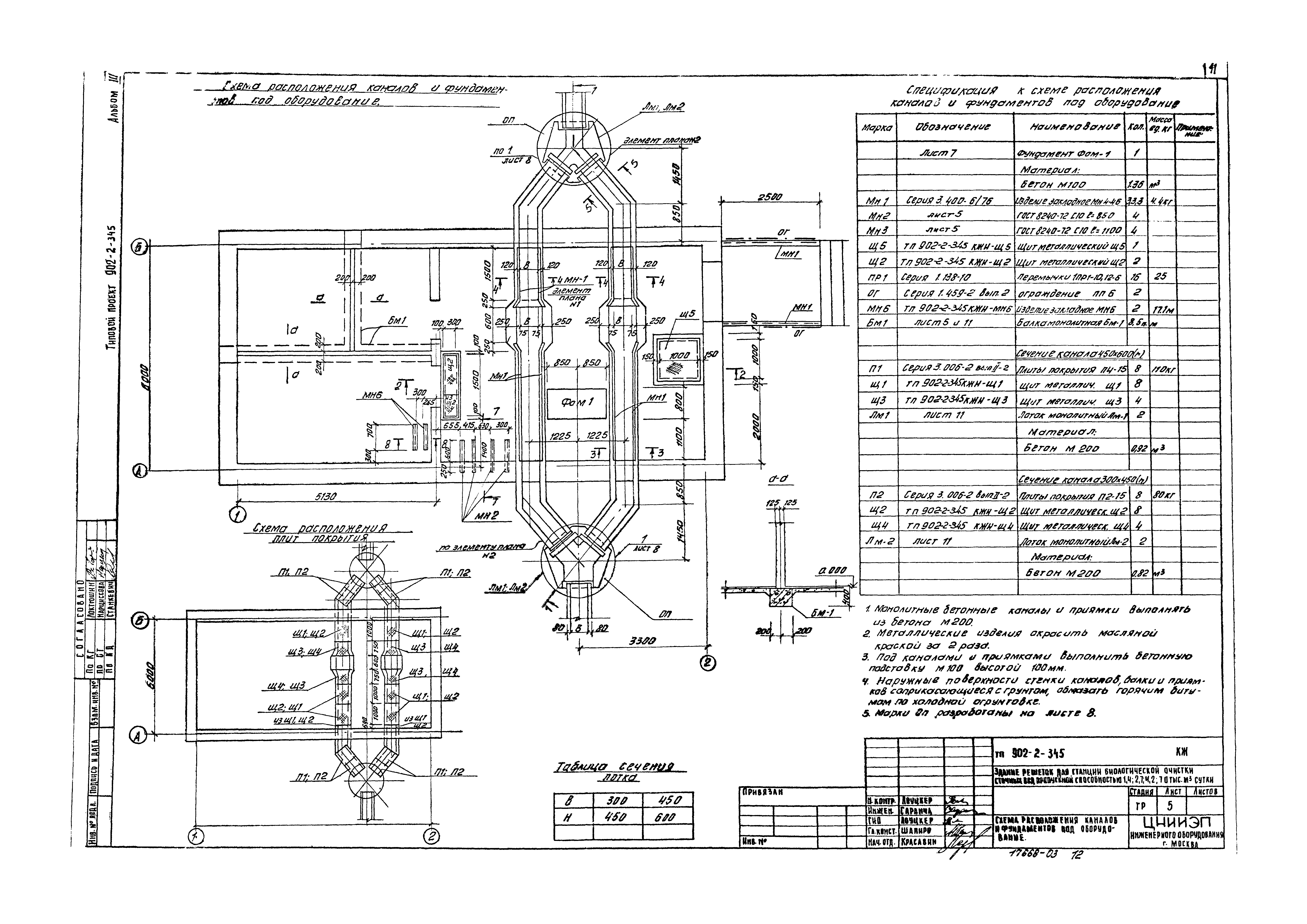
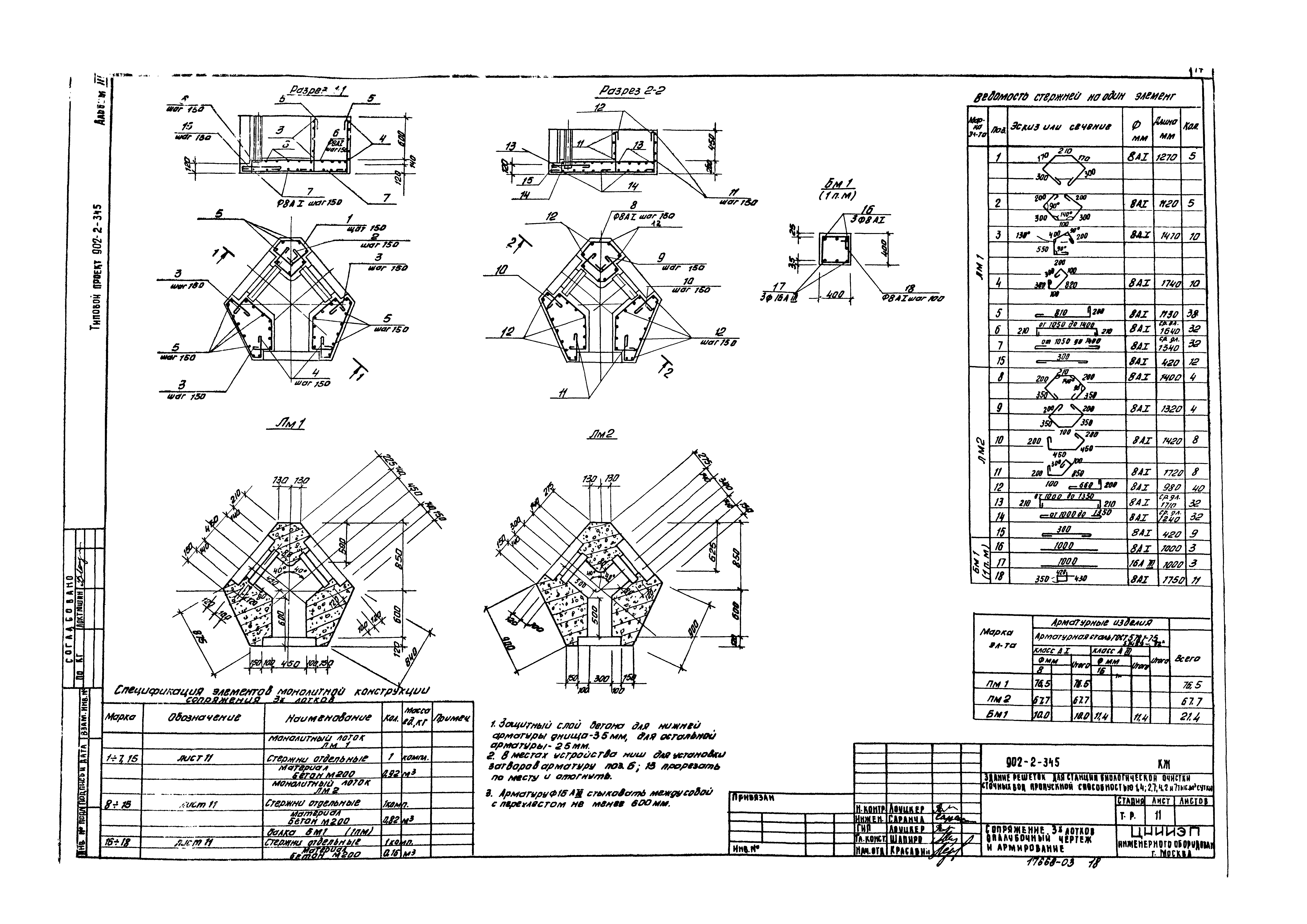
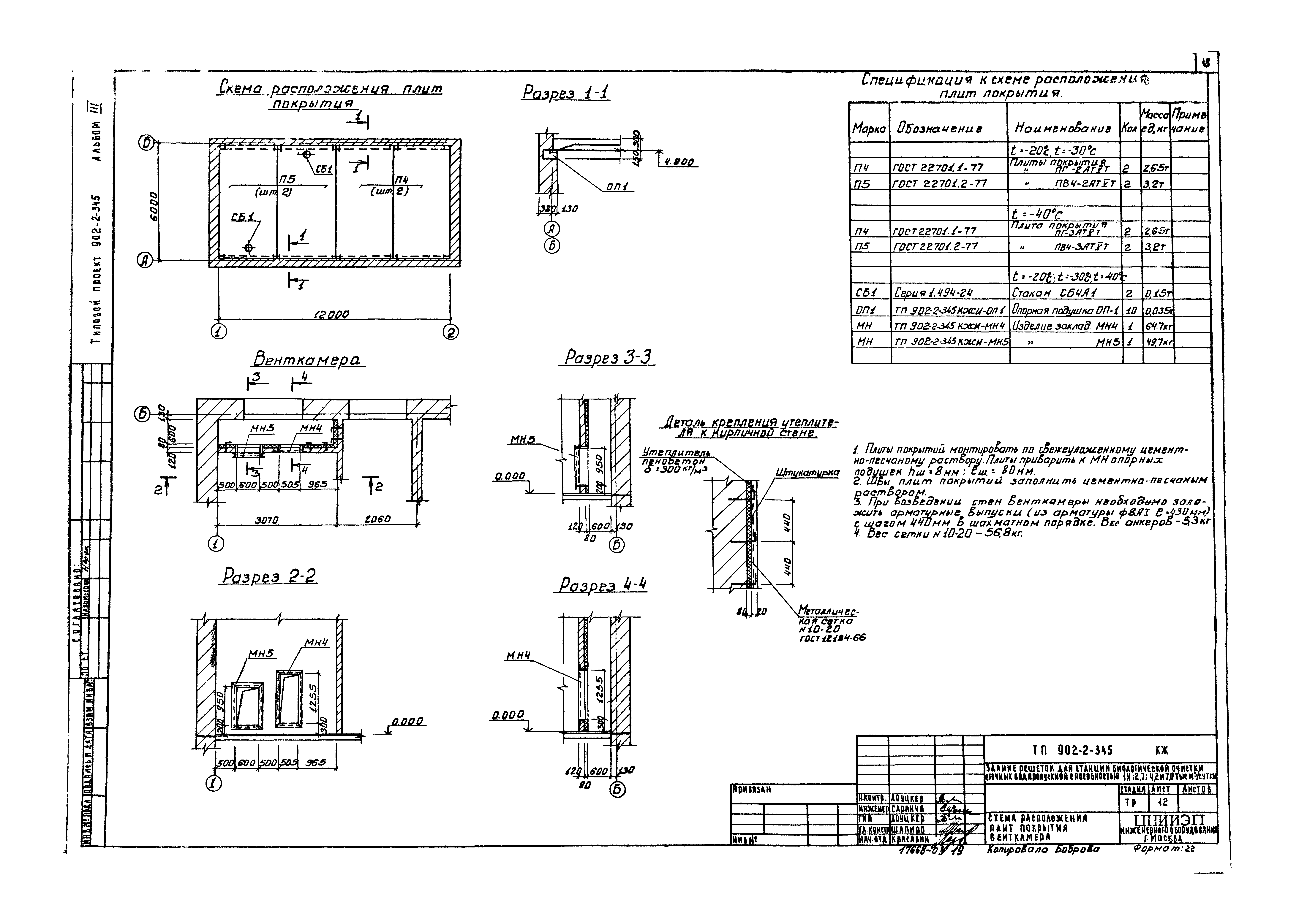
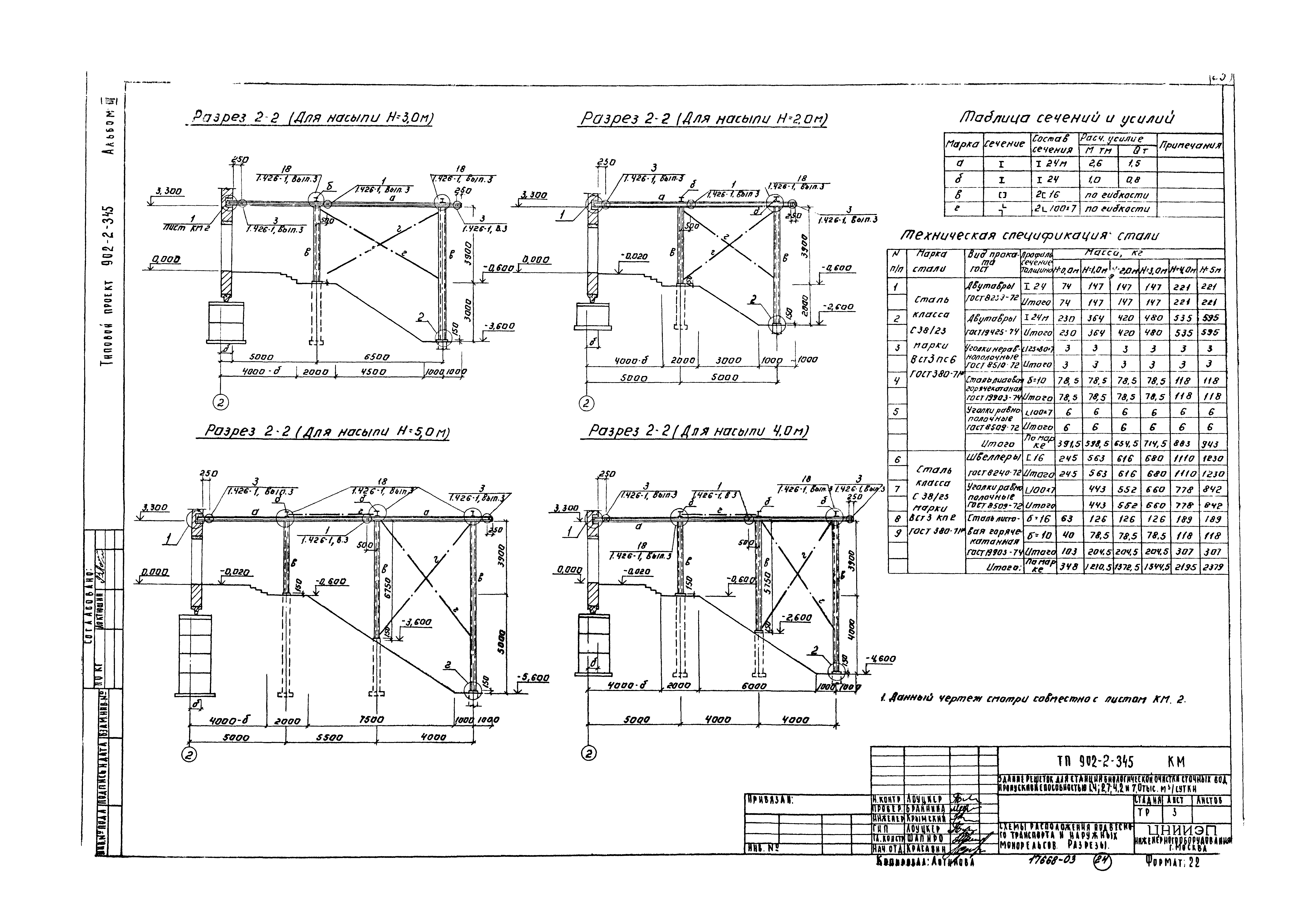
| Оглавление: | ТП 902-2-345-АР Архитектурные решения (марки АР) ТП 902-2-345-АР-1 Общие данные (начало) ТП 902-2-345-АР-2 Общие данные (окончание) ТП 902-2-345-АР-3 План на отм. 0.000. Разрезы 1-1; 2-2. Фасады 1-2, А-Б, 2-1 ТП 902-2-345-АР-4 Разрезы 1-1 (для вариантов с насыпями разной высоты ТП 902-2-345-КЖ Конструкции железобетонные (марки КЖ) ТП 902-2-345-КЖ-1 Общие данные ТП 902-2-345-КЖ-2 Схема расположения фундаментных блоков (при насыпи Н=0.0 м;Н=1.0 м) ТП 902-2-345-КЖ-3 Схема расположения фундаментных балок и опор ТП 902-2-345-КЖ-4 Схема расположения фундаментных балок и опор. Фрагменты для t=-40ºС;ПМ-1,ПМ-2. Арматурный чертеж ТП 902-2-345-КЖ-5 Схема расположения каналов и фундаментов под оборудование ТП 902-2-345-КЖ-6 Разрезы 1-1, 2-2 для разных высот насыпей ТП 902-2-345-КЖ-7 Элементы планов № 1, № 2. Разрезы 3-3÷8-8 ТП 902-2-345-КЖ-8 Узел сопряжения 3х лотков с опорой ТП 902-2-345-КЖ-9 Армирование монолитного канала. План. Разрез 1-1 ТП 902-2-345-КЖ-10 Армирование монолитного канала. Сечения 3-3÷6-6 ТП 902-2-345-КЖ-11 Сопряжение 3х лотков. Опалубочный чертеж и армирование ТП 902-2-345-КЖ-12 Схема расположения плит покрытия. Венткамера ТП 902-2-345-КЖ-13 Схемы расположения фундаментов под монорельсы ТП 902-2-345-КЖ-14 Фундаменты под монорельсы. Спецификация ТП 902-2-345-КМ Конструкции металлические (марки КМ) ТП 902-2-345-КМ-1 Общие данные ТП 902-2-345-КМ-2 Схемы расположения подвесного транспорта и наружных монорельсов ТП 902-2-345-КМ-3 Схемы расположения подвесного транспорта и наружных монорельсов. Разрезы |
| Разработан: | ЦНИИЭП |
| Утверждён: | 20.02.1981 Госгражданстрой (Gosgrazhdanstroy 59) |
| Чем заменён: |























