Скачать Типовой проект 902-2-420.86 Альбом IV. Строительные изделияДата актуализации: 01.01.2021
|
| Обозначение: | Типовой проект 902-2-420.86 |
| Обозначение англ: | 902-2-420.86 |
| Статус: | действует |
| Название рус.: | Альбом IV. Строительные изделия |
| Дата добавления в базу: | 01.09.2013 |
| Дата актуализации: | 01.01.2021 |
| Дата введения: | 26.06.1986 |
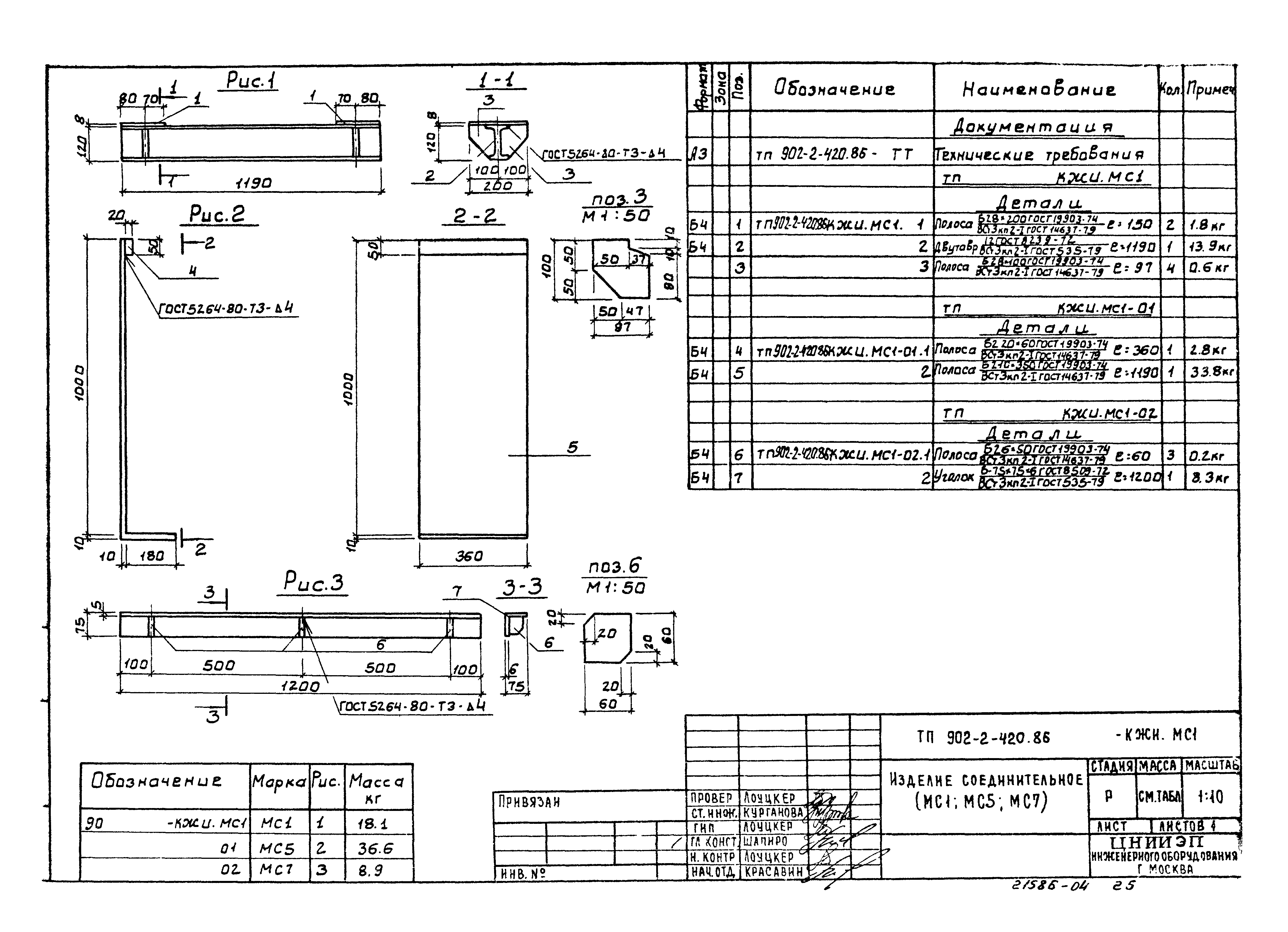
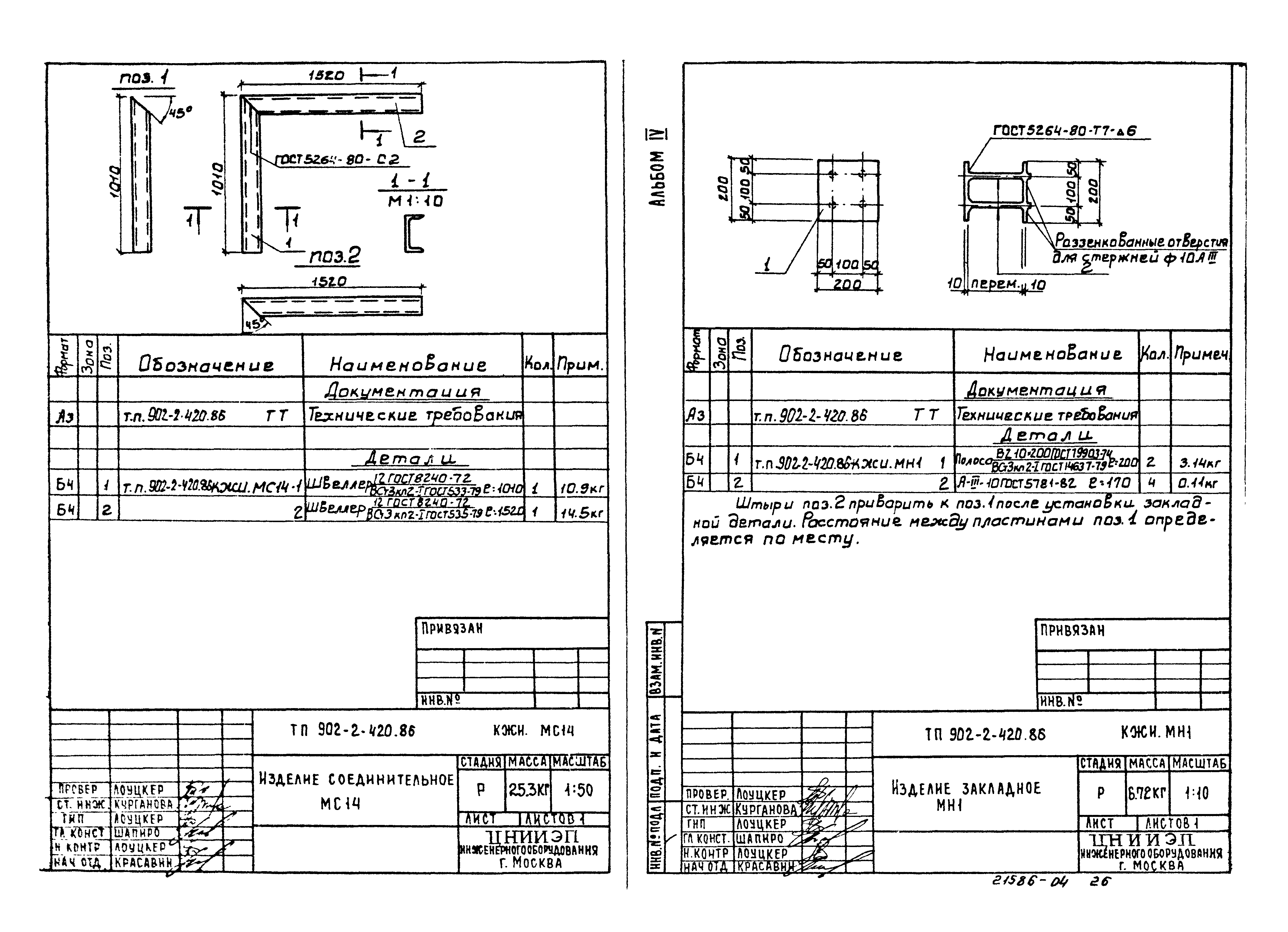
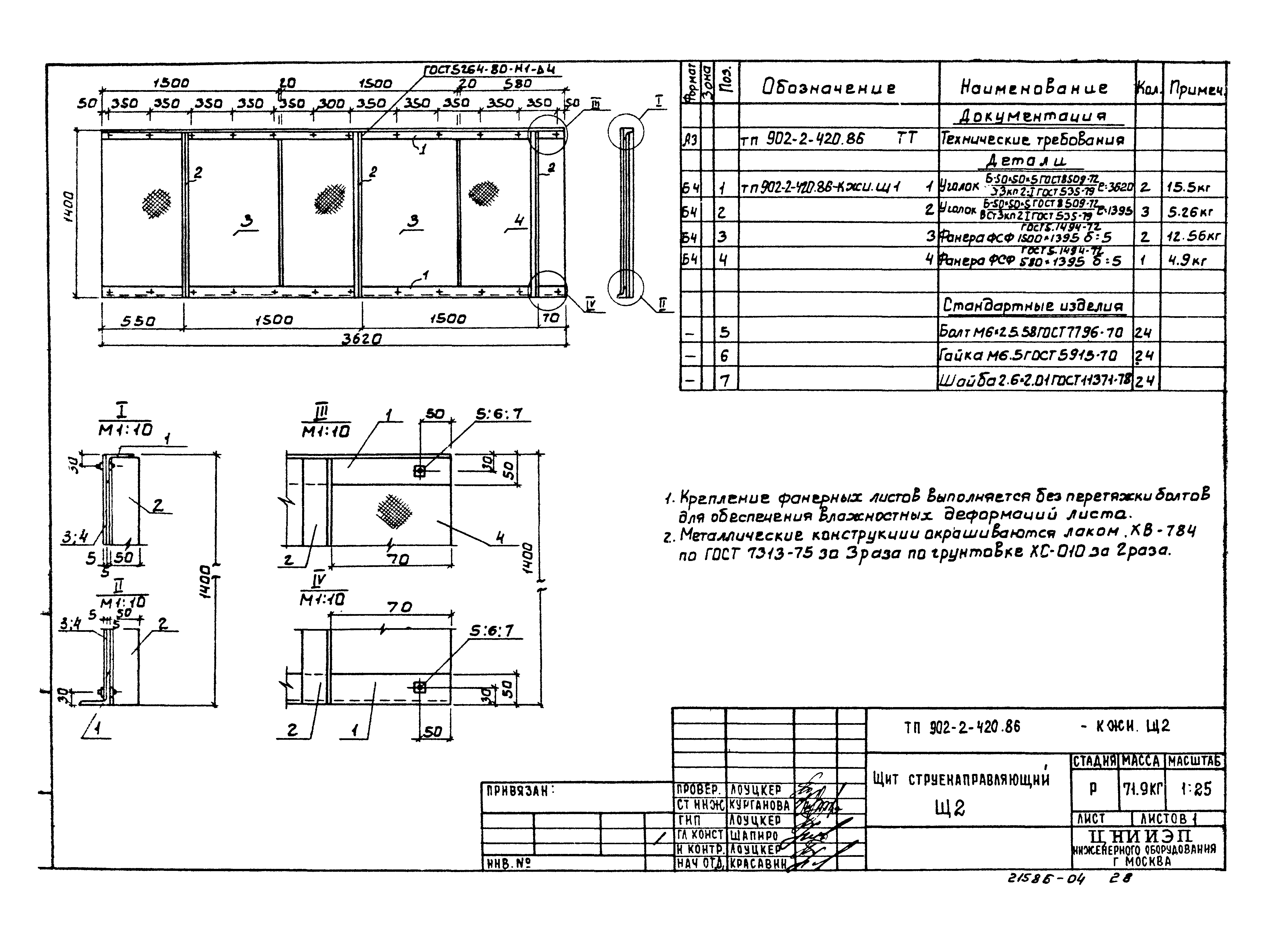
| Оглавление: | ТП 902-2-420.86-КЖИ-ТТ Технические требования ТП 902-2-420.86-КЖИ-ПС3 Панель стеновая (ПС3,ПС4) ТП 902-2-420.86-КЖИ-ПС5 Панель стеновая (ПС5,ПС6) ТП 902-2-420.86-КЖИ-ПС7 Панель стеновая (ПС7,ПС8) ТП 902-2-420.86-КЖИ-ПС9 Панель стеновая (ПС9,ПС10) ТП 902-2-420.86-КЖИ-ПС11 Панель стеновая (ПС11,ПС12) ТП 902-2-420.86-КЖИ-ПС13 Панель стеновая (ПС13,ПС14) ТП 902-2-420.86-КЖИ-ПС15 Панель стеновая (ПС15,ПС16) ТП 902-2-420.86-КЖИ-ПГ2 Панель перегородочная (ПГ2,ПГ3) ТП 902-2-420.86-КЖИ-П2 Плита П2 ТП 902-2-420.86-КЖИ-П3 Плита П3 ТП 902-2-420.86-КЖИ-П4 Плита П4 ТП 902-2-420.86-КЖИ-П5 Плита П5 ТП 902-2-420.86-КЖИ-Б1 Балка Б1 ТП 902-2-420.86-КЖИ-Б2 Балка Б2 ТП 902-2-420.86-КЖИ-ЛТ1 Лоток ЛТ1 ТП 902-2-420.86-КЖИ-ЛТ2 Лоток ЛТ2 ТП 902-2-420.86-КЖИ-ЛТ3 Лоток ЛТ3 ТП 902-2-420.86-КЖИ-ЛТ4 Лоток ЛТ4 ТП 902-2-420.86-КЖИ-ЛТ5 Лоток ЛТ5 ТП 902-2-420.86-КЖИ-ЛТф1 Лоток фильтросный ЛТф1 ТП 902-2-420.86-КЖИ-ЛТф1-С1 Сетка арматурная ЛТф1-С1 ТП 902-2-420.86-КЖИ-ЛТф1-С2 Сетка арматурная ЛТф1-С2 ТП 902-2-420.86-КЖИ-ЛТф2 Лоток фильтросный ЛТф2 ТП 902-2-420.86-КЖИ-ЛТф2-С1 Сетка арматурная ЛТф2-С1 ТП 902-2-420.86-КЖИ-ЛТф2-С2 Сетка арматурная ЛТф2-С2 ТП 902-2-420.86-КЖИ-В1 Водослив (В1,В2,В3) ТП 902-2-420.86-КЖИ-МС1 Изделие соединительное (МС1,МС5,МС7) ТП 902-2-420.86-КЖИ-МС14 Изделие соединительное МС14 ТП 902-2-420.86-КЖИ-МН1 Изделие закладное МН1 ТП 902-2-420.86-КЖИ-Щ1 Щит струенаправляющий Ш1 ТП 902-2-420.86-КЖИ-Щ2 Щит струенаправляющий Ш2 ТП 902-2-420.86-КЖИ-С1 Сетка арматурная С1 ТП 902-2-420.86-КЖИ-С2 Сетка арматурная С2 ТП 902-2-420.86-КЖИ-С3 Сетка арматурная С3 ТП 902-2-420.86-КЖИ-С4 Сетка арматурная С4 ТП 902-2-420.86-КЖИ-С5 Сетка арматурная (С5,С6) ТП 902-2-420.86-КЖИ-С7 Сетка арматурная С7 ТП 902-2-420.86-КЖИ-С8 Сетка арматурная С8 ТП 902-2-420.86-КЖИ-КП1 Каркас пространственный КП1 ТП 902-2-420.86-КЖИ-КР1 Каркас плоский КР1 ТП 902-2-420.86-КЖИ-КП2 Каркас пространственный КП2 ТП 902-2-420.86-КЖИ-КР1 Каркас плоский КР1 ТП 902-2-420.86-КЖИ-КП3 Каркас пространственный КП3 ТП 902-2-420.86-КЖИ-КР1 Каркас плоский КР1 |
| Разработан: | ЦНИИЭП |
| Утверждён: | 19.08.1982 Госгражданстрой (Gosgrazhdanstroy 224) |



































