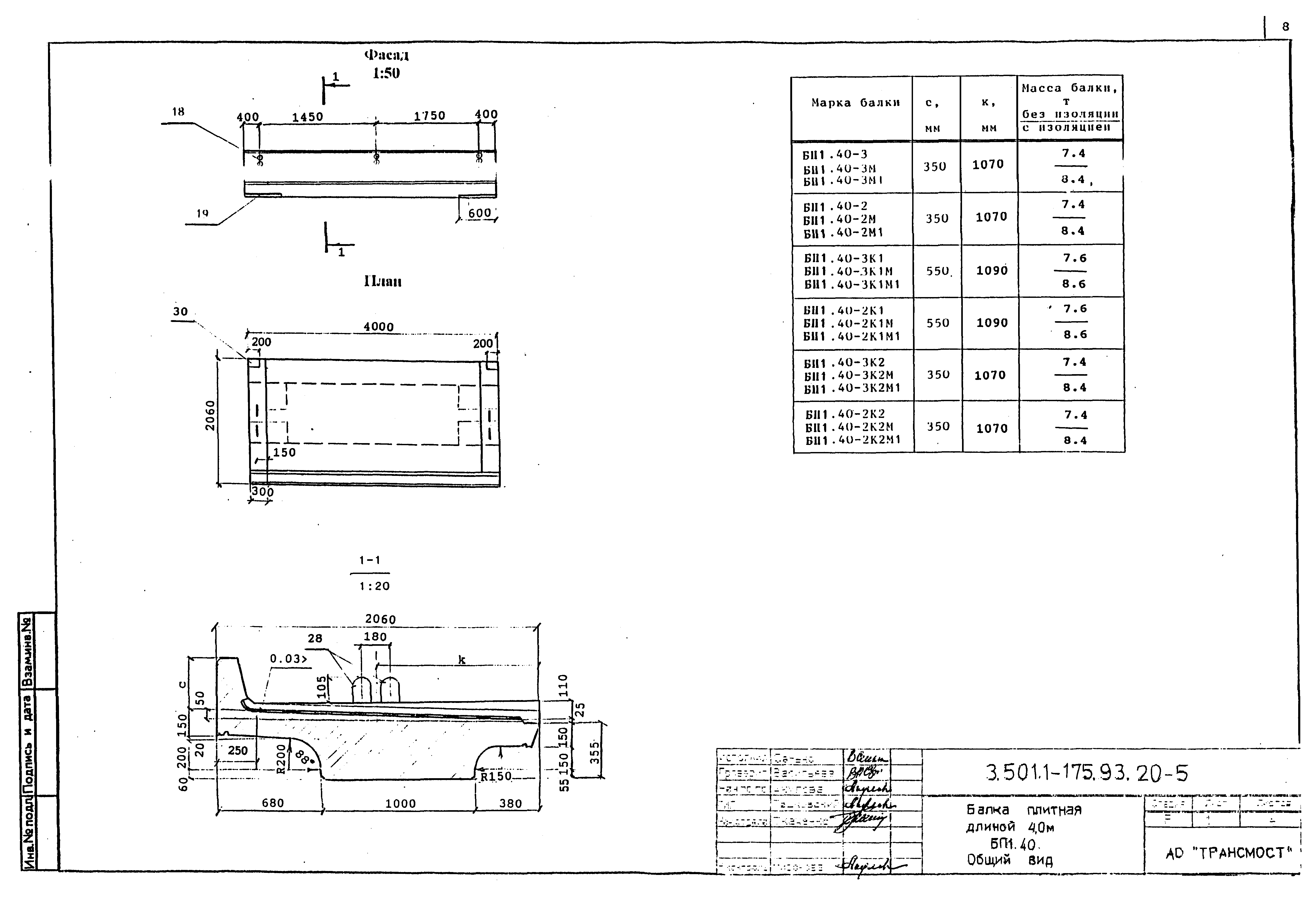
Скачать Серия 3.501.1-175.93 Выпуск 20. Балка плитная длиной 4,0 м с ненапрягаемой арматурой. Рабочие чертежиДата актуализации: 01.01.2021 Серия 3.501.1-175.93
Выпуск 20. Балка плитная длиной 4,0 м с ненапрягаемой арматурой. Рабочие чертежи| Обозначение: | Серия 3.501.1-175.93 | | Обозначение англ: | Series 3.501.1-175.93 | | Статус: | действует | | Название рус.: | Выпуск 20. Балка плитная длиной 4,0 м с ненапрягаемой арматурой. Рабочие чертежи | | Дата добавления в базу: | 01.09.2013 | | Дата актуализации: | 01.01.2021 | | Дата введения: | 15.05.2002 | | Разработан: | АО Трансмост
| | Утверждён: | 22.10.1996 МПС РФ (Russian Federation Ministry of Railroads М-926у)
|
                
|