Скачать Типовой проект 902-2-419.86 Альбом I. Общая пояснительная записка (из ТП 902-2-418.86)Дата актуализации: 01.01.2021
|
| Обозначение: | Типовой проект 902-2-419.86 |
| Обозначение англ: | 902-2-419.86 |
| Статус: | заменен |
| Название рус.: | Альбом I. Общая пояснительная записка (из ТП 902-2-418.86) |
| Дата добавления в базу: | 01.09.2013 |
| Дата актуализации: | 01.01.2021 |
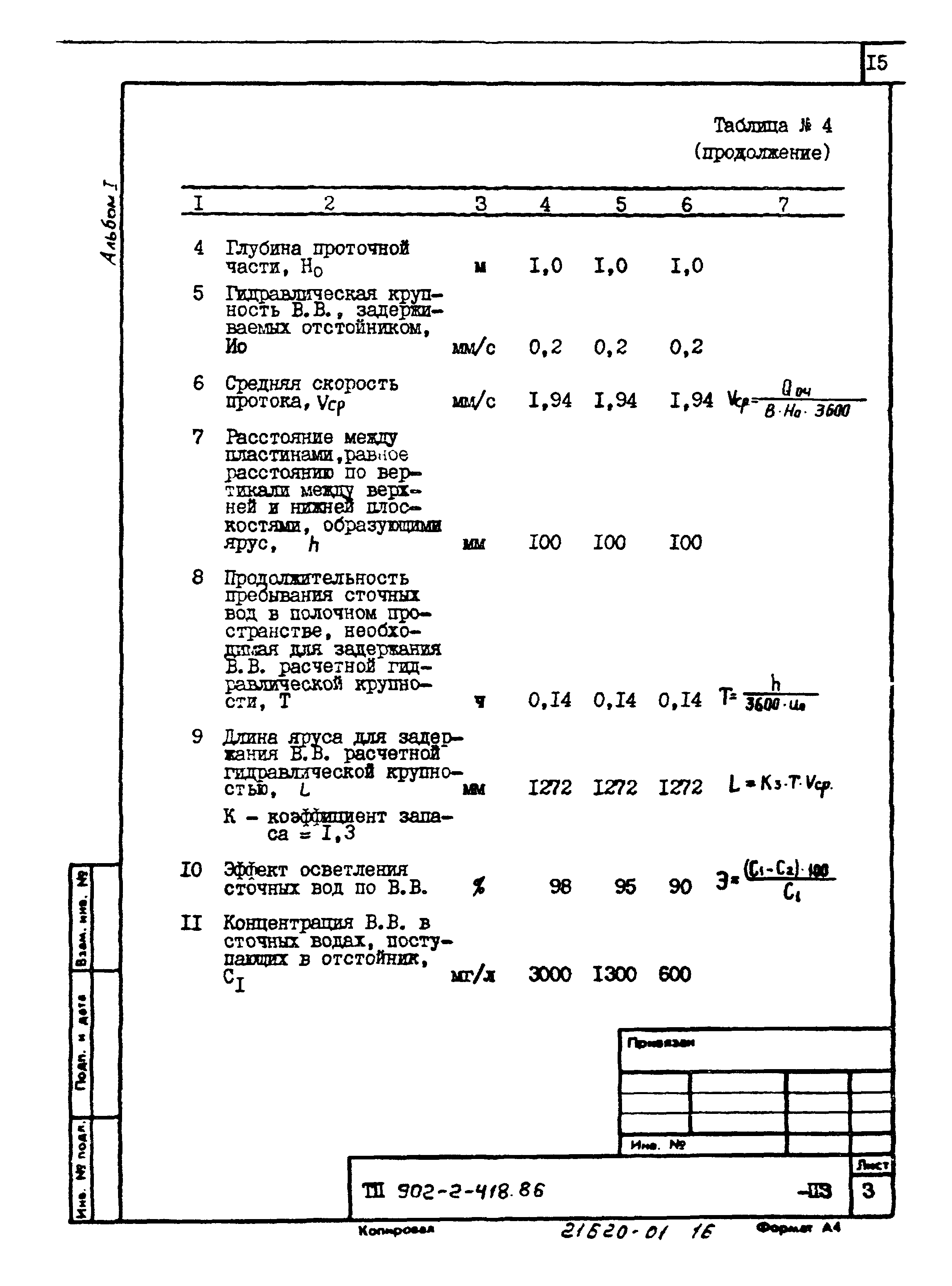
| Оглавление: | 1. Исходные данные для проектирования 2. Применение проекта. Указание по привязке, эксплуатации и технике безопасности. Контроль работы сооружений. Противопожарные мероприятия 2.1. Применение проекта 2.2. Указания по привязке 2.3. Указания по эксплуатации 2.4. Мероприятия по технике безопасности 2.5. Контроль работы сооружений 2.6. Противопожарные мероприятия 3. Краткая характеристика объекта 3.1.Состав сооружений и оборудования 3.2. Расчет сооружений и оборудования 3.2.1. Горизонтальный отстойник 3.2.2. Фильтры 3.2.3. Водозаборная камера и резервуар для сбора масла 3.2.4. Очищающая способность очистных сооружений по тетраэтилсвинцу 4. Потребность в воде, электрической энергии и материалах 5. Прогрессивность и экономичность основных проектных решений 5.1. Обследование действующих очистных сооружений 5.2. Новые прогрессивные решения и сравнение с действующими проектами 5.2.1. Эффективность очистки сточных вод 5.2.2. Характеристика основного оборудования 5.3. Экономия основных строительных материалов и мероприятия по снижению сметной стоимости 6. Основные технико-экономические показатели 7. Основные проектные решения по комплексному, рациональному и экономному использованию трудовых, материальных и энергетических ресурсов 8. Мероприятия по охране окружающей среды 9. Технология производства 10. Строительные решения 11. Электротехническая часть |
| Разработан: | Гипроавтотранс |
| Утверждён: | 10.06.1986 Минавтотранс РСФСР (Russian Federation Minavtotrans 14) |








































