Скачать Типовой проект 705-1-196.85 Альбом II. Строительные изделияДата актуализации: 01.01.2021
|
| Обозначение: | Типовой проект 705-1-196.85 |
| Обозначение англ: | 705-1-196.85 |
| Статус: | действует |
| Название рус.: | Альбом II. Строительные изделия |
| Дата добавления в базу: | 01.09.2013 |
| Дата актуализации: | 01.01.2021 |
| Дата введения: | 12.11.1985 |
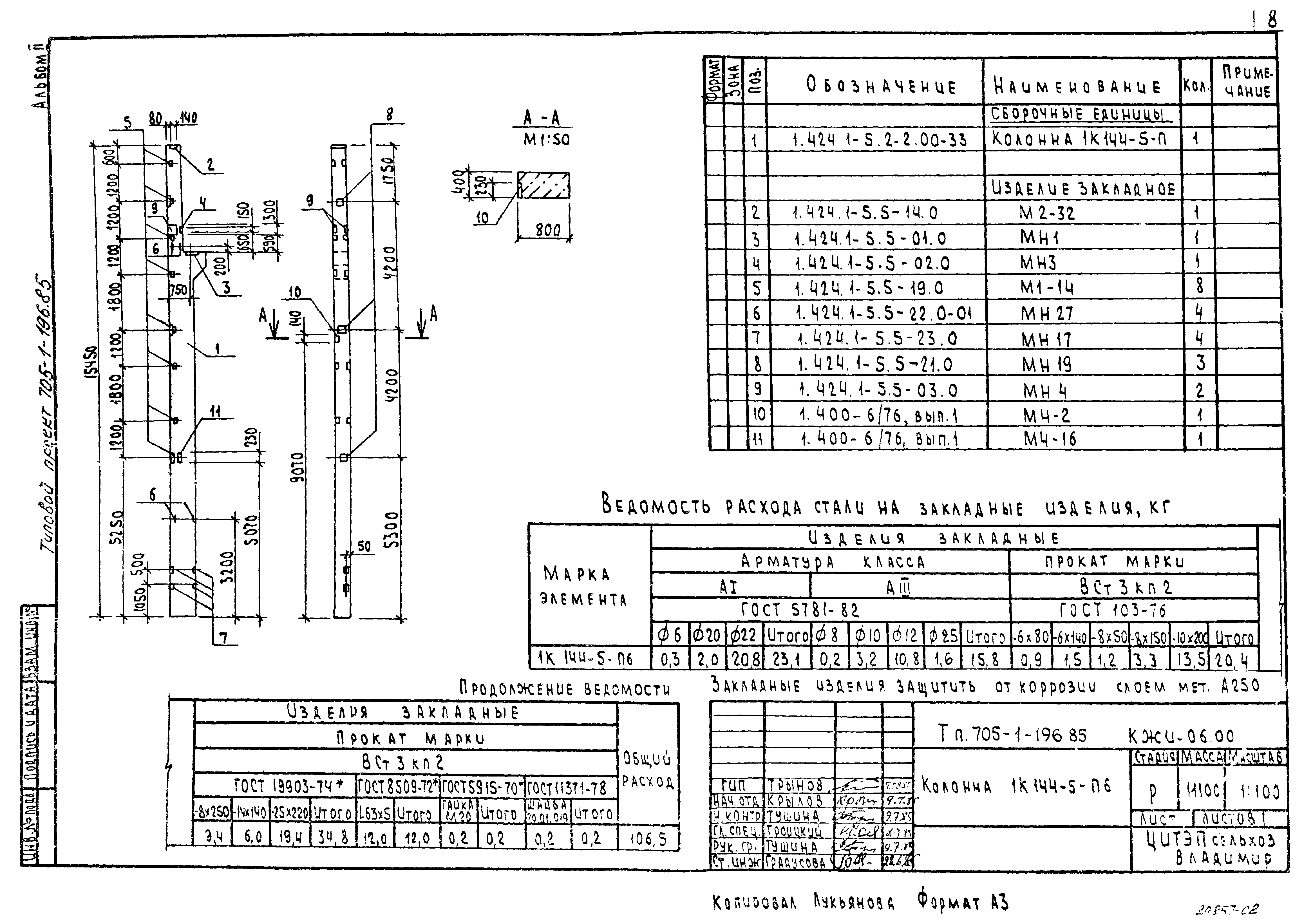
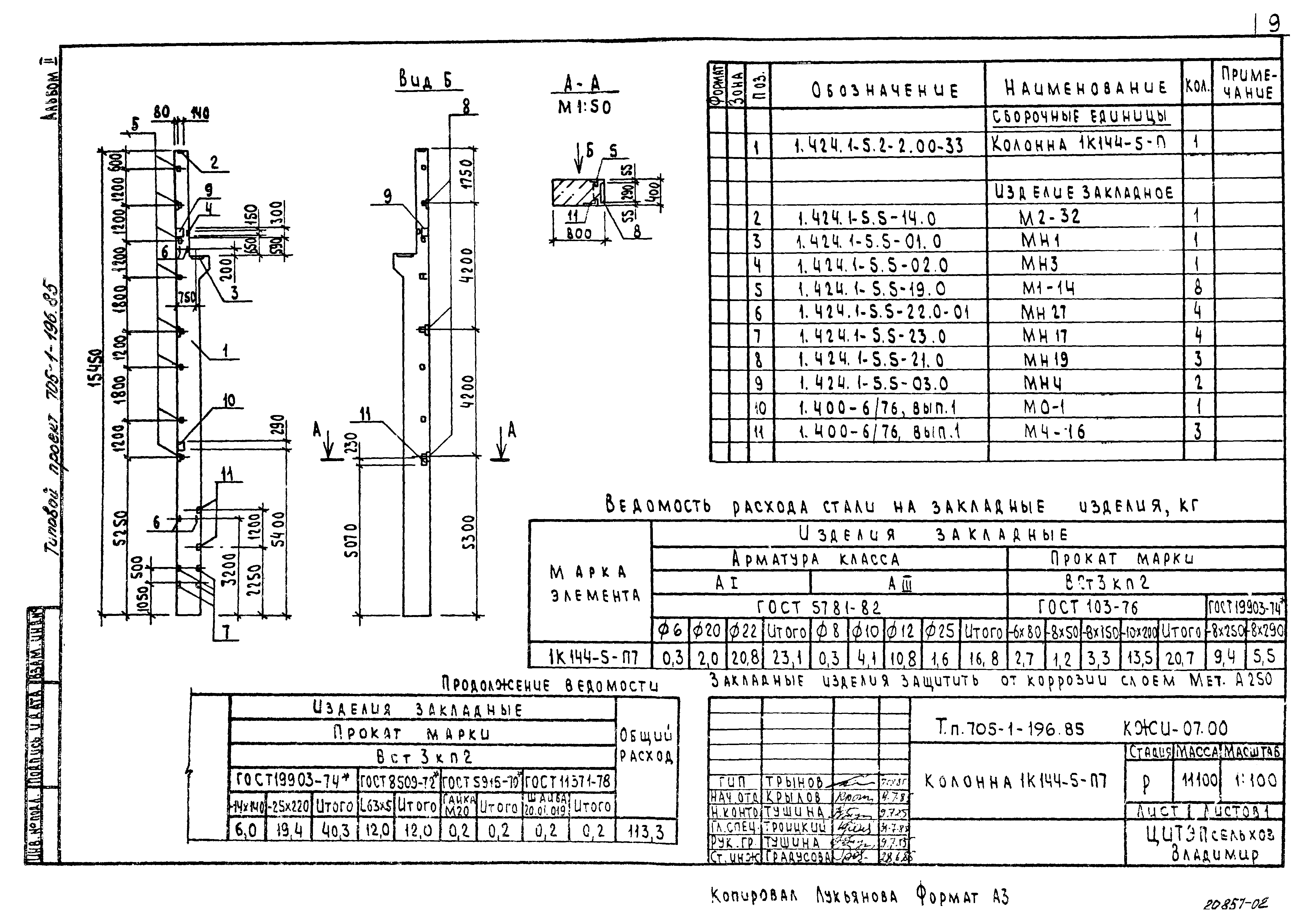
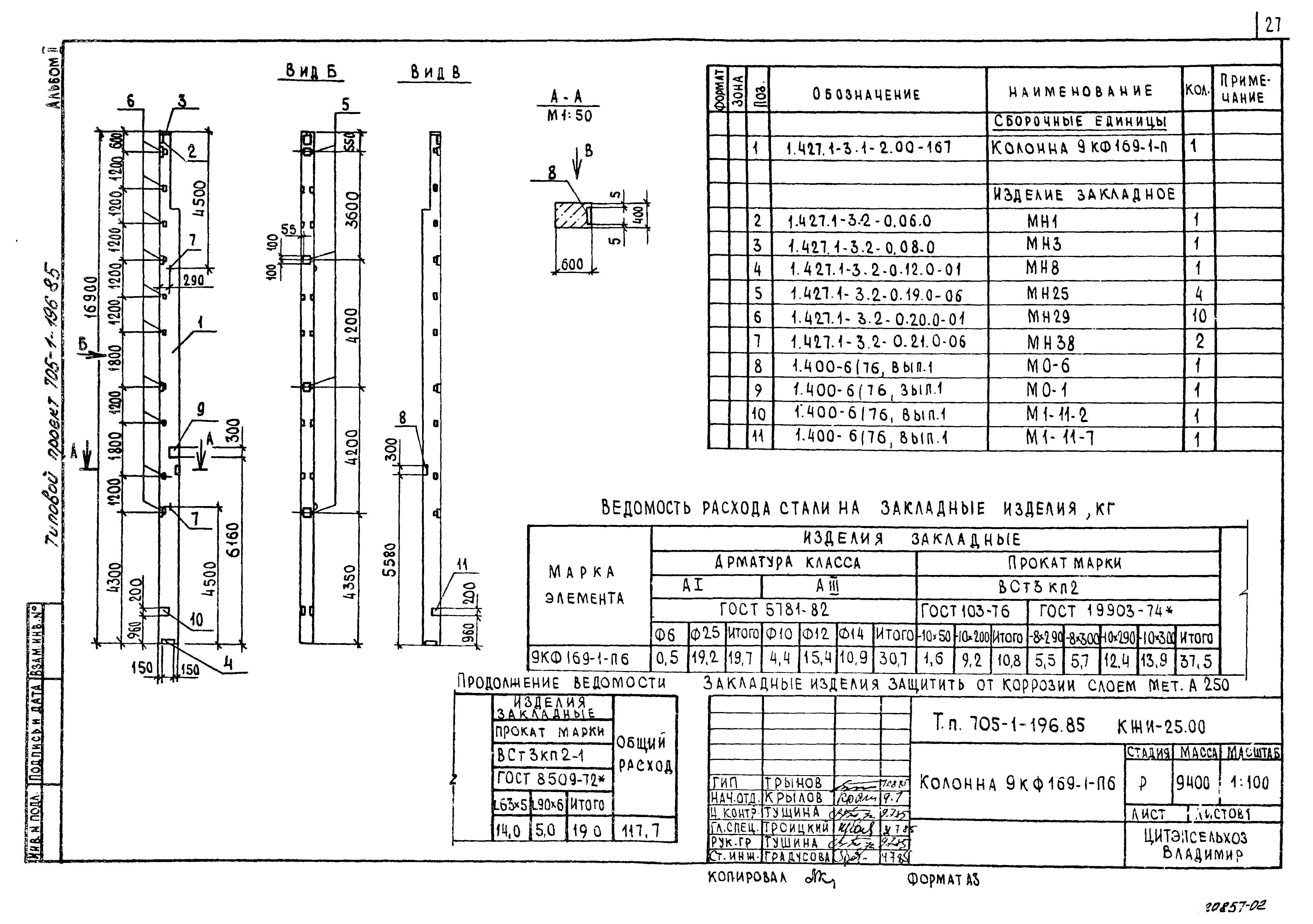
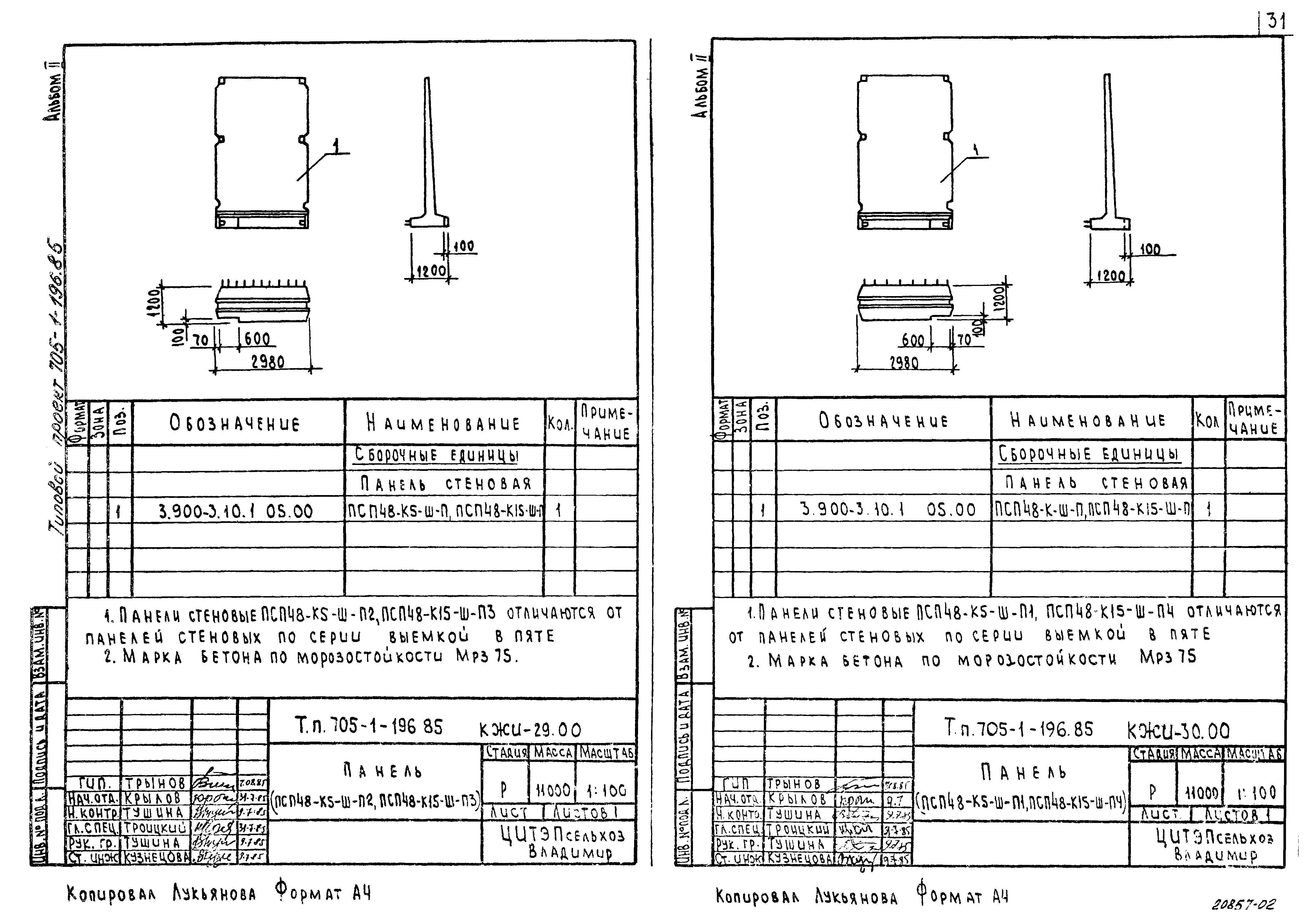
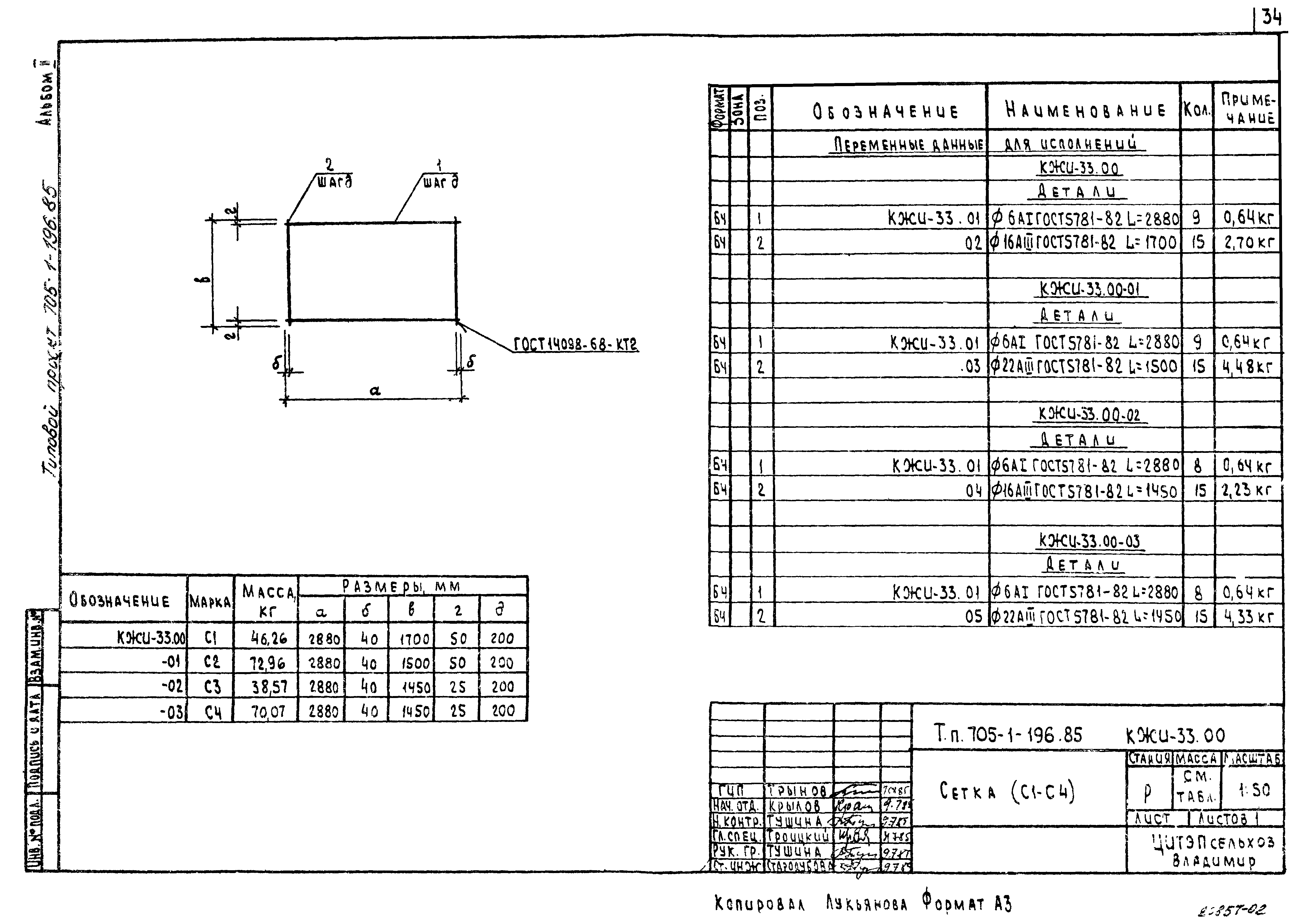
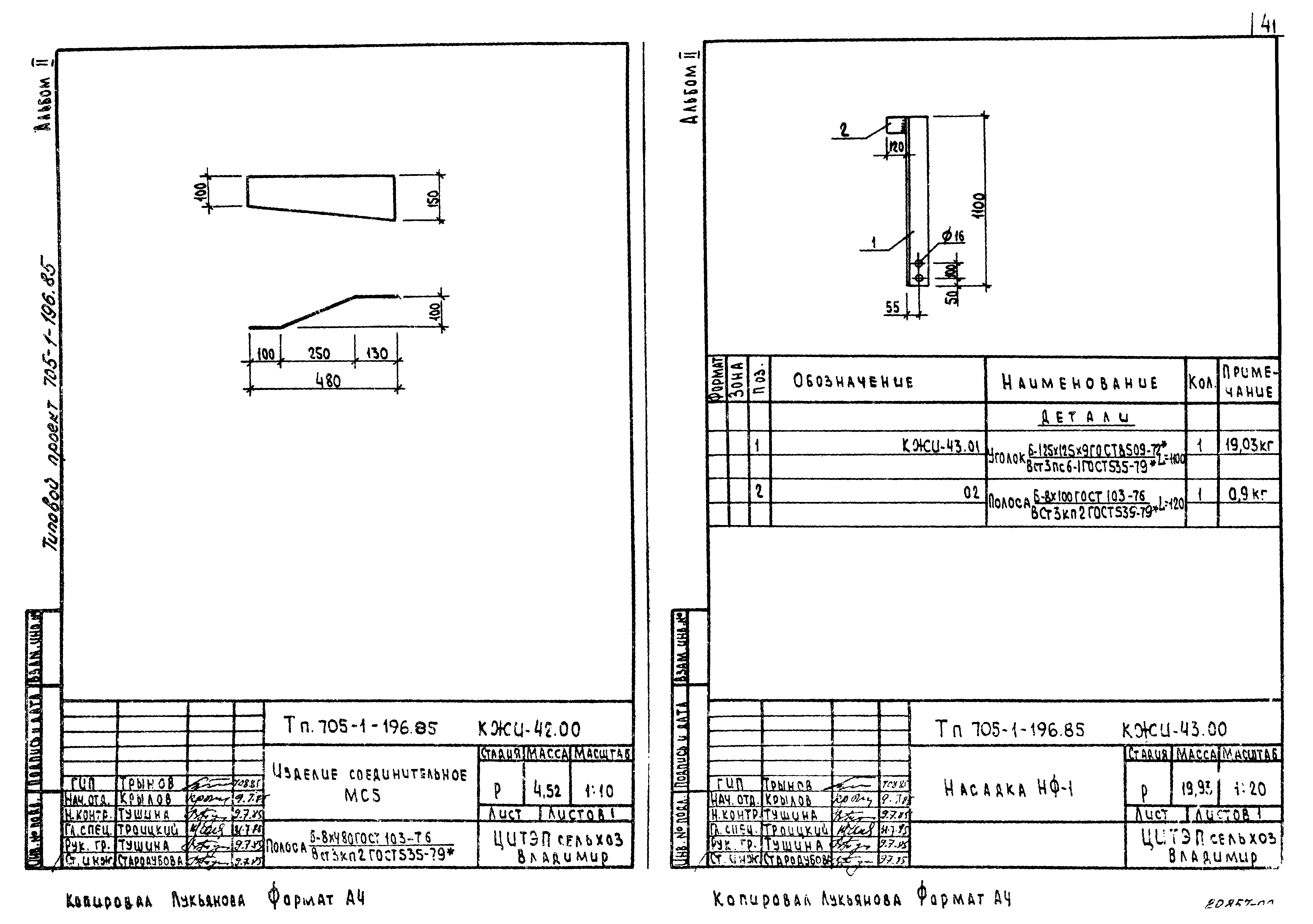
| Оглавление: | ТП 705-1-196.85 Содержание ТП 705-1-196.85-КЖИ-01.00 Колонна 1К144-5-5-П1 ТП 705-1-196.85-КЖИ-02.00 Колонна 1К144-5-5-П2 ТП 705-1-196.85-КЖИ-03.00 Колонна 1К144-5-5-П3 ТП 705-1-196.85-КЖИ-04.00 Колонна 1К144-5-5-П4 ТП 705-1-196.85-КЖИ-05.00 Колонна 1К144-5-5-П5 ТП 705-1-196.85-КЖИ-06.00 Колонна 1К144-5-5-П6 ТП 705-1-196.85-КЖИ-07.00 Колонна 1К144-5-5-П7 ТП 705-1-196.85-КЖИ-08.00 Колонна 1К144-5-5-П8 ТП 705-1-196.85-КЖИ-09.00 Колонна 1К144-5-5-П9 ТП 705-1-196.85-КЖИ-10.00 Колонна 1К144-5-5-П10 ТП 705-1-196.85-КЖИ-11.00 Колонна 1К144-5-5-П11 ТП 705-1-196.85-КЖИ-12.00 Колонна 1К144-5-5-П12 ТП 705-1-196.85-КЖИ-13.00 Колонна 6К144-12-П1 ТП 705-1-196.85-КЖИ-14.00 Колонна 6К144-12-П2 ТП 705-1-196.85-КЖИ-15.00 Колонна 6К144-12-П3 ТП 705-1-196.85-КЖИ-16.00 Колонна 6К144-12-П4 ТП 705-1-196.85-КЖИ-17.00 Колонна 9КФ169-1-П1 ТП 705-1-196.85-КЖИ-18.00 Колонна 9КФ175-1-П1 ТП 705-1-196.85-КЖИ-19.00 Колонна 9КФ169-1-П2 ТП 705-1-196.85-КЖИ-20.00 Колонна 9КФ169-1-П3 ТП 705-1-196.85-КЖИ-21.00 Колонна 9КФ175-1-П2 ТП 705-1-196.85-КЖИ-22.00 Колонна 9КФ169-1-П4 ТП 705-1-196.85-КЖИ-23.00 Колонна 9КФ175-1-П3 ТП 705-1-196.85-КЖИ-24.00 Колонна 9КФ169-1-П5 ТП 705-1-196.85-КЖИ-25.00 Колонна 9КФ169-1-П6 ТП 705-1-196.85-КЖИ-26.00 Ферма стропильная ФБ24I-2АIV-1 ТП 705-1-196.85-КЖИ-27.00 Плита (ПГ-3АIVТ-П-1,ПГ-2АIVТ-П-1) ТП 705-1-196.85-КЖИ-28.00 Плита (ПГ-3АIVТ-П-2,3) ТП 705-1-196.85-КЖИ-29.00 Панель (ПСП48-К5-Ш-П2,ПСП48-К15-Ш-П3) ТП 705-1-196.85-КЖИ-30.00 Панель (ПСП48-К5-Ш-П1,ПСП48-К15-Ш-П4) ТП 705-1-196.85-КЖИ-31.00 Панель ПСП48-К5-Ш-П5 ТП 705-1-196.85-КЖИ-32.00 Панель (ПС600.12-7АIV-Т-1а,ПС610.9-1АIV-Т-11а,ПС610.9-1АIV-Т-12а) ТП 705-1-196.85-КЖИ-33.00 Сетка (С1-С4) ТП 705-1-196.85-КЖИ-34.00 Сетка (С5-С8) ТП 705-1-196.85-КЖИ-35.00 Сетка (С9-С11,С16) ТП 705-1-196.85-КЖИ-36.00 Сетка (С12,С13) ТП 705-1-196.85-КЖИ-37.00 Сетка (С14,С15) ТП 705-1-196.85-КЖИ-38.00 Элемент крепления МС1 ТП 705-1-196.85-КЖИ-39.00 Элемент крепления Т32 ТП 705-1-196.85-КЖИ-40.00 Изделие соединительное МС2 ТП 705-1-196.85-КЖИ-41.00 Изделие соединительное МС3,МС4 ТП 705-1-196.85-КЖИ-42.00 Изделие соединительное МС5 ТП 705-1-196.85-КЖИ-43.00 Насадка НФ-1 ТП 705-1-196.85-КЖИ-44.00 Изделие соединительное МС6 ТП 705-1-196.85-КЖИ-45.00 Изделие соединительное МС7 ТП 705-1-196.85-КЖИ-46.00 Ригель ветровой Р1 ТП 705-1-196.85-КЖИ-01.00 Короб деревянный ТП 705-1-196.85-КЖИ-02.00 Щит (ЩД1,ЩД7) ТП 705-1-196.85-КЖИ-03.00 Щит (ЩД2,ЩД8) ТП 705-1-196.85-КЖИ-04.00 Щит (ЩД3,ЩД4) ТП 705-1-196.85-КЖИ-05.00 Щит (ЩД5,ЩД11) ТП 705-1-196.85-КЖИ-06.00 Щит ЩД6 ТП 705-1-196.85-КЖИ-07.00 Щит (ЩД9,ЩД10) ТП 705-1-196.85-КЖИ-47.00 Перемычка 1ПР8-44.12.29-1 |
| Разработан: | ЦИТЭПсельхозпром |
| Утверждён: | 06.06.1985 Минсельхоз СССР (USSR Minselkhoz 41-ЭГ) |



















































