Скачать Типовой проект 903-1-153 Альбом XXIII. Автоматизация, спецификация на приборы, изделия и материалы. Опросные листыДата актуализации: 01.01.2021
|
| Обозначение: | Типовой проект 903-1-153 |
| Обозначение англ: | 903-1-153 |
| Статус: | заменен |
| Название рус.: | Альбом XXIII. Автоматизация, спецификация на приборы, изделия и материалы. Опросные листы |
| Дата добавления в базу: | 01.09.2013 |
| Дата актуализации: | 01.01.2021 |
| Дата введения: | 23.03.1979 |
| Дата окончания срока действия: | 01.01.1990 |
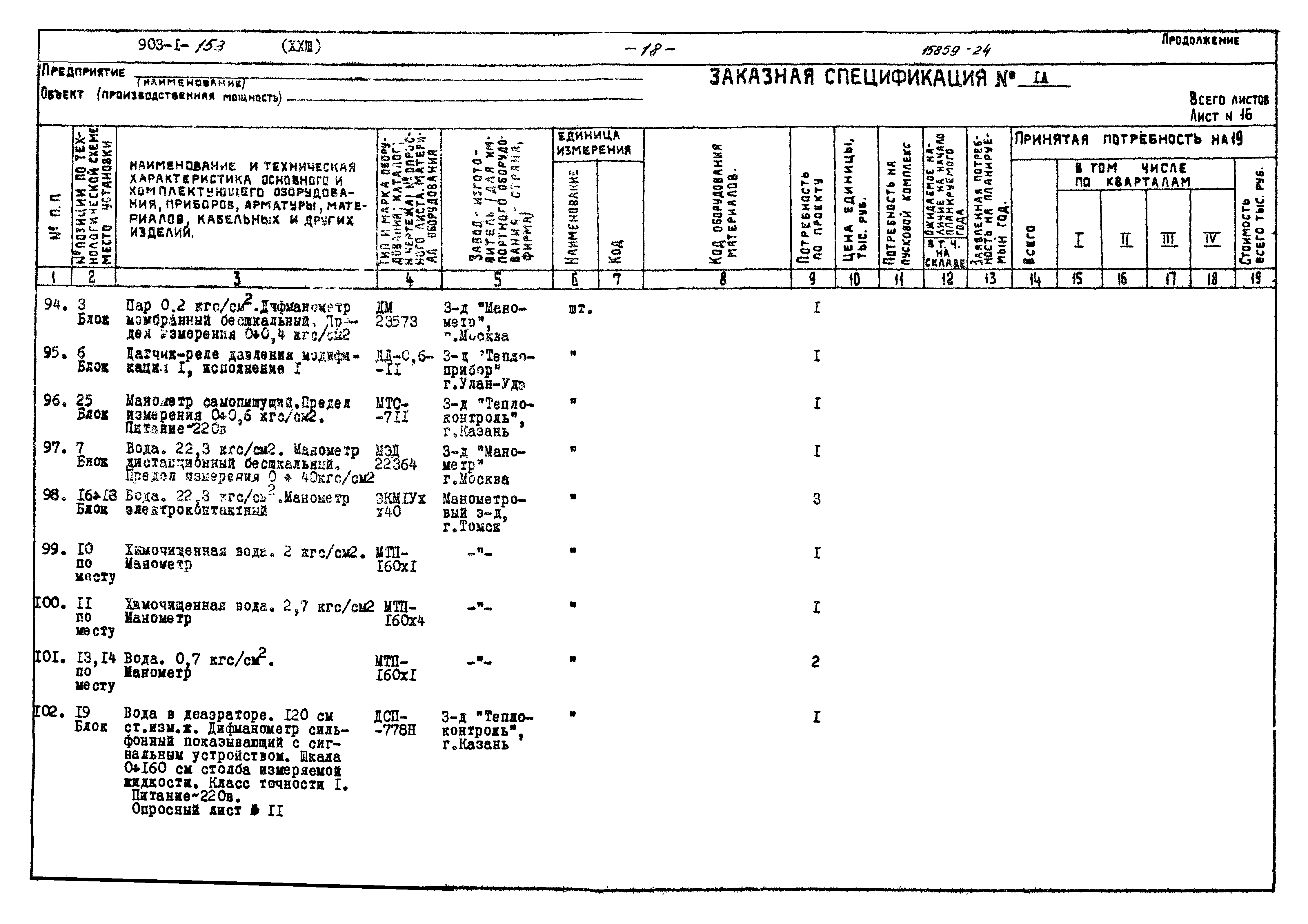
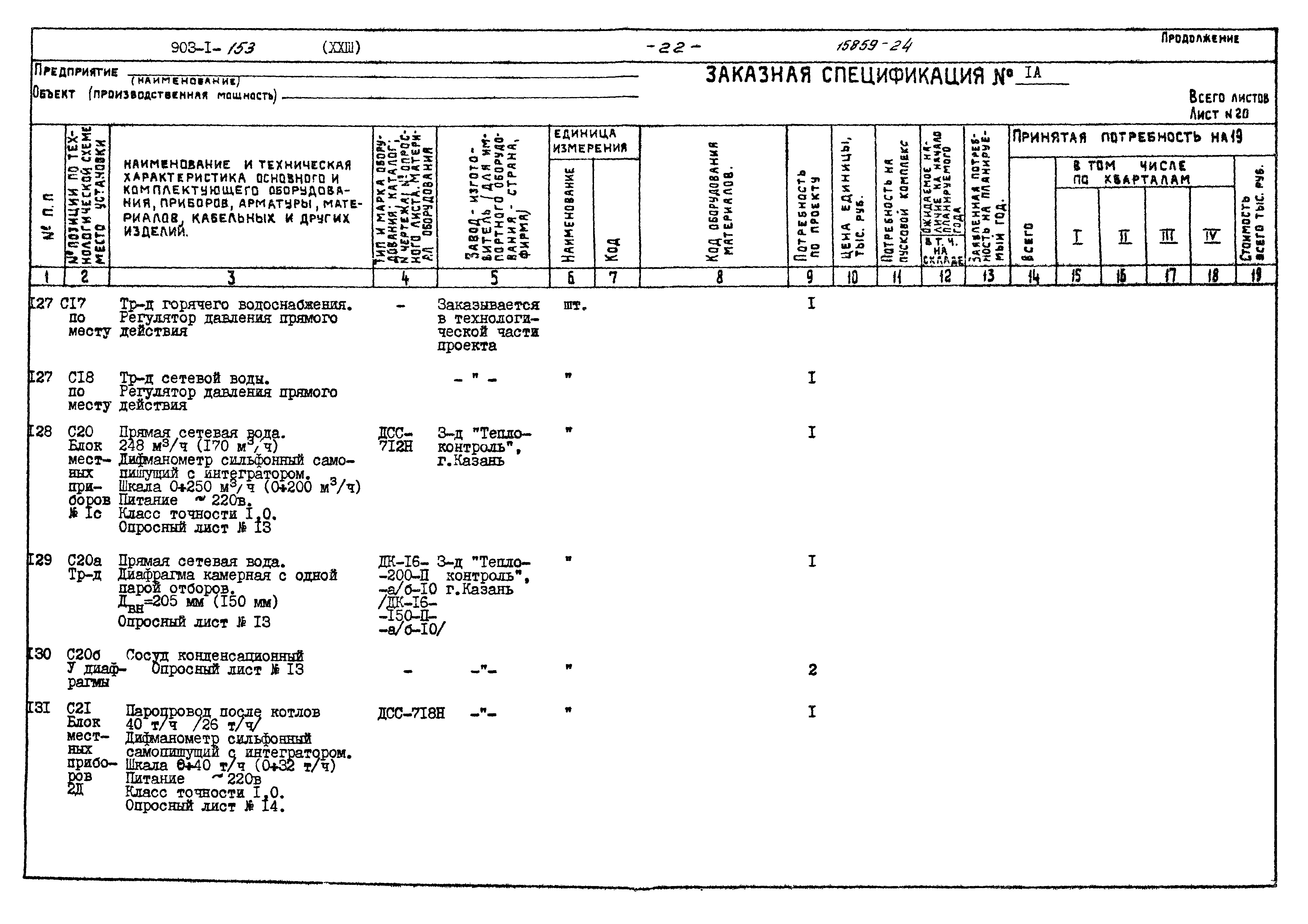
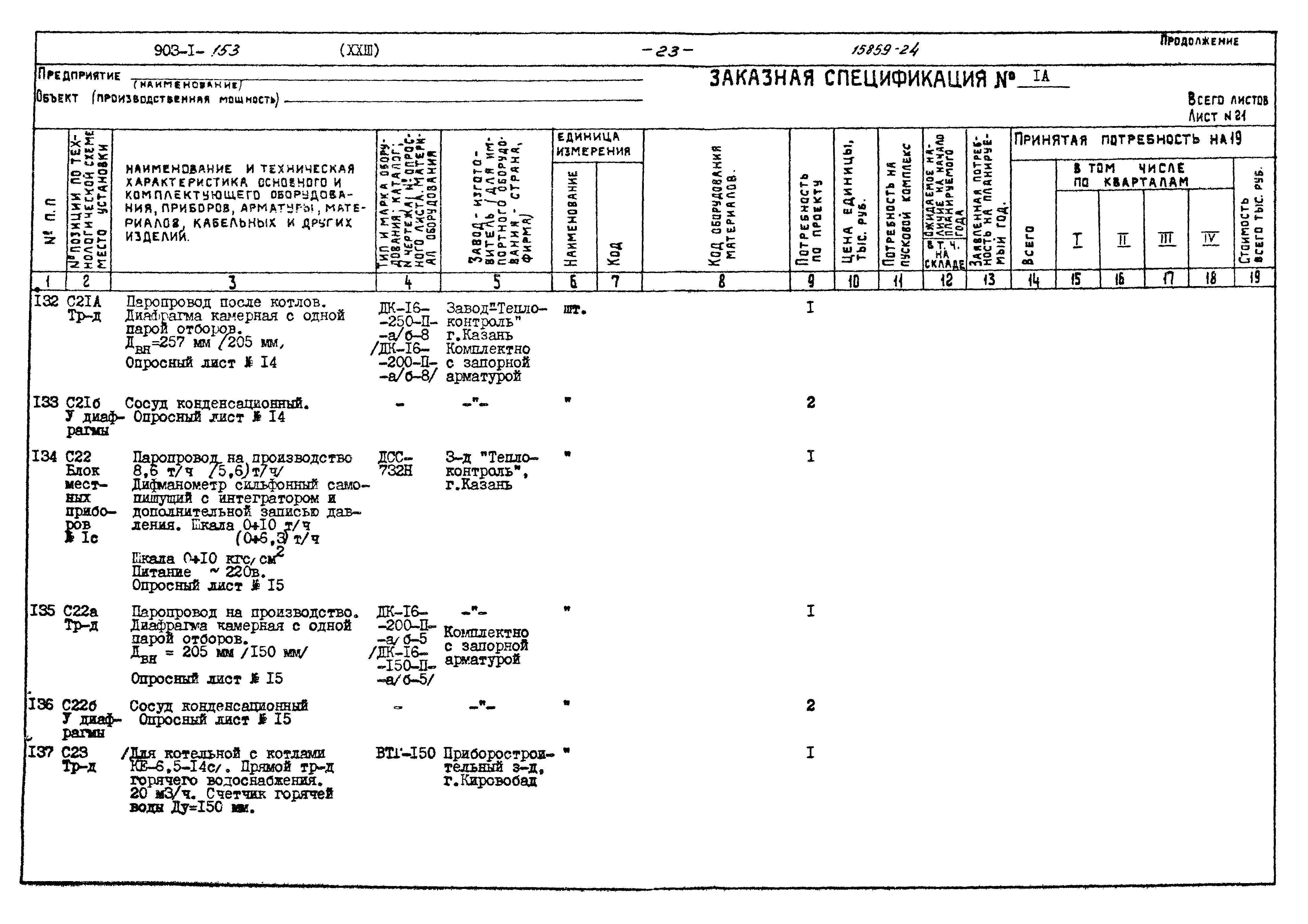
| Оглавление: | ТП 903-1-153 Перечень материалов ТП 903-1-153 Заказная спецификация № 1А на приборы и средства автоматизации ТП 903-1-153 Заказная спецификация № 2А на электроаппаратуру, не поставляемую комплектно со щитами ТП 903-1-153 Заказная спецификация № 3А на щиты ТП 903-1-153 Заказная спецификация № 4А на трубопроводную арматуру ТП 903-1-153 Заказная спецификация № 5А на кабели и провода ТП 903-1-153 Заказная спецификация № 6А на основные монтажные материалы и изделия ТП 903-1-153 Опросные листы №№ 1-17 |
| Разработан: | ГПИ Сантехпроект Госстроя СССР Минтяжмаш СССР Союзпроммеханизация |
| Утверждён: | 23.03.1979 ГПИ Сантехпроект (47) |
| Заменяет собой: |
|
| Чем заменён: |































































































