Скачать Типовой проект 904-1-60.85 Альбом 12. Сметы и ведомости потребности в материалах на технологические решения для пристроенной станции 4 УОСВ-250АДата актуализации: 01.01.2021
|
| Обозначение: | Типовой проект 904-1-60.85 |
| Обозначение англ: | 904-1-60.85 |
| Статус: | действует |
| Название рус.: | Альбом 12. Сметы и ведомости потребности в материалах на технологические решения для пристроенной станции 4 УОСВ-250А |
| Дата добавления в базу: | 01.09.2013 |
| Дата актуализации: | 01.01.2021 |
| Дата введения: | 30.07.1984 |
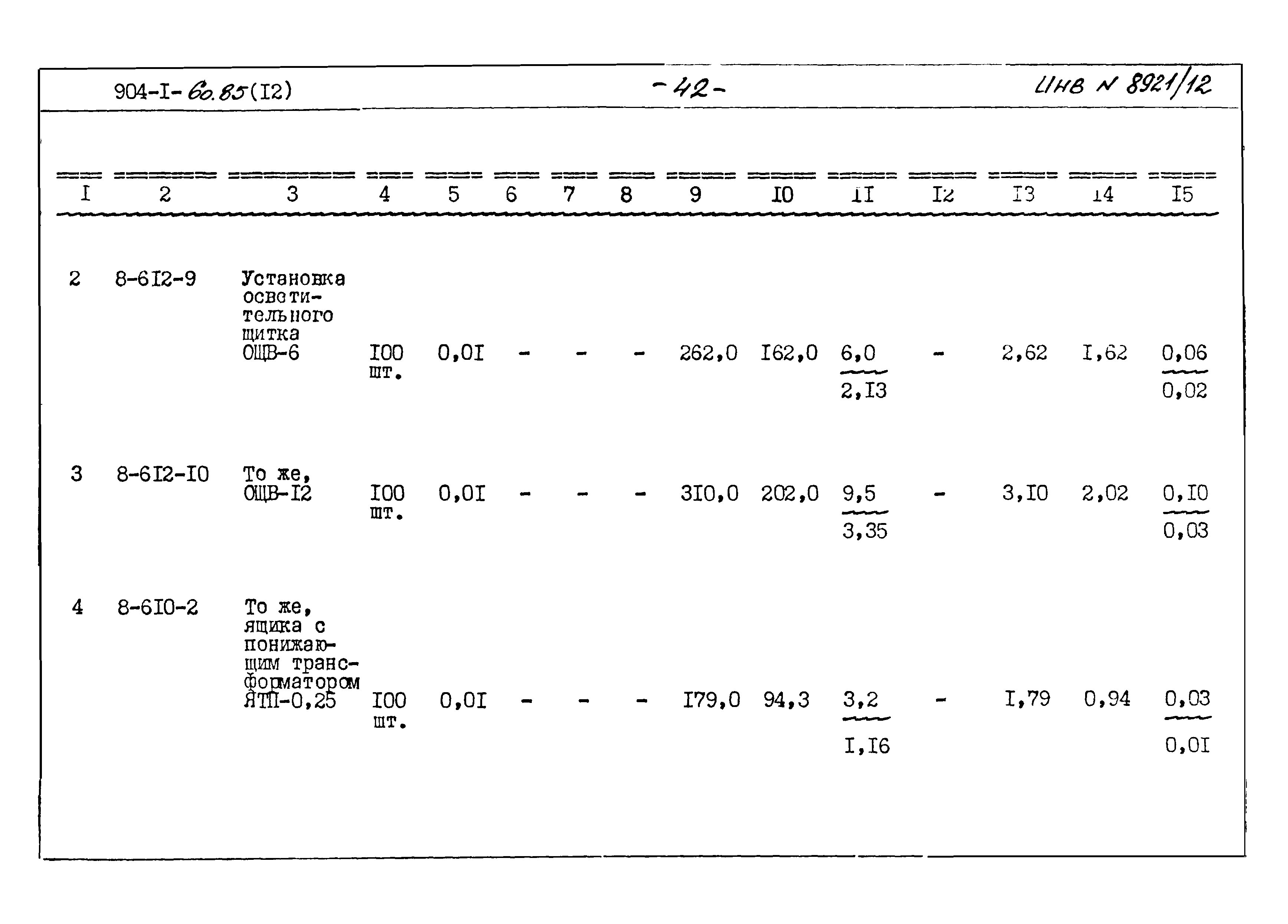
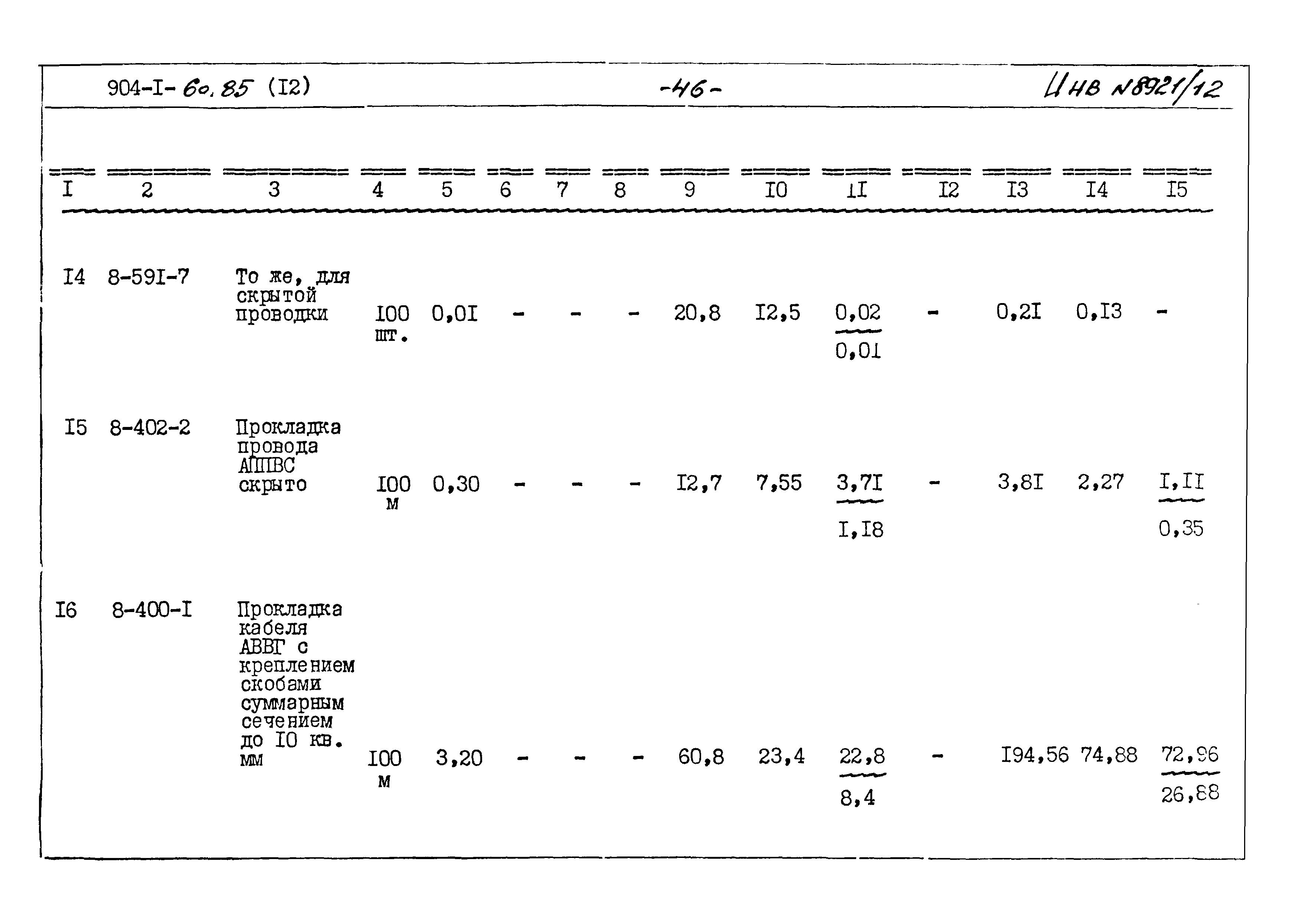
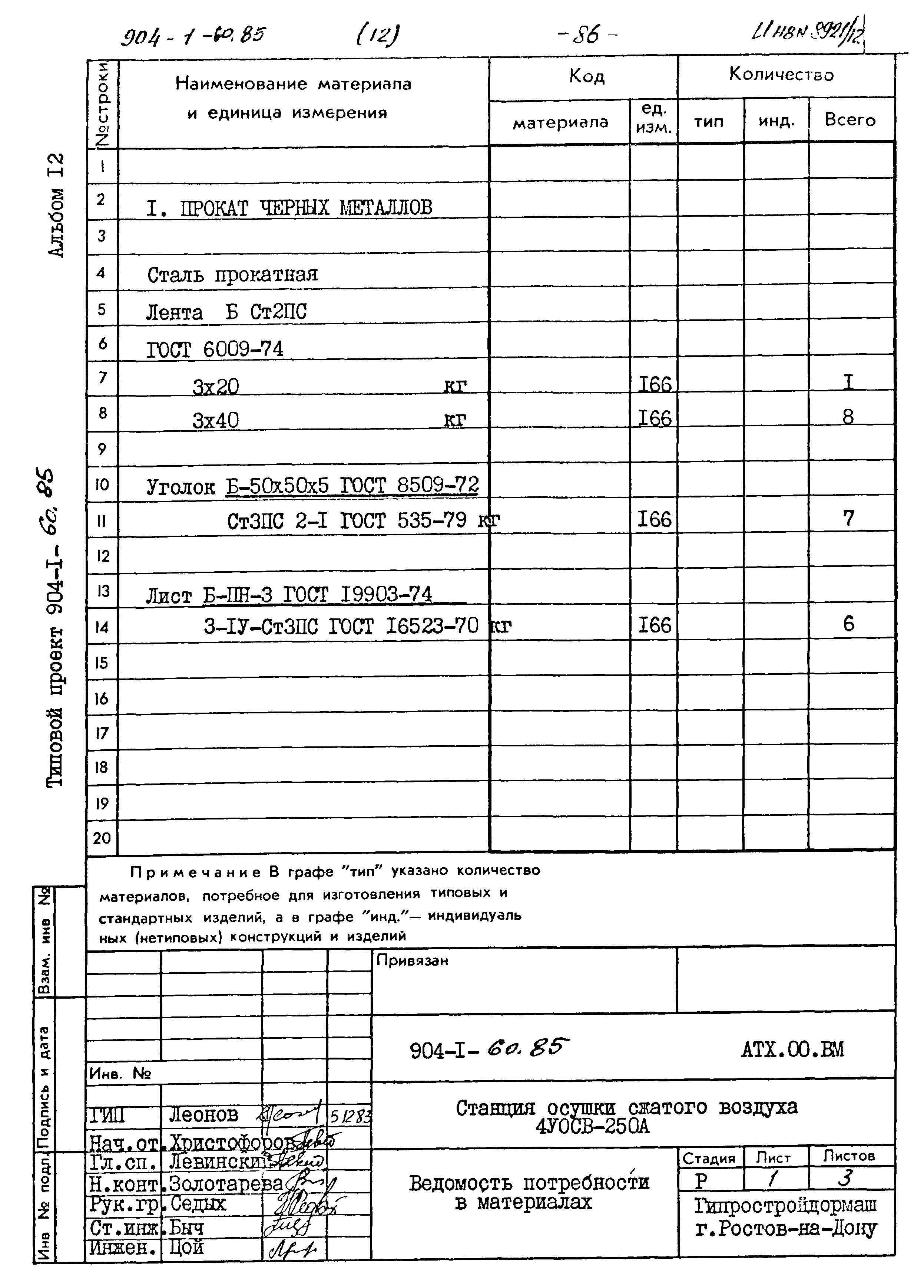
| Оглавление: | ТП 904-1-60.85 Пояснительная записка ТП 904-1-60.85 Объектная смета ТП 904-1-60.85 Локальная смета № 1-ТХ. Технологическое оборудование, трубопроводы и арматура ТП 904-1-60.85 Локальная смета № 1-ЭС. Электрооборудование и монтаж 1КТПН и 2КТПН правого исполнения ТП 904-1-60.85 Локальная смета № 1-ЭМ. Монтаж силового электрооборудования ТП 904-1-60.85 Локальная смета № 1-ЭО. Монтаж электроосвещения ТП 904-1-60.85 Локальная смета № 1-СС. Монтаж сетей связи и сигнализации ТП 904-1-60.85 Локальная смета № А-1. Автоматизация ТП 904-1-60.85 Сметный расчет № 2-ТХ. Приобретение приспособлений, производственного и хоз.инвентаря ТП 904-1-60.85-ТХ.ВМ1 Ведомость материалов на технологическую часть ТП 904-1-60.85-ЭМ.ВМ1 Ведомость материалов на силовое электрооборудование ТП 904-1-60.85-ЭО.ВМ1 Ведомость материалов на электроосвещение ТП 904-1-60.85-СС.ВМ1 Ведомость материалов на сети связи и сигнализации ТП 904-1-60.85-АТХ.00.ВМ Ведомость материалов автоматизации станции ТП 904-1-60.85-АОВ.00.ВМ Ведомость материалов сантехнических установок |
| Разработан: | Гипростройдормаш |
| Утверждён: | 19.04.1984 Минстройдормаш (Minstroydormash 4/84) |



























































































