Скачать Типовой проект 902-2-330 Альбом VII. Тип III. Вторичный отстойник четырехсекционный L = 27 м; h = 3 м из сборного железобетонаДата актуализации: 01.01.2021
|
| Обозначение: | Типовой проект 902-2-330 |
| Обозначение англ: | 902-2-330 |
| Статус: | не действует |
| Название рус.: | Альбом VII. Тип III. Вторичный отстойник четырехсекционный L = 27 м; h = 3 м из сборного железобетона |
| Дата добавления в базу: | 01.09.2013 |
| Дата актуализации: | 01.01.2021 |
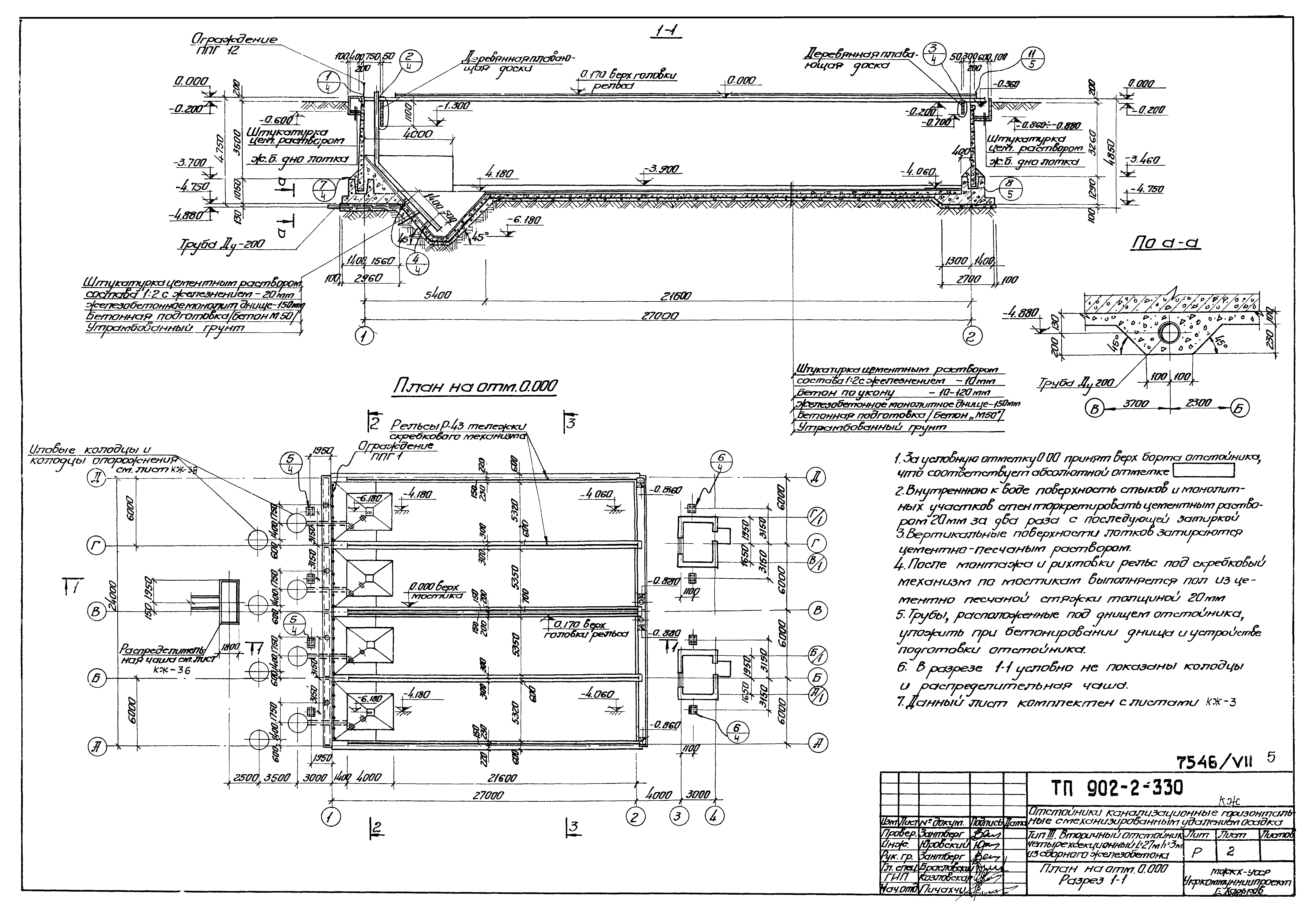
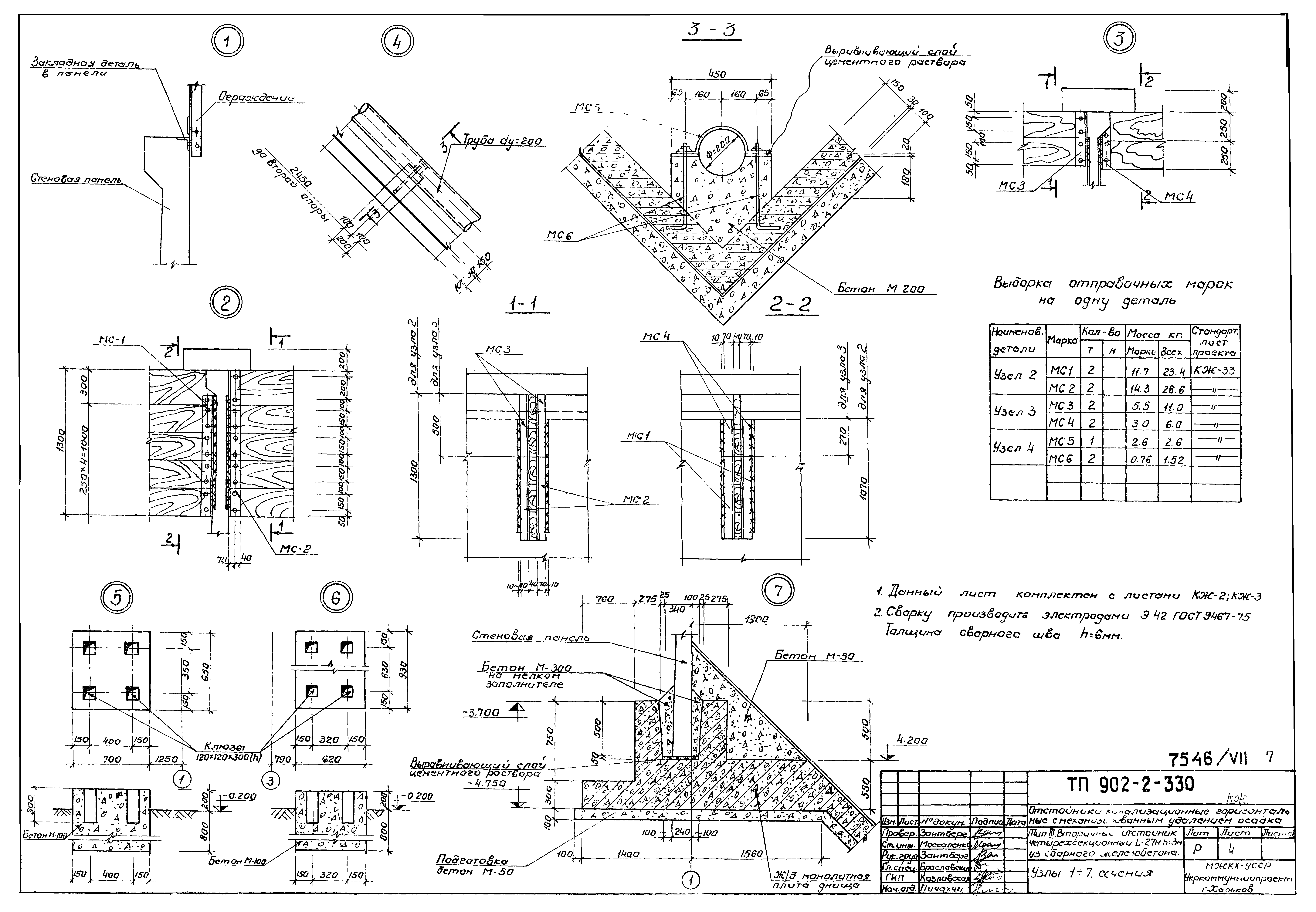
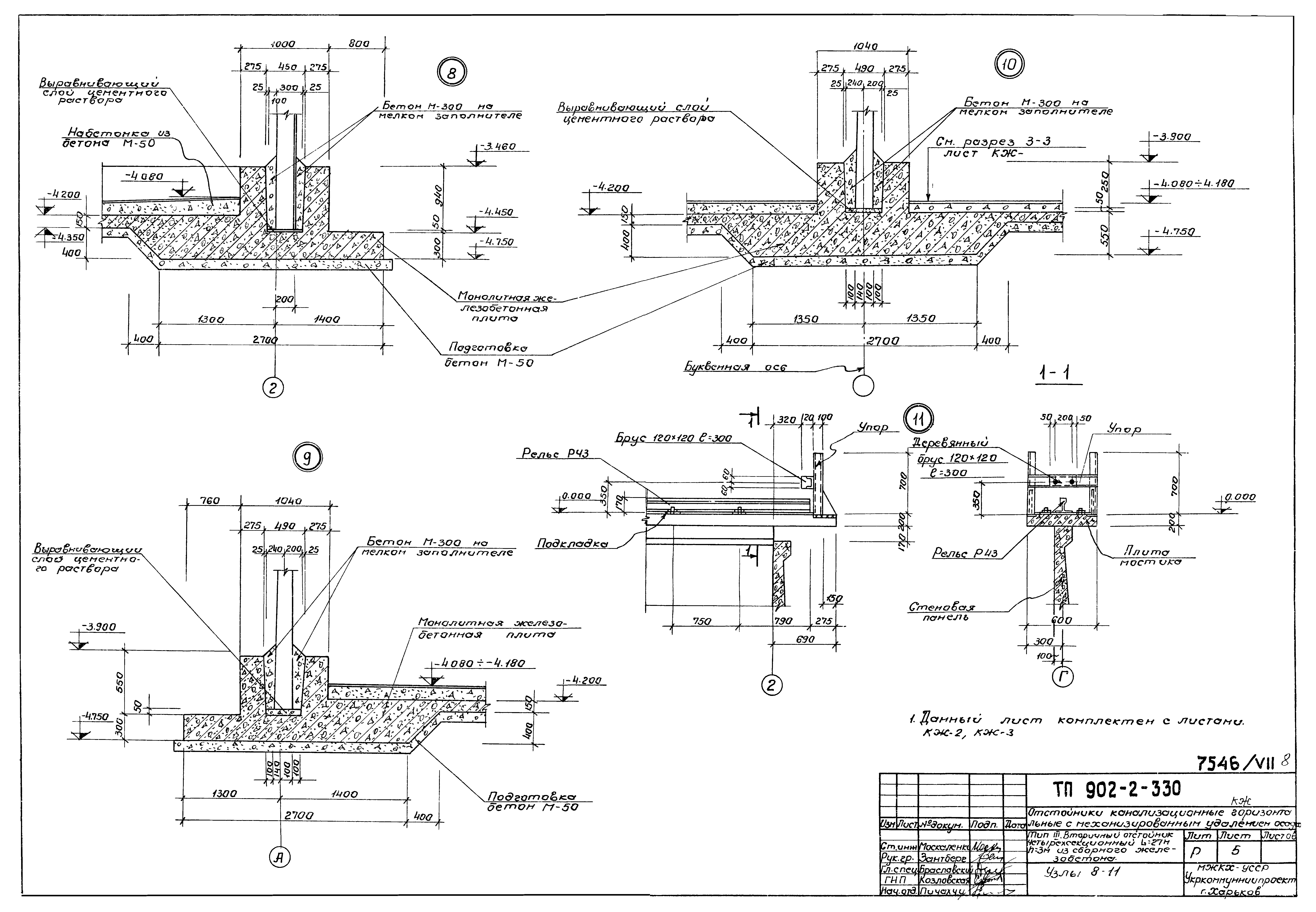
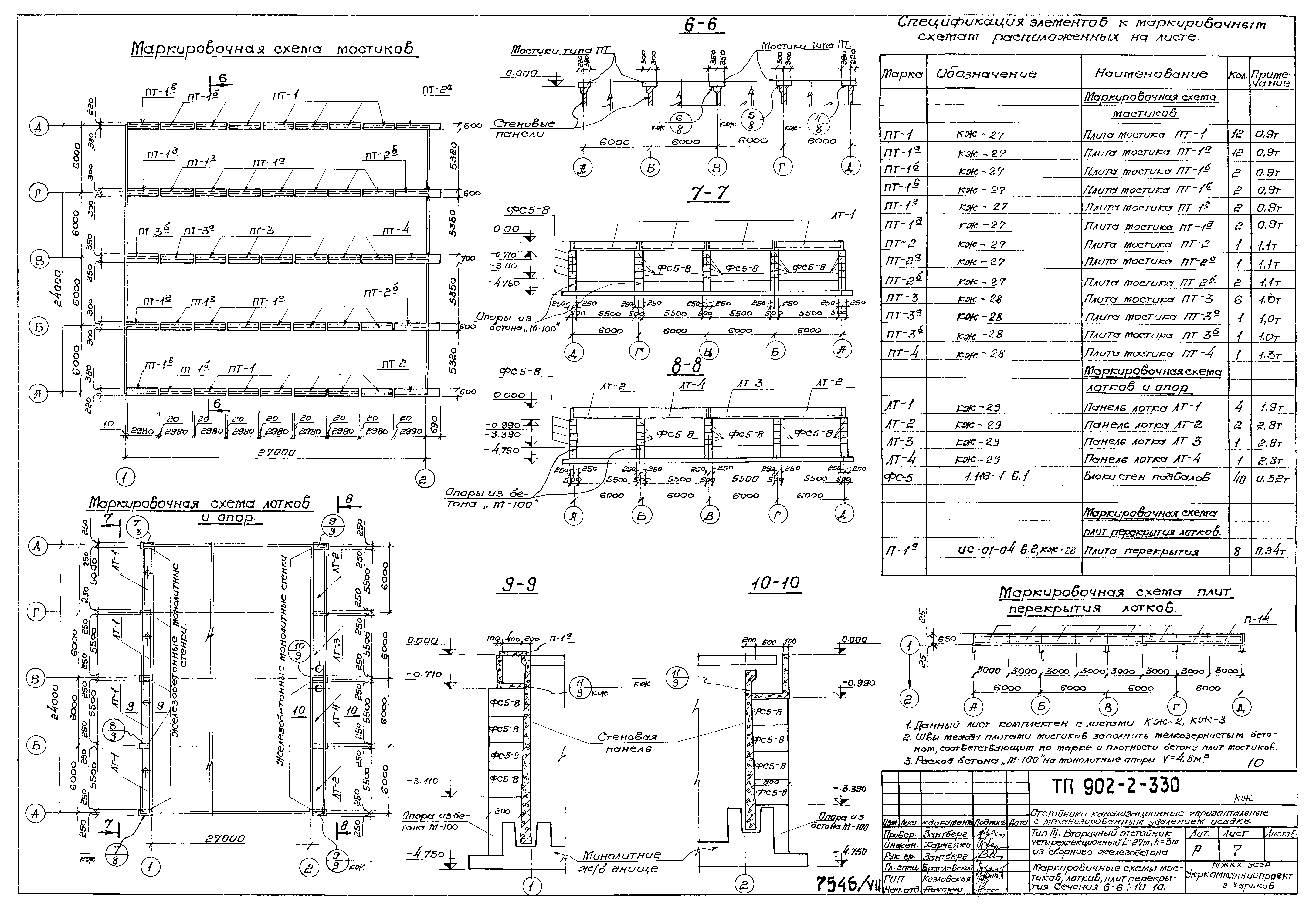
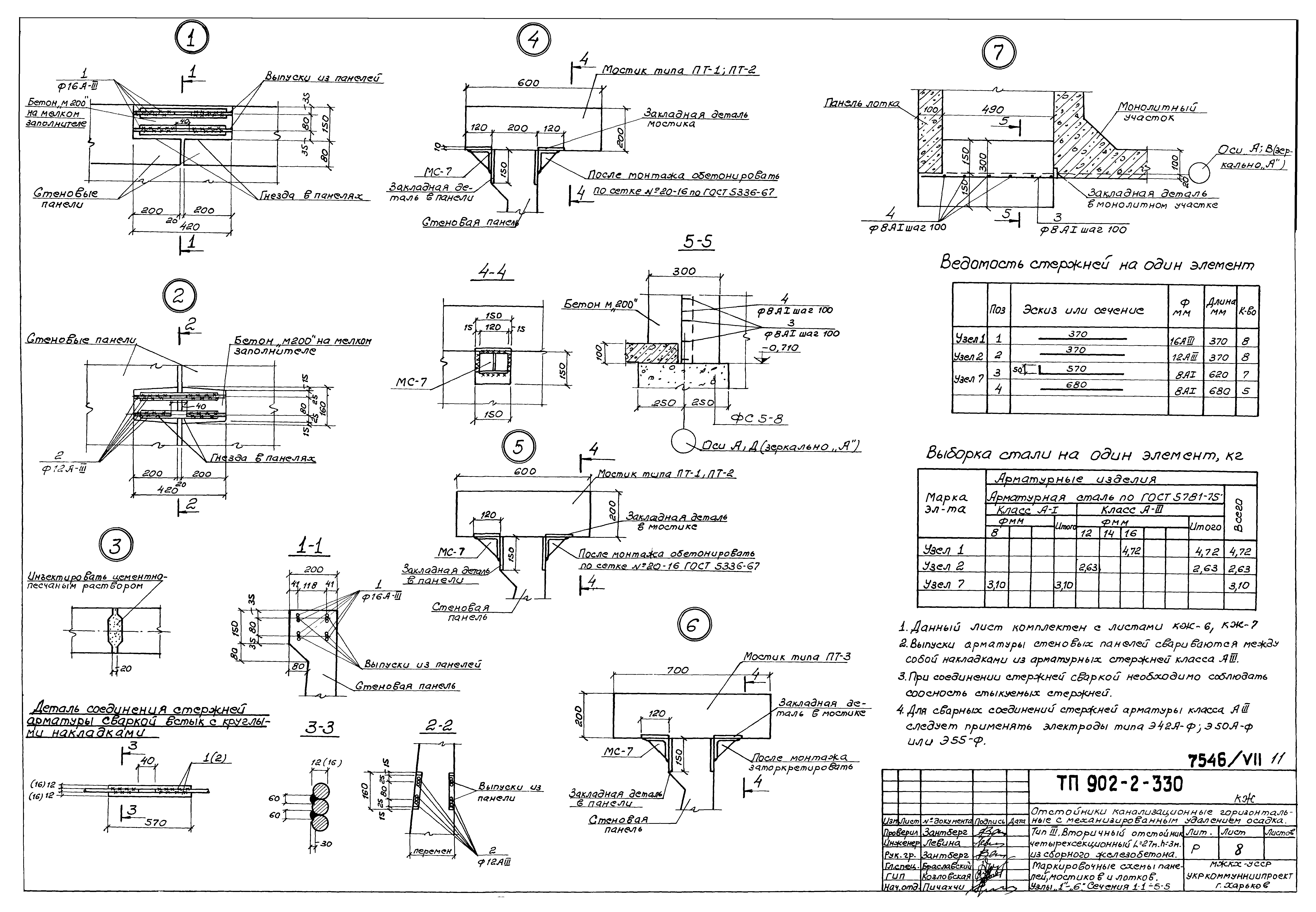
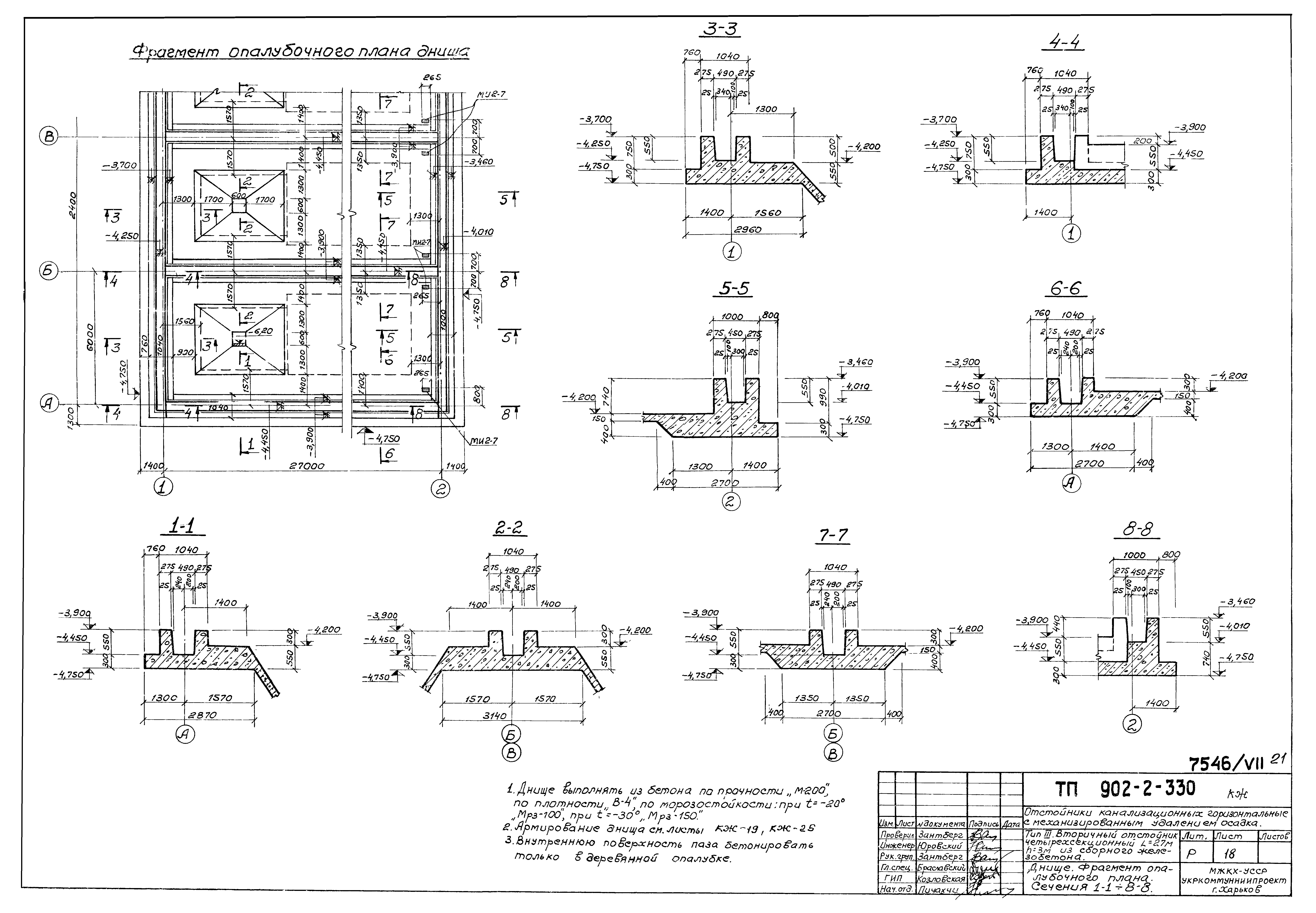
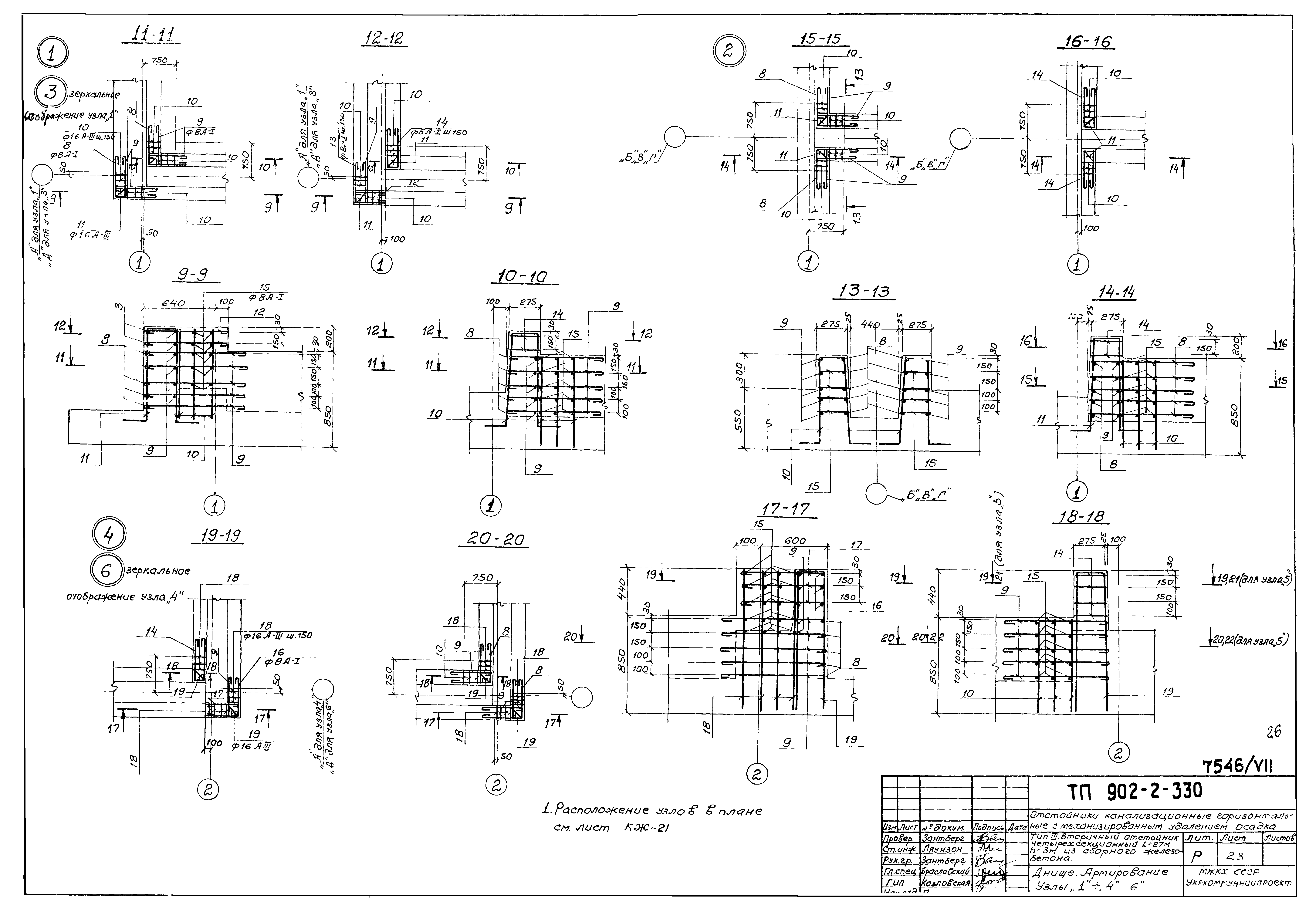
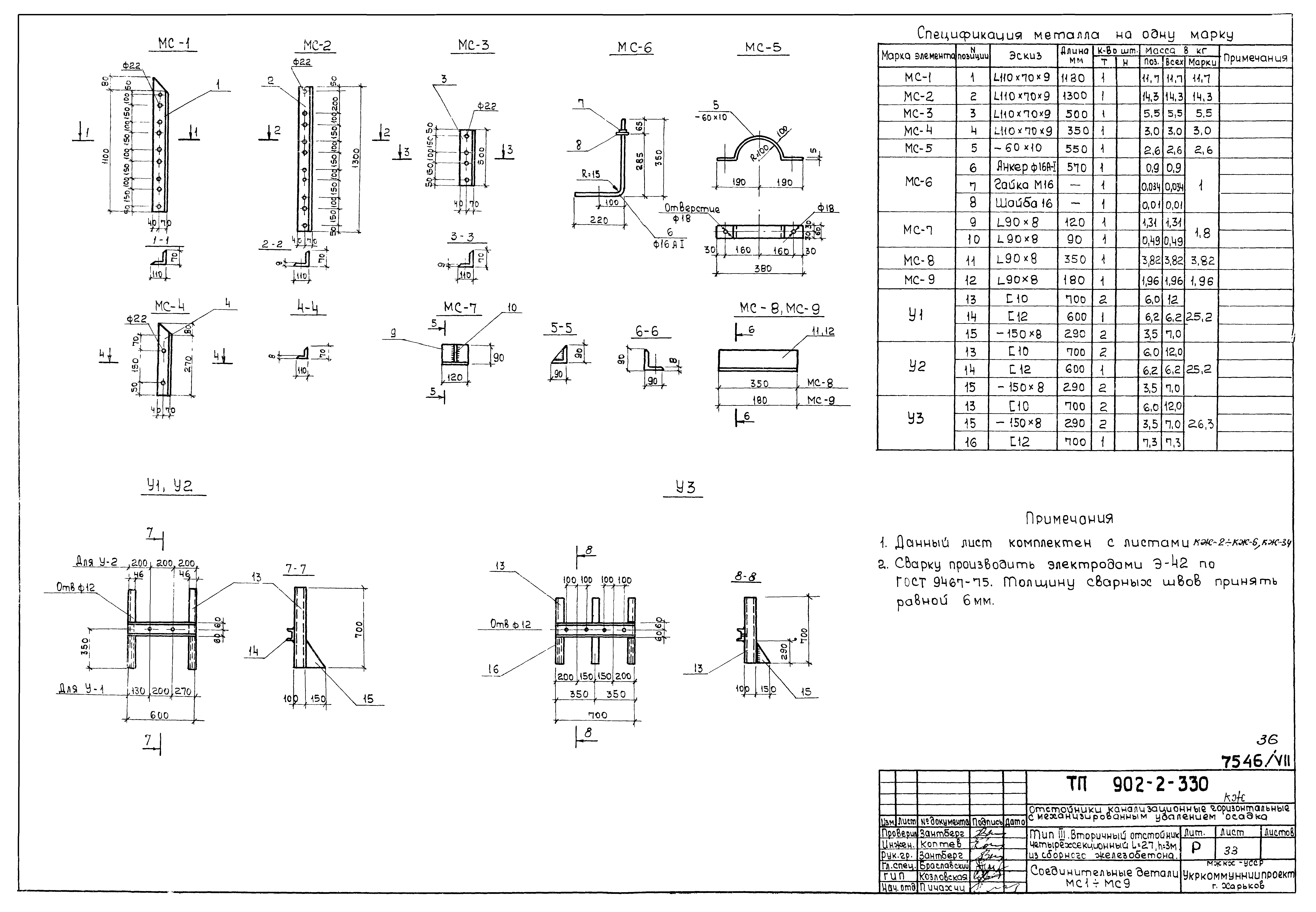
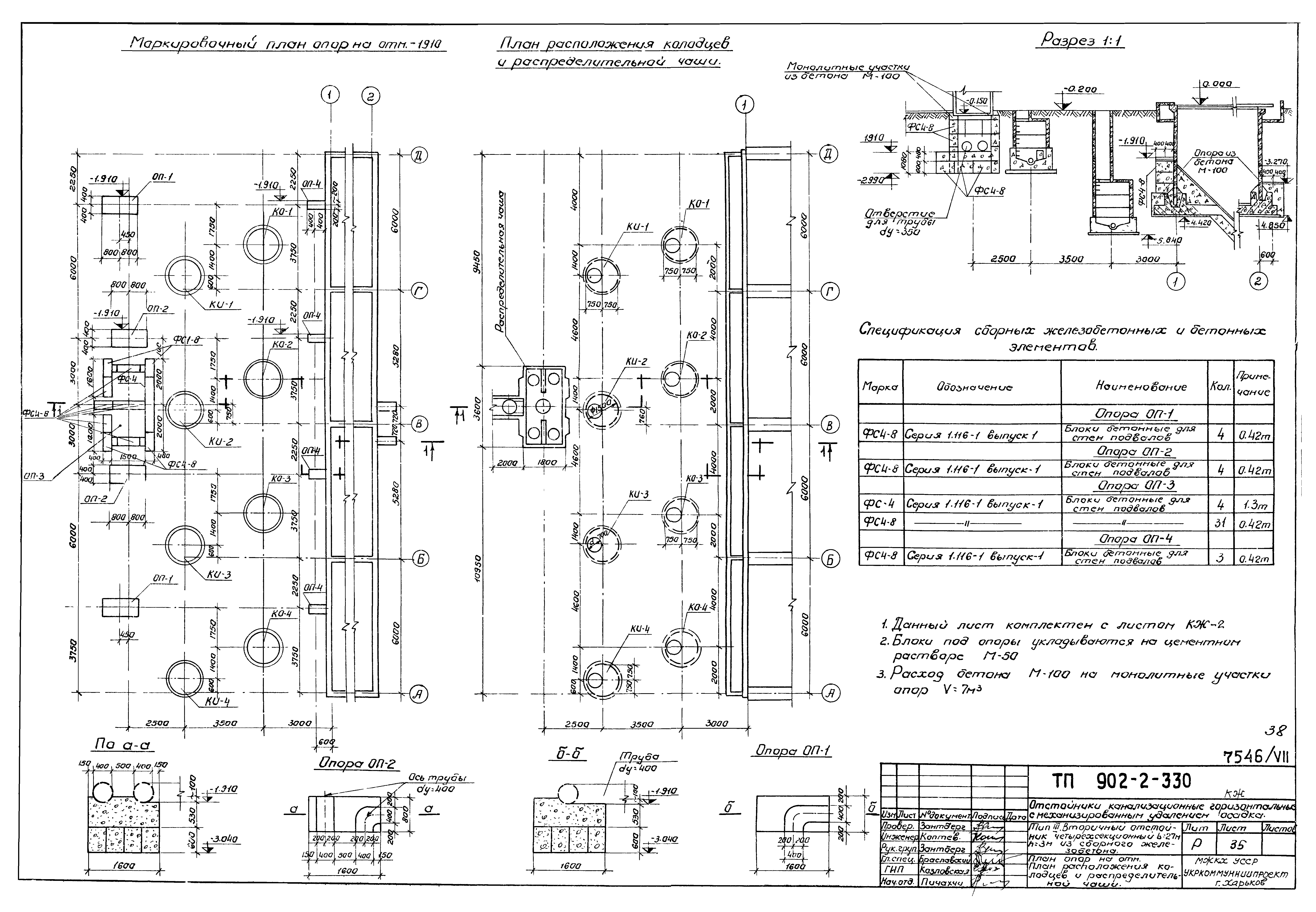
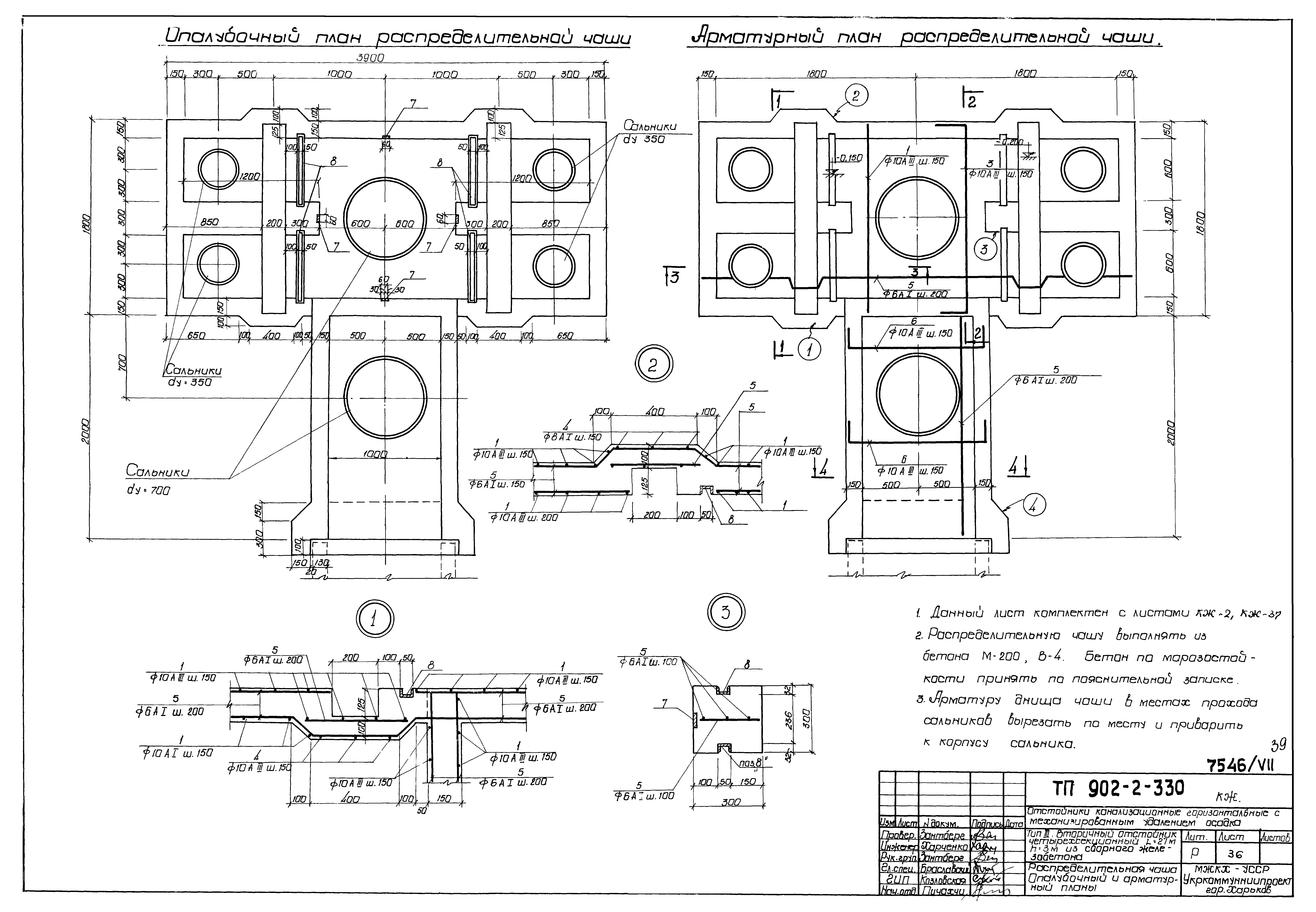
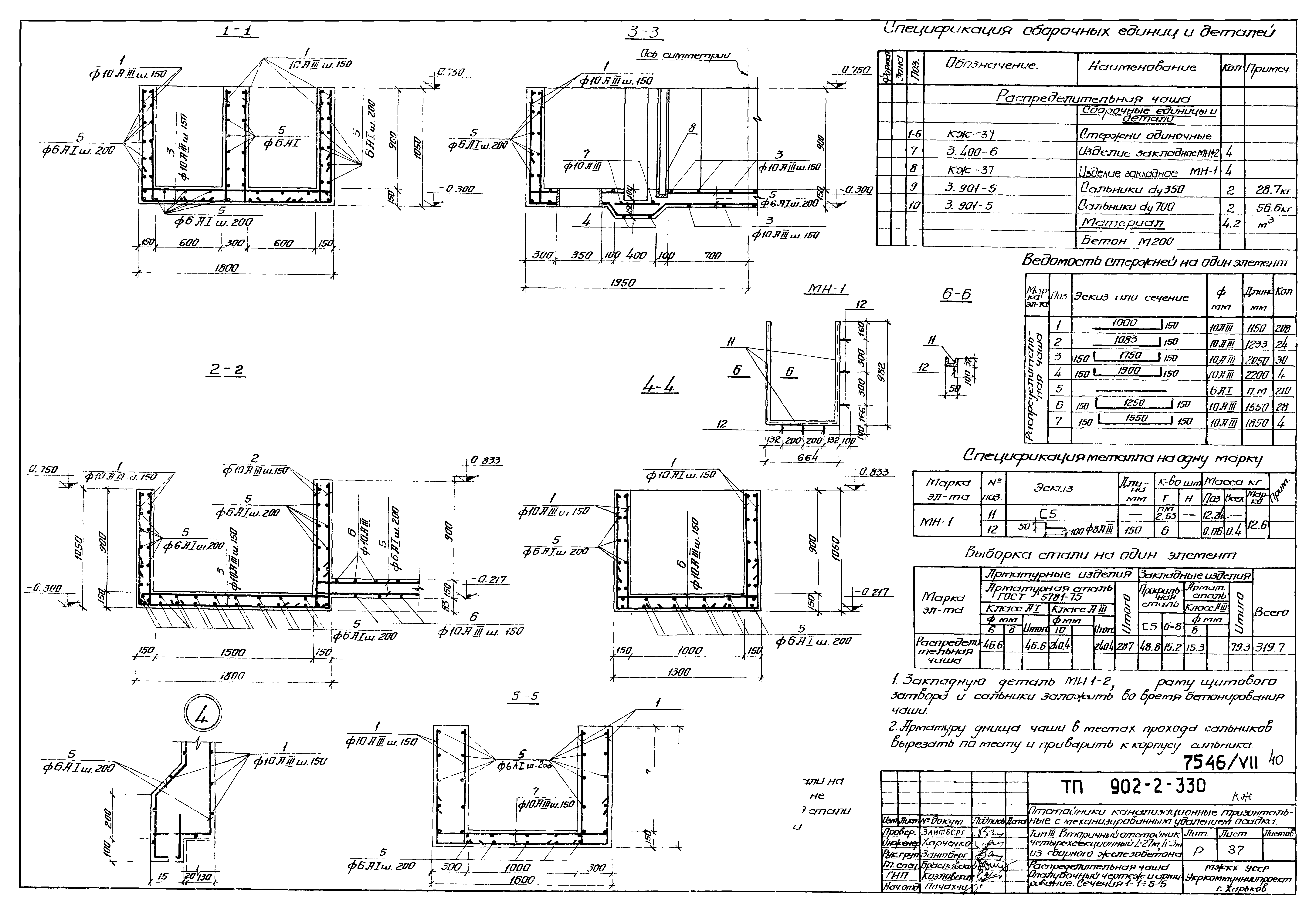
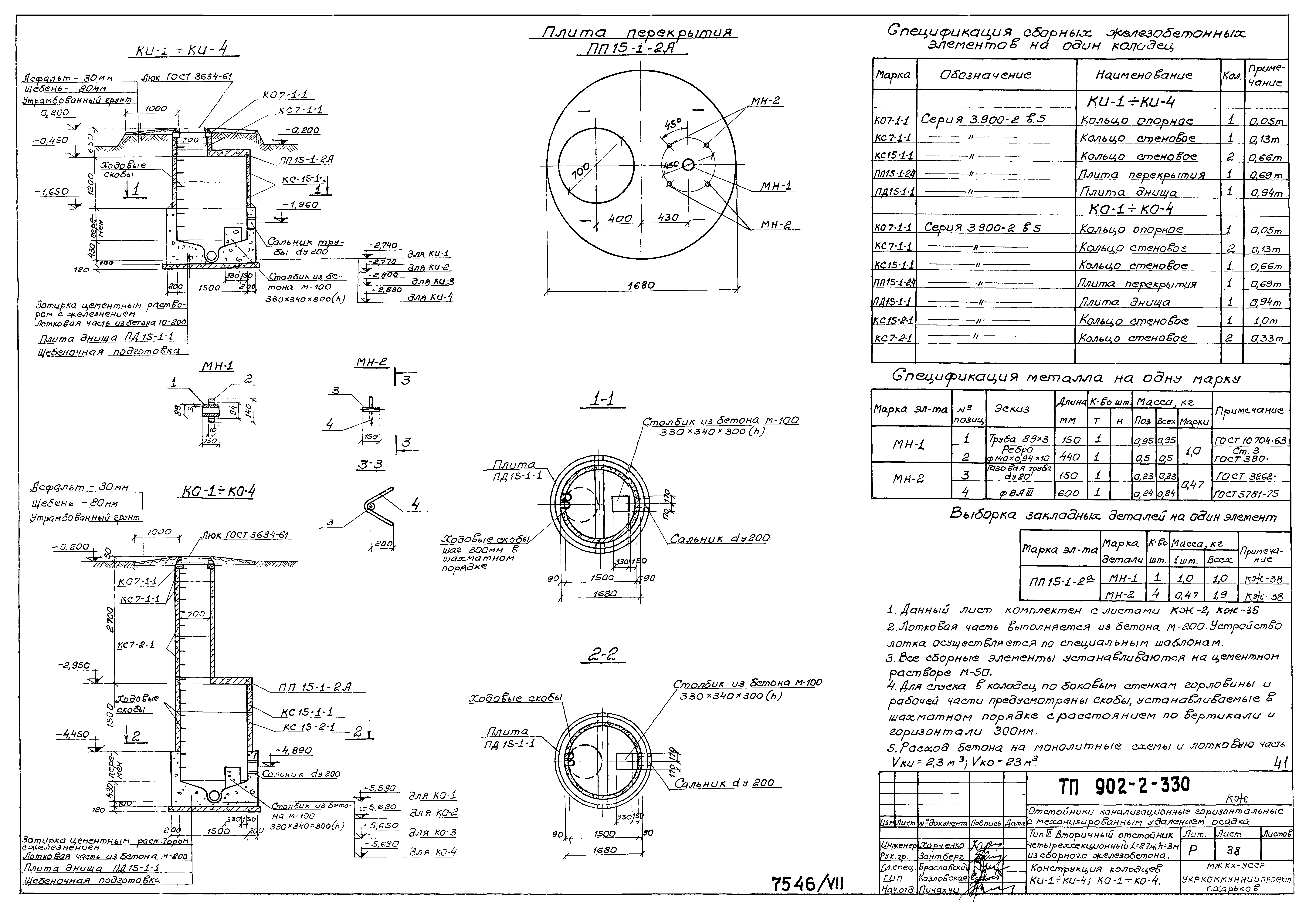
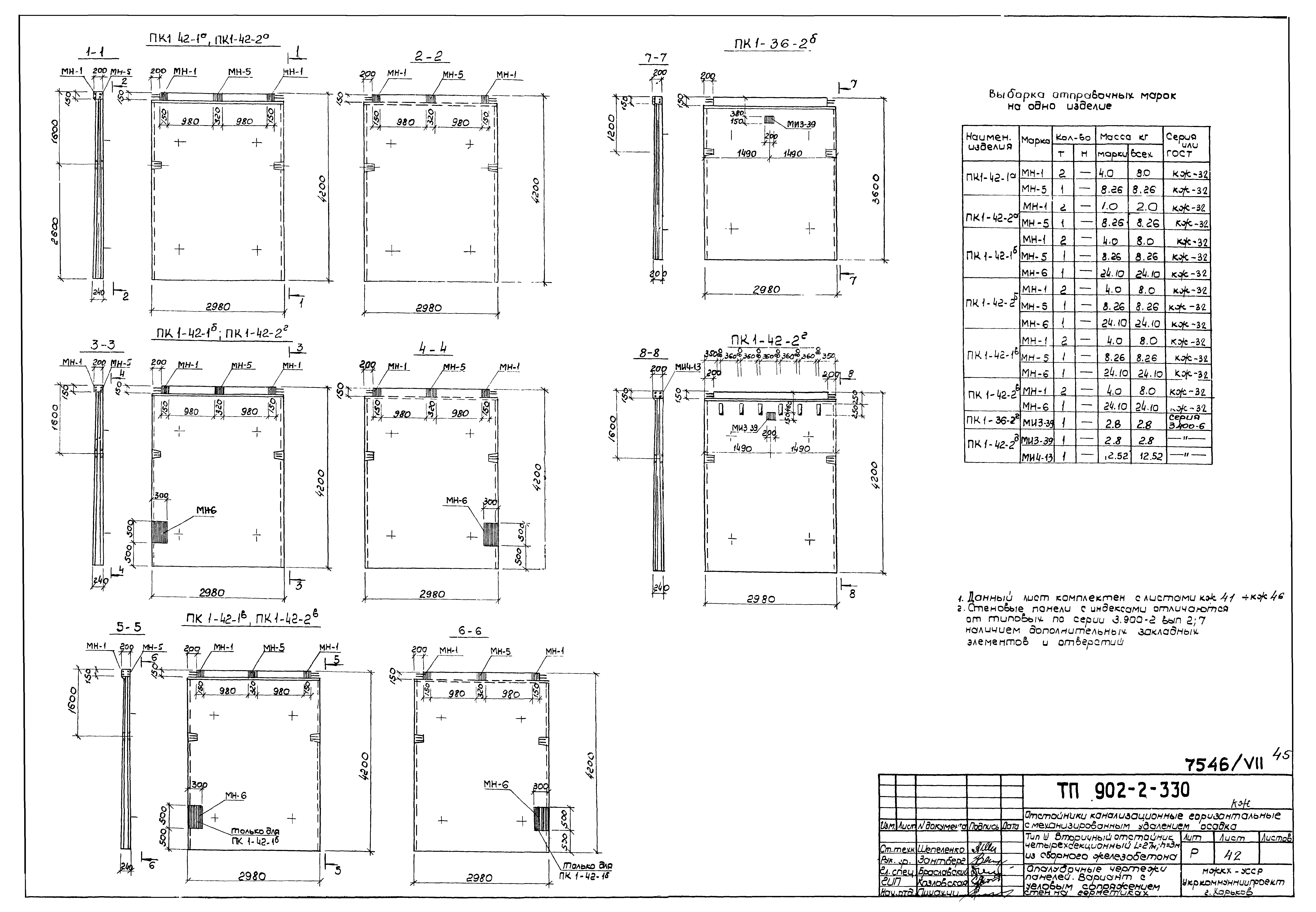
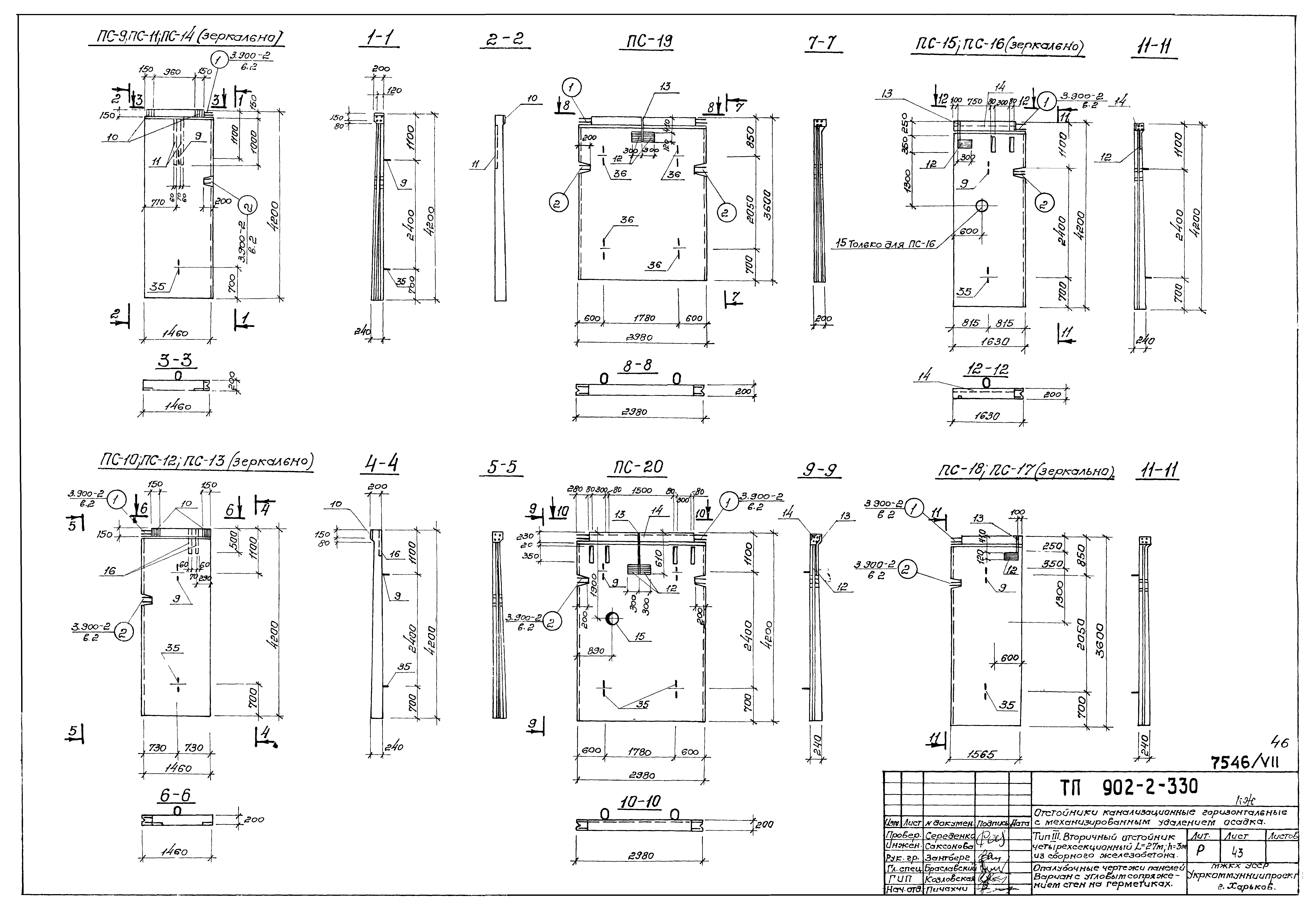
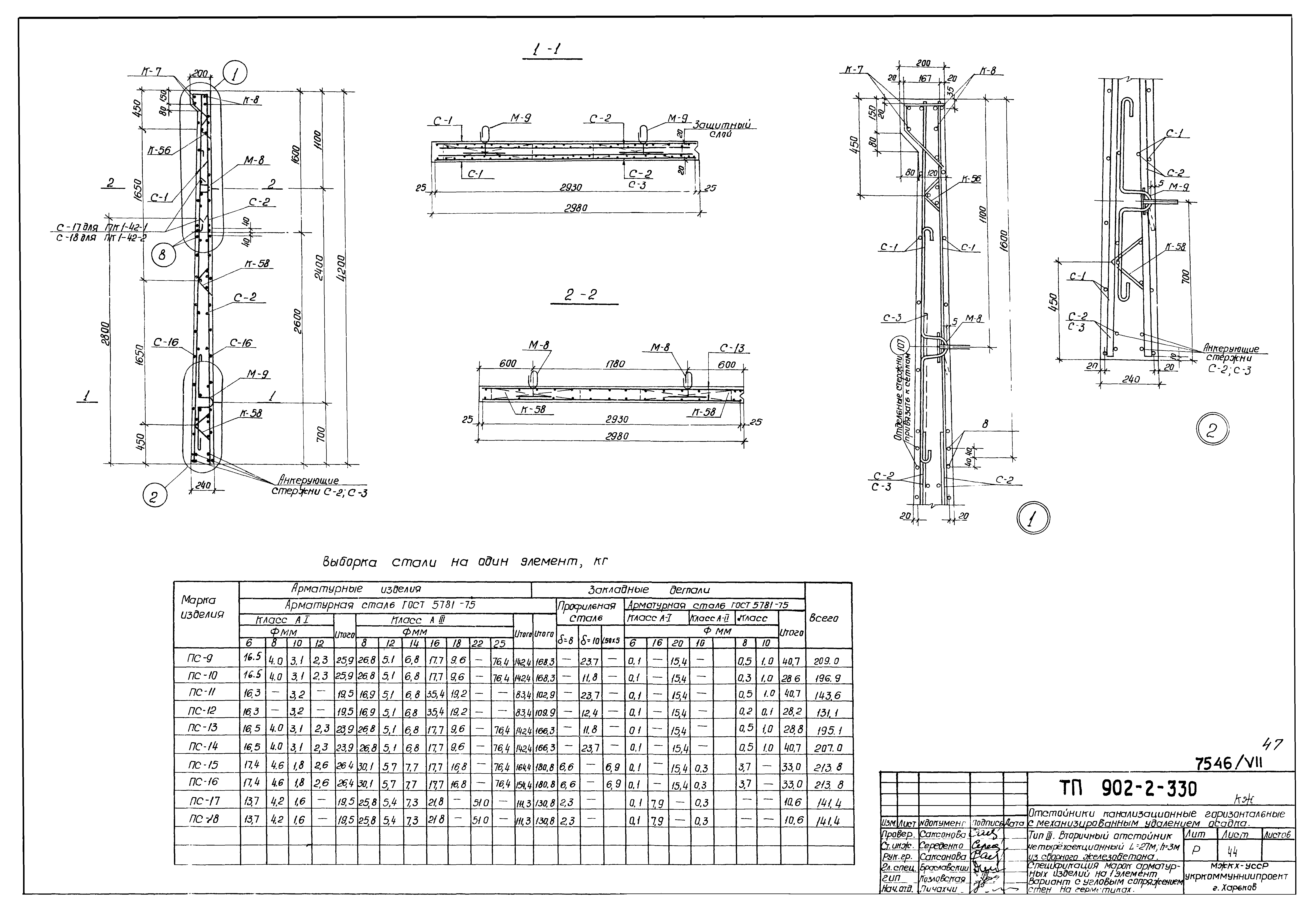
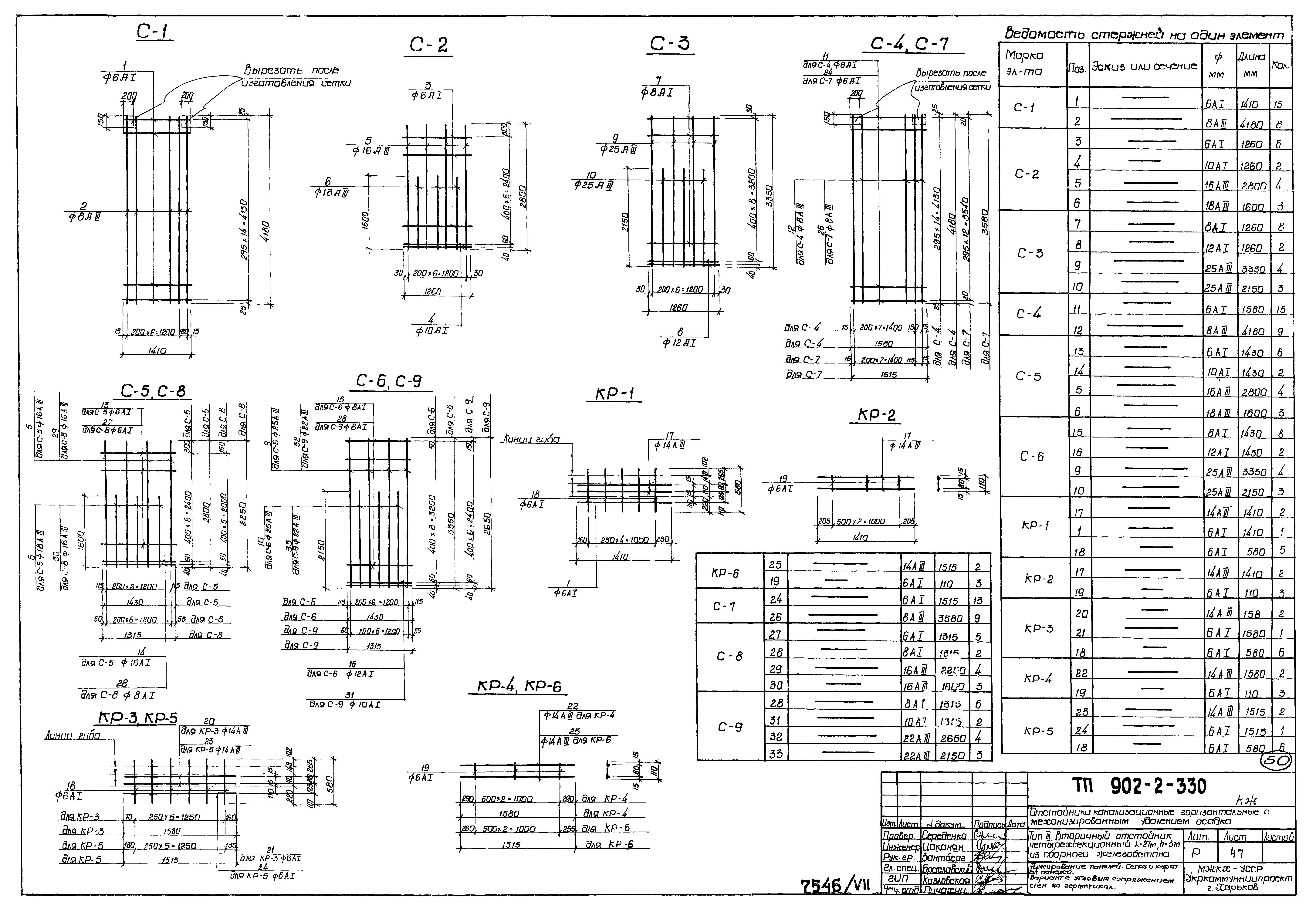
| Оглавление: | ТП 902-2-330 Обложка ТП 902-2-330 Титульный лист ТП 902-2-330 Содержание альбома ТП 902-2-330-КЖ-1 Общие данные (Заглавный лист) ТП 902-2-330-КЖ-2 План на отм. 0.000. Разрез 1-1 ТП 902-2-330-КЖ-3 Разрезы 2-2,3-3 ТП 902-2-330-КЖ-4 Узлы 1-7. Сечения ТП 902-2-330-КЖ-5 Узлы 8-11 ТП 902-2-330-КЖ-6 Маркировочная схема стеновых панелей Виды 1-1÷5-5 ТП 902-2-330-КЖ-7 Маркировочные схемы мостиков, лотков, плит перекрытия лотков. Сечения 6-6÷10-10 ТП 902-2-330-КЖ-8 Маркировочные схемы стеновых панелей, лотков и мостиков. Узлы 1-7 ТП 902-2-330-КЖ-9 Маркировочные схемы стеновых панелей, лотков и мостиков. Узлы 8-11 ТП 902-2-330-КЖ-10 Монолитный участок УМ-1. Опалубочные чертежи и армирование ТП 902-2-330-КЖ-11 Монолитный участок УМ-2. Опалубочные чертежи и армирование ТП 902-2-330-КЖ-12 Монолитный участок УМ-3. Опалубочные чертежи и армирование ТП 902-2-330-КЖ-13 Монолитные участки УМ-4,УМ-6. Опалубочные чертежи и армирование ТП 902-2-330-КЖ-14 Монолитный участок УМ-5. Опалубочные чертежи и армирование ТП 902-2-330-КЖ-15 Опалубочные чертежи и армирование монолитных участков УМ-1÷УМ-3. Ведомость стержней на один элемент ТП 902-2-330-КЖ-16 Опалубочные чертежи и армирование монолитных участков УМ-4÷УМ-6. Ведомость стержней на один элемент ТП 902-2-330-КЖ-17 Опалубочные чертежи и армирование монолитных участков УМ-1÷УМ-6. Спецификация марок арматурных изделий на 1 элемент. Выборка стали ТП 902-2-330-КЖ-18 Днище, фрагмент опалубочного плана. Сечения 1-1÷8-8 ТП 902-2-330-КЖ-19 Днище. Армирование. План раскладки нижних сеток ТП 902-2-330-КЖ-20 Днище. Армирование. План раскладки верхних сеток ТП 902-2-330-КЖ-21 Днище. Армирование. План раскладки каркасов ТП 902-2-330-КЖ-22 Днище. Армирование. Сечения 1-1÷8-8 ТП 902-2-330-КЖ-23 Днище. Армирование. Узлы 1-6 ТП 902-2-330-КЖ-24 Днище. Армирование бункерной части ТП 902-2-330-КЖ-25 Днище. Армирование. Спецификации ТП 902-2-330-КЖ-26 Опалубочные чертежи стеновых панелей ПК1-42-1а,ПК1-42-2а,ПКУ1-42-1а,ПКУ1-42-1б,ПКУ1-42-2а÷ПКУ1-42-2в;ПКУ1-36-2а ТП 902-2-330-КЖ-27 Плиты мостиков ПТ-1а÷ПТ-1гд;ПТ-2÷ПТ-2б Опалубочные чертежи и армирование ТП 902-2-330-КЖ-28 Плиты мостиков ПТ-3÷ПТ-3б,ПТ-4. Плита перекрытия П1а. Опалубочные чертежи и армирование ТП 902-2-330-КЖ-29 Опалубочные чертежи и армирование сборных железобетонных лотков ЛТ1-ЛТ4 ТП 902-2-330-КЖ-30 Днище. Армирование. Сетки С-1÷С-8, КП-1÷КП-2 ТП 902-2-330-КЖ-31 Лотки, мостики. Плиты перекрытий лотков. Конструкция сеток ТП 902-2-330-КЖ-32 Монолитные участки УМ-1÷УМ-6. Стеновые панели. Лотки. Закладные детали МН-1÷МН-7 ТП 902-2-330-КЖ-33 Соединительные детали МС-1÷МС-9 ТП 902-2-330-КЖ-34 Маркировочные схемы рельсовых путей под скребковый механизм ТП 902-2-330-КЖ-35 План опор на отм. -1.910. План расположения колодцев и распределительной чаши ТП 902-2-330-КЖ-36 Распределительная чаша. Опалубочный и арматурный планы ТП 902-2-330-КЖ-37 Распределительная чаша. Опалубочные чертежи и армирование. Сечения 1-1÷5-5 ТП 902-2-330-КЖ-38 Конструкция колодцев КИ-1÷КИ-4, КО-1÷КО-4 ТП 902-2-330-КЖ-39 Помещение привода скребкового механизма. План на отм. 0.000. Разрезы 1-1÷2-2. Фасады. План кровли ТП 902-2-330-КЖ-40 Помещение привода скребкового механизма. Маркировочные схемы фундаментов и плит покрытия ТП 902-2-330-КЖ-41 Маркировочная схема стеновых панелей. Виды по 1-1÷5-5 ТП 902-2-330-КЖ-42 Опалубочные чертежи панелей ТП 902-2-330-КЖ-43 Опалубочные чертежи панелей ТП 902-2-330-КЖ-44 Армирование стеновых панелей ТП 902-2-330-КЖ-45 Армирование панелей. Спецификация марок ТП 902-2-330-КЖ-46 Армирование панелей. Спецификация марок арматурных изделий на 1 элемент ТП 902-2-330-КЖ-47 Армирование панелей. Сетки и каркасы панелей |
| Разработан: | УкркоммунНИИпроект Минжилкомхоза УССР |
| Утверждён: | 15.06.1979 УкркоммунНИИпроект (315) |


















































