Скачать Типовой проект 704-1-157 Альбом I. Сооружение склада. ЧертежиДата актуализации: 01.01.2021
|
| Обозначение: | Типовой проект 704-1-157 |
| Обозначение англ: | 704-1-157 |
| Статус: | действует |
| Название рус.: | Альбом I. Сооружение склада. Чертежи |
| Дата добавления в базу: | 01.09.2013 |
| Дата актуализации: | 01.01.2021 |
| Дата введения: | 20.05.1980 |
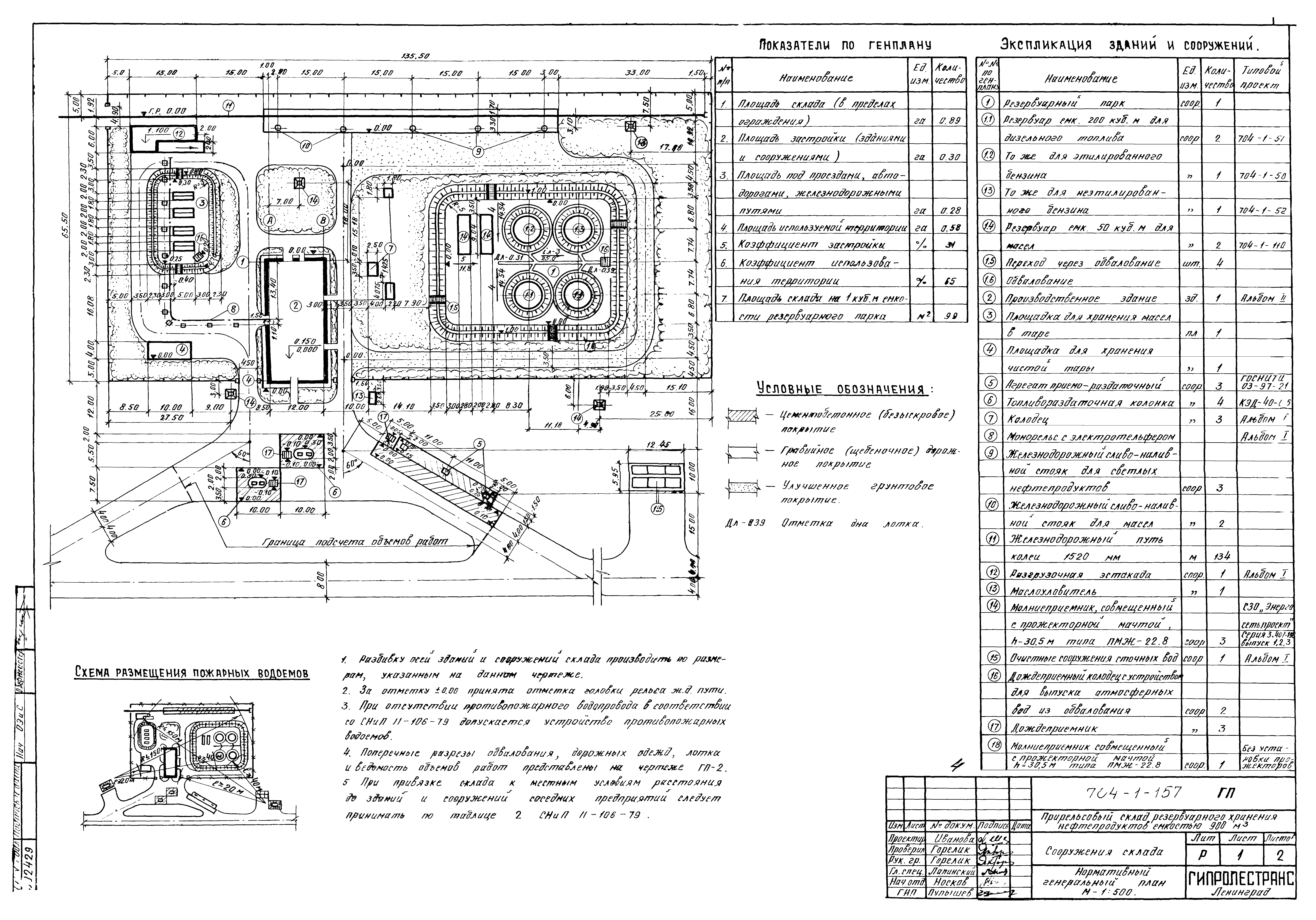
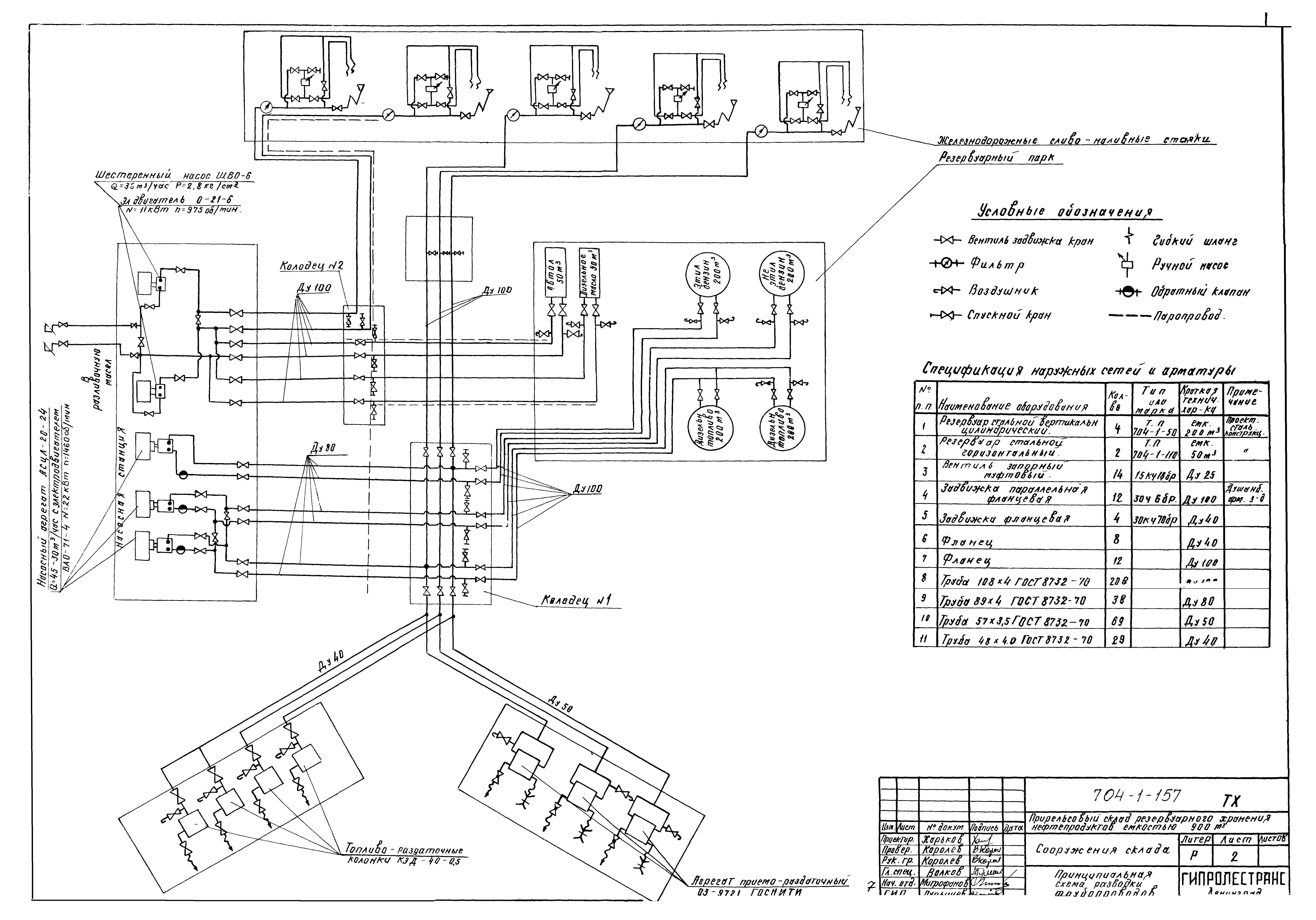
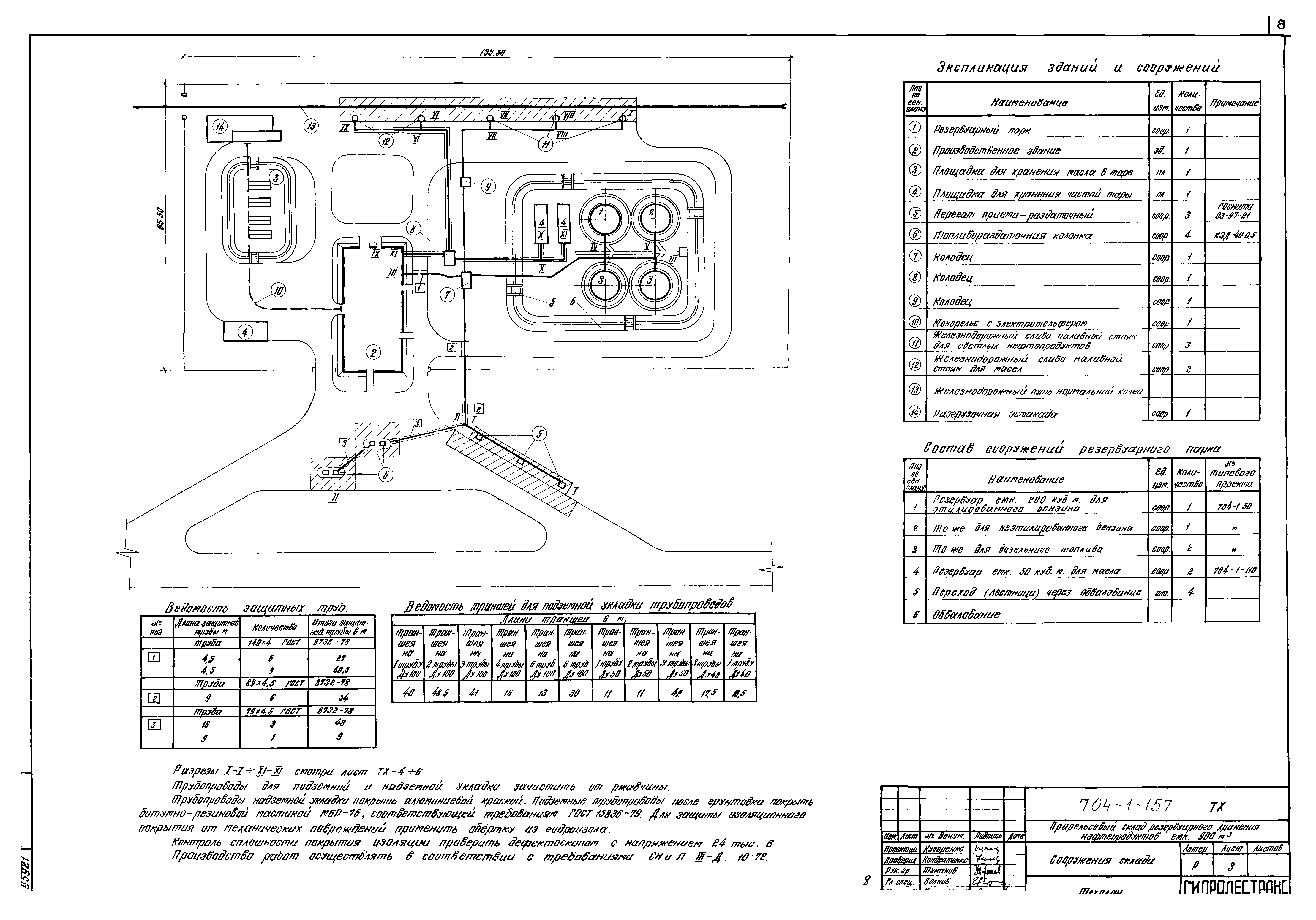
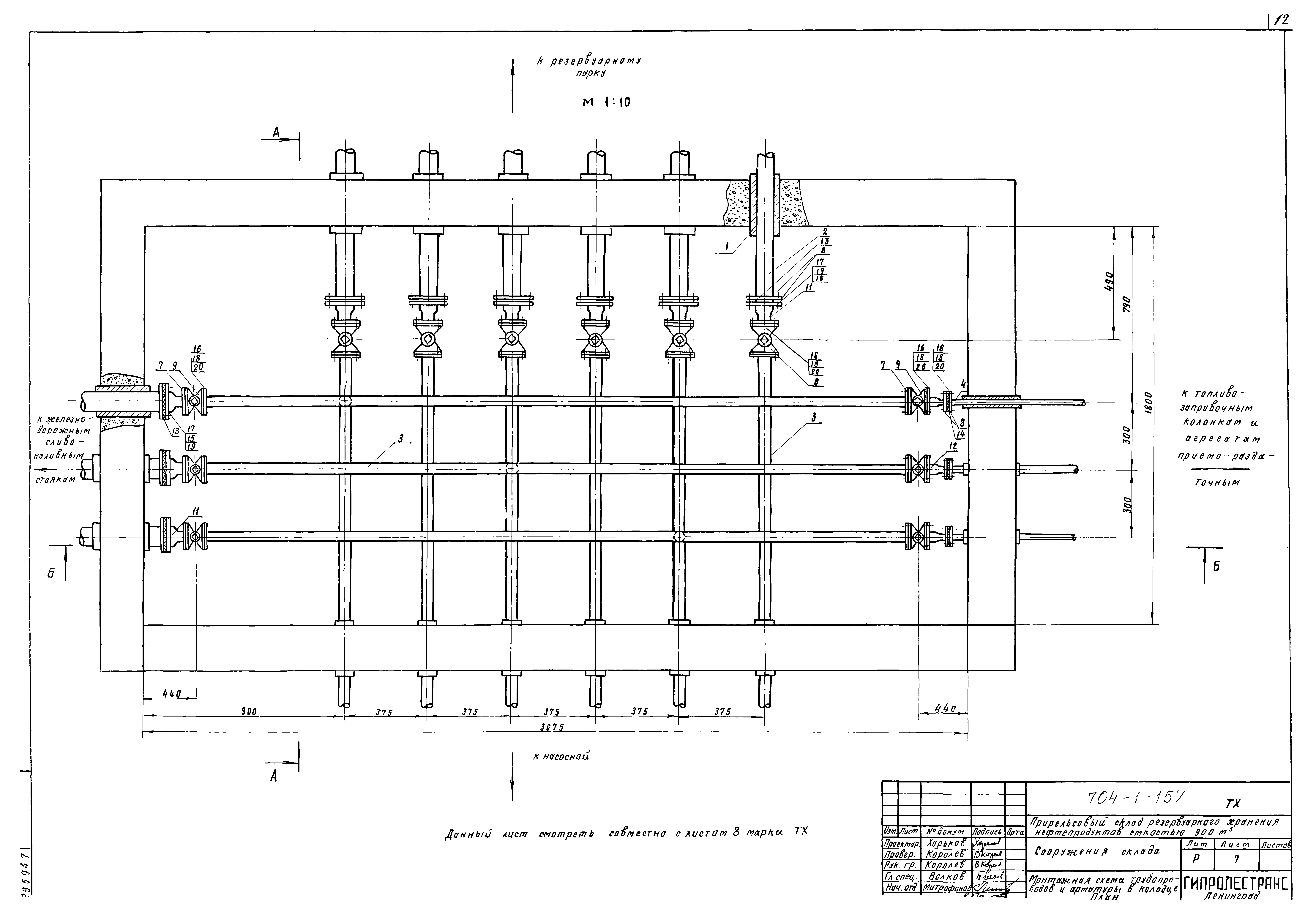
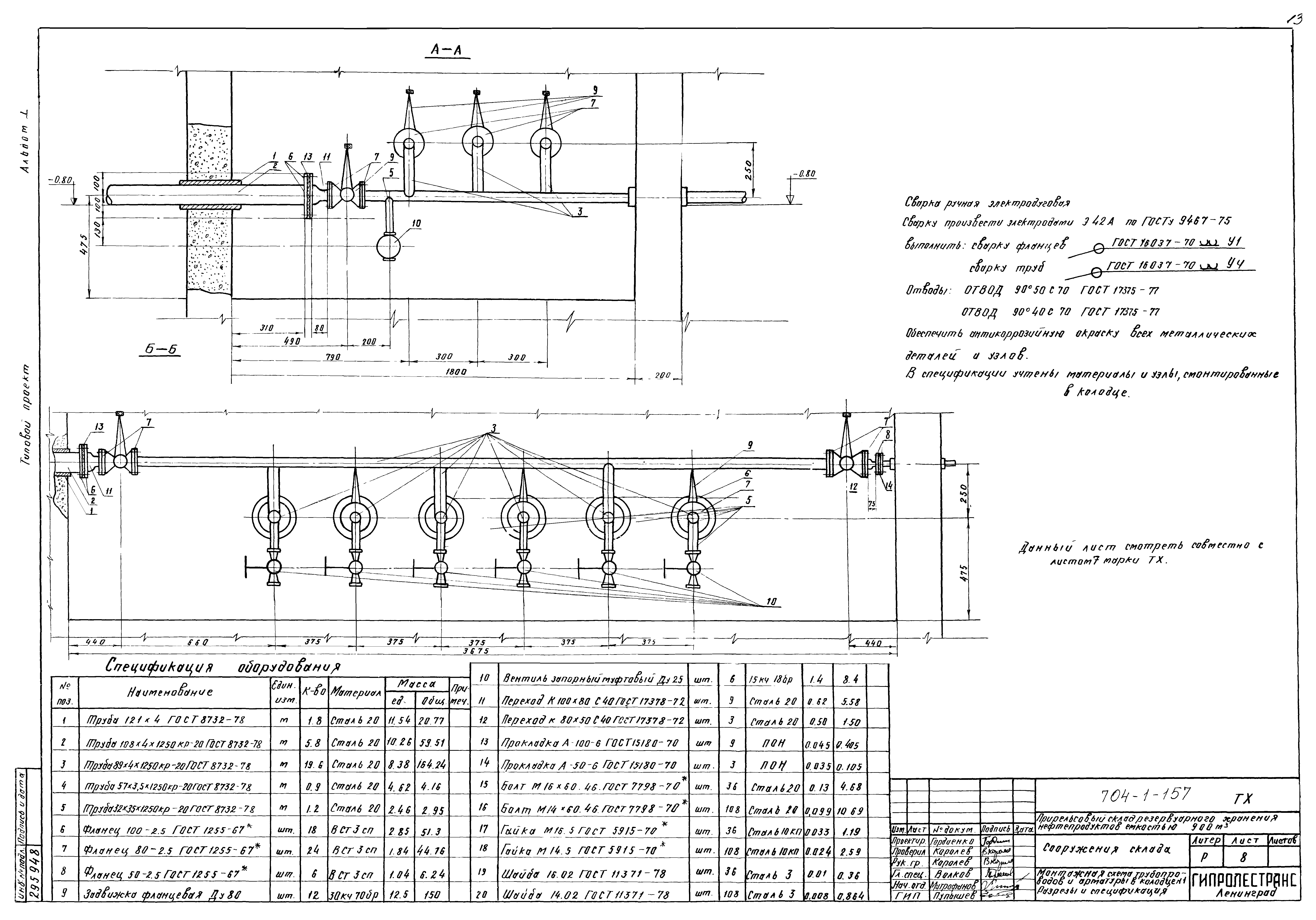
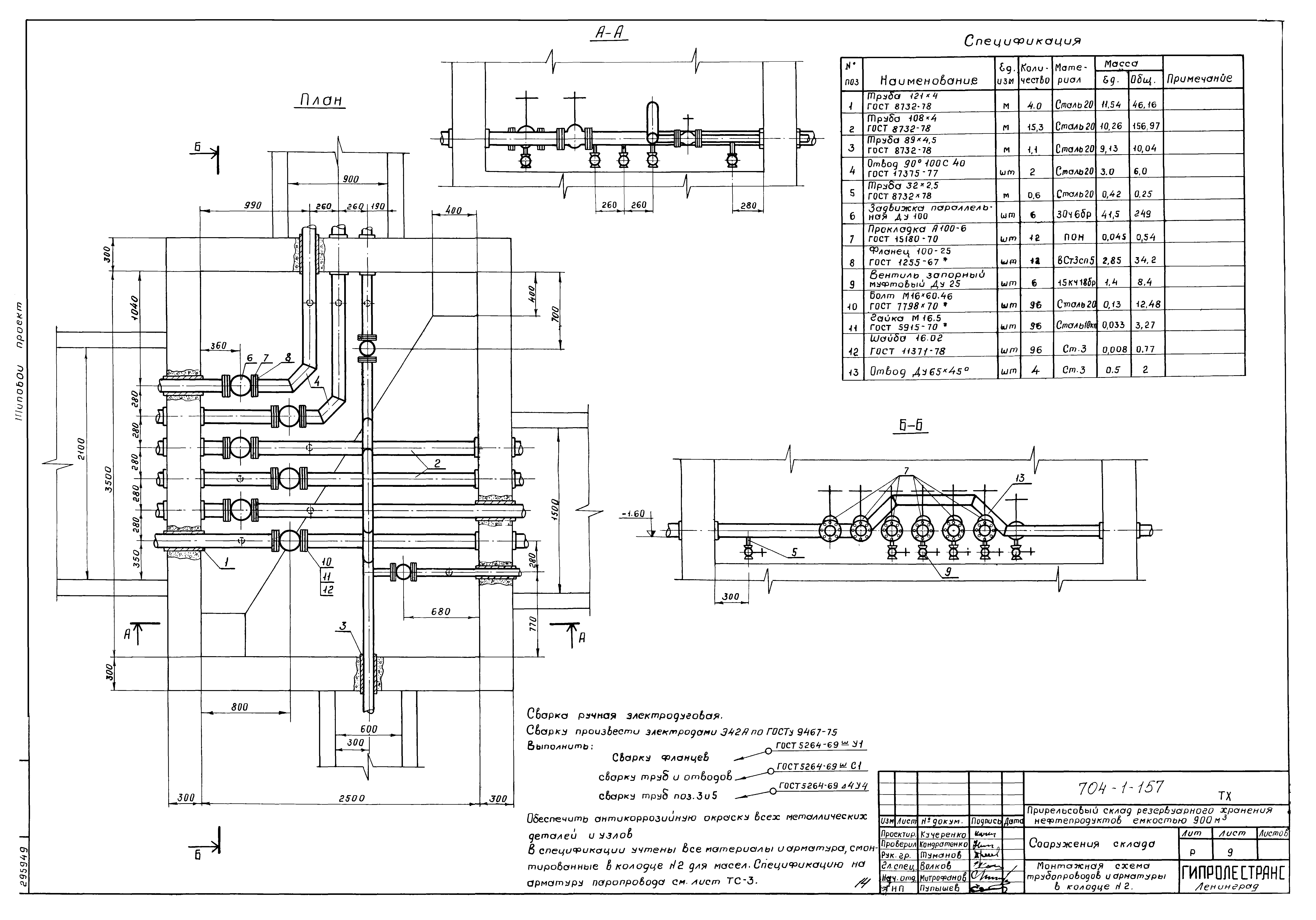
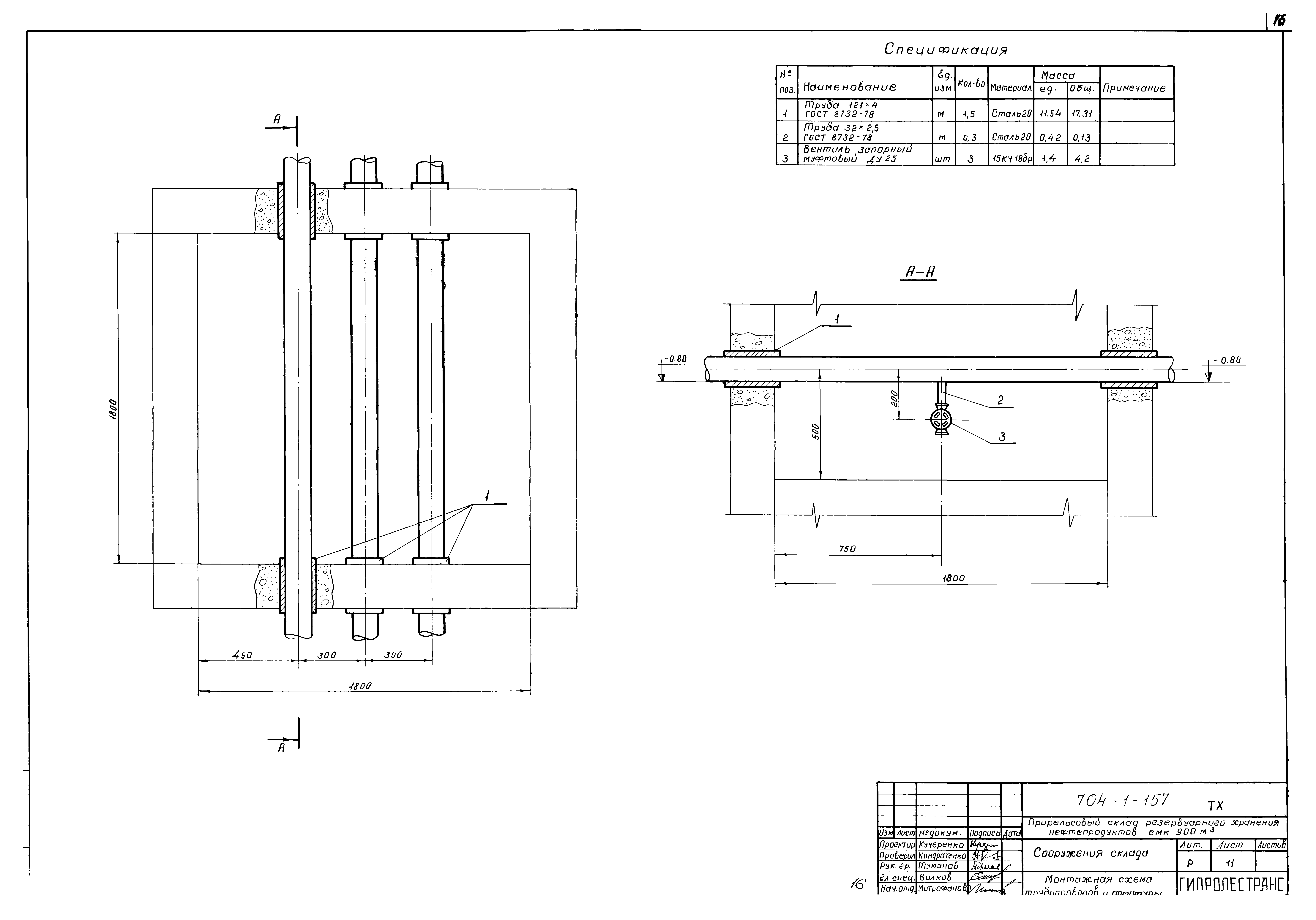
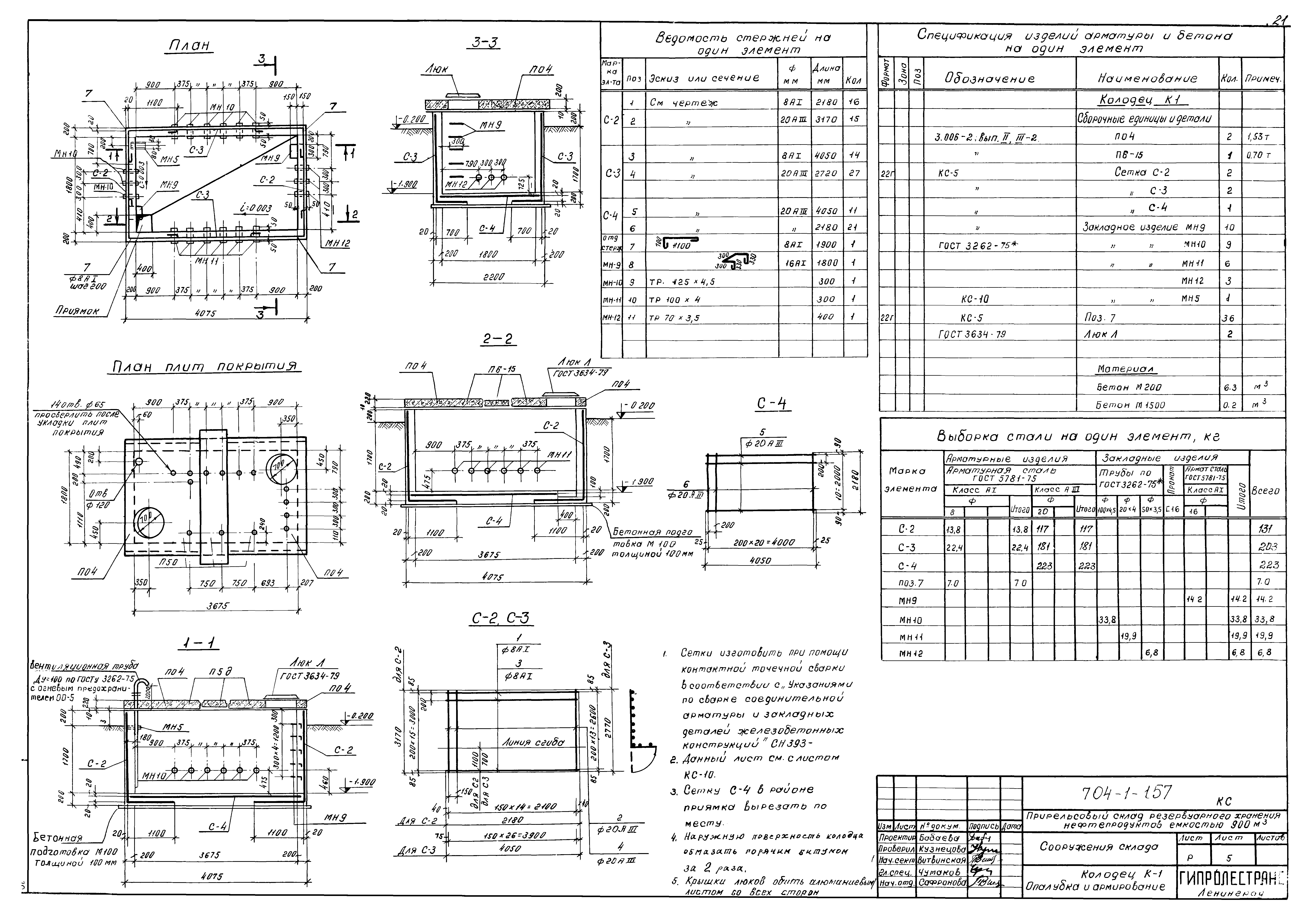
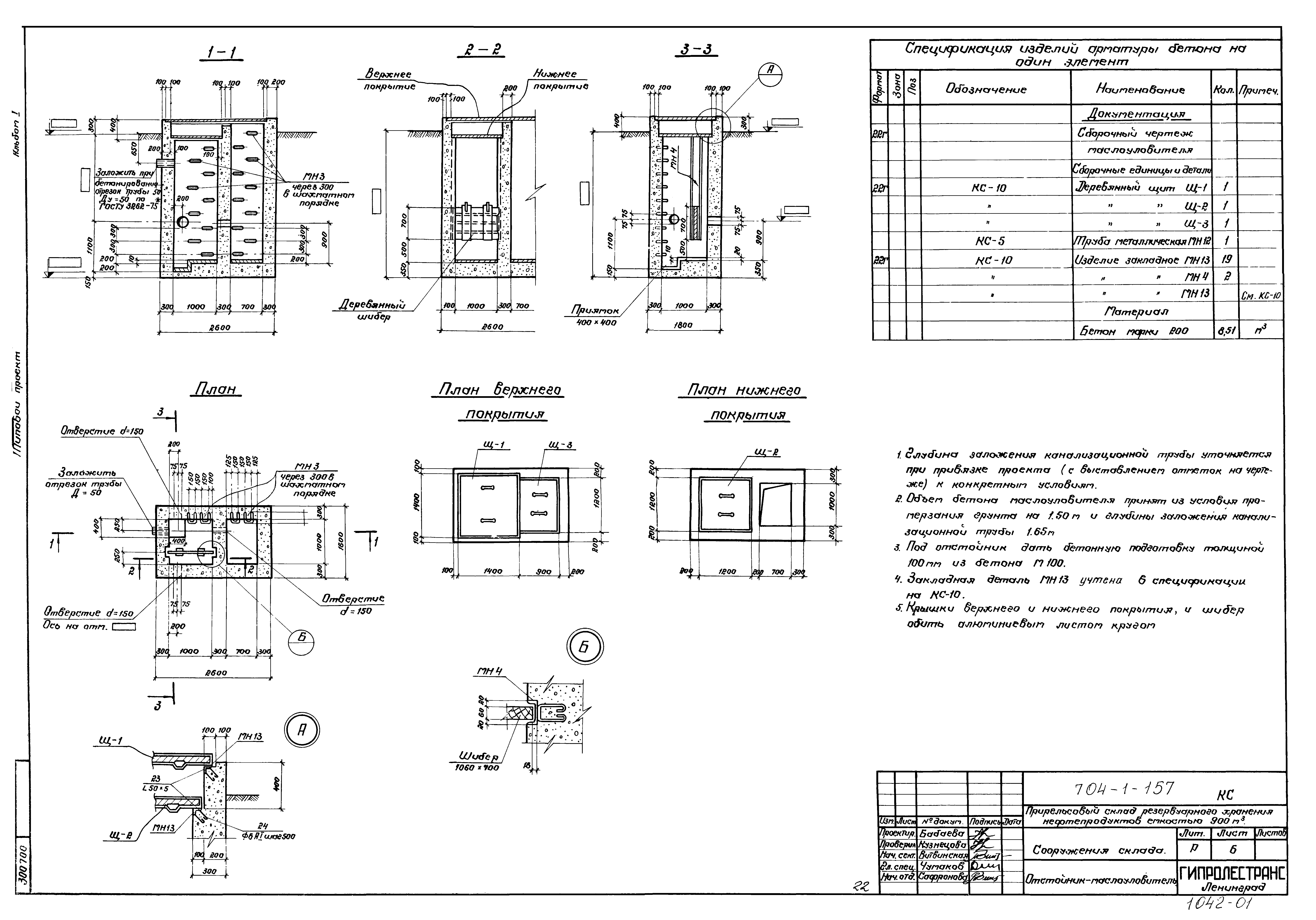
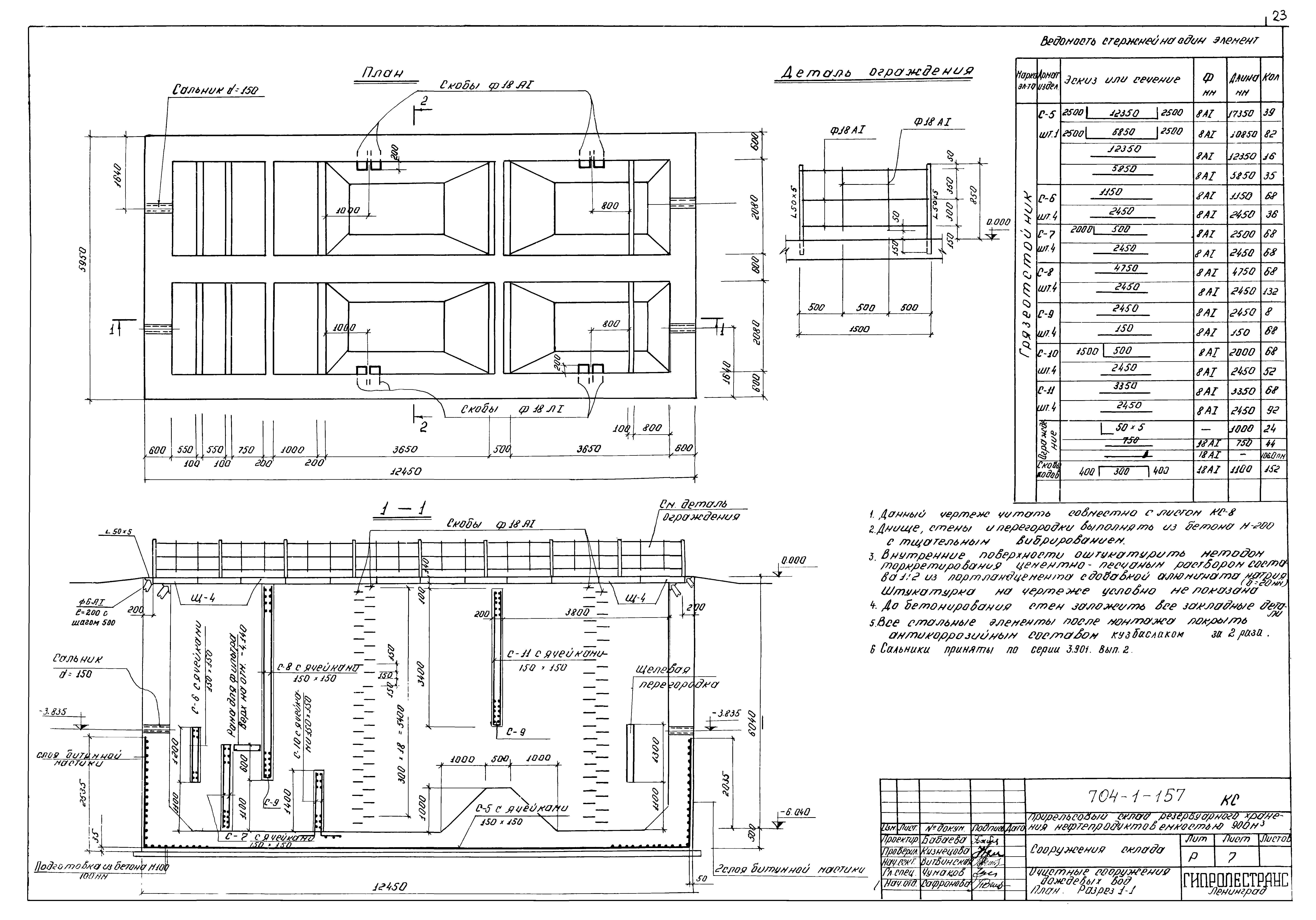
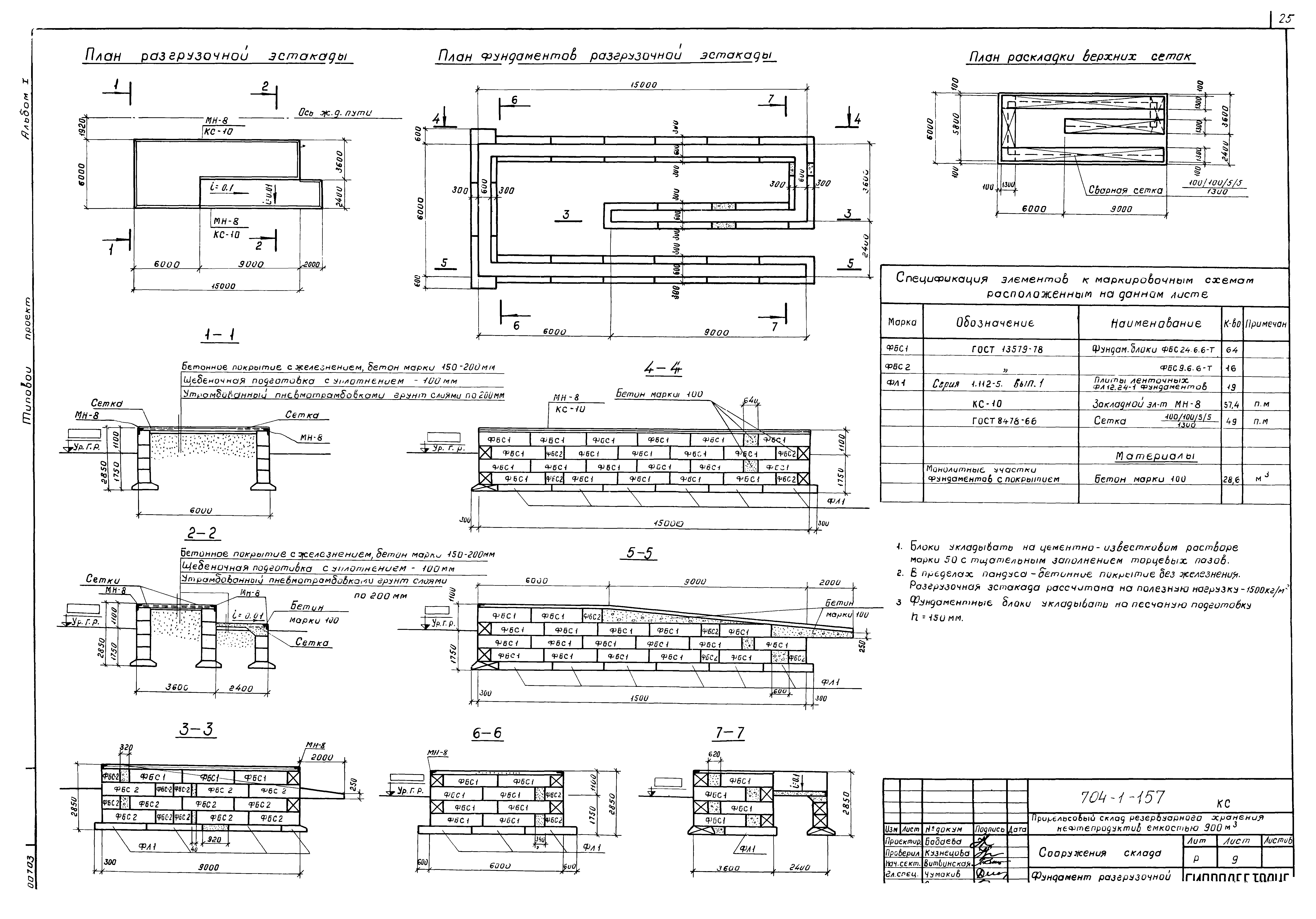
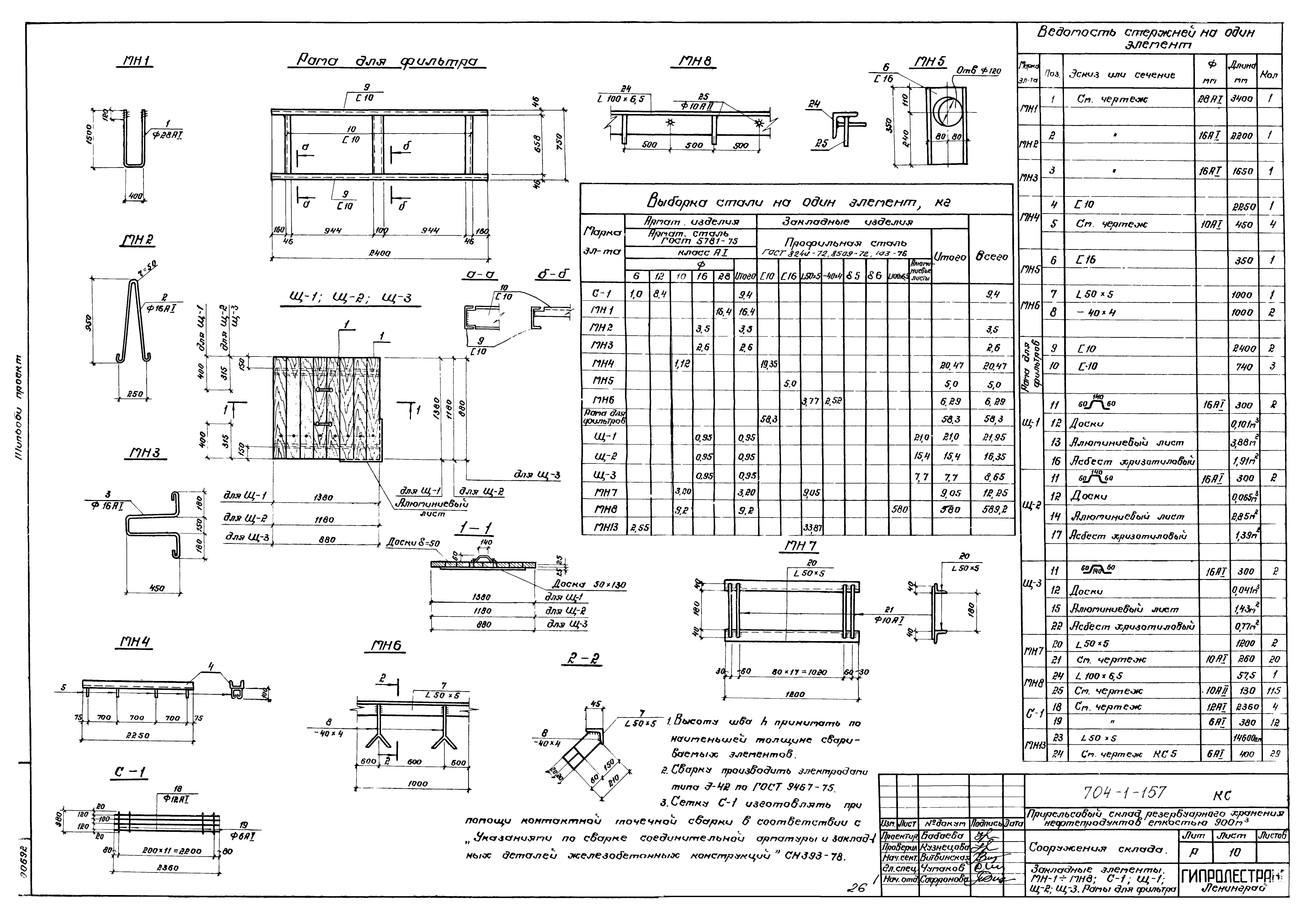
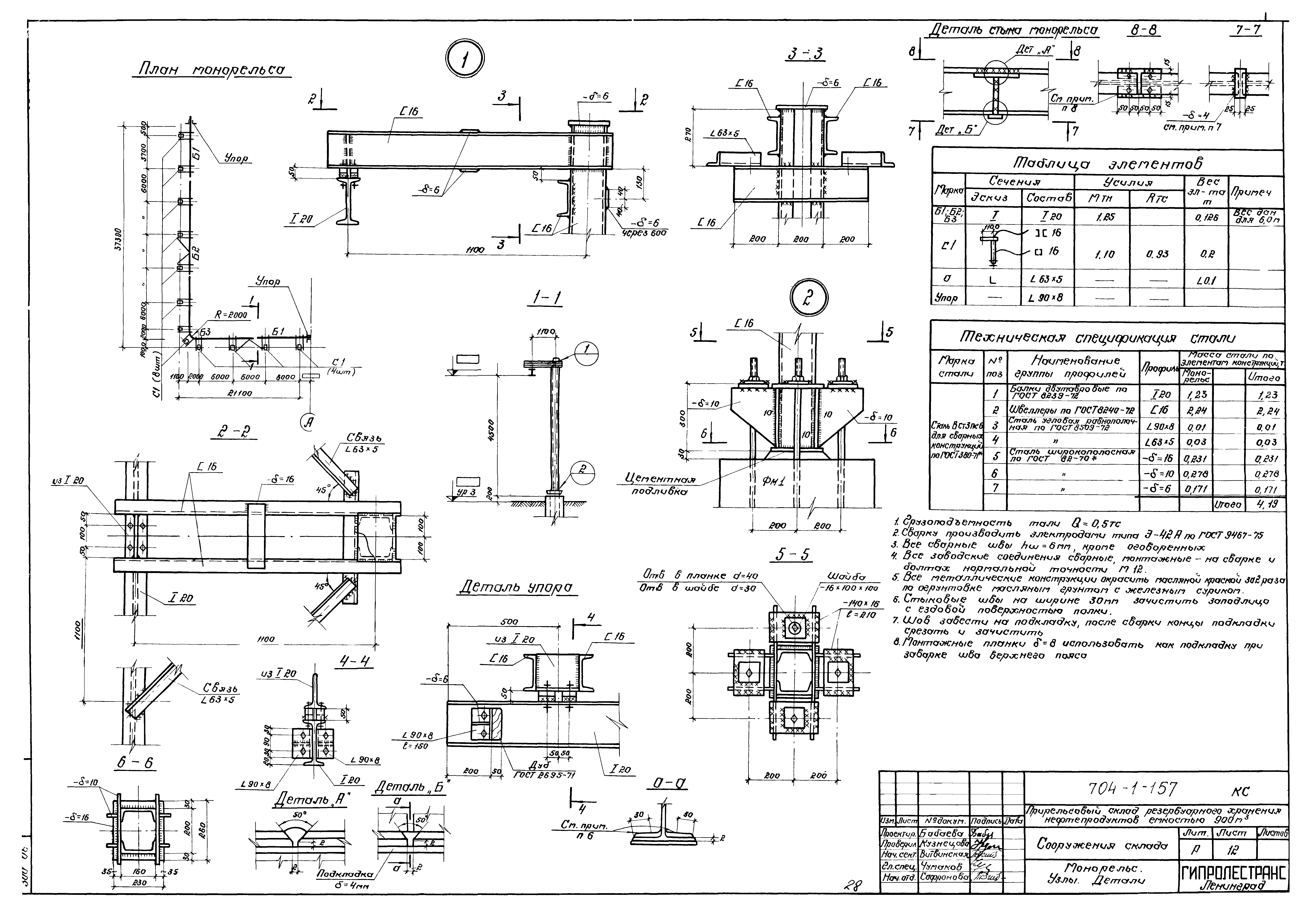
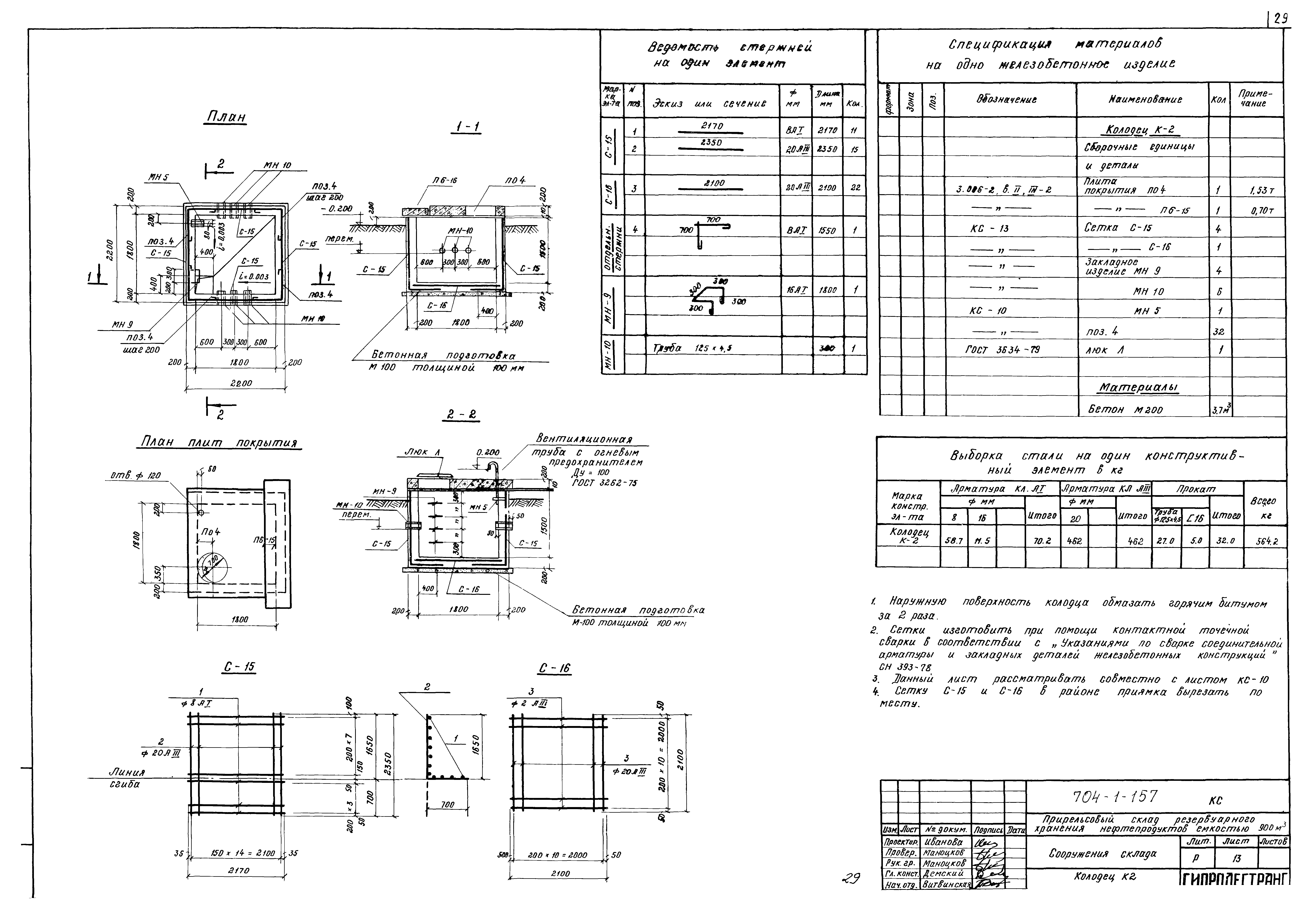
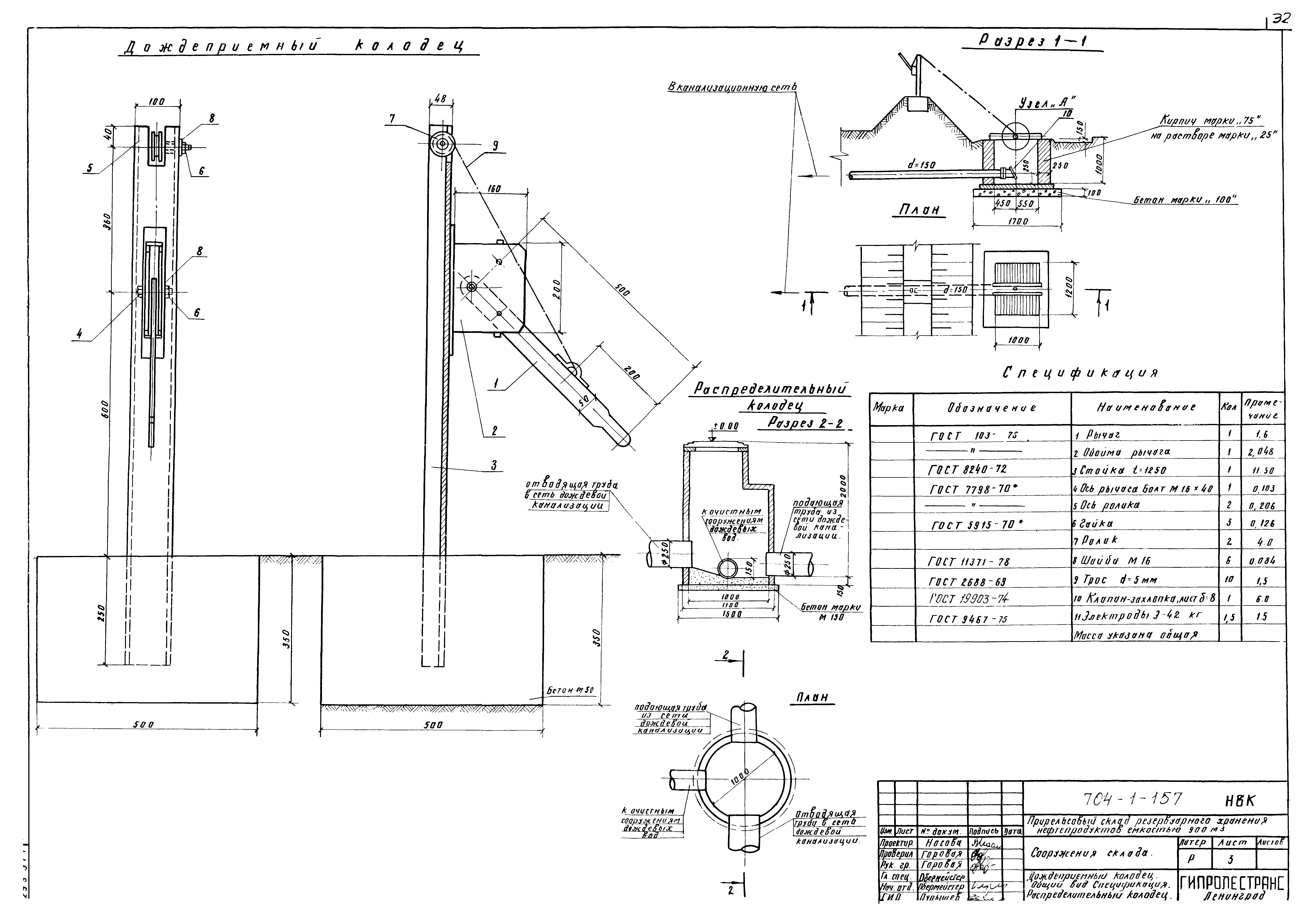
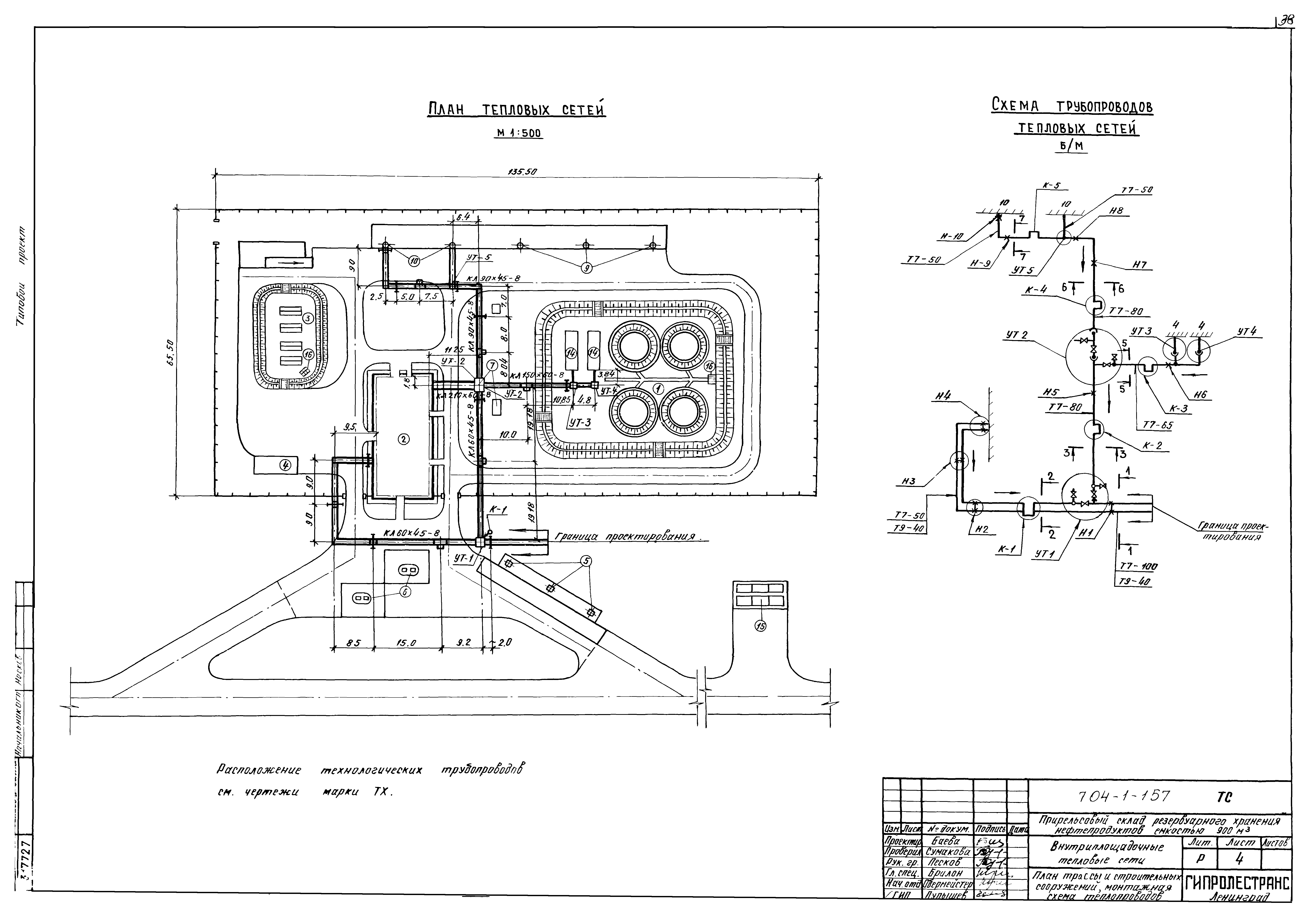
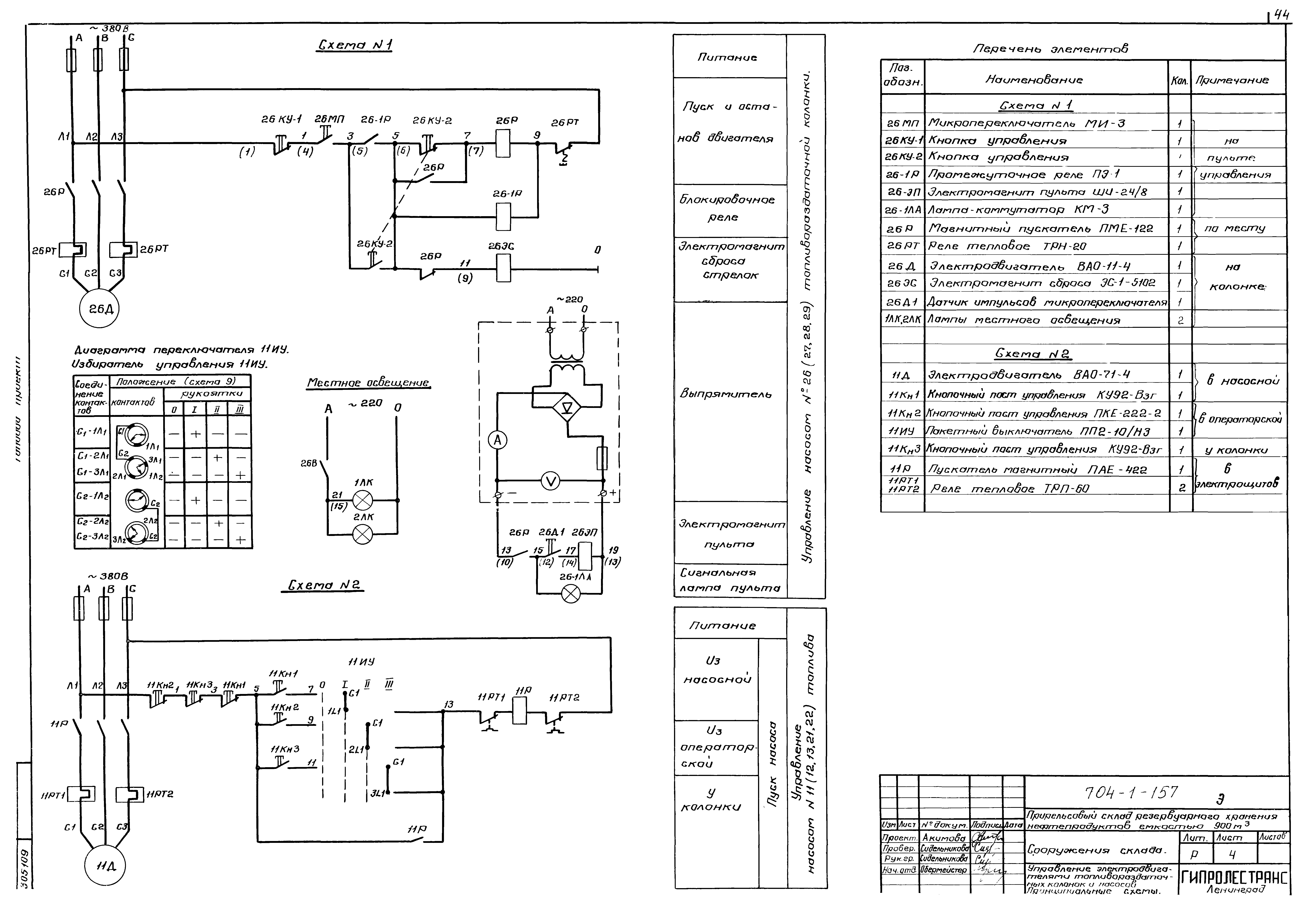
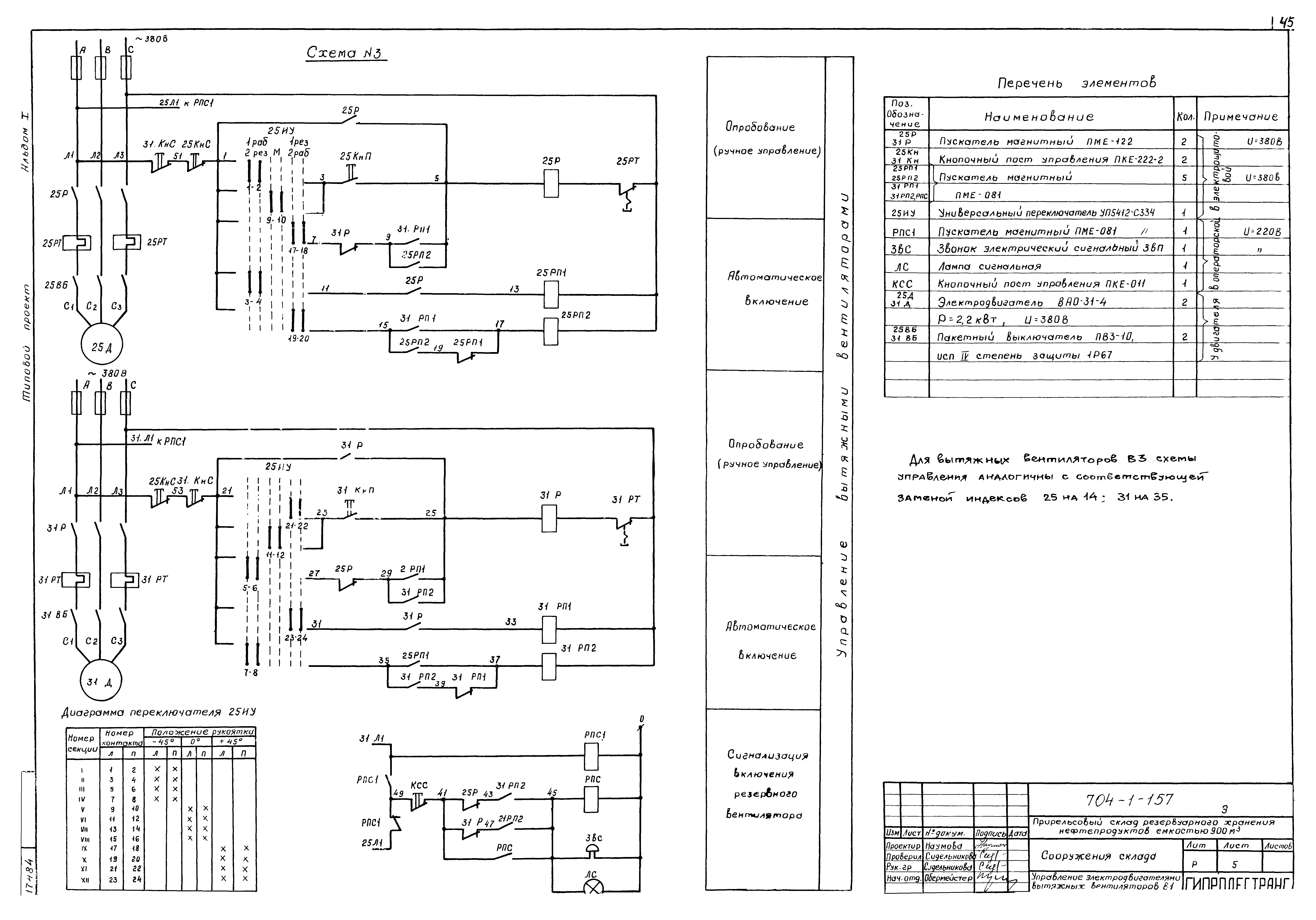
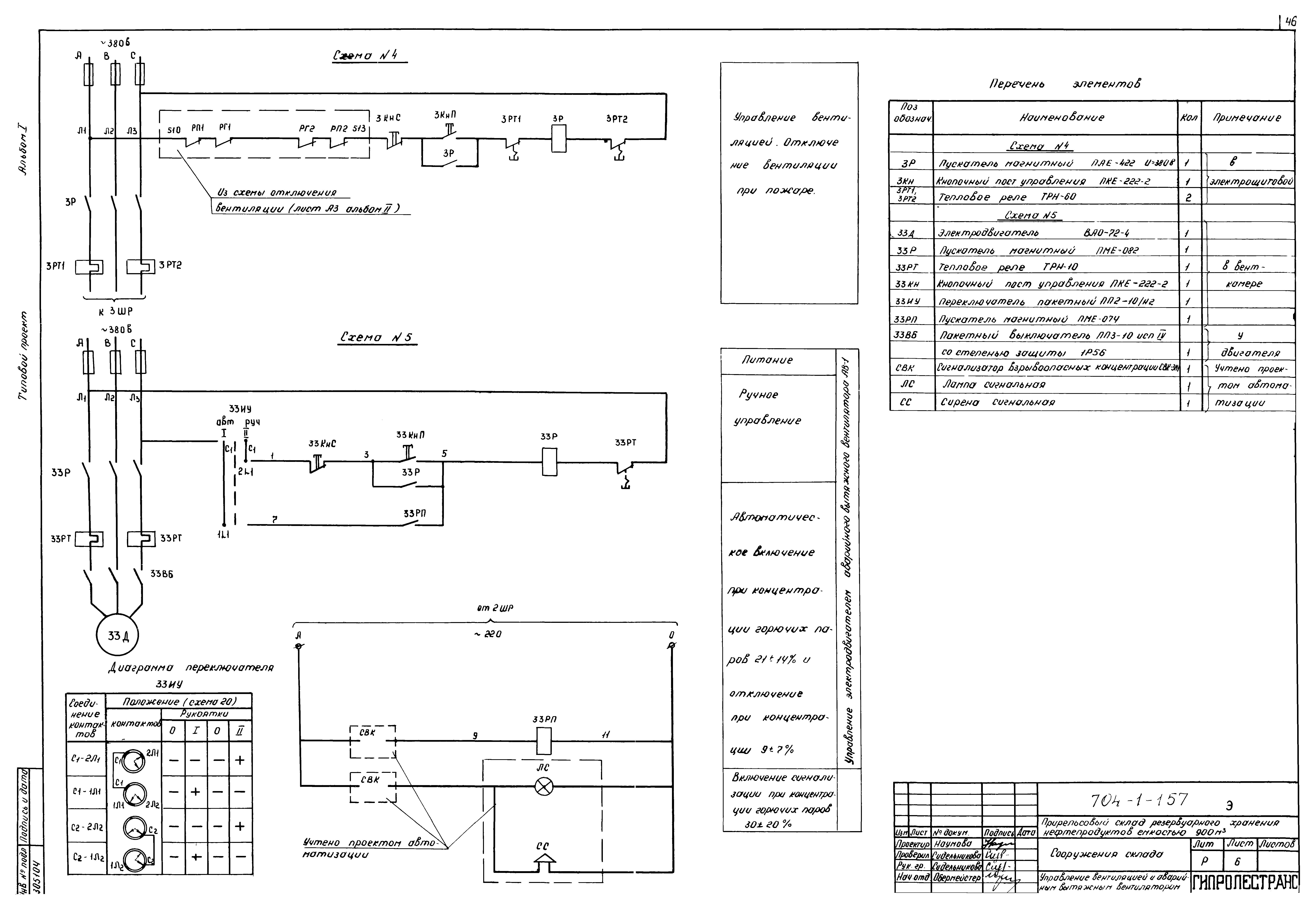
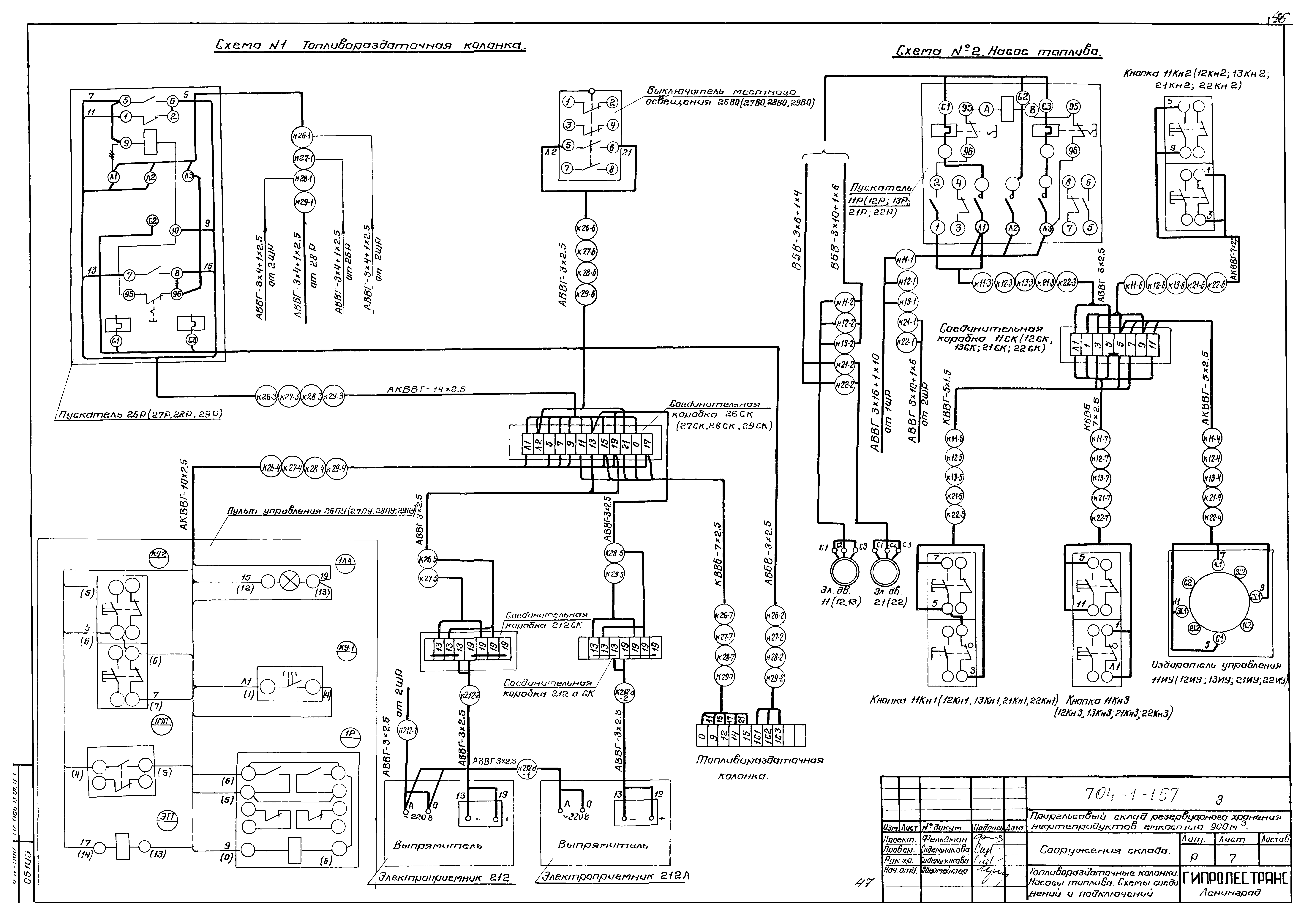
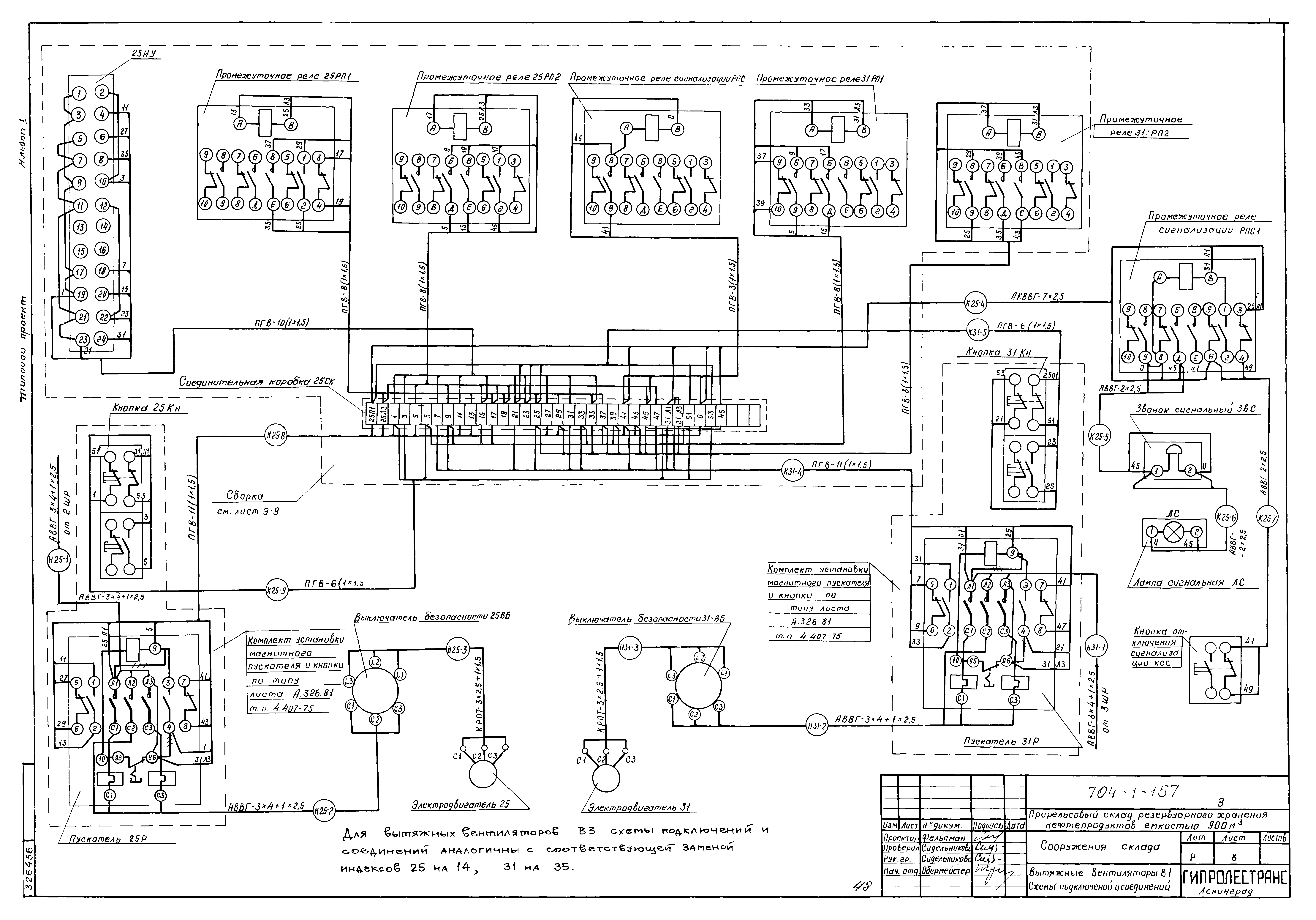
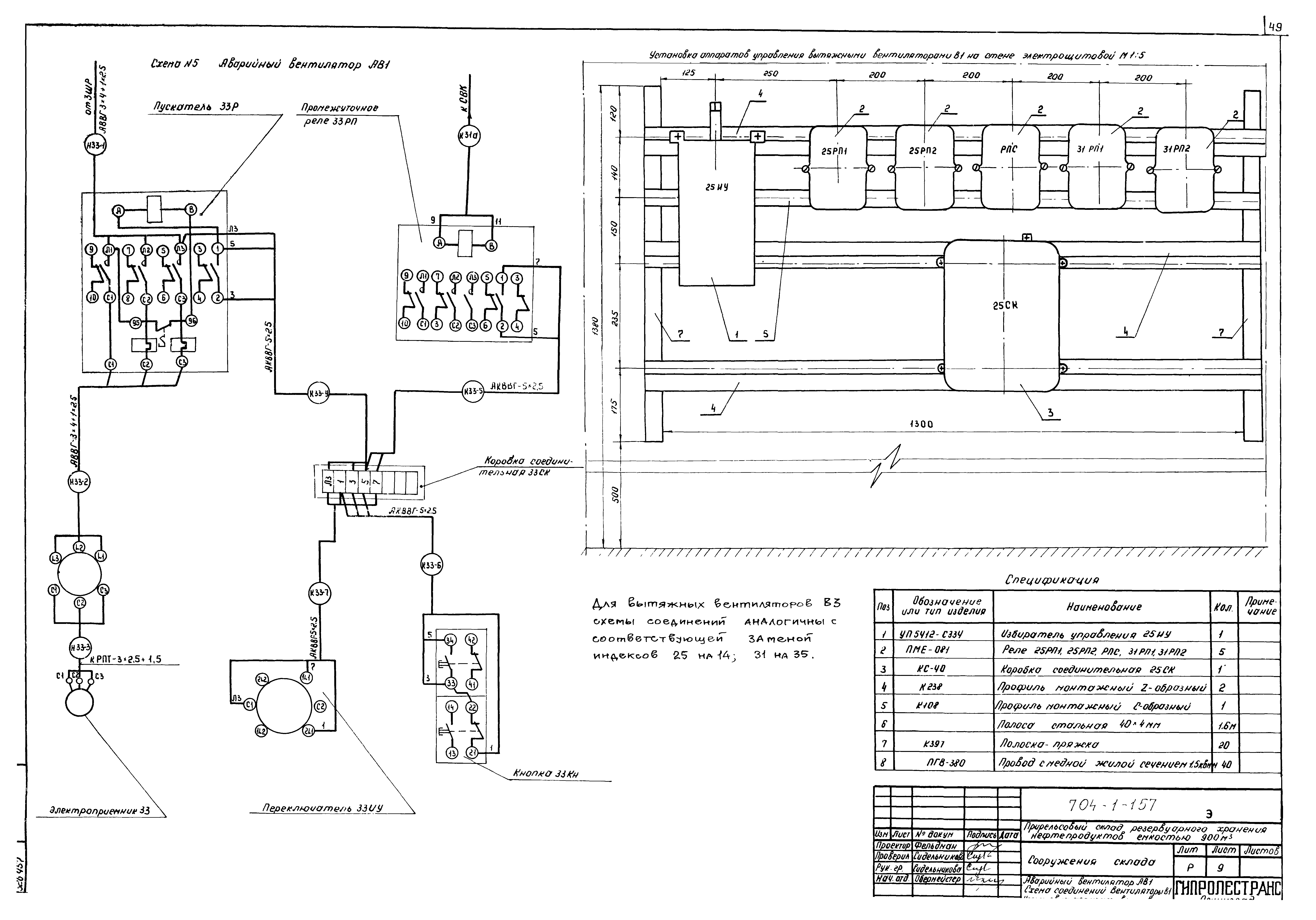
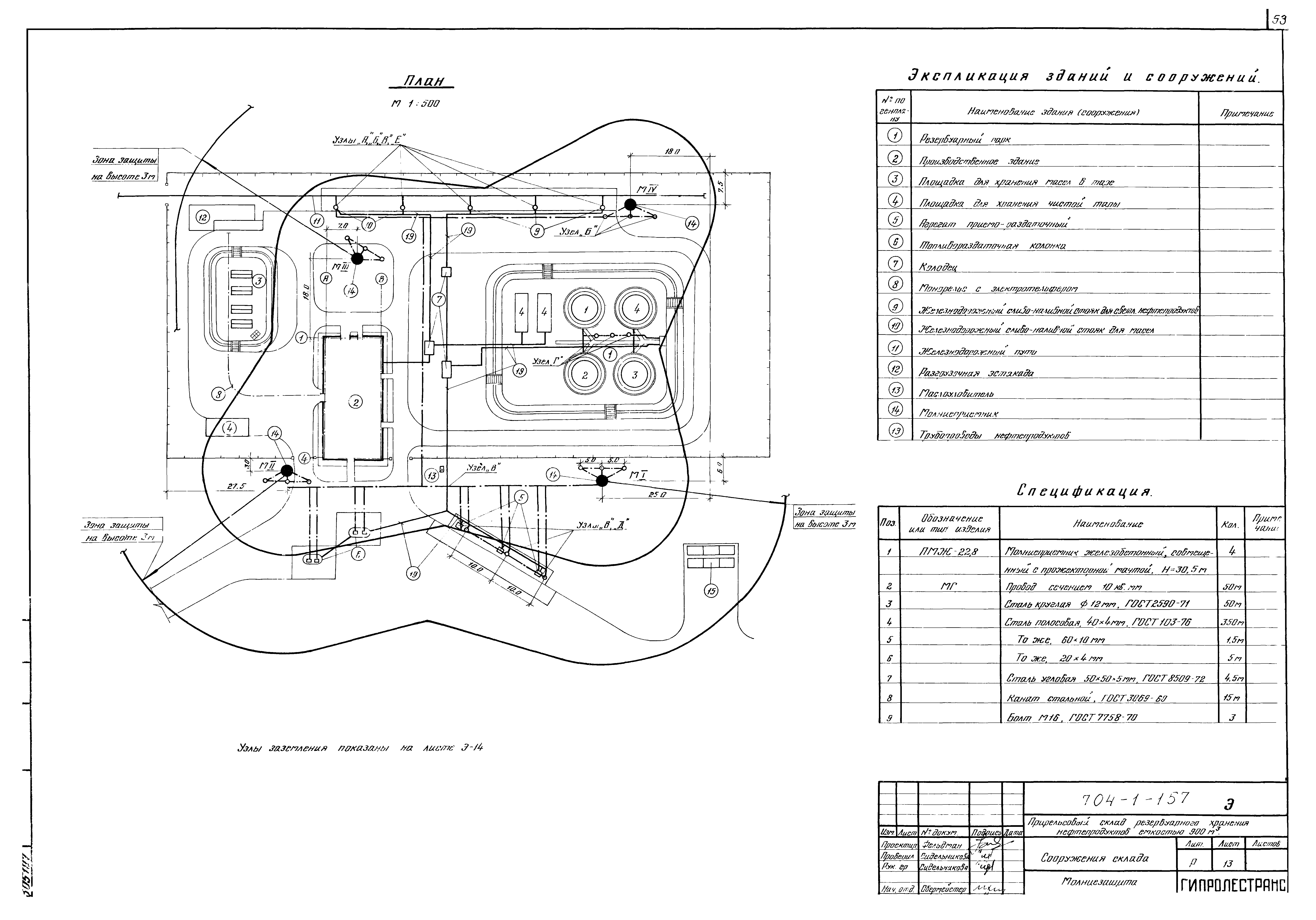
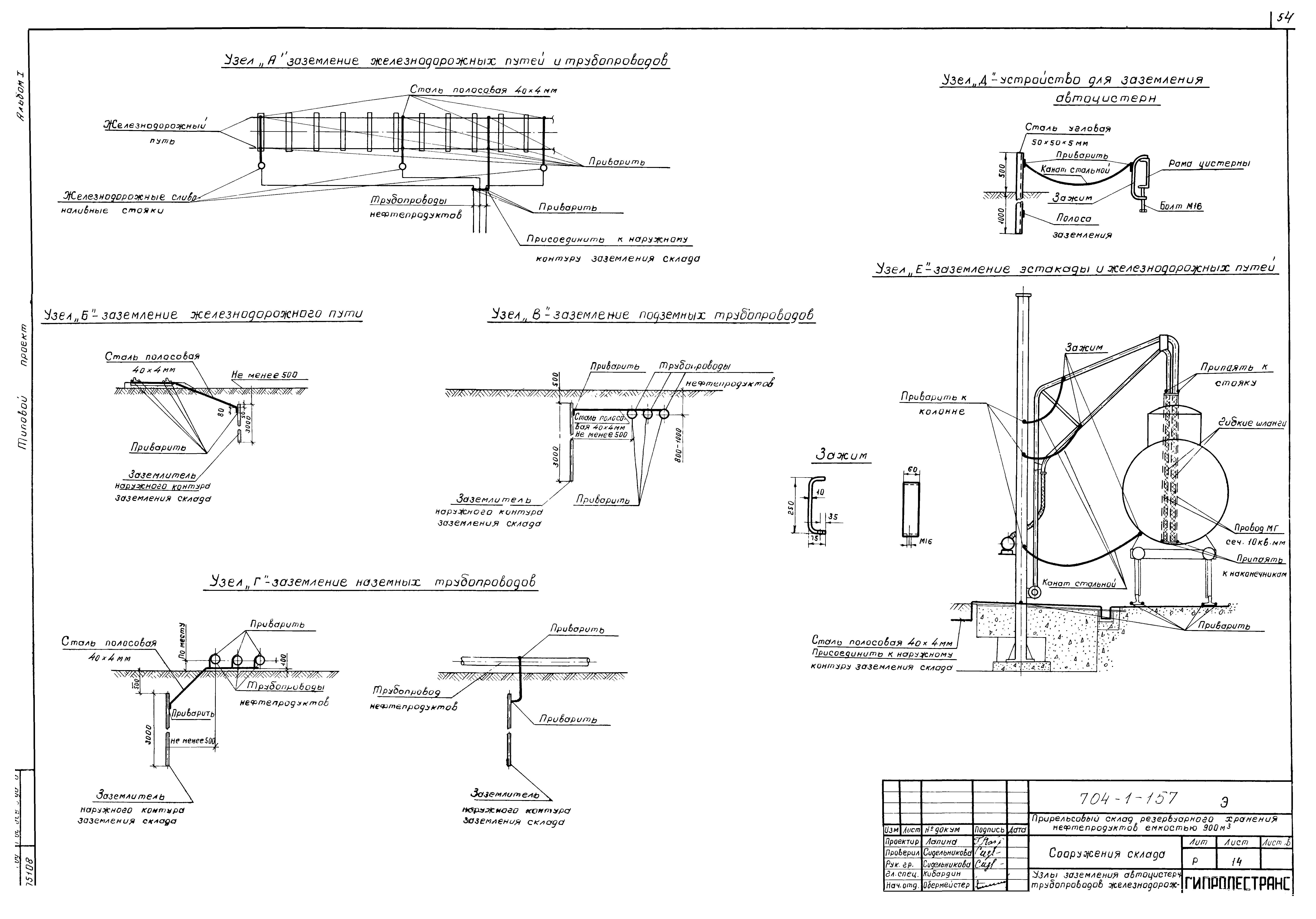
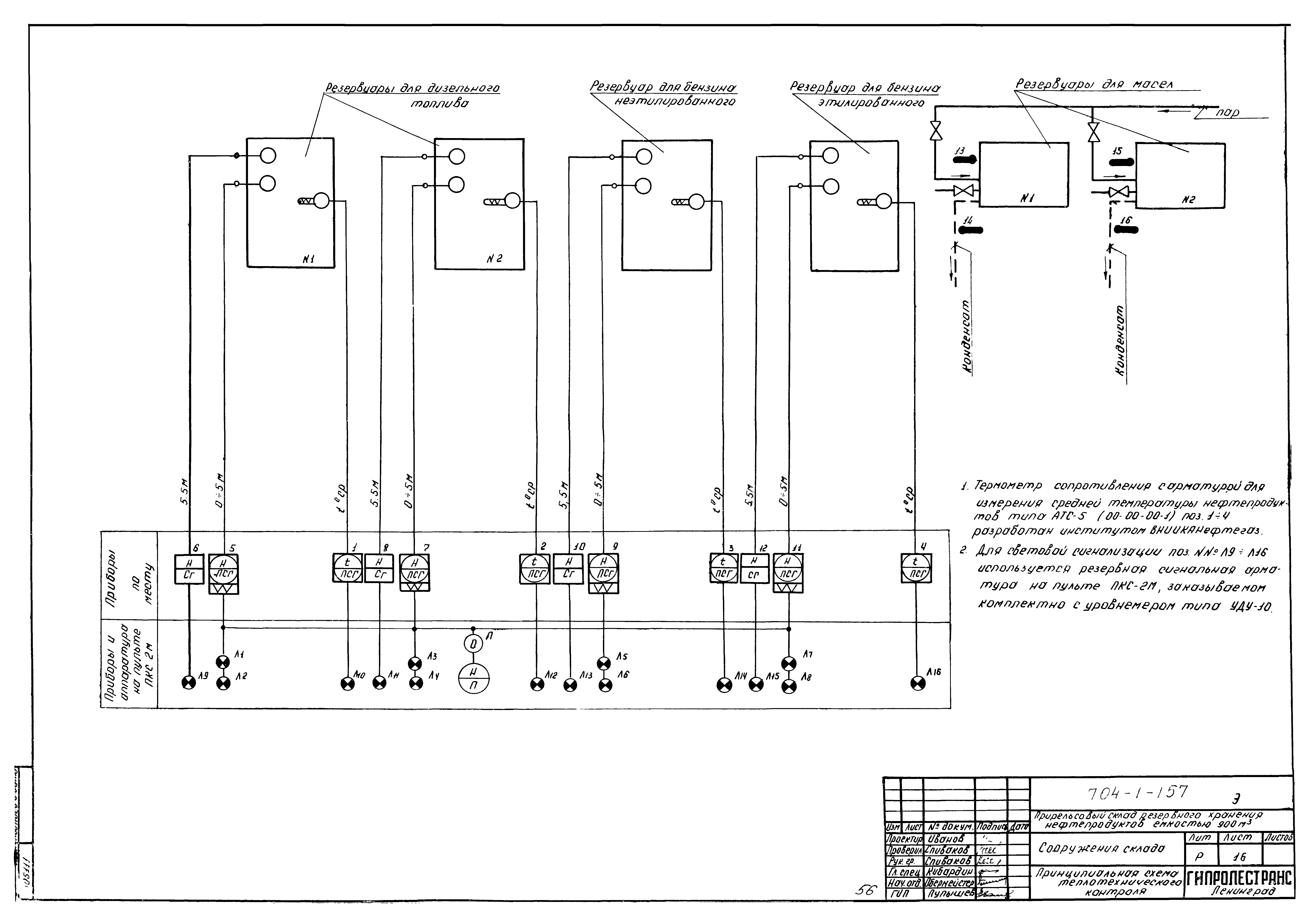
| Оглавление: | ТП 704-1-157 Титульный лист ТП 704-1-157 Содержание альбома ТП 704-1-157 Пояснительная записка ТП 704-1-157-ГП-1 Нормативный генеральный план ТП 704-1-157-ГП-2 Конструкции дорожных одежд. Разрезы обвалования, бетонного лотка. Объемы работ ТП 704-1-157-ТХ Технологическая часть ТП 704-1-157-ТХ-1 Заглавный лист ТП 704-1-157-ТХ-2 Принципиальная схема разводки трубопроводов ТП 704-1-157-ТХ-3 Техплан ТП 704-1-157-ТХ-4 Наружные трубопроводы. Разрезы 1-1,2-2,7-7,8-8 ТП 704-1-157-ТХ-5 Наружные трубопроводы. Разрезы 3-3,4-4,5-5 ТП 704-1-157-ТХ-6 Наружные трубопроводы. Разрезы 6-6,9-9,10-10,11-11 ТП 704-1-157-ТХ-7 Монтажная схема трубопроводов и арматуры в колодце № 1. План ТП 704-1-157-ТХ-8 Монтажная схема трубопроводов и арматуры в колодце № 1. Разрезы и спецификация ТП 704-1-157-ТХ-9 Монтажная схема трубопроводов и арматуры в колодце № 2 ТП 704-1-157-ТХ-10 Сливной стояк Ду100 ТП 704-1-157-ТХ-11 Монтажная схема трубопроводов и арматуры в колодце № 3 ТП 704-1-157-КС Строительная часть ТП 704-1-157-КС-1 Заглавный лист ТП 704-1-157-КС-2 Маркировочные планы фундаментов. Лист 1 ТП 704-1-157-КС-3 Маркировочные планы фундаментов. Лист 2 ТП 704-1-157-КС-4 Фундаменты Ф1;ФМ1-ФМ8. Опалубка ТП 704-1-157-КС-5 Колодец К-1. Опалубка и армирование ТП 704-1-157-КС-6 Отстойник-маслоуловитель ТП 704-1-157-КС-7 Очистные сооружения дождевых вод. План. Разрез 1-1 ТП 704-1-157-КС-8 Очистные сооружения дождевых вод. Разрез 2-2. План покрытия. Щелевая перегородка ТП 704-1-157-КС-9 Фундамент разгрузочной эстакады ТП 704-1-157-КС-10 Закладные элементы МН1-МН8,С-1,Щ-1,Щ-2,Щ-3. Рамы для фильтра ТП 704-1-157-КС-11 Лестницы через обвалование ТП 704-1-157-КС-12 Монорельс. Узлы. Детали ТП 704-1-157-КС-13 Колодец К-2. Опалубка и армирование ТП 704-1-157-НВК Водопровод и канализация ТП 704-1-157-НВК-1 Заглавный лист ТП 704-1-157-НВК-2 План с сетями и сооружениями водопровода и канализации ТП 704-1-157-НВК-3 Дождеприемный колодец. Общий вид. Спецификация. Распределительный колодец ТП 704-1-157-НВК-4 Дождеприемный колодец. Детали ТП 704-1-157-НВК-5 Очистные сооружения дождевых вод. План, разрез, спецификация М1:50 ТП 704-1-157-ТС Теплосети ТП 704-1-157-ТС-1 Заглавный лист (начало) ТП 704-1-157-ТС-2 Заглавный лист (продолжение) ТП 704-1-157-ТС-3 Заглавный лист (окончание) ТП 704-1-157-ТС-4 План трассы и строительных сооружений, монтажная схема теплопроводов ТП 704-1-157-ТС-5 Расположение труб и арматуры в узлах УТ-1,УТ-3,УТ-4 ТП 704-1-157-ТС-6 Расположение труб в канале ТП 704-1-157-Э Электротехническая часть ТП 704-1-157-Э-1 Заглавный лист (начало) ТП 704-1-157-Э-2 Заглавный лист (окончание) ТП 704-1-157-Э-3 1Щ,2Ш,3Ш. Принципиальная однолинейная схема ТП 704-1-157-Э-4 Управление электродвигателями топливораздаточных колонок и насосов. Принципиальные схемы ТП 704-1-157-Э-5 Управление электродвигателями вытяжных вентиляторов В1. Принципиальные схемы ТП 704-1-157-Э-6 Управление вентиляцией и аварийным вытяжным вентилятором. Принципиальные схемы ТП 704-1-157-Э-7 Топливораздаточные колонки. Насосы топлива. Схемы соединений и подключений ТП 704-1-157-Э-8 Вытяжные вентиляторы В1. Схемы подключений и соединений ТП 704-1-157-Э-9 Аварийный вентилятор АВ1. Схема соединений. Вентиляторы В1. Установка аппаратов управления ТП 704-1-157-Э-10 Кабельный журнал (начало) ТП 704-1-157-Э-11 Кабельный журнал (окончание). Сводка кабелей ТП 704-1-157-Э-12 План наружных электрических сетей 380/220 В М1:500 ТП 704-1-157-Э-13 Молниезащита. Защитное заземление ТП 704-1-157-Э-14 Узлы заземления автоцистерн, трубопроводов, железнодорожных путей и эстакад ТП 704-1-157-Э-15 Наружное освещение ТП 704-1-157-Э-16 Принципиальная схема теплотехнического контроля ТП 704-1-157-Э-17 Схема внешних соединений приборов теплотехнического контроля ТП 704-1-157-СС Связь и сигнализация ТП 704-1-157-СС-1 План сети пожарной сигнализации. Установка извещателя ПКИЛ-9 ТП 704-1-157 Основные положения по организации строительства |
| Разработан: | Гипролестранс |
| Утверждён: | 19.10.1978 Минлеспром СССР (USSR Minlesprom 128) |




























































