Скачать Типовой проект КС-160.12 Контактная сеть КС-160 на станциях с жесткими поперечинами. Постоянный токДата актуализации: 01.01.2021
|
| Обозначение: | Типовой проект КС-160.12 |
| Обозначение англ: | КС-160.12 |
| Статус: | не определен законодательством |
| Название рус.: | Контактная сеть КС-160 на станциях с жесткими поперечинами. Постоянный ток |
| Дата добавления в базу: | 01.09.2013 |
| Дата актуализации: | 01.01.2021 |
| Дата введения: | 16.02.2004 |
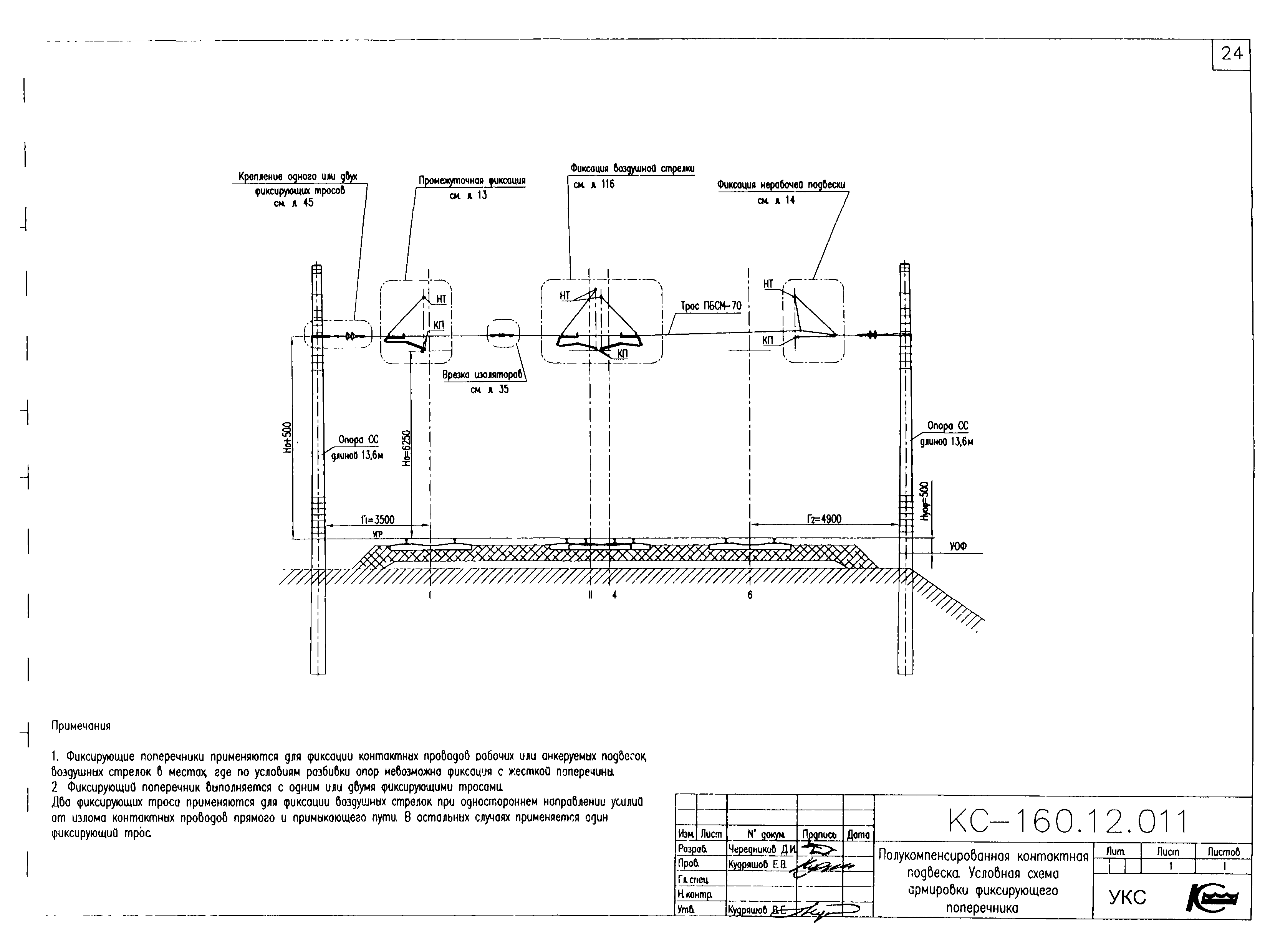
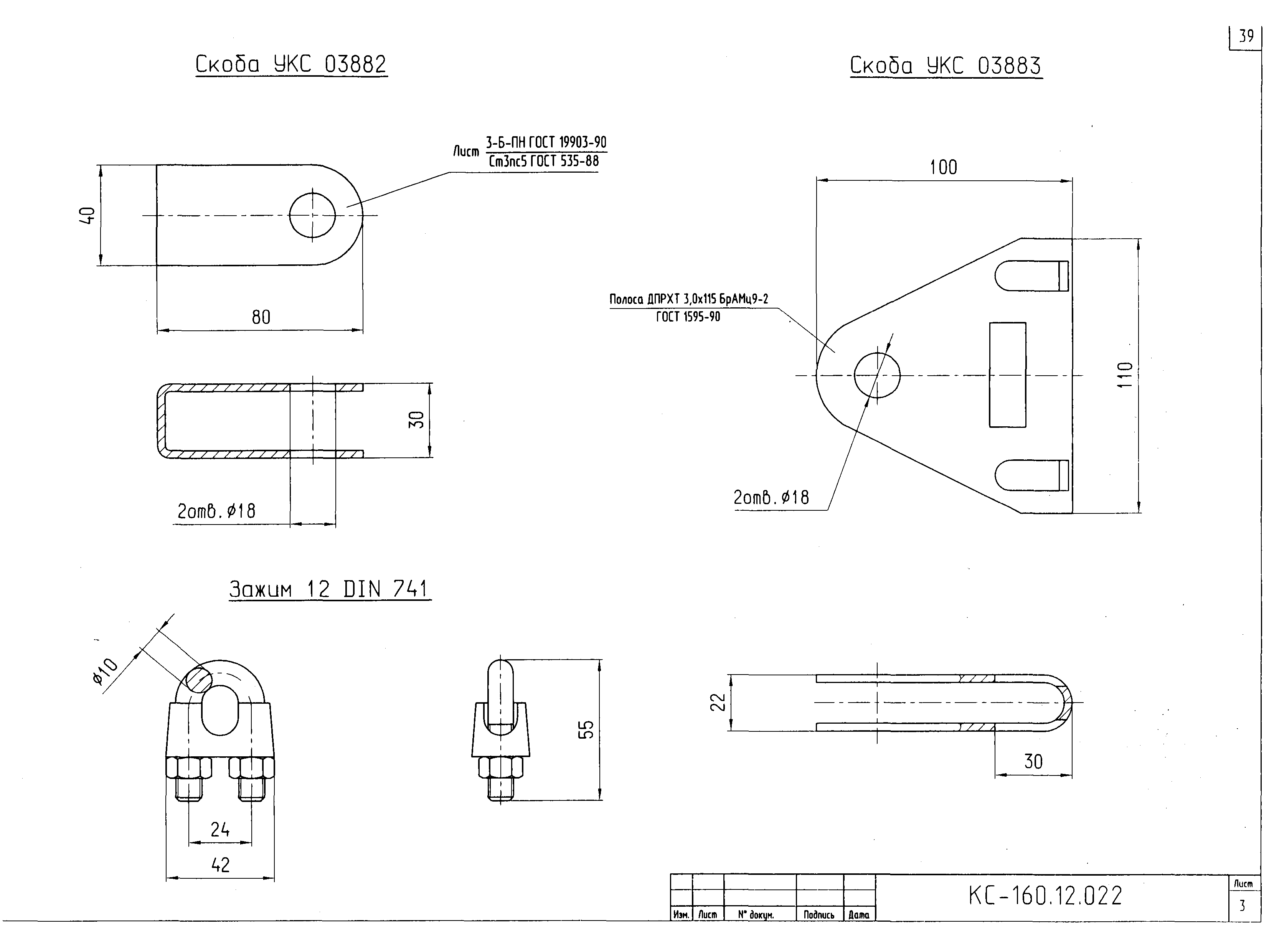
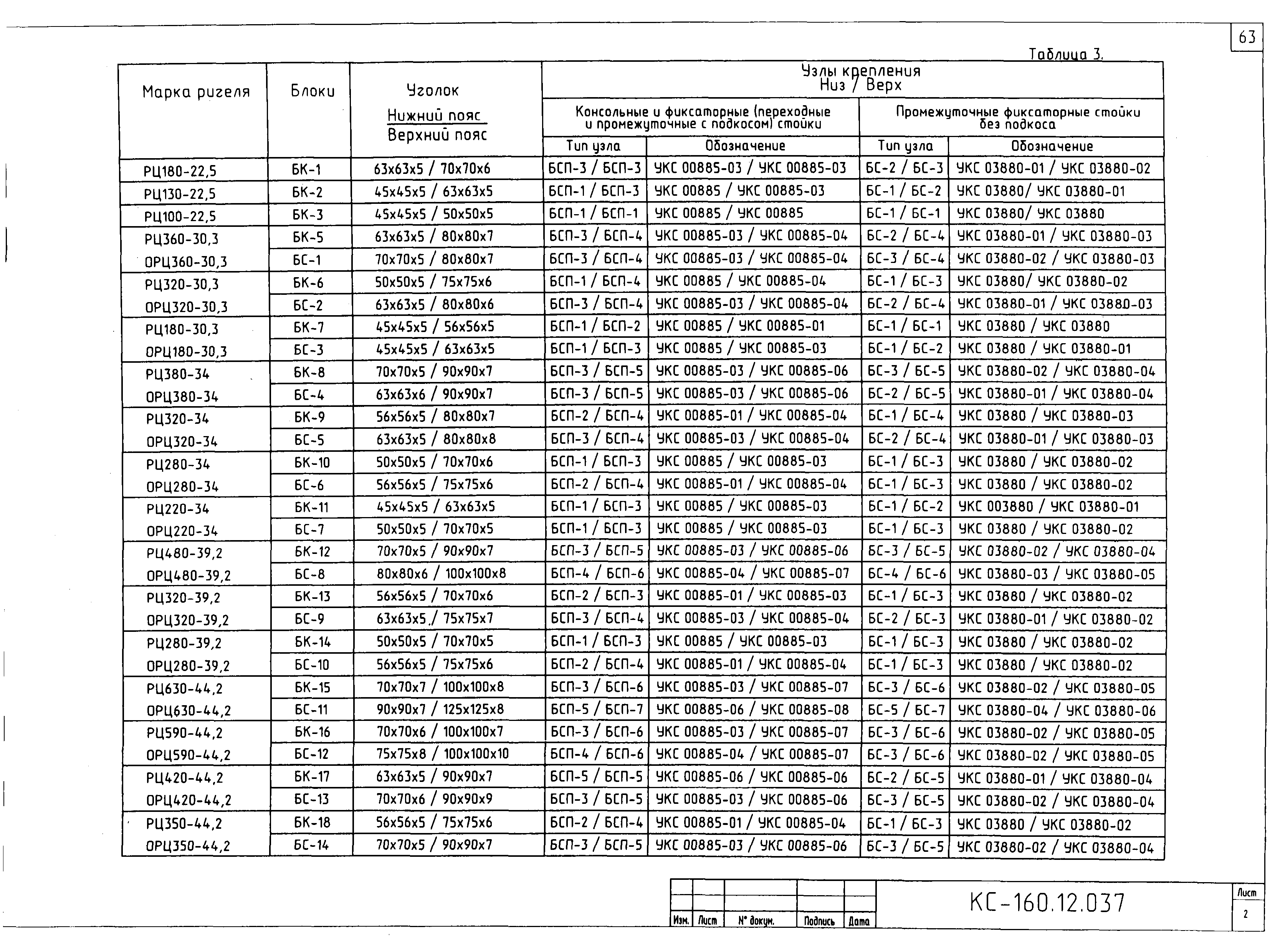
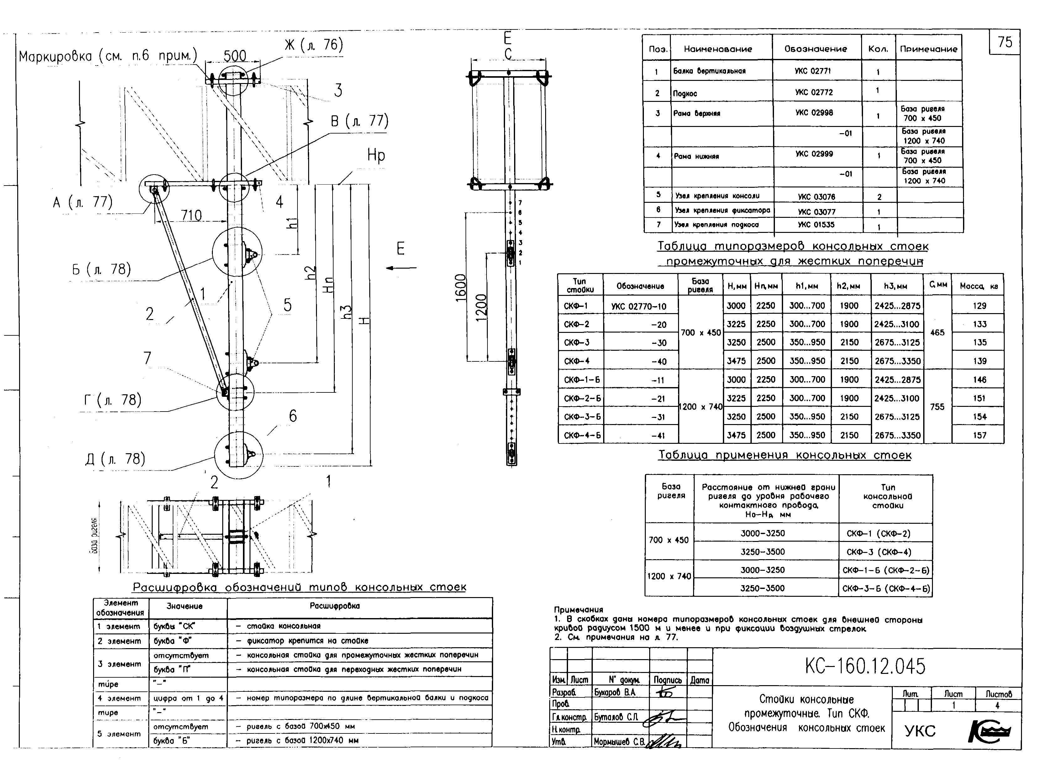
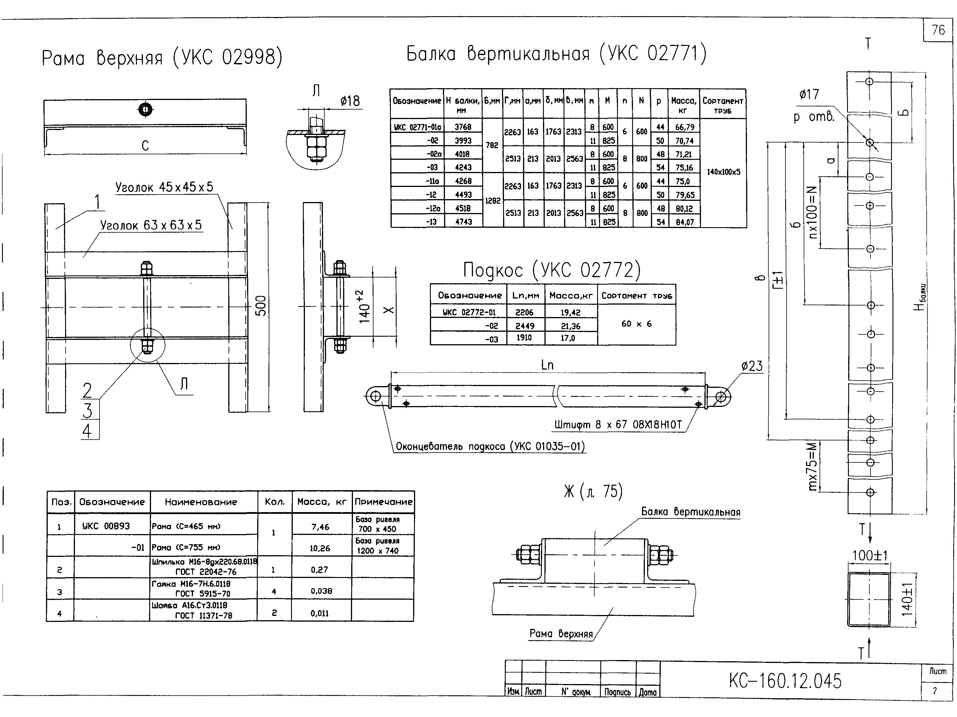
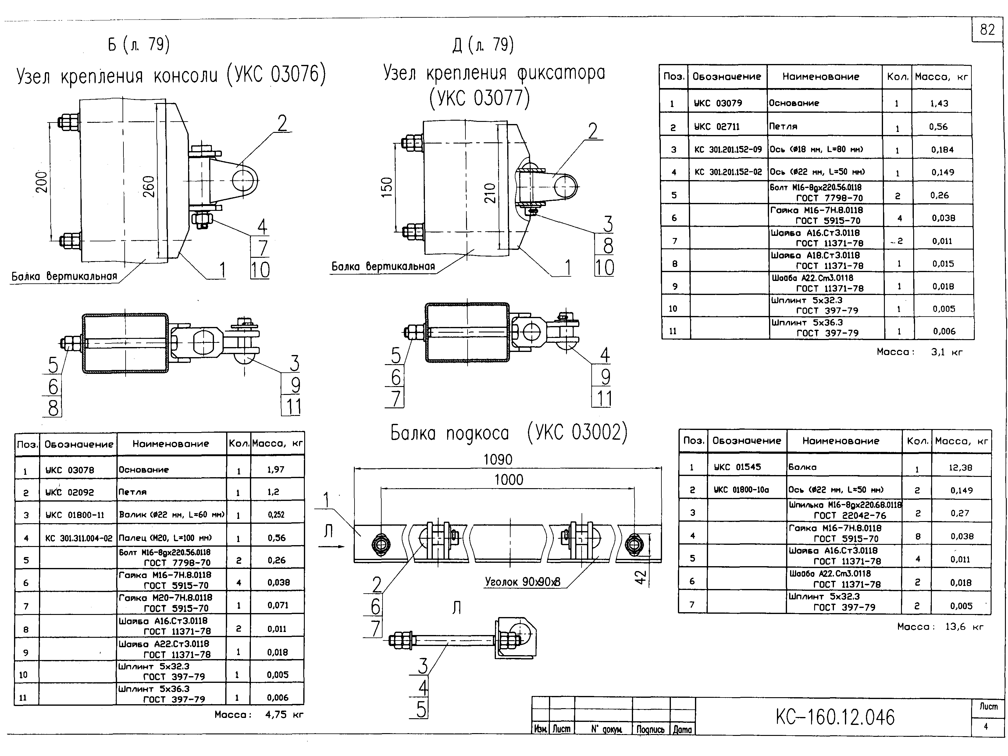
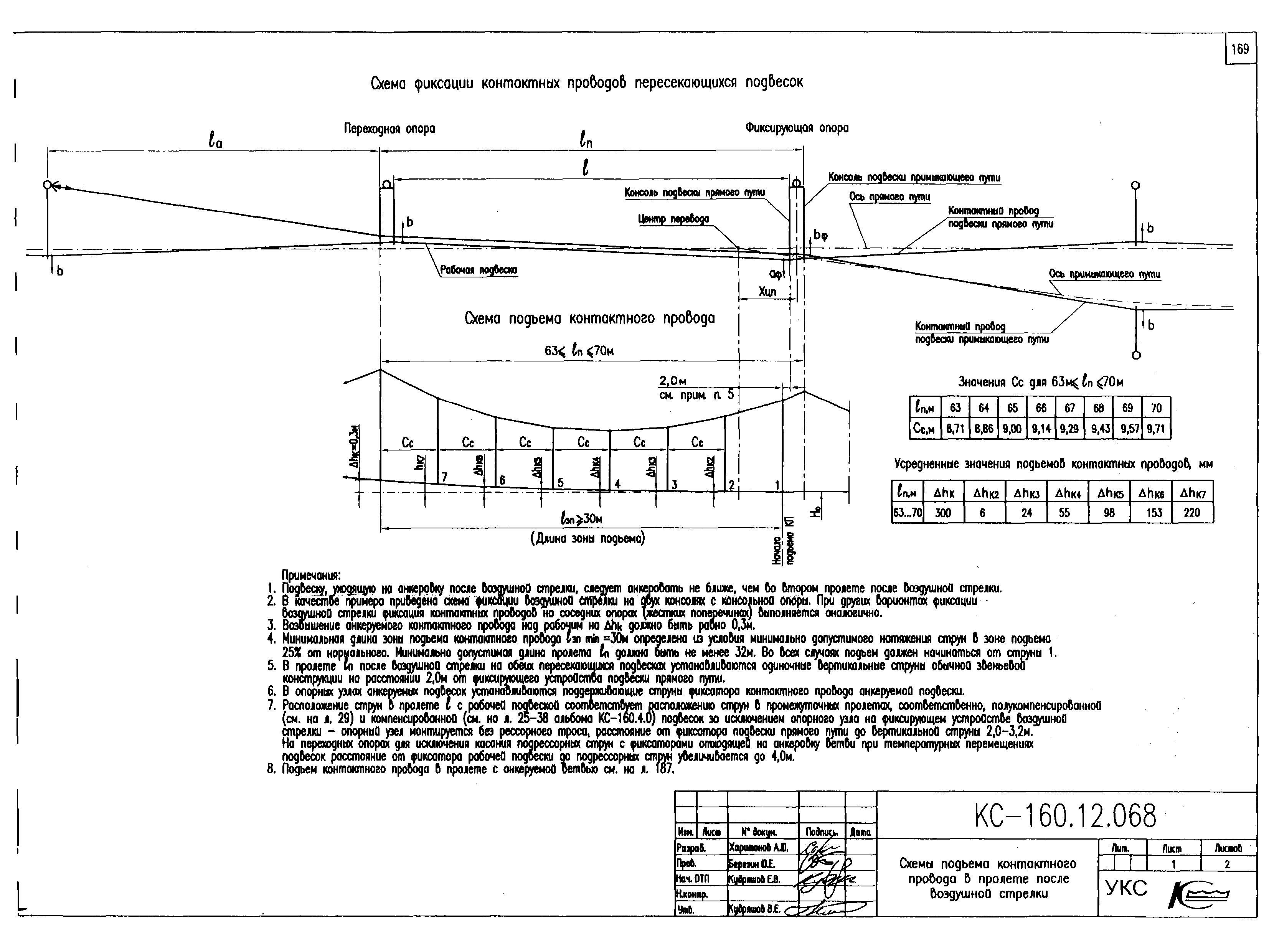
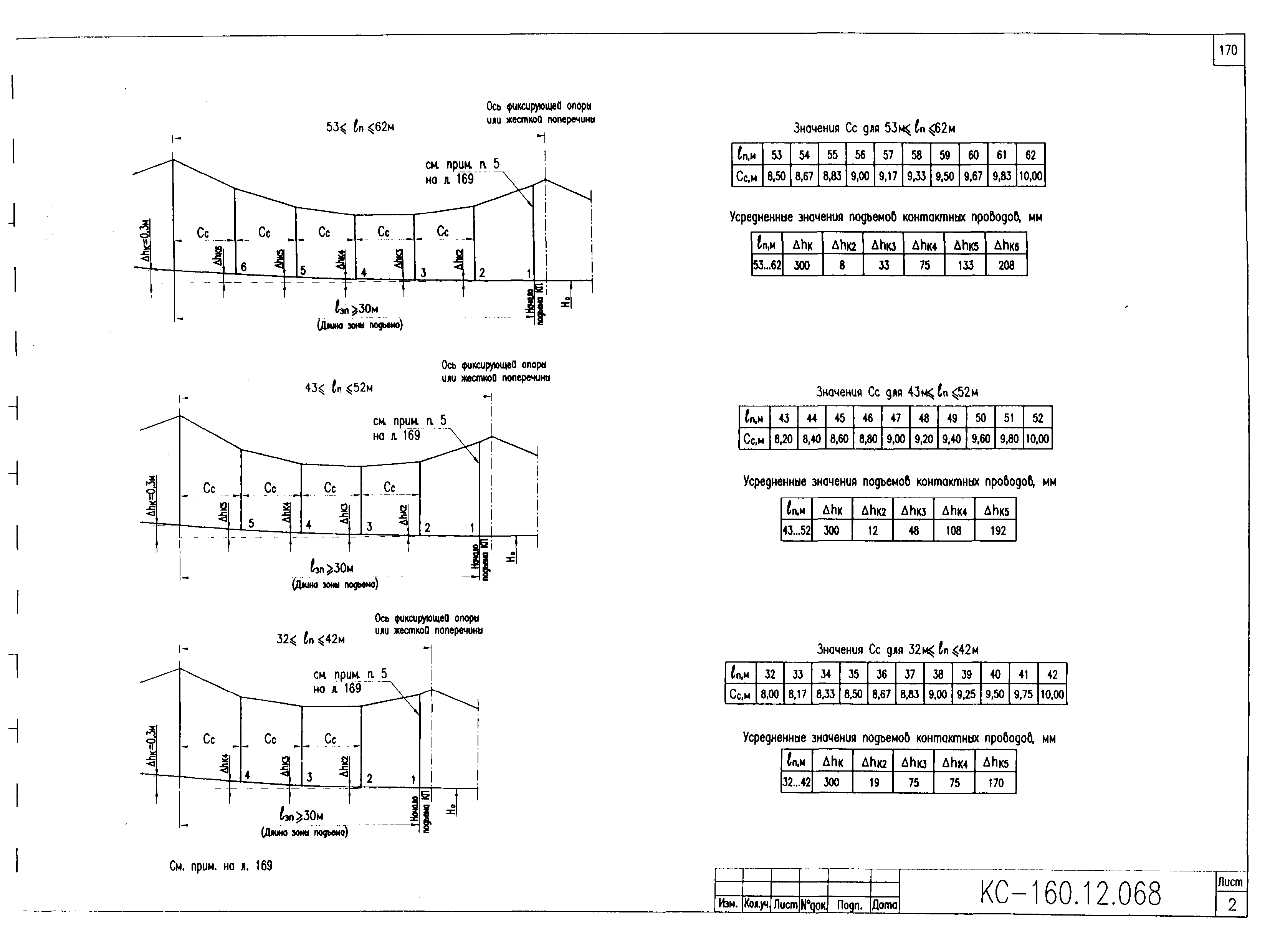
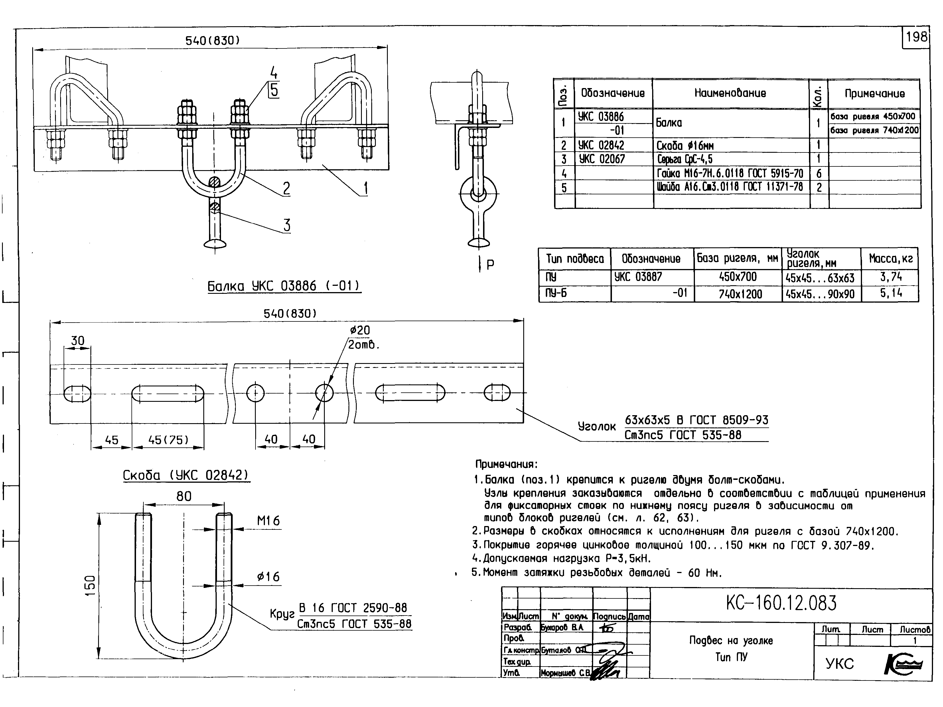
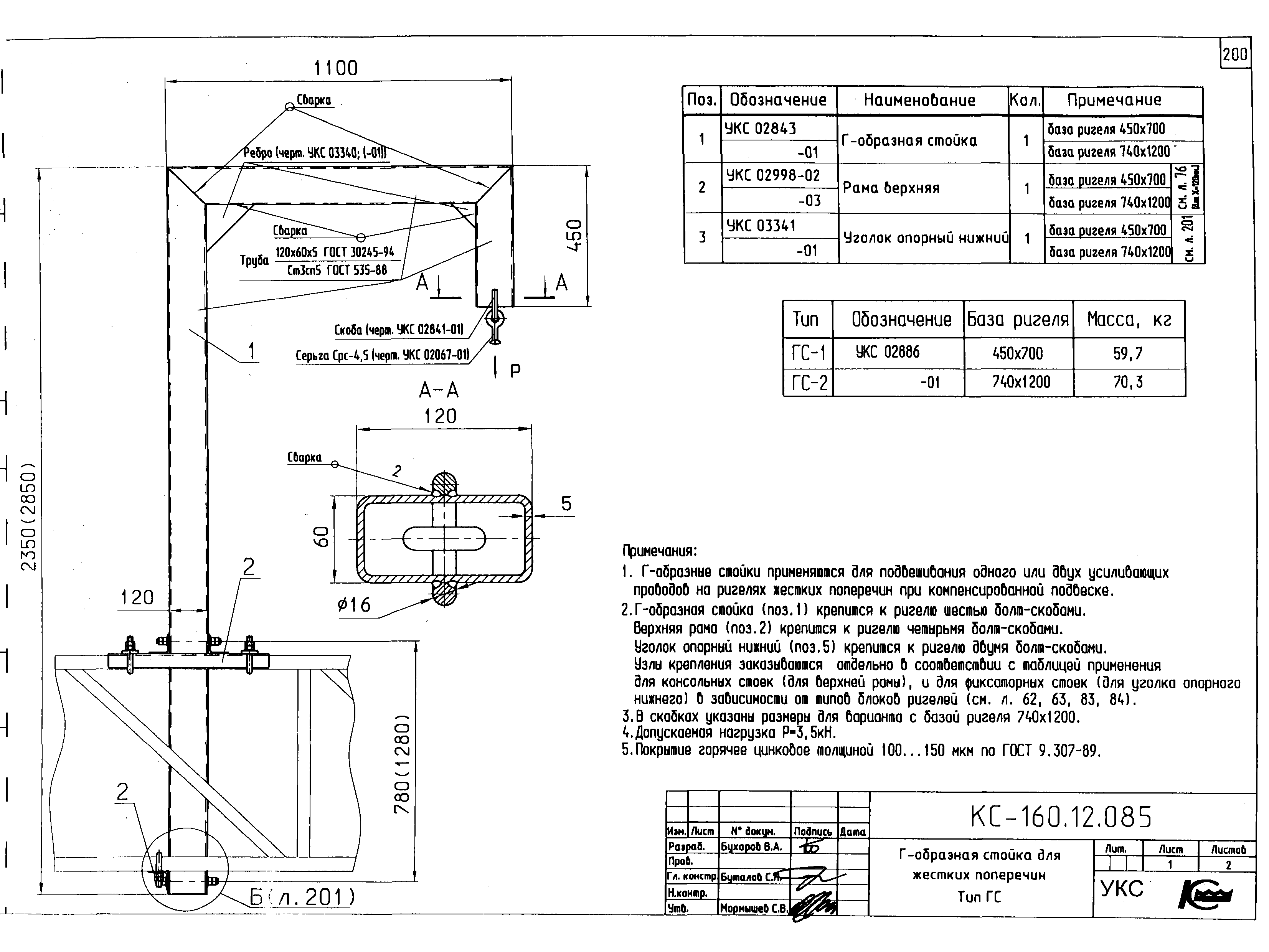
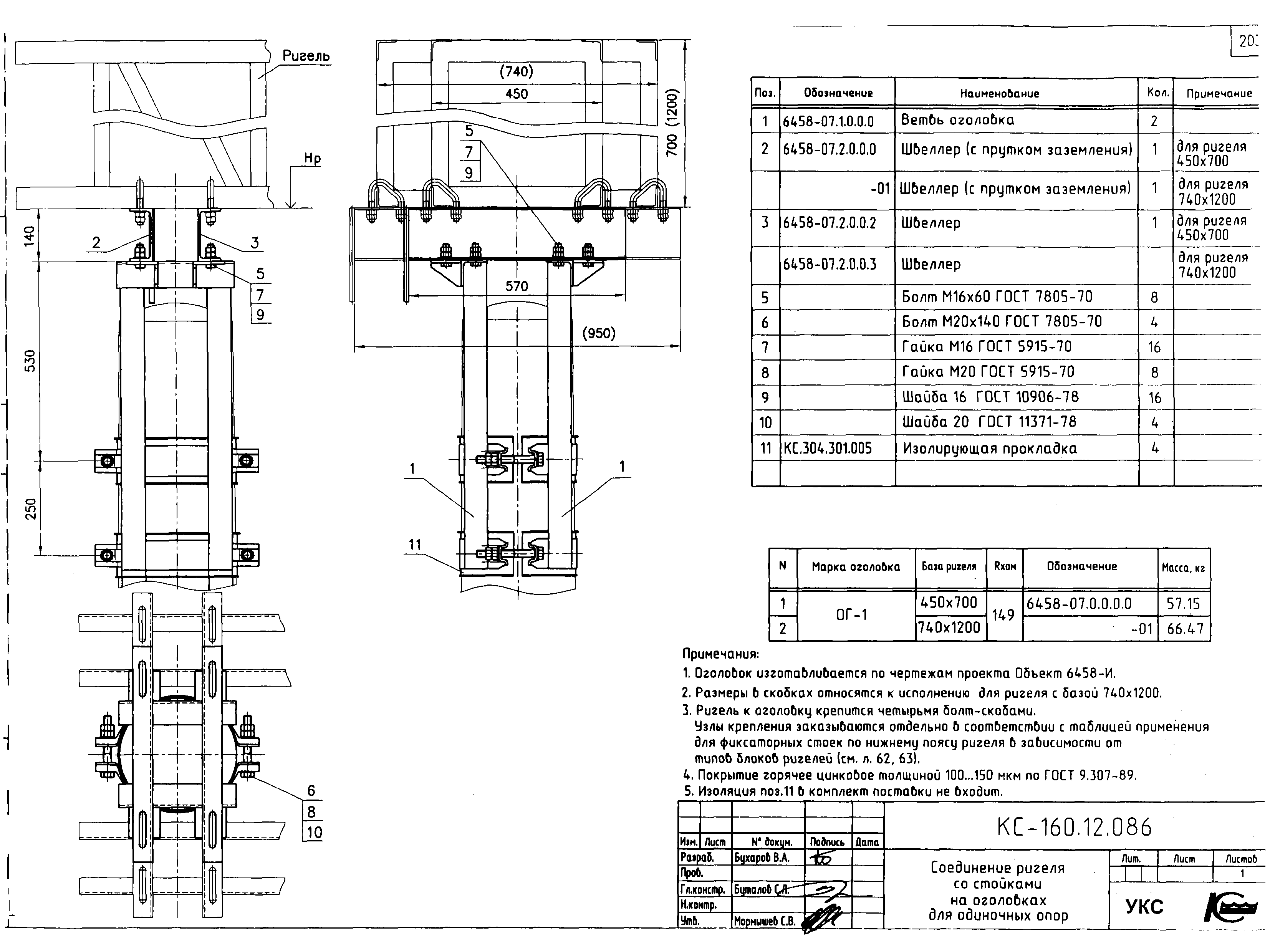
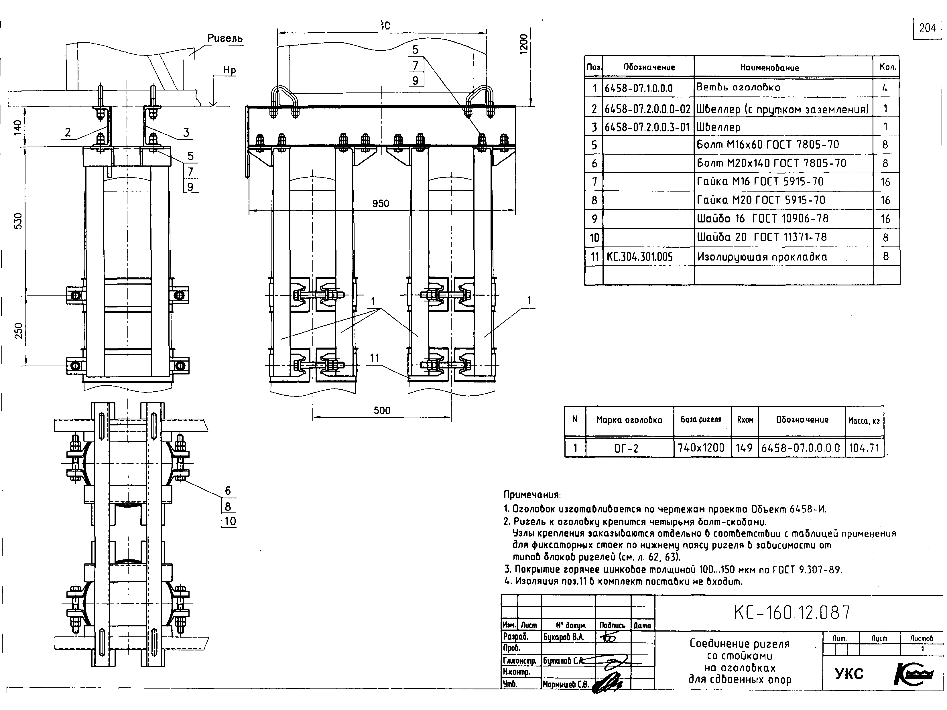
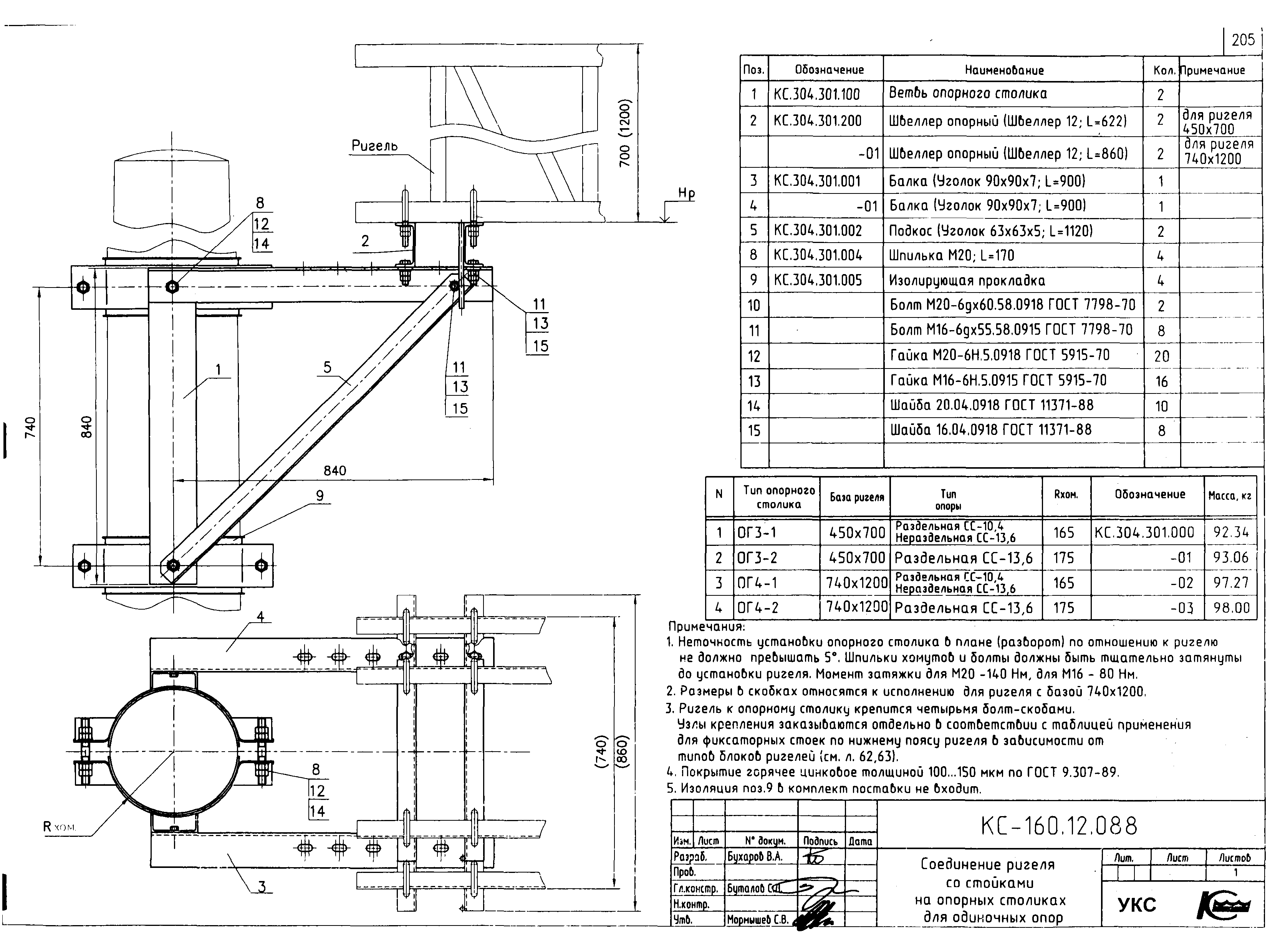
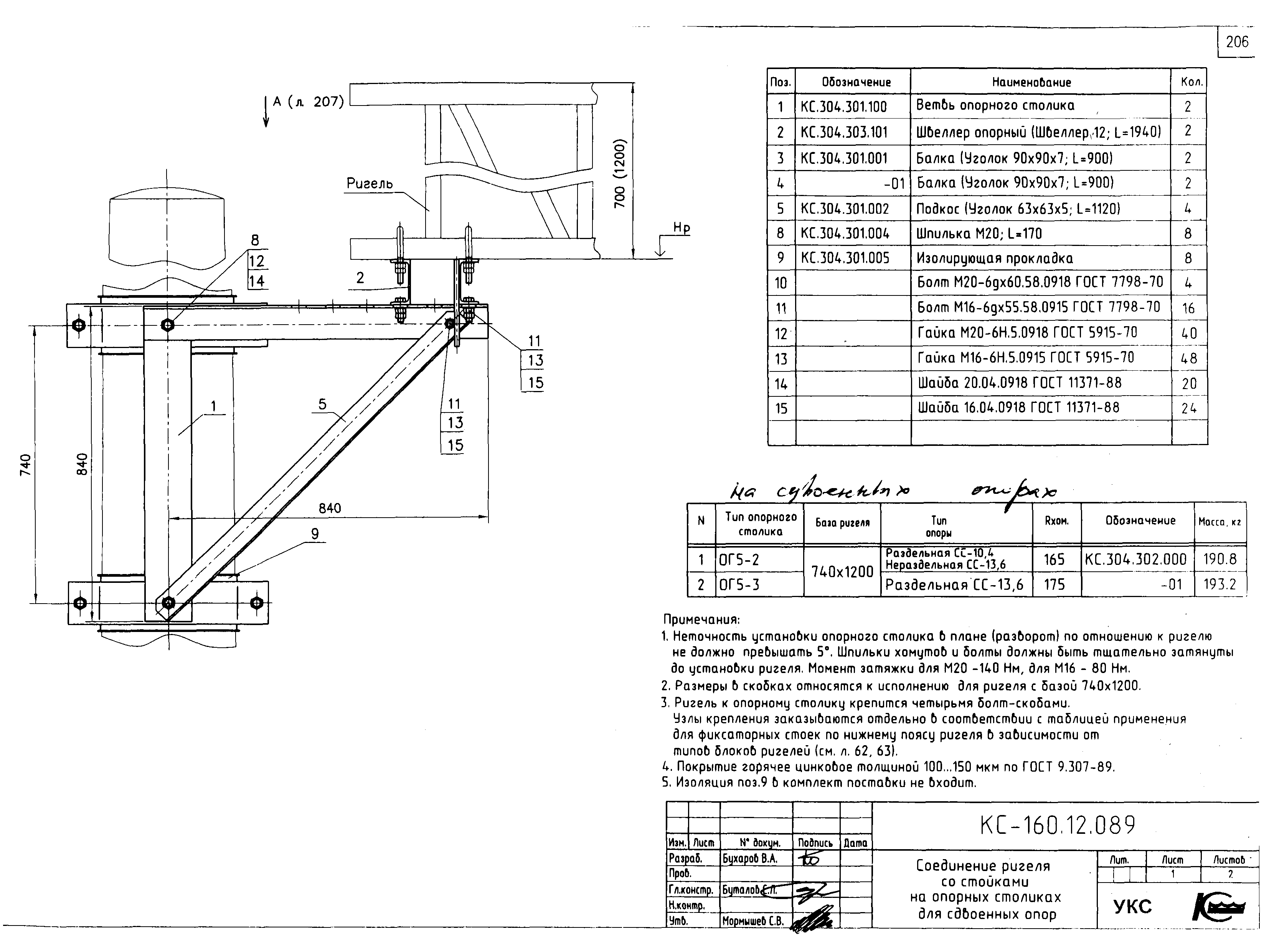
| Оглавление: | КС-160.12.ПЗ Пояснительная записка КС-160.12.001 Варианты армировок жестких поперечин 1. Полукомпенсированная контактная подвеска КС-160.12.002 Полукомпенсированная контактная подвеска. Условная схема армировки жесткой поперечины с нижним фиксирующем тросом КС-160.12.003 Полукомпенсированная контактная подвеска. Промежуточные жесткие поперечины с нижним фиксирующим тросом КС-160.12.004 Полукомпенсированная контактная подвеска. Сопряжения без секционирования. Узлы на жестких поперечинах с нижним фиксирующим тросом КС-160.12.005 Узлы фиксации контактных проводов на нижнем фиксирующем тросе КС-160.12.006 Поддерживающие струны КС-160.12.007 Полукомпенсированная контактная подвеска. Условная схема армировки жесткой поперечины с фиксаторными стойками КС-160.12.008 Полукомпенсированная контактная подвеска. Узлы на жестких поперечинах КС-160.12.009 Полукомпенсированная контактная подвеска. Сопряжение без секционирования. Узлы на жестких поперечинах КС-160.12.010 Полукомпенсированная контактная подвеска. Подвешивание несущих тросов на ригеле КС-160.12.011 Полукомпенсированная контактная подвеска. Условная схема армировки фиксирующего поперечника КС-160.12.012 Полукомпенсированная контактная подвеска. Условные схемы армировки фиксирующих оттяжек на внешней стороне кривой КС-160.12.013 Фиксирующие оттяжки КС-160.12.014 Армировка опор с уменьшенным габаритом КС-160.12.015 Полукомпенсированная контактная подвеска. Схемы расположения струн в пролетах КС-160.12.016 Струна звеньевая из сталемедной проволоки КС-160.12.017 Полукомпенсированная контактная подвеска. Схемы опорного узла КС-160.12.017 Полукомпенсированная контактная подвеска. Средняя анкеровка КС-160.12.018 Подкатка второго контактного провода в зонах трогания и разгона КС-160.12.020 Поперечный электрический соединитель контактных подвесок станционных путей КС-160.12.021 Врезка тросов и изоляторов в контактные провода, отходящие на анкеровку, сопряжении без секционирования КС-160.12.022 Фиксатор анкеруемой ветви гибкий для нижних фиксирующих тросов. Тип ФАГ КС-160.12.023 Фиксаторная стойка снижения. Тип ФСС-1 КС-160.12.024 Фиксаторная стойка снижения удлиненная. Тип ФСС-2 КС-160.12.025 Поддерживающий зажим для фиксирующих тросов с ушком. Тип ПФТ-1 КС-160.12.026 Поддерживающий зажим для фиксирующих тросов с ушком. Тип ПФТ-2 КС-160.12.027 Поддерживающий зажим для фиксирующих тросов с двойным ушком. Тип ПФТ-3 КС-160.12.028 Крепление фиксирующего троса на железобетонной опоре. Врезка изоляторов в фиксирующий трос КС-160.12.029 Кронштейн крепления фиксирующего троса на железобетонной опоре. Тип КФТ КС-160.12.030 Кронштейн крепления двух фиксирующего тросов на железобетонной опоре. Тип 2КФТ КС-160.12.031 Кронштейн фиксаторный для одного фиксатора. Тип КФ-1 КС-160.12.032 Кронштейн фиксаторный для двух фиксаторов. Тип КФ-2 КС-160.12.033 Стойки фиксаторные промежуточные без подкоса. Тип СФ. Обозначения фиксаторных стоек КС-160.12.034 Стойки фиксаторные промежуточные с подкосом. Тип СФ-п КС-160.12.035 Стойки фиксаторные переходные. Тип СФП КС-160.12.036 Стойки фиксаторные переходные с подкосом. Тип СФП-п КС-160.12.037 Полукомпенсированная и компенсированная контактные подвески. Узлы крепления фиксаторных и консольных стоек. Таблица применения 2. Компенсированная контактная подвеска КС-160.12.038 Компенсированная контактная подвеска. Условная схема армировки жесткой поперечины с консольными стойками по главным путям КС-160.12.039 Компенсированная контактная подвеска. Условная схема армировки жесткой поперечины с консольными стойками КС-160.12.040 Компенсированная контактная подвеска. Промежуточные жесткие поперечины с консольными стойками КС-160.12.041 Компенсированная контактная подвеска. Сопряжение без секционирования. Узлы жестких поперечин с консольными стойками КС-160.12.042 Компенсированная контактная подвеска. Средняя анкеровка на жестких поперечинах КС-160.12.043 Компенсированная контактная подвеска. Схема опорного узла КС-160.12.044 Компенсированная контактная подвеска. Подвешивание на ригеле несущего троса и троса средней анкеровки несущего троса КС-160.12.045 Стойки консольные промежуточные. Тип СКФ. Обозначения консольных стоек КС-160.12.046 Стойки консольные переходные. Тип СКФП 3. Воздушные стрелки КС-160.12.047 Пояснительная записка к разделу "Воздушные стрелки" КС-160.12.048 Полукомпенсированная и компенсированная контактные подвески. Привязка фиксирующих устройств КС-160.12.049 Значения зигзагов контактных проводов на фиксирующем устройстве для компенсированной и полукомпенсированной контактных подвесок КС-160.12.050 Полукомпенсированная и компенсированная контактные подвески. Положения контактных проводов примыкающего пути относительно ограничительной накладки КС-160.12.051 Полукомпенсированная контактная подвеска. Схемы фиксации воздушных стрелок КС-160.12.052 Условные схемы армировки фиксирующих опор на воздушных стрелках КС-160.12.053 Полукомпенсированная и компенсированная контактные подвески. Фиксация воздушных стрелок с консольных опор КС-160.12.054 Полукомпенсированная контактная подвеска. Фиксация воздушных стрелок с переходной фиксаторной стойки КС-160.12.055 Полукомпенсированная контактная подвеска. Фиксация воздушных стрелок с опоры жесткой поперечины КС-160.12.056 Полукомпенсированная контактная подвеска. Фиксация воздушных стрелок с фиксирующих тросов КС-160.12.057 Полукомпенсированная контактная подвеска. Фиксация воздушных стрелок с консольной опоры без подвешивания несущих тросов КС-160.12.058 Полукомпенсированная контактная подвеска. Фиксация воздушных стрелок с фиксирующего поперечника КС-160.12.059 Полукомпенсированная контактная подвеска. Ограничения на расстояния от средних или жестких анкеровок до воздушной стрелки. I температурный район КС-160.12.060 Полукомпенсированная контактная подвеска. Ограничения на расстояния от средних или жестких анкеровок до воздушной стрелки. II температурный район КС-160.12.061 Полукомпенсированная контактная подвеска. Ограничения на расстояния от средних или жестких анкеровок до воздушной стрелки. Ill температурный район КС-160.12.062 Компенсированная контактная подвеска. Схемы фиксации воздушных стрелок КС-160.12.063 Компенсированная контактная подвеска. Фиксация воздушных стрелок с переходных консольных стоек КС-160.12.064 Компенсированная контактная подвеска. Ограничения на расстояния от средних или жестких анкеровок до воздушной стрелки. I температурный район КС-160.12.065 Компенсированная контактная подвеска. Ограничения на расстояния от средних или жестких анкеровок до воздушной стрелки. II температурный район КС-160.12.066 Компенсированная контактная подвеска. Ограничения на расстояния от средних или жестких анкеровок до воздушной стрелки. Ill температурный район КС-160.12.067 Регулировка воздушной стрелки КС-160.12.068 Схемы подъема контактного провода в пролете после воздушной стрелки КС-160.12.069 Схемы расстановки струн на воздушных стрелках КС-160.12.070 Ограничительная накладка для воздушных стрелок. Тип НВС-1 КС-160.12.071 Скользуны для контактного провода 4. Секционные изоляторы КС-160.12.072 Врезка секционного изолятора КС-160.12.073 Условия размещения секционного изолятора в пролете контактной подвески 5. Анкеровки КС-160.12.074 Анкеровка ветви контактной подвески после воздушной стрелки КС-160.12.075 Схема анкеровки контактной подвески на сдвоенной опоре КС-160.12.076 Компенсированная контактная подвеска. Средняя анкеровка несущего троса на сдвоенной опоре КС-160.12.077 Компенсированная контактная подвеска. Средняя анкеровка несущего троса, совмещенная с анкеровкой контактной подвески КС-160.12.078 Компенсированная контактная подвеска. Кронштейн средней анкеровки двухсторонний. Тип КАД КС-160.12.079 Компенсированная контактная подвеска. Средняя анкеровка несущих тросов двух путей на одной опоре 6. Усиливающие провода КС-160.12.080 Полукомпенсированная контактная подвеска. Размещение усиливающих проводов на жестких поперечинах с фиксаторными стойками КС-160.12.081 Подвешивание на ригеле усиливающих проводов КС-160.12.082 Подвес треугольный. Тип ПТ КС-160.12.083 Подвес на уголке. Тип ПУ КС-160.12.084 Подвес на двух изоляторах. Тип ПИ КС-160.12.085 Г-образная стойка для жестких поперечин. Тип ГС 7. Соединение ригеля со стойками КС-160.12.086 Соединение ригеля со стойками на оголовках для одиночных опор КС-160.12.087 Соединение ригеля со стойками на оголовках для сдвоенных опор КС-160.12.088 Соединение ригеля со стойками на опорных столиках для одиночных опор КС-160.12.089 Соединение ригеля со стойками на опорных столиках для сдвоенных опор 8. Условный план разбивки опор и анкерных участков КС-160.12.090 Полукомпенсированная контактная подвеска. Условный план разбивки опор и анкерных участков на станции |
| Разработан: | Универсал-контактные сети |
| Утверждён: | 16.02.2004 ОАО РЖД |
















































































































































































































