Скачать Типовой проект 902-1-110.87 Альбом IV. Строительные решения. Подземная частьДата актуализации: 01.01.2021
|
| Обозначение: | Типовой проект 902-1-110.87 |
| Обозначение англ: | 902-1-110.87 |
| Статус: | не определен законодательством |
| Название рус.: | Альбом IV. Строительные решения. Подземная часть |
| Дата добавления в базу: | 01.09.2013 |
| Дата актуализации: | 01.01.2021 |
| Дата введения: | 18.08.1987 |
| Дата окончания срока действия: | 30.06.2003 |
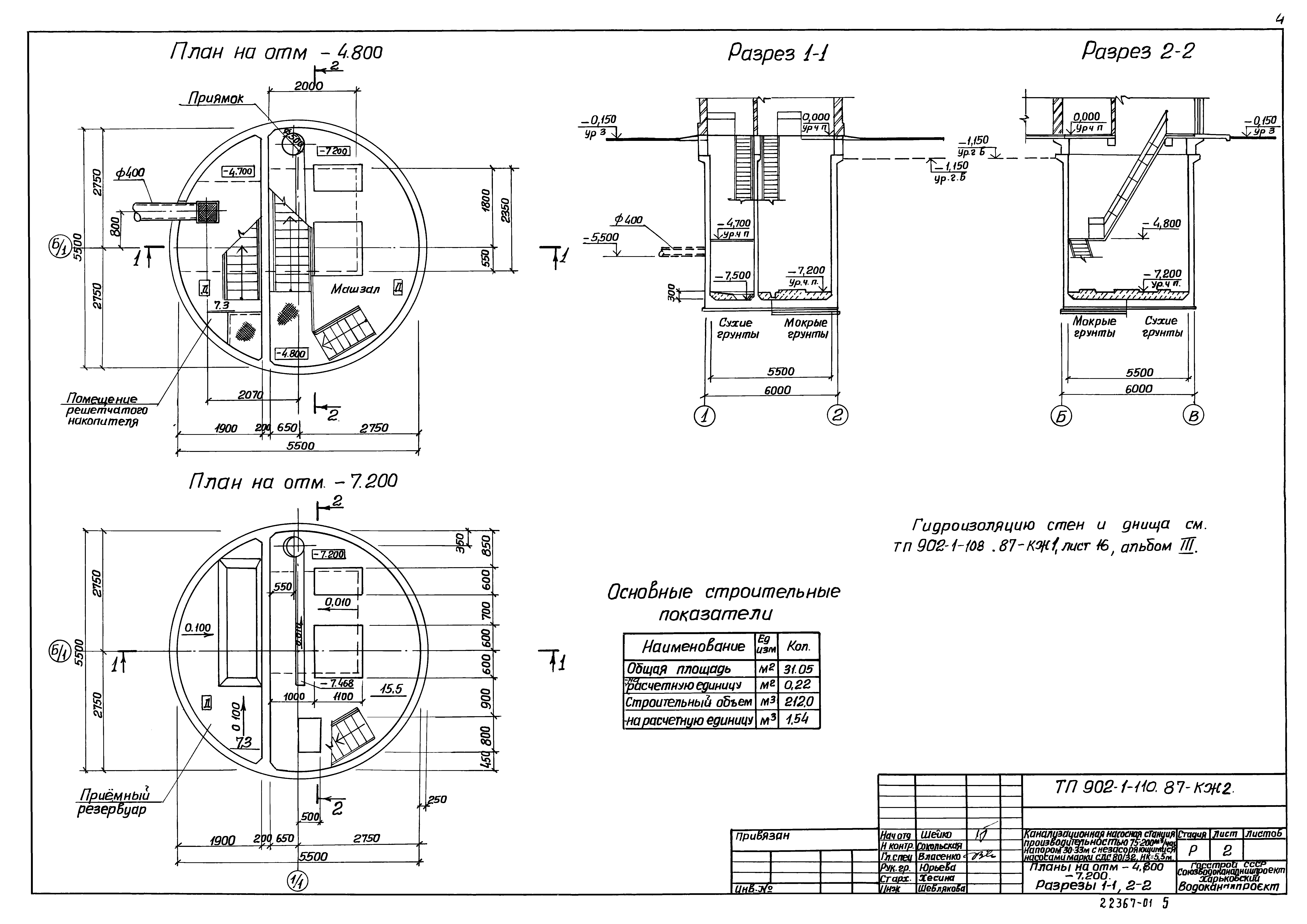
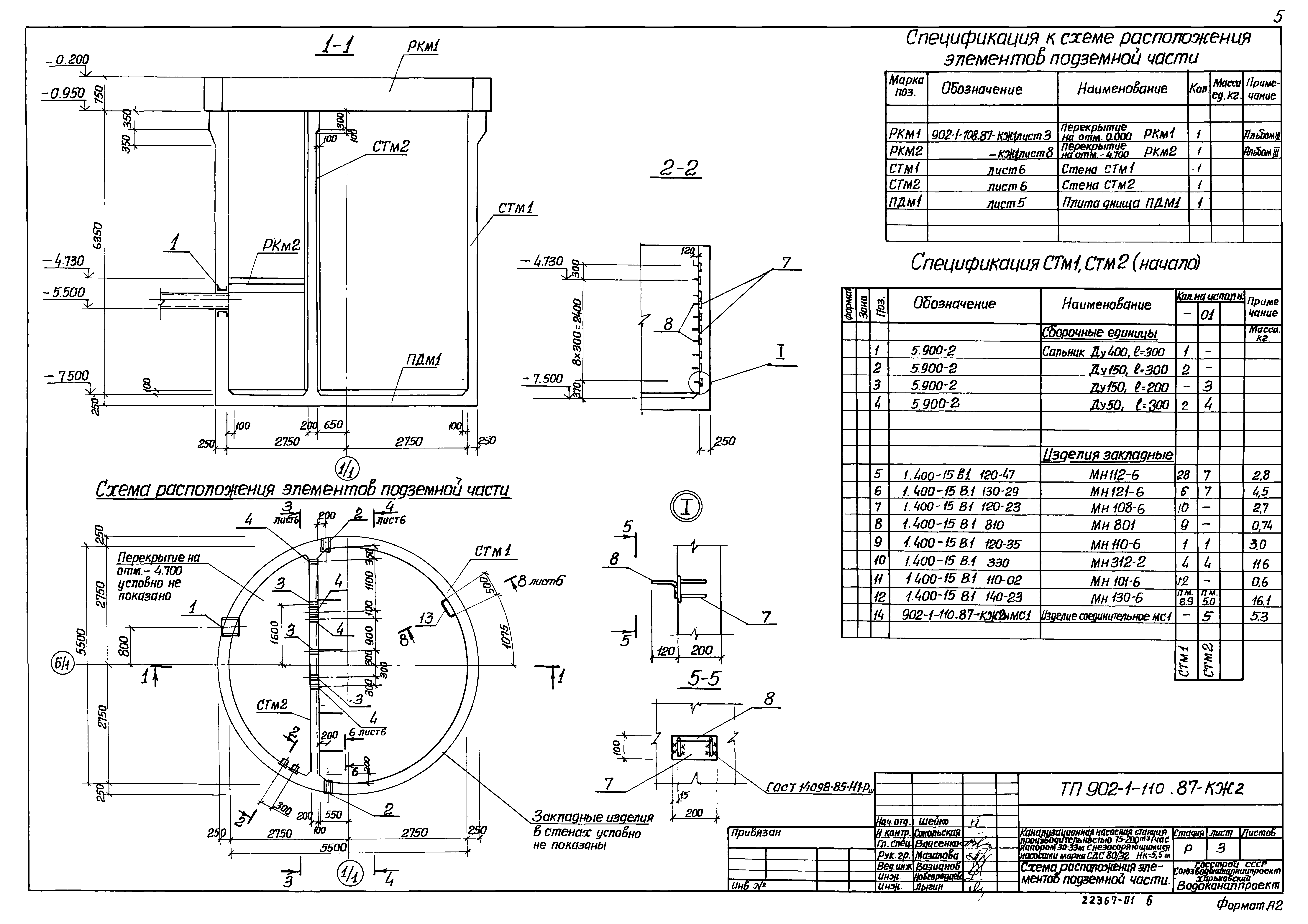
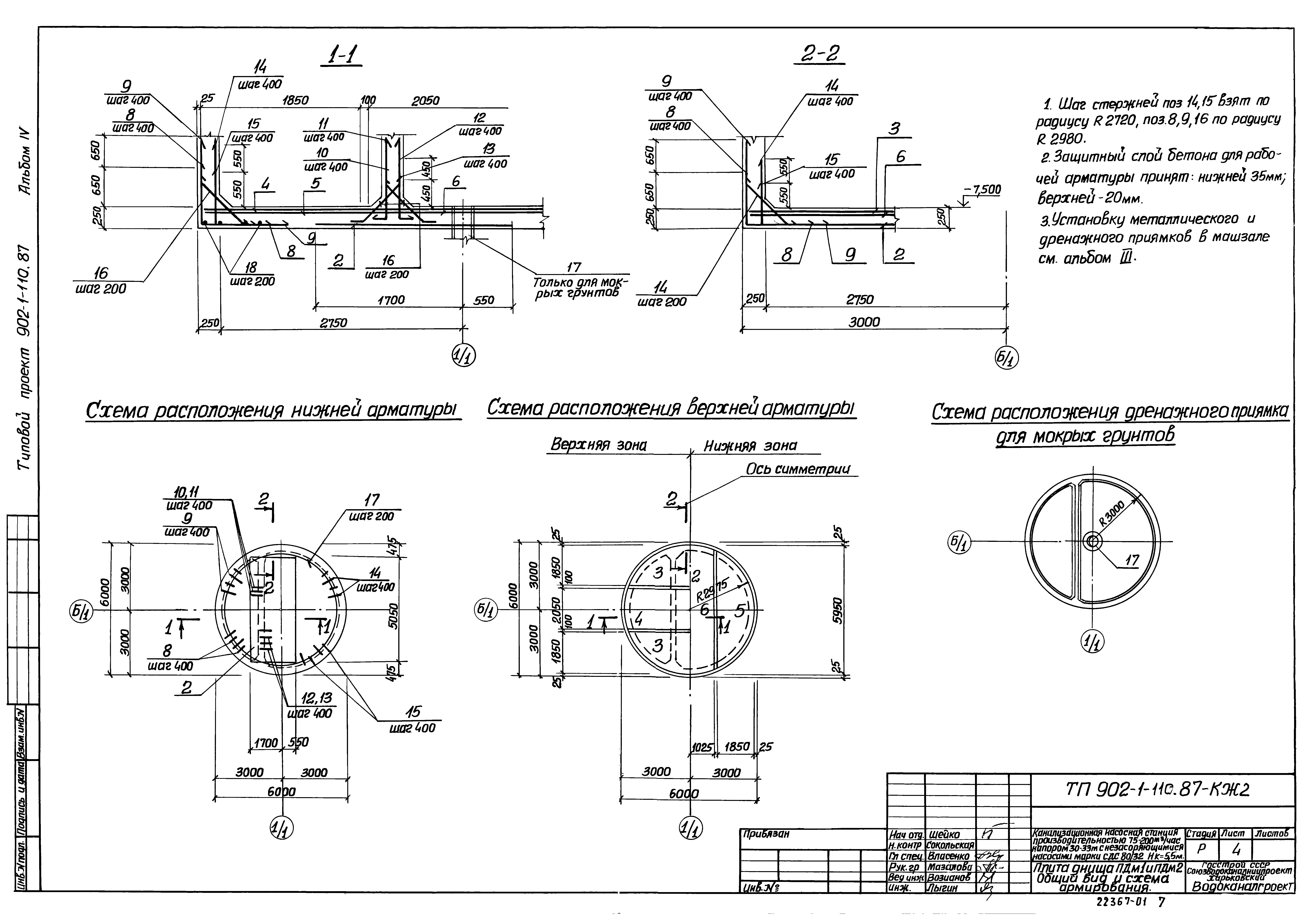
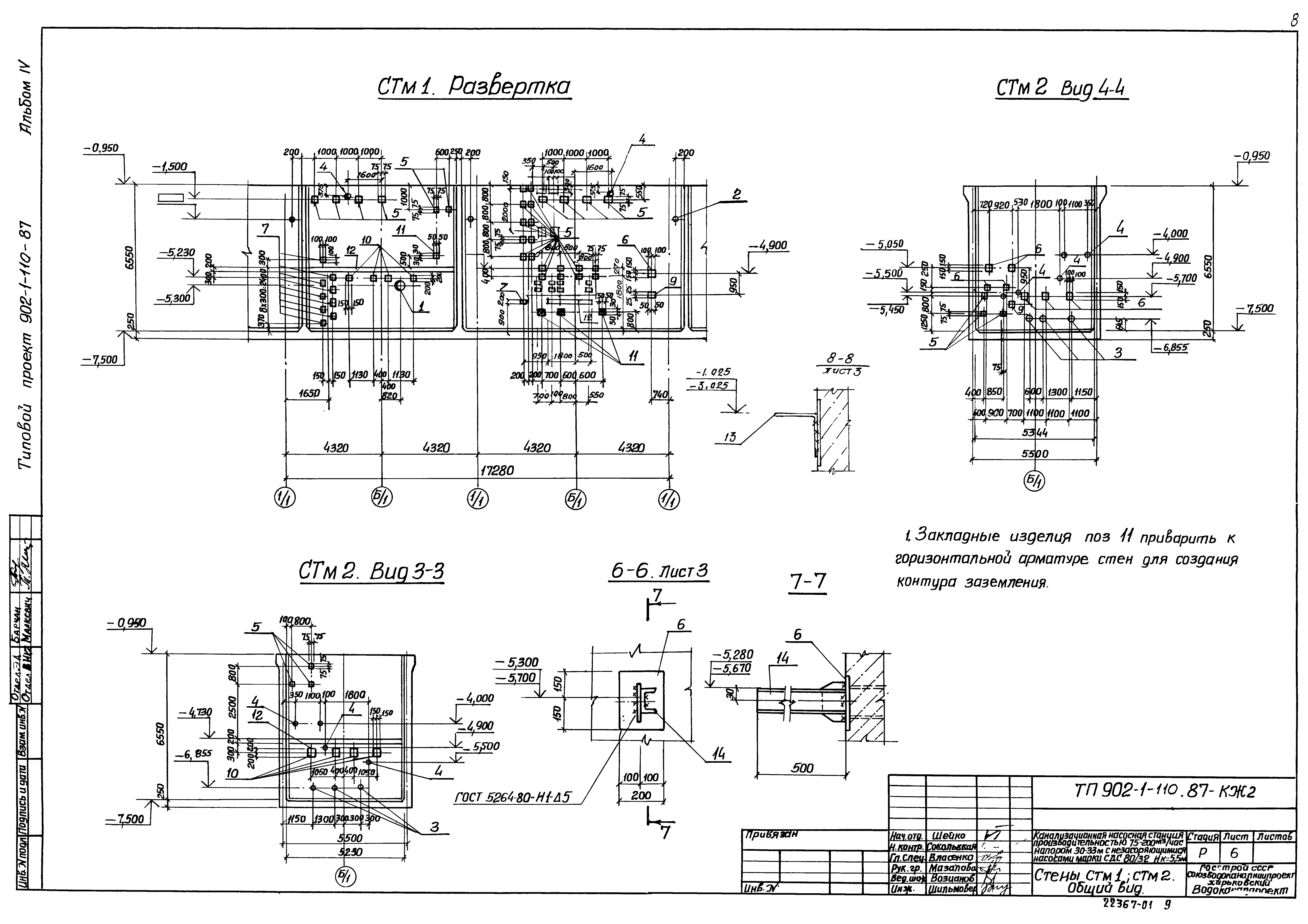
| Оглавление: | ТП 902-1-110.87 Содержание ТП 902-1-110.87-КЖ2 Основной комплект марки КЖ2 ТП 902-1-110.87-КЖ2-1 Общие данные ТП 902-1-110.87-КЖ2-2 Планы на отм. -7.200;-4.700. Разрезы 1-1;2-2 ТП 902-1-110.87-КЖ2-3 Схема расположения элементов подземной части ТП 902-1-110.87-КЖ2-4 Плита днища ПДМ1. Общий вид и схема армирования ТП 902-1-110.87-КЖ2-5 Плита днища ПДМ1. Схема расположения каркасов ТП 902-1-110.87-КЖ2-6 Стены СТМ1,СТМ2. Общий вид ТП 902-1-110.87-КЖ2-7 Стена СТМ1. Схема армирования ТП 902-1-110.87-КЖ2-8 Стена СТМ2. Схема армирования ТП 902-1-110.87-КЖ2-9 Стены СТМ1,СТМ2. Спецификация ТП 902-1-110.87-КМ Основной комплект марки КМ ТП 902-1-110.87-КМ-1 Общие данные (начало) ТП 902-1-110.87-КМ-2 Общие данные (окончание) ТП 902-1-110.87-КМ-3 Схема расположения металлических лестниц и площадок (начало) ТП 902-1-110.87-КМ-4 Схема расположения металлических лестниц и площадок (окончание) ТП 902-1-110.87-КМ-5 Лестничный марш Л 1 ТП 902-1-110.87-КЖ2И Изделия ТП 902-1-110.87-КЖ2-ДО Опись документов ТП 902-1-110.87-КЖ2-ТТ Технические требования ТП 902-1-110.87-КЖ2-КР1 Каркас плоский КР1 ТП 902-1-110.87-КЖ2-КР2 Каркас плоский КР2 ТП 902-1-110.87-КЖ2-КР3 Каркас плоский КР3 ТП 902-1-110.87-КЖ2-МС1 Изделие соединительное МС1 ТП 902-1-110.87-КЖ2-МН1 Изделие закладное МН1 ТП 902-1-110.87-КЖ2-МН1СБ Изделие закладное МН1. Сборочный чертеж |
| Разработан: | Харьковский Водоканалпроект |
| Утверждён: | 12.06.1987 Госстрой СССР (Государственный комитет Совета Министров СССР по делам строительства) (USSR Gosstroy АЧ-60) |




















