Скачать Типовой проект 902-1-110.87 Альбом VI. Силовое электрооборудование. Технологический контроль (из ТП 902-1-107.87)Дата актуализации: 01.01.2021
|
| Обозначение: | Типовой проект 902-1-110.87 |
| Обозначение англ: | 902-1-110.87 |
| Статус: | не определен законодательством |
| Название рус.: | Альбом VI. Силовое электрооборудование. Технологический контроль (из ТП 902-1-107.87) |
| Дата добавления в базу: | 01.09.2013 |
| Дата актуализации: | 01.01.2021 |
| Дата введения: | 18.08.1987 |
| Дата окончания срока действия: | 30.06.2003 |
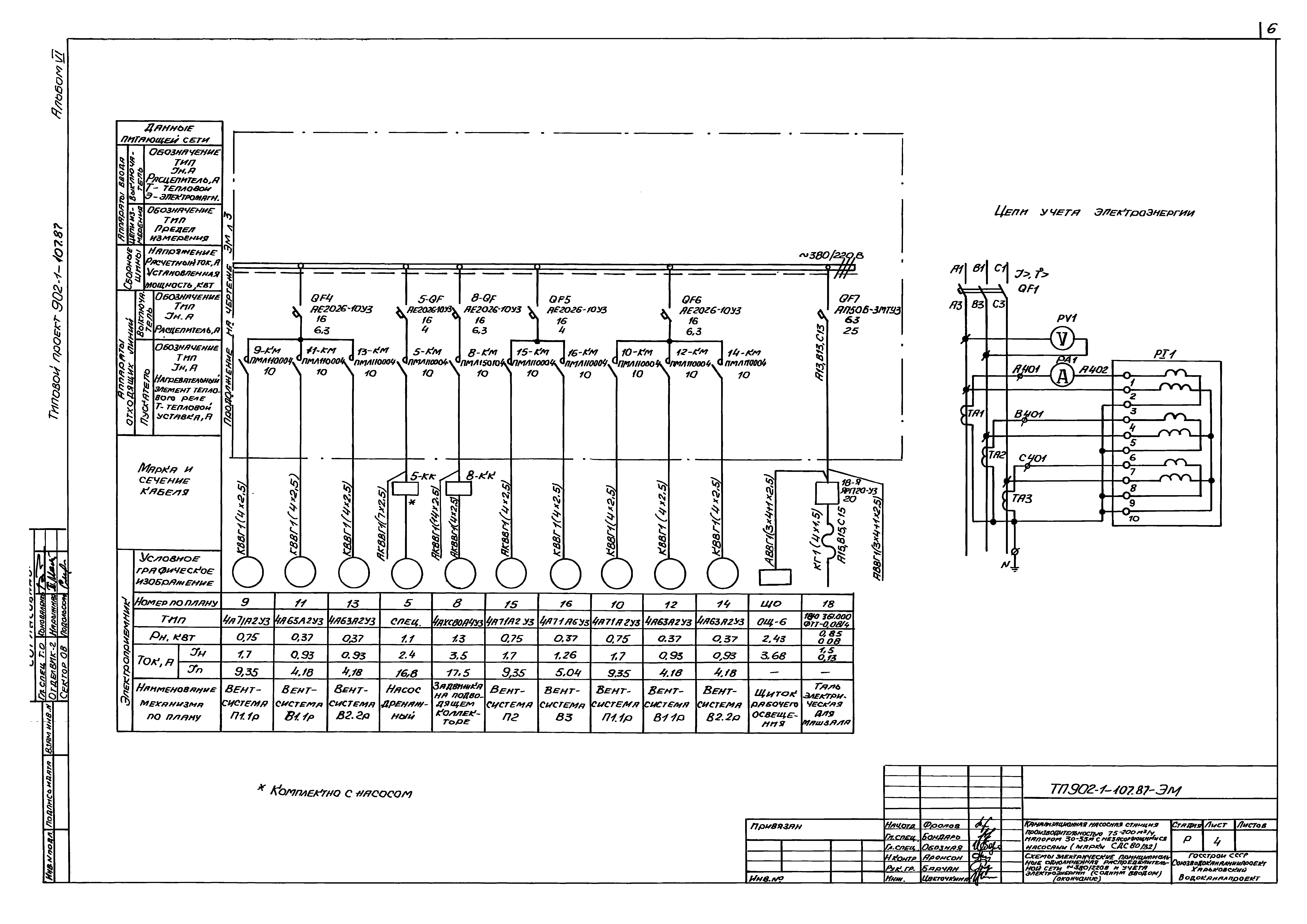
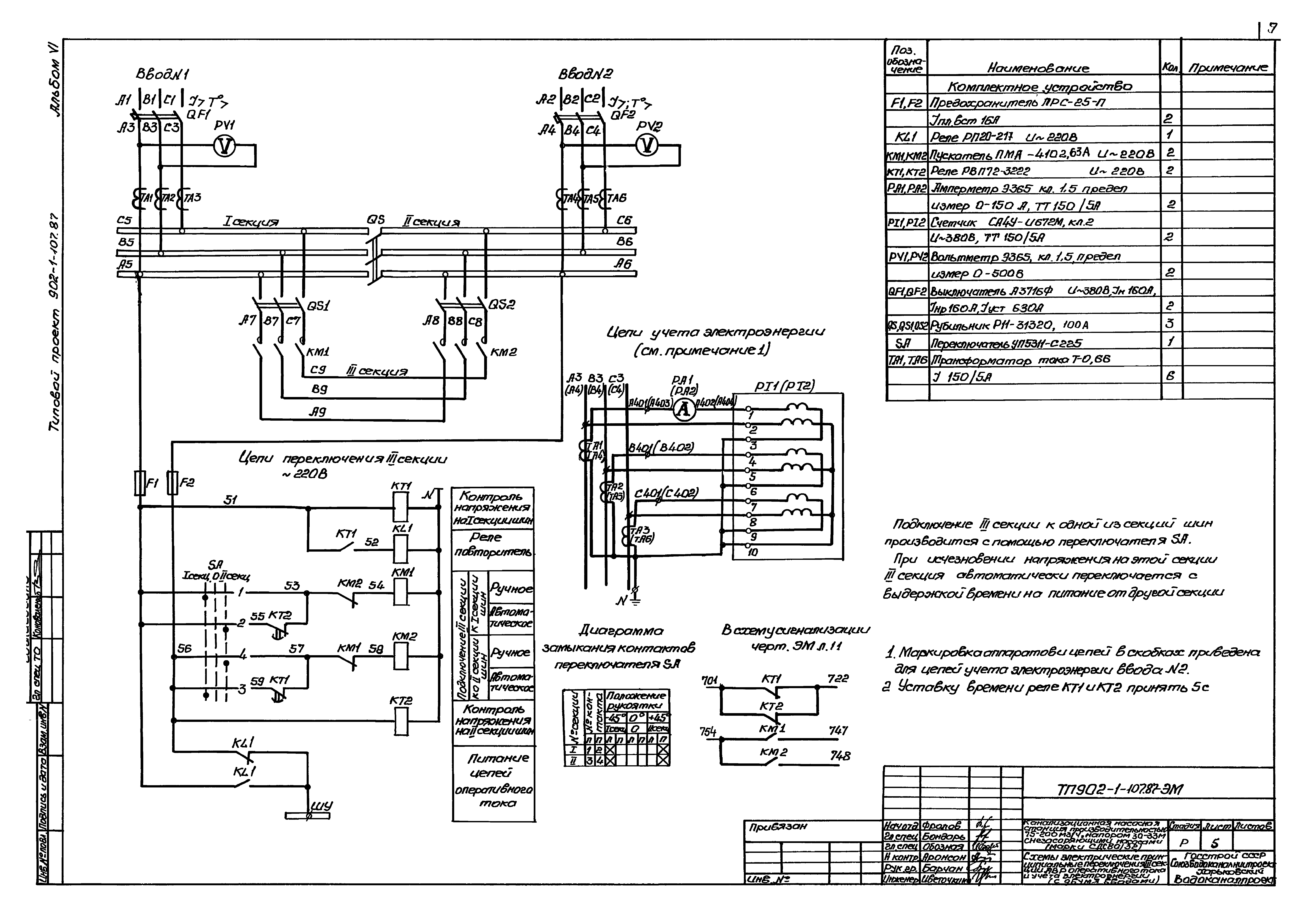
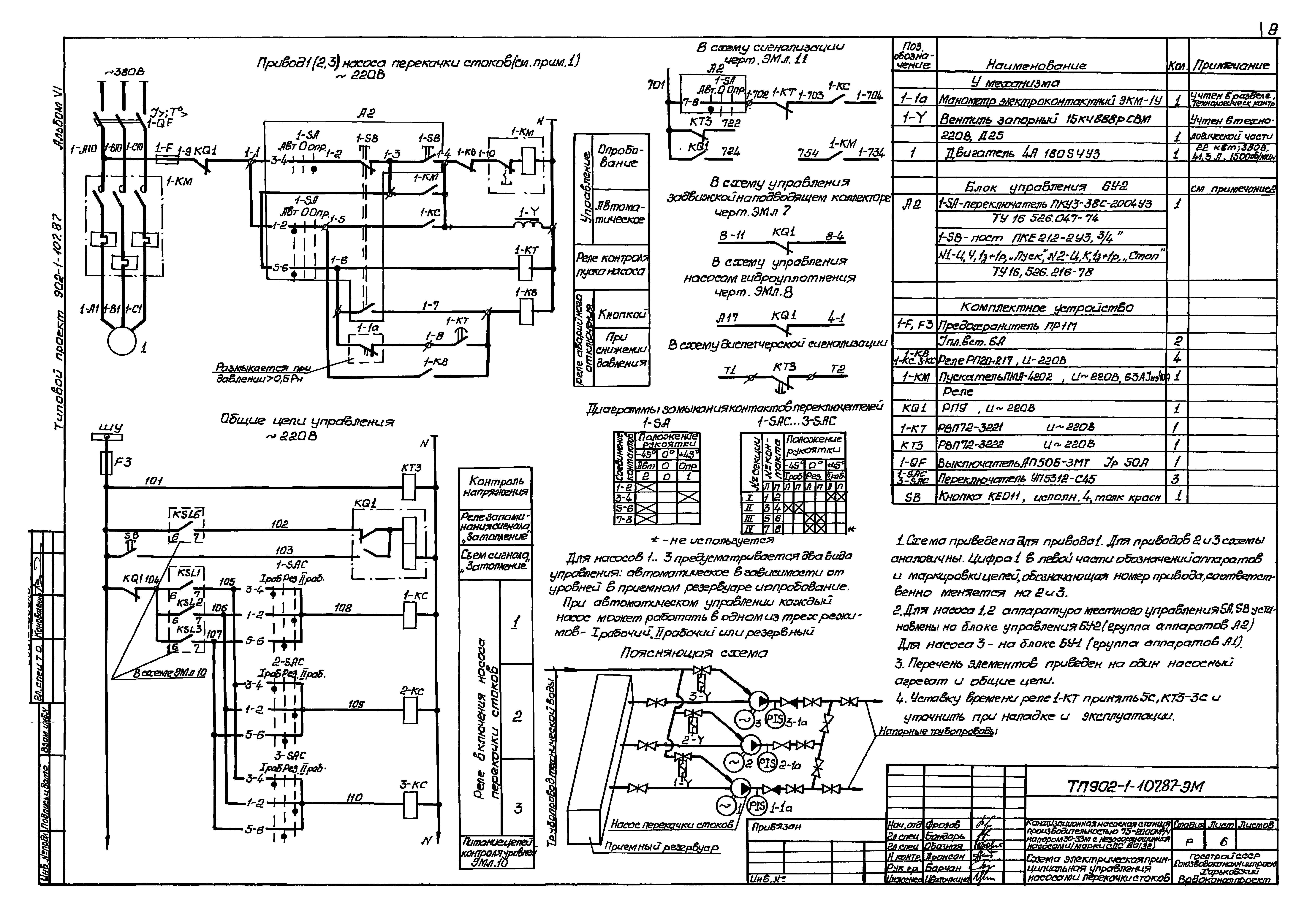
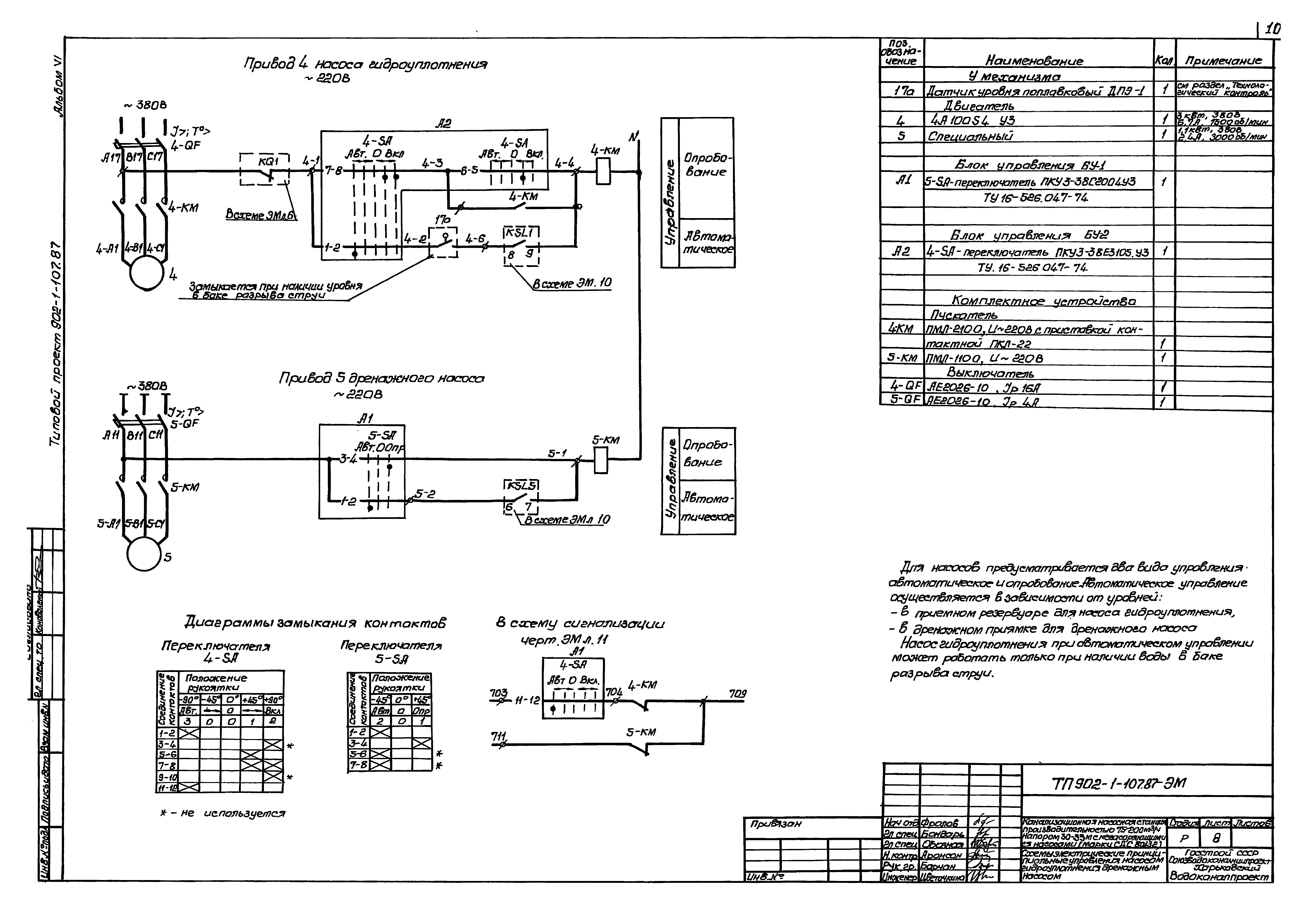
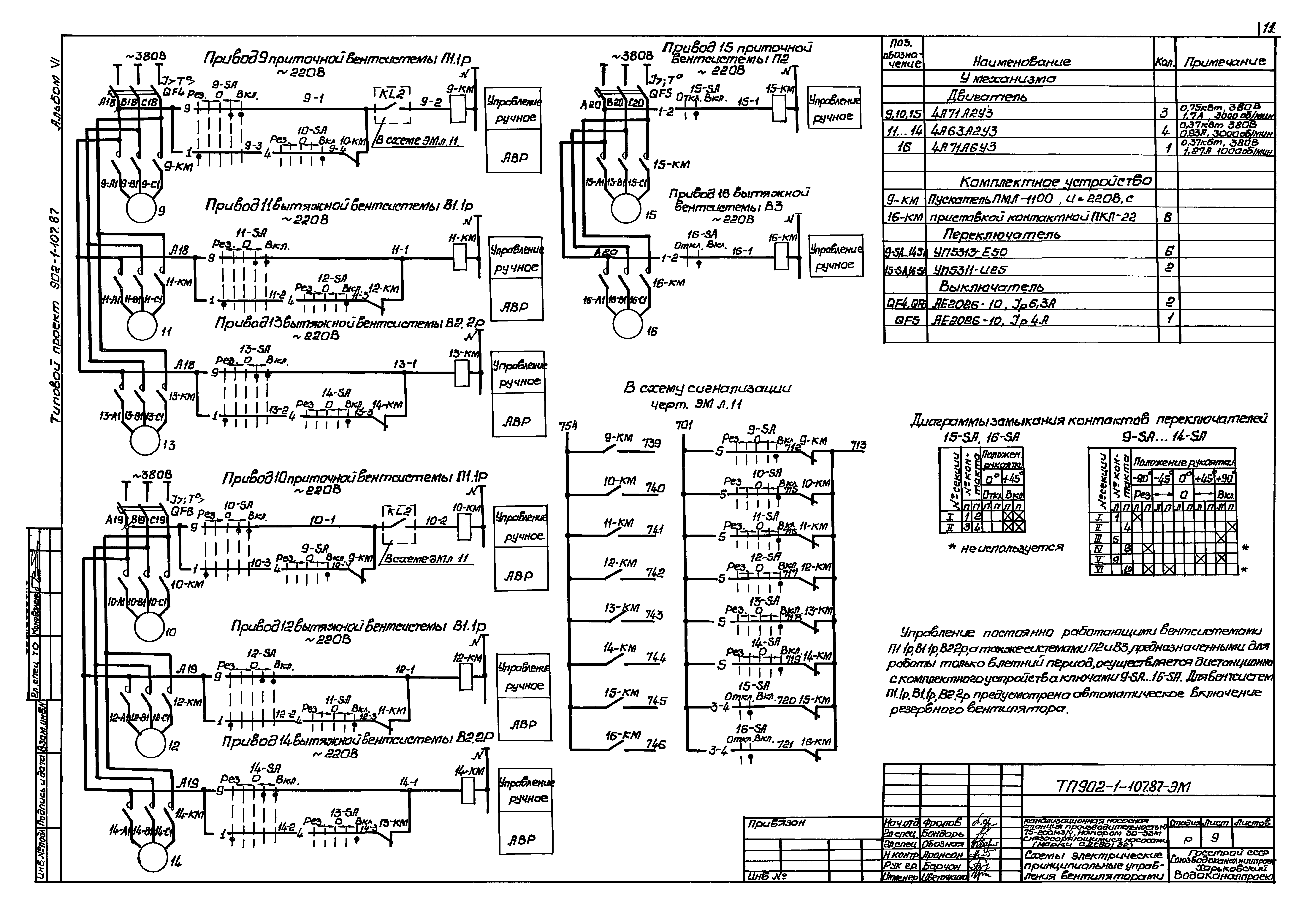
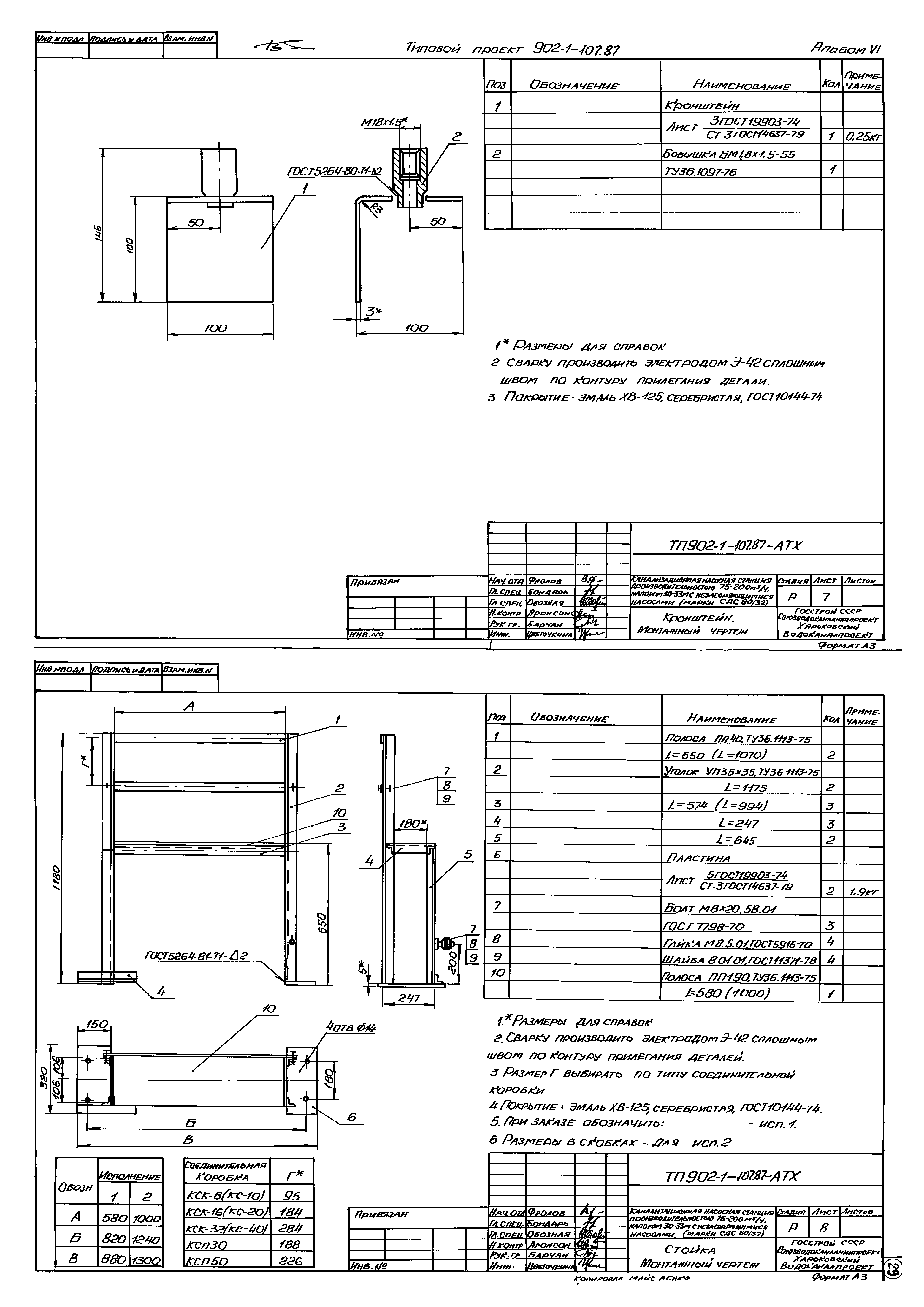
| Оглавление: | ТП 902-1-110.87 Содержание альбома ТП 902-1-110.87-ЭМ Основной комплект марки ЭМ ТП 902-1-110.87-ЭМ-1 Общие данные ТП 902-1-110.87-ЭМ-2 Схема электрическая принципиальная однолинейная распределительной сети 380/220 (с двумя вводами) ТП 902-1-110.87-ЭМ-3-4 Схемы электрические принципиальные однолинейная распределительной сети ~380/220 и учета электроэнергии (с одним вводом) ТП 902-1-110.87-ЭМ-5 Схемы электрические принципиальные переключения 3 секции, АВР оперативного тока и учета электроэнергии ( с двумя вводами) ТП 902-1-110.87-ЭМ-6 Схема электрическая принципиальная управления насосами перекачки стоков ТП 902-1-110.87-ЭМ-7 Схема электрическая принципиальная управления задвижкой на подводящем коллекторе ТП 902-1-110.87-ЭМ-8 Схема электрическая принципиальная управления насосом гидроуплотнения и дренажным насосом ТП 902-1-110.87-ЭМ-9 Схемы электрические принципиальные управления вентиляторами ТП 902-1-110.87-ЭМ-10 Схема электрическая принципиальная контроля уровней ТП 902-1-110.87-ЭМ-11 Схема электрическая принципиальная сигнализации ТП 902-1-110.87-ЭМ-12 Схема подключения электрооборудования ТП 902-1-110.87-ЭМ-13 Схема подключения комплектного устройства ТП 902-1-110.87-ЭМ-14 Кабельный журнал ТП 902-1-110.87-ЭМ-15 План расположения электрооборудования. Прокладка кабелей. Зануление ТП 902-1-110.87-ЭМ-16 Электроосвещение ТП 902-1-110.87-ЭМИ Задание МЭЗ марки ЭМИ ТП 902-1-110.87-АТХ Основной комплект марки АТХ ТП 902-1-110.87-АТХ-1 Общие данные. Ведомости ТП 902-1-110.87-АТХ-2 Схема автоматизации ТП 902-1-110.87-АТХ-3-4 Схема соединений внешних проводок. План расположения ТП 902-1-110.87-АТХ-5 Статив датчиков ст. 1. Монтажный чертеж ТП 902-1-110.87-АТХ-6 Статив датчиков ст. 2. Монтажный чертеж ТП 902-1-110.87-АТХ-7 Кронштейн. Монтажный чертеж ТП 902-1-110.87-АТХ-8 Стойка. Монтажный чертеж |
| Разработан: | Харьковский Водоканалпроект |
| Утверждён: | 12.06.1987 Госстрой СССР (Государственный комитет Совета Министров СССР по делам строительства) (USSR Gosstroy АЧ-60) |





























