Скачать Типовой проект 904-1-84.90 Альбом 2. Электротехнические решения. Автоматизация и управлениеДата актуализации: 01.01.2021
|
| Обозначение: | Типовой проект 904-1-84.90 |
| Обозначение англ: | 904-1-84.90 |
| Статус: | справочные материалы, мп, тпр |
| Название рус.: | Альбом 2. Электротехнические решения. Автоматизация и управление |
| Дата добавления в базу: | 01.09.2013 |
| Дата актуализации: | 01.01.2021 |
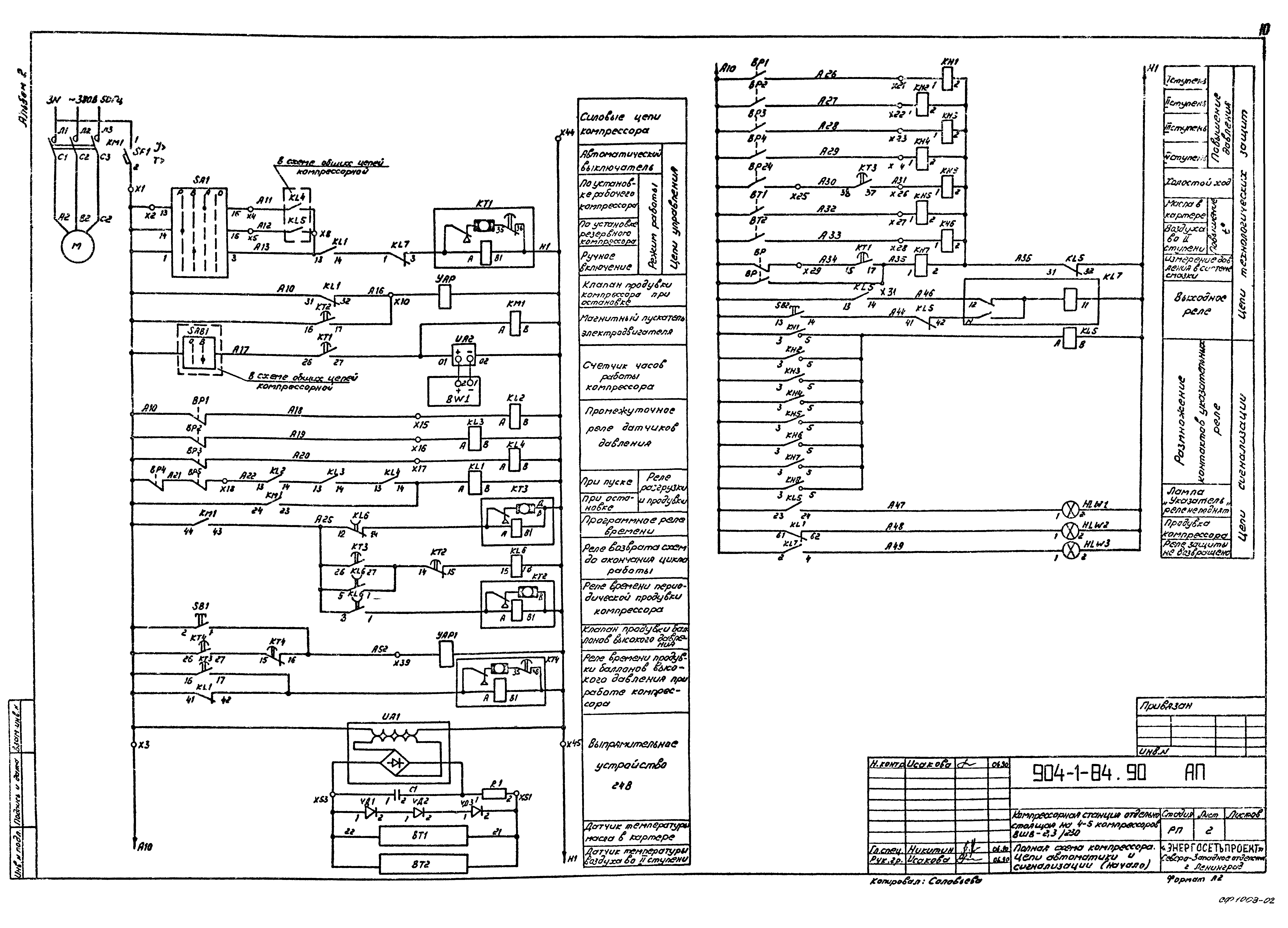
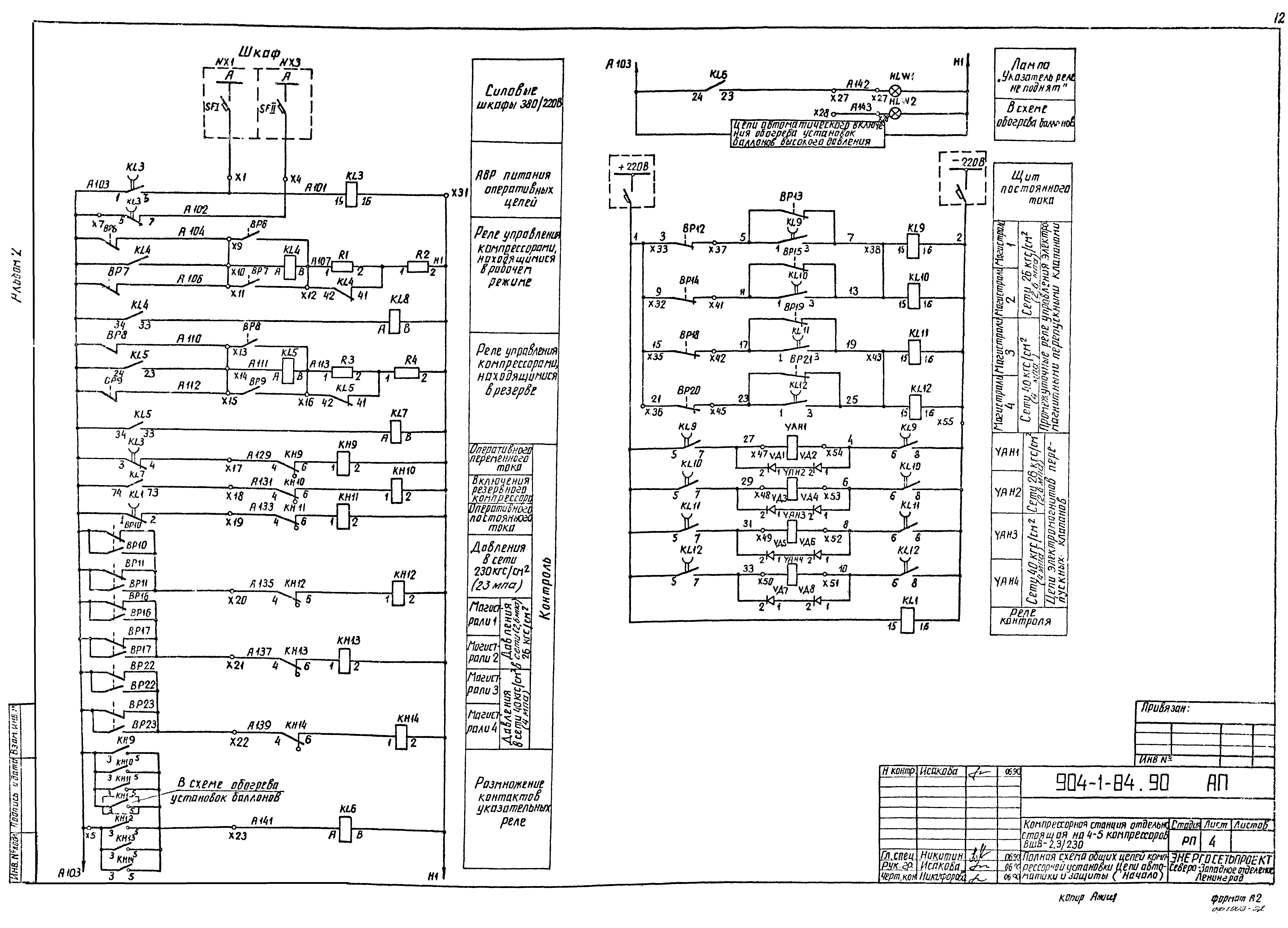
| Оглавление: | ТП 904-1-84.90-ЭП-1 Общие данные ТП 904-1-84.90-ЭП-2 Схема силовой распределительной сети ТП 904-1-84.90-ЭП-3 Освещение ТП 904-1-84.90-ЭП-4 Электрическое отопление и вентиляция ТП 904-1-84.90-ЭП-5 План сети заземления ТП 904-1-84.90-ЭП-6 Размещение электрооборудования и разводка кабелей ТП 904-1-84.90-ЭП-7 Журнал силовых кабелей ТП 904-1-84.90-ЭП-8 Журнал контрольных кабелей ТП 904-1-84.90-АП Чертежи основного комплекта марки АП ТП 904-1-84.90-АП-1 Общие данные ТП 904-1-84.90-АП-2 Полная схема компрессора. Цепи автоматики защиты и сигнализации (начало) ТП 904-1-84.90-АП-3 Полная схема компрессора. Цепи автоматики защиты и сигнализации (окончание) ТП 904-1-84.90-АП-4 Полная схема общих цепей компрессорной установки. Цепи автоматики и защиты (начало) ТП 904-1-84.90-АП-5 Полная схема общих цепей компрессорной установки. Цепи автоматики и защиты (окончание) ТП 904-1-84.90-АП-6 Полная схема автоматики обогрева установок баллонов высокого давления ТП 904-1-84.90-АП-7 Ряд зажимов индивидуального шкафа автоматики компрессора ТП 904-1-84.90-АП-8 Ряд зажимов общего шкафа автоматики компрессорной установки ТП 904-1-84.90-АП-9 Подключение приборов компрессора ТП 904-1-84.90-АП-10 Подключение приборов компрессорной установки |
| Разработан: | Северо-западное отделение института Энергосетьпроект |
| Утверждён: | 16.08.1990 Минэнерго СССР (USSR Minenergo 47) |
| Заменяет собой: |



















