Скачать Типовой проект 904-1-84.90 Альбом 5. Строительные изделияДата актуализации: 01.01.2021
|
| Обозначение: | Типовой проект 904-1-84.90 |
| Обозначение англ: | 904-1-84.90 |
| Статус: | справочные материалы, мп, тпр |
| Название рус.: | Альбом 5. Строительные изделия |
| Дата добавления в базу: | 01.09.2013 |
| Дата актуализации: | 01.01.2021 |
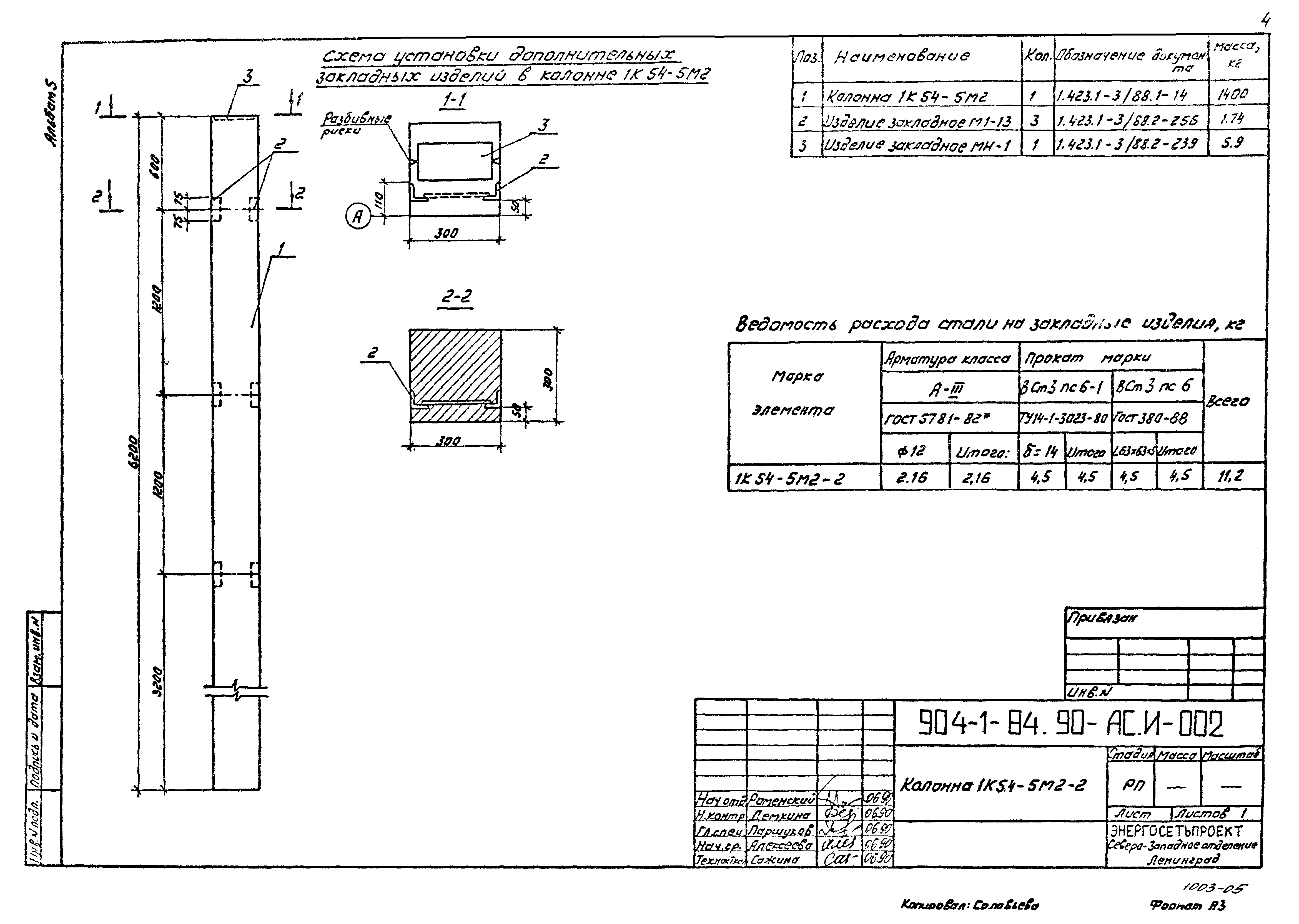
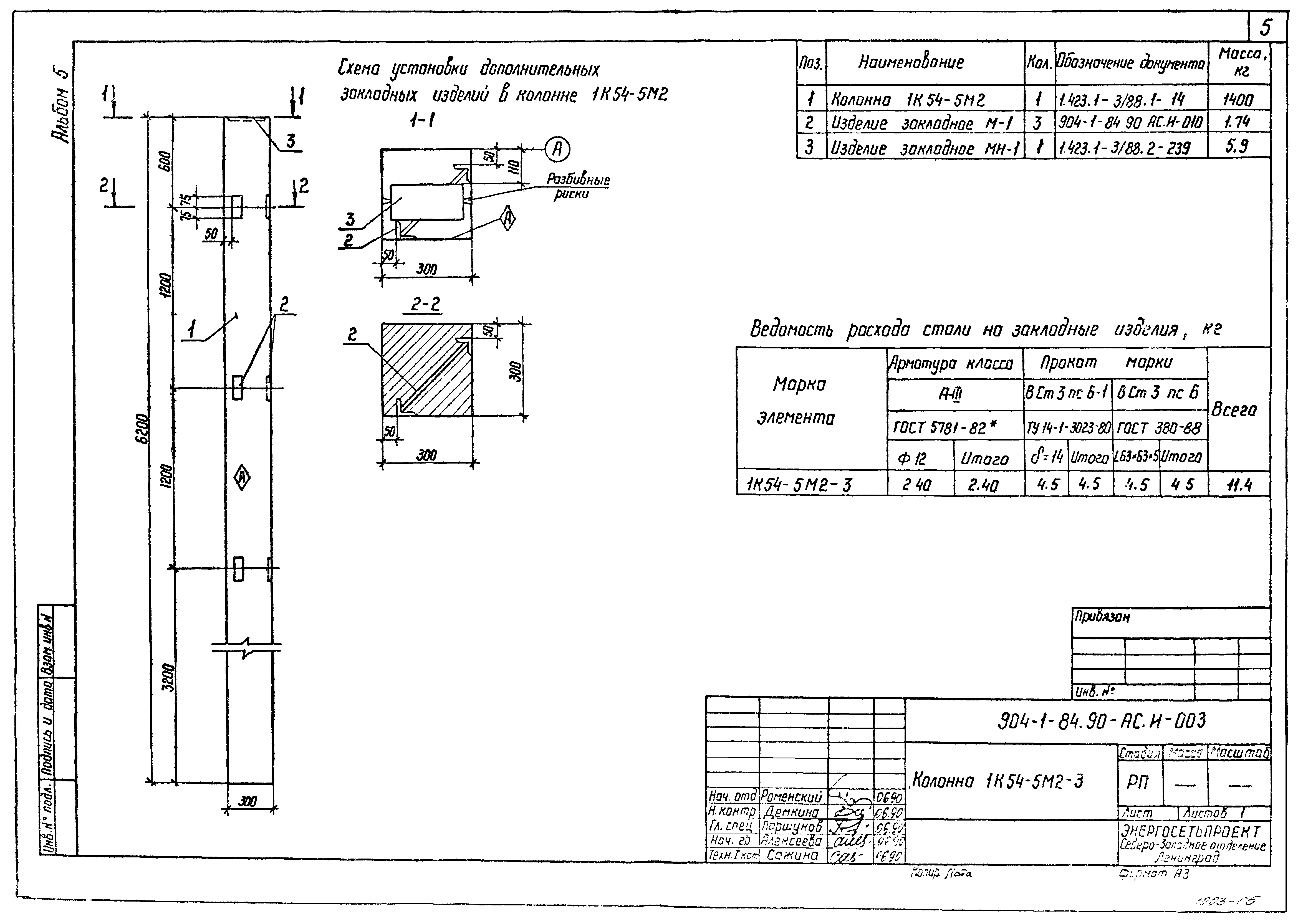
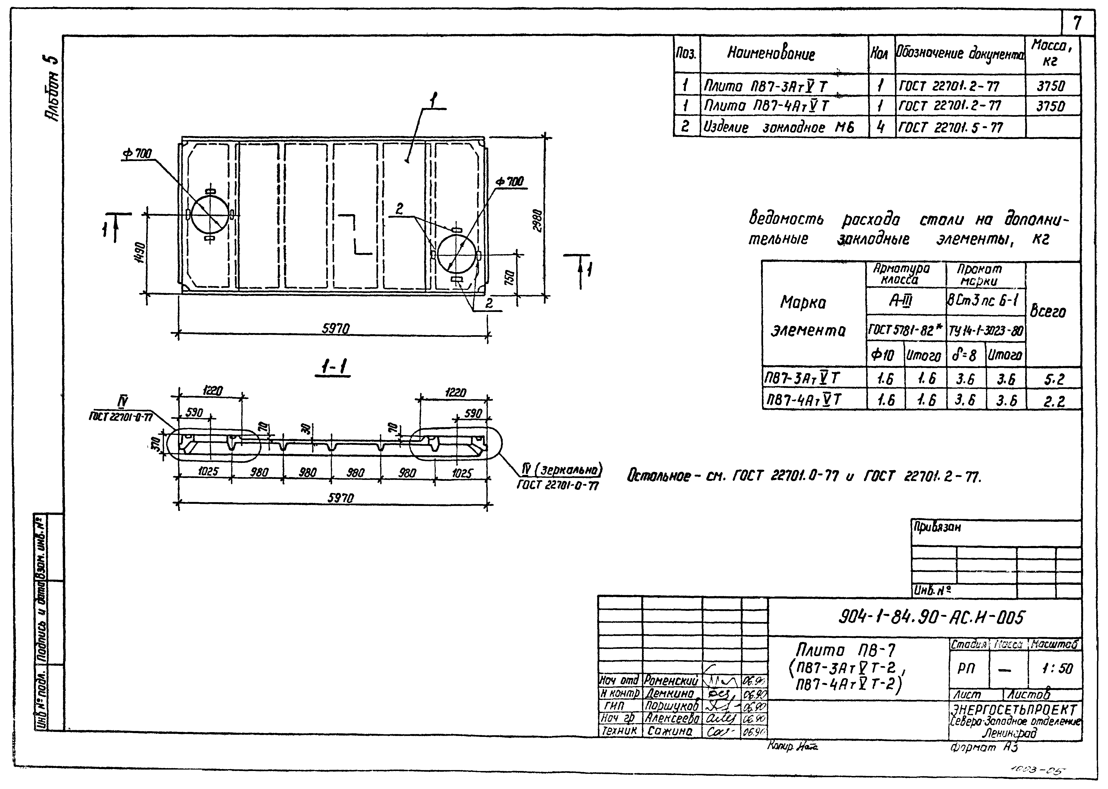
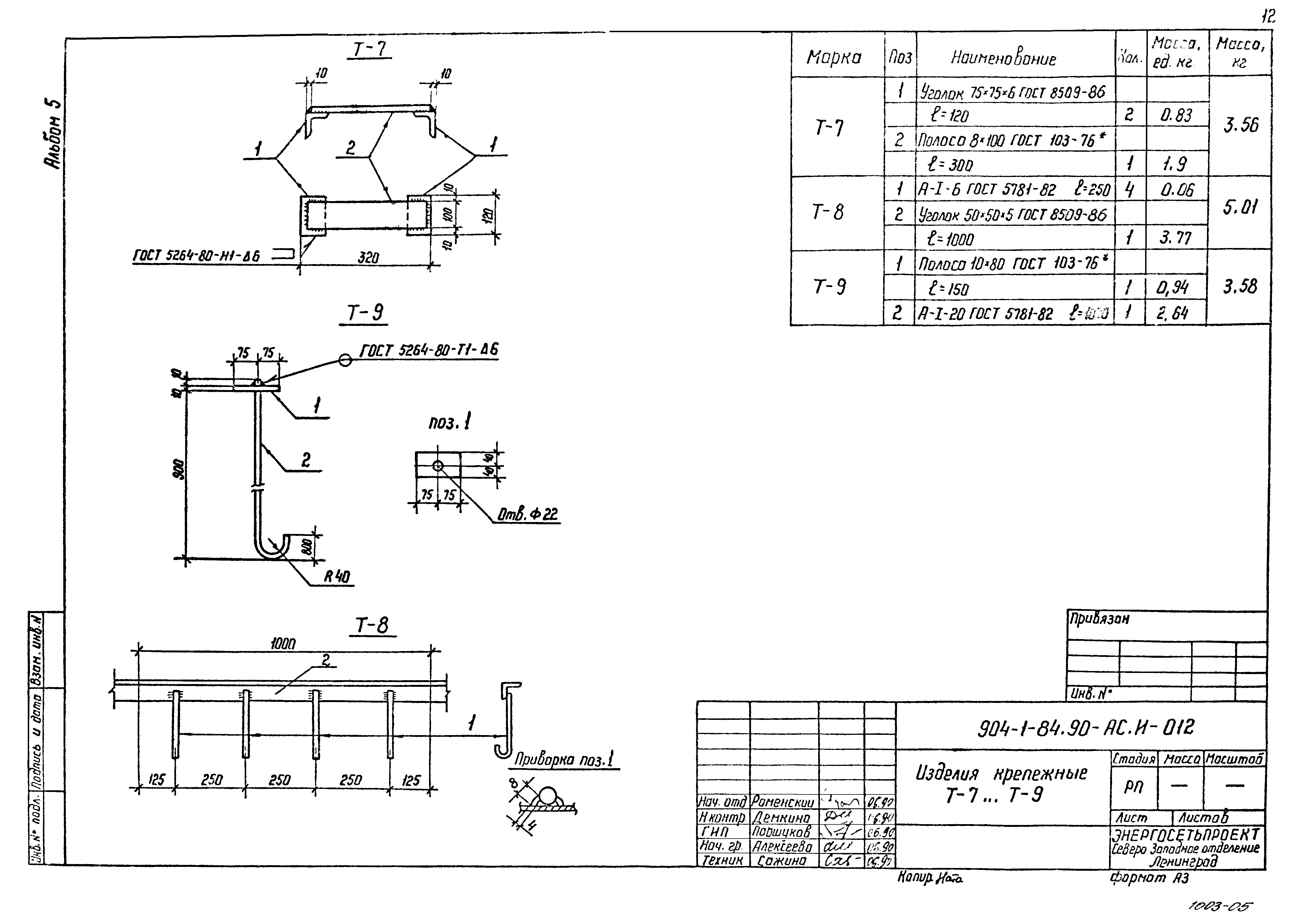
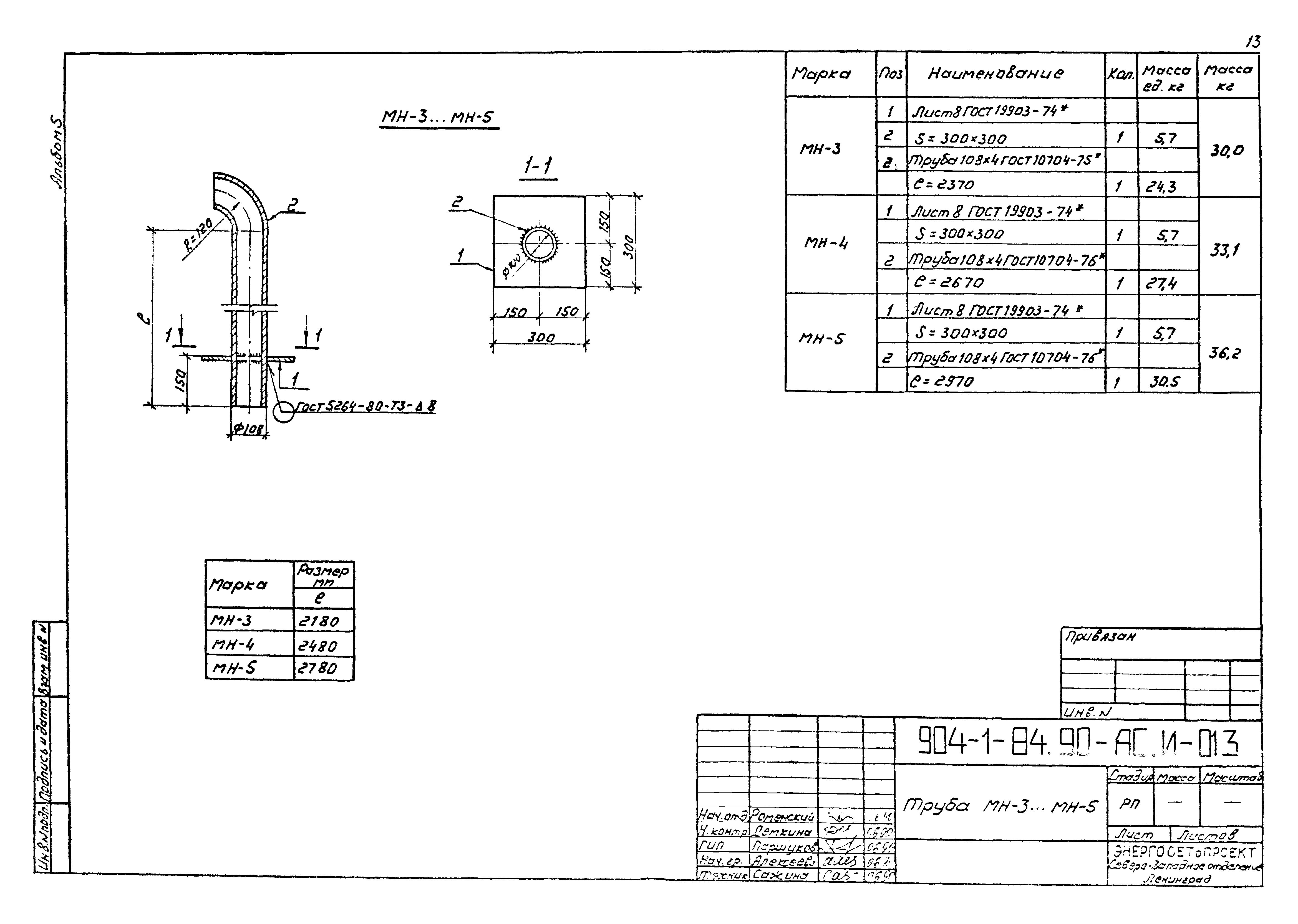
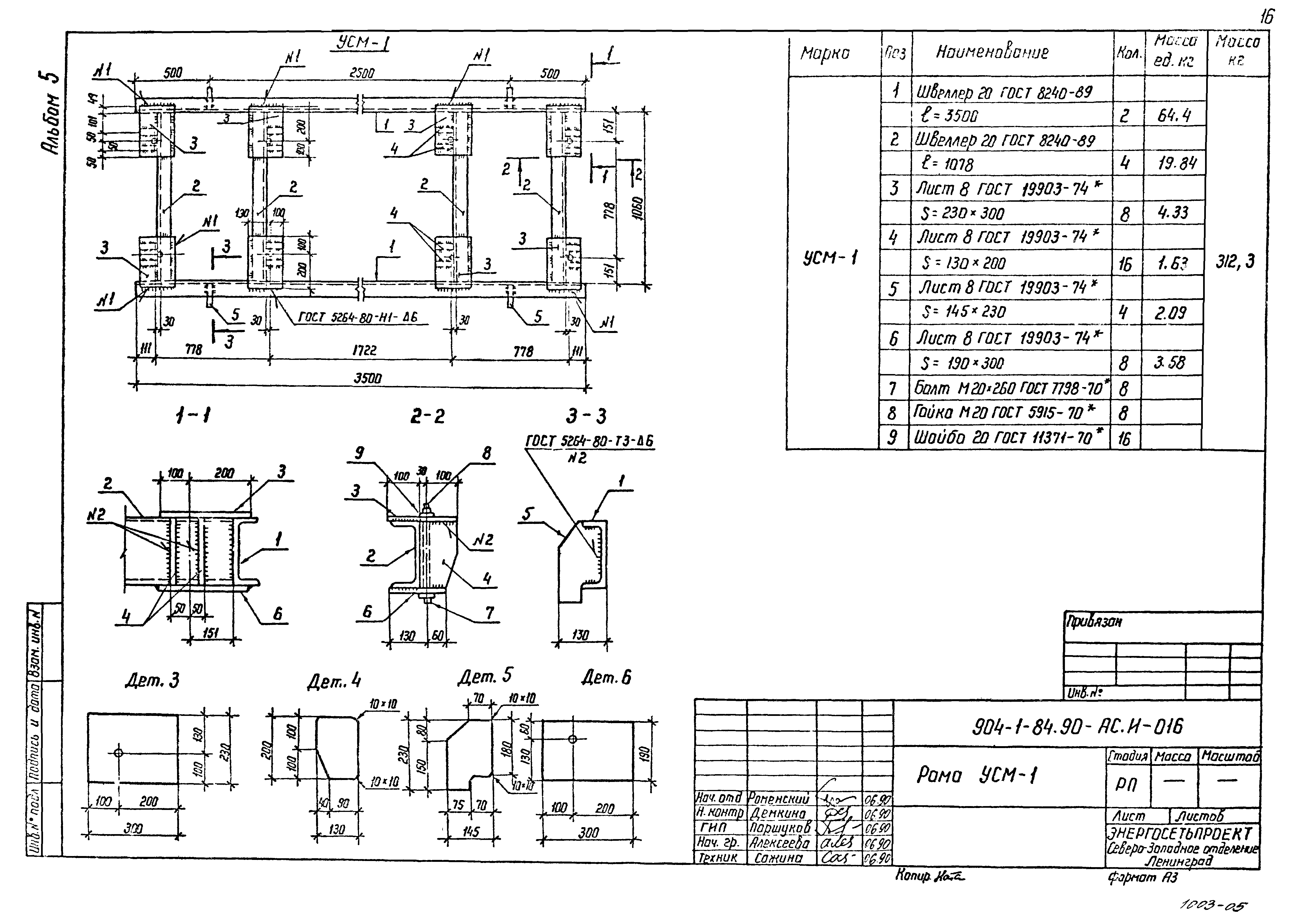
| Оглавление: | ТП 904-1-84.90-АС.И-001 Колонна 1К54-5М2-1 ТП 904-1-84.90-АС.И-002 Колонна 1К54-5М2-2 ТП 904-1-84.90-АС.И-003 Колонна 1К54-5М2-3 ТП 904-1-84.90-АС.И-004 Плита ПВ7(ПВ7-3АТVТ-1,ПВ7-4АТVТ-1) ТП 904-1-84.90-АС.И-005 Плита ПВ7(ПВ7-3АТVТ-2,ПВ7-4АТVТ-2) ТП 904-1-84.90-АС.И-006 Балка БСП6.1-5АV-1 ТП 904-1-84.90-АС.И-007 Стеновая панель ПС(ПС62,5.18.2,0-2.л-2,31-I,ПС63,0.18.2,5-2.л-2,31-I,ПС63,5.18.3.0-2.л-2,31-I) ТП 904-1-84.90-АС.И-008 Стеновая панель ПС(ПС60.18.2,0-2.л-31-I,ПС60.18.2,5-2.л-31-I,ПС60.18.3,0-2.л-31-I) ТП 904-1-84.90-АС.И-009 Стеновая панель ПС(ПС62,5.18.2,0-2.л-1,31-I,ПС63,0.18.2,5-2.л-1,31-I,ПС63,5.18.3,0-2.л-1,31-I) ТП 904-1-84.90-АС.И-010 Изделие закладное М-1 ТП 904-1-84.90-АС.И-011 Изделия крепежные Т-1,Т-4...Т-6,МН-2 ТП 904-1-84.90-АС.И-012 Изделия крепежные Т-7...Т-9 ТП 904-1-84.90-АС.И-013 Труба МН-3...МН-5 ТП 904-1-84.90-АС.И-014 Изделия закладные МП-1...МП-5 ТП 904-1-84.90-АС.И-015 Изделия закладные МП-6,МП-7. Марки МП-8,МП-9 ТП 904-1-84.90-АС.И-016 Рама УСМ-1 ТП 904-1-84.90-АС.И-017 Рама УСМ-2 ТП 904-1-84.90-АС.И-018 Рама УСМ-3 ТП 904-1-84.90-АС.И-019 Крышка К-1. Щит Щ-1...Щ-12 |
| Разработан: | Северо-западное отделение института Энергосетьпроект |
| Утверждён: | 16.08.1990 Минэнерго СССР (USSR Minenergo 47) |
| Заменяет собой: |




















