Скачать Типовой проект 902-2-411.86 Альбом I. Технологическая, строительная, теплотехническая, электротехническая части, технологический контрольДата актуализации: 01.01.2021
|
| Обозначение: | Типовой проект 902-2-411.86 |
| Обозначение англ: | 902-2-411.86 |
| Статус: | не определен законодательством |
| Название рус.: | Альбом I. Технологическая, строительная, теплотехническая, электротехническая части, технологический контроль |
| Дата добавления в базу: | 01.09.2013 |
| Дата актуализации: | 01.01.2021 |
| Дата введения: | 01.08.1986 |
| Дата окончания срока действия: | 30.06.2003 |
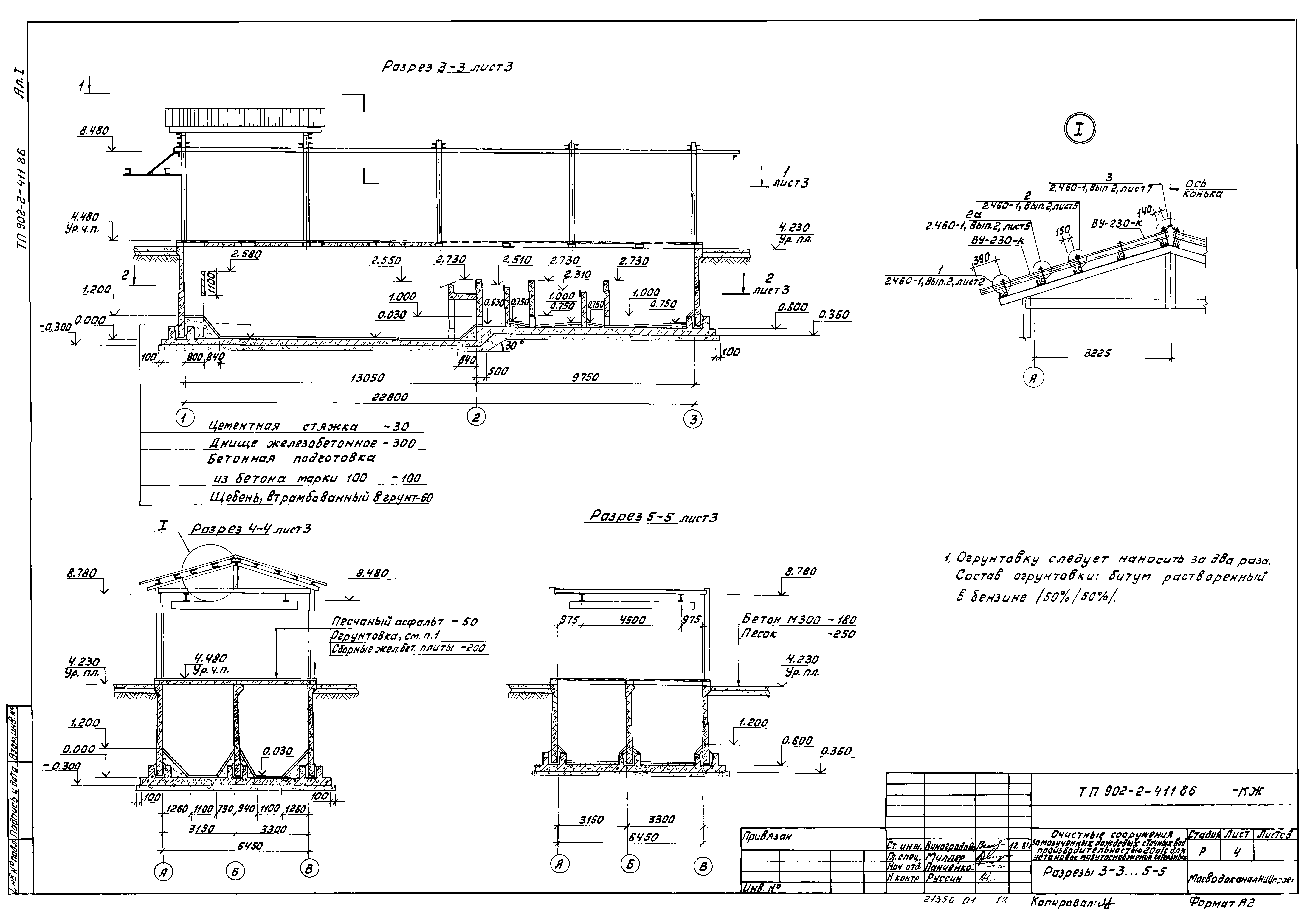
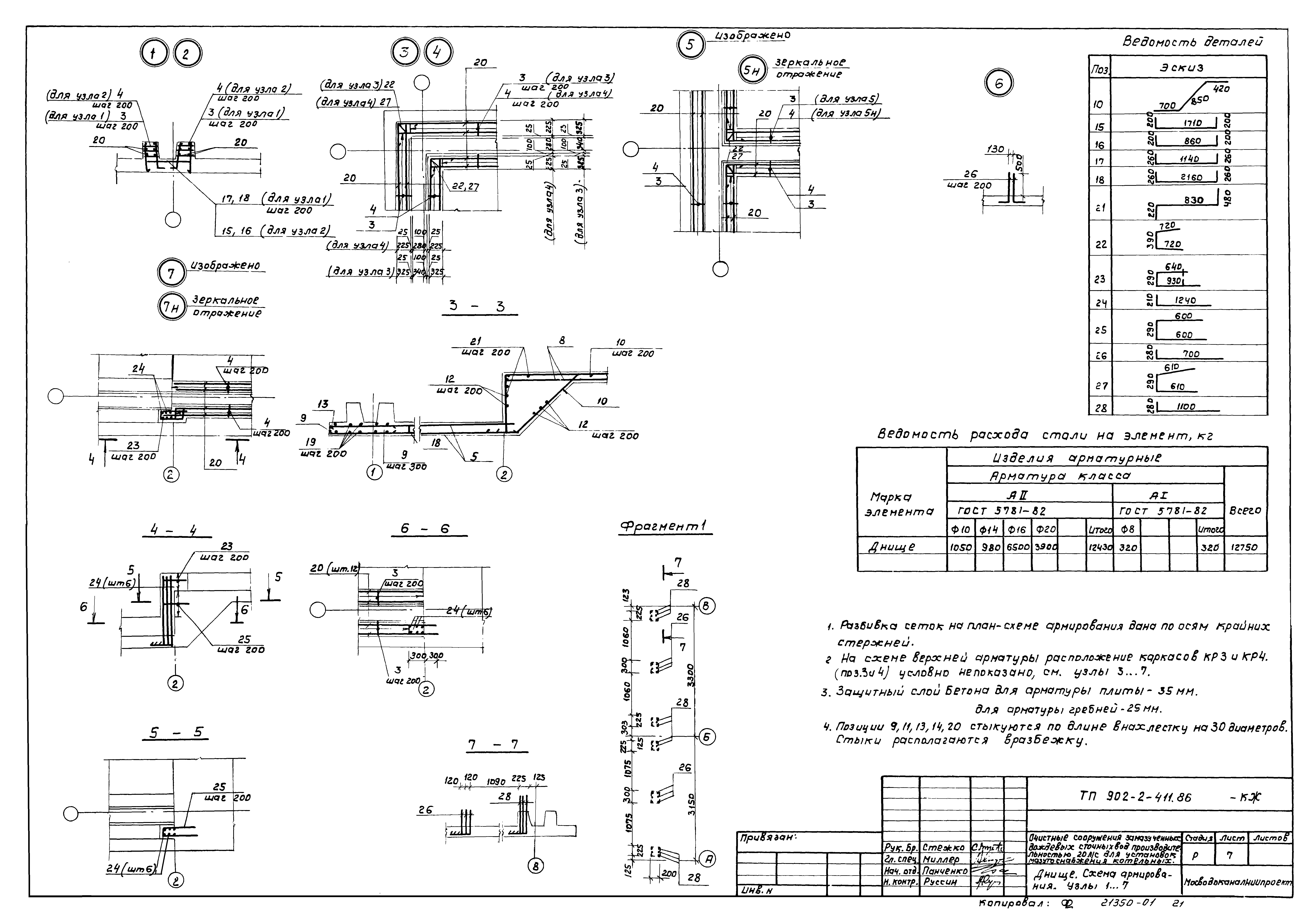
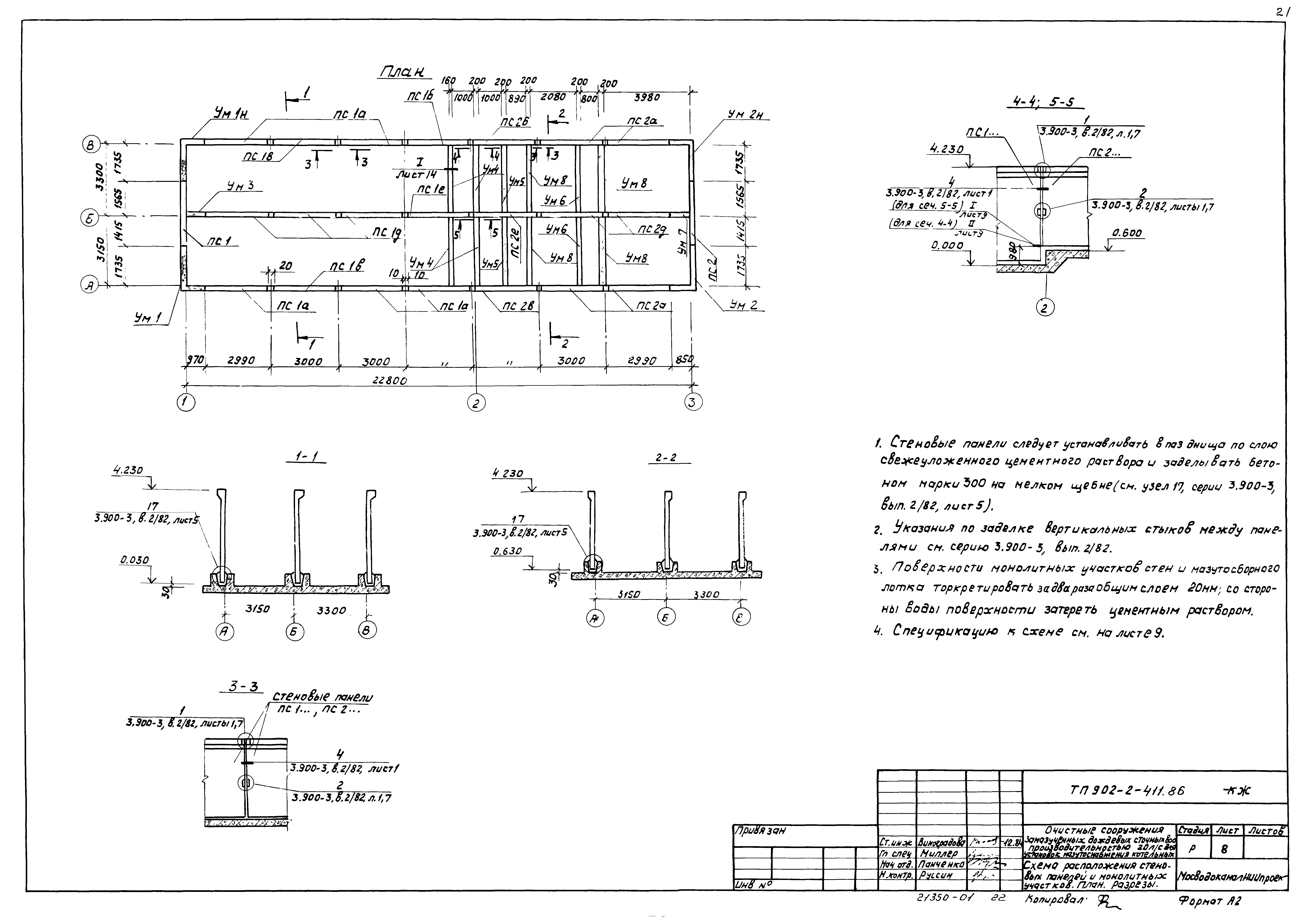
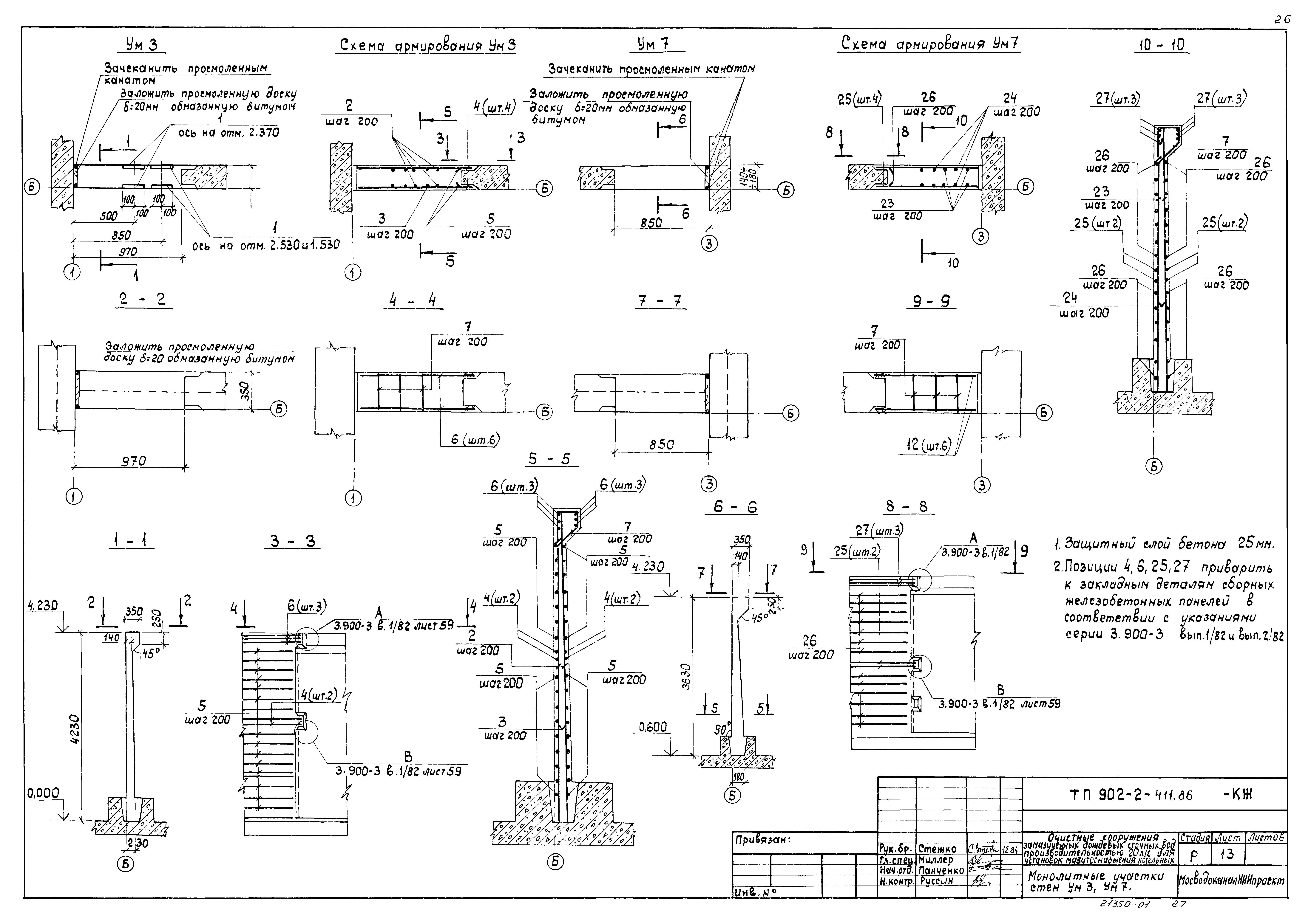
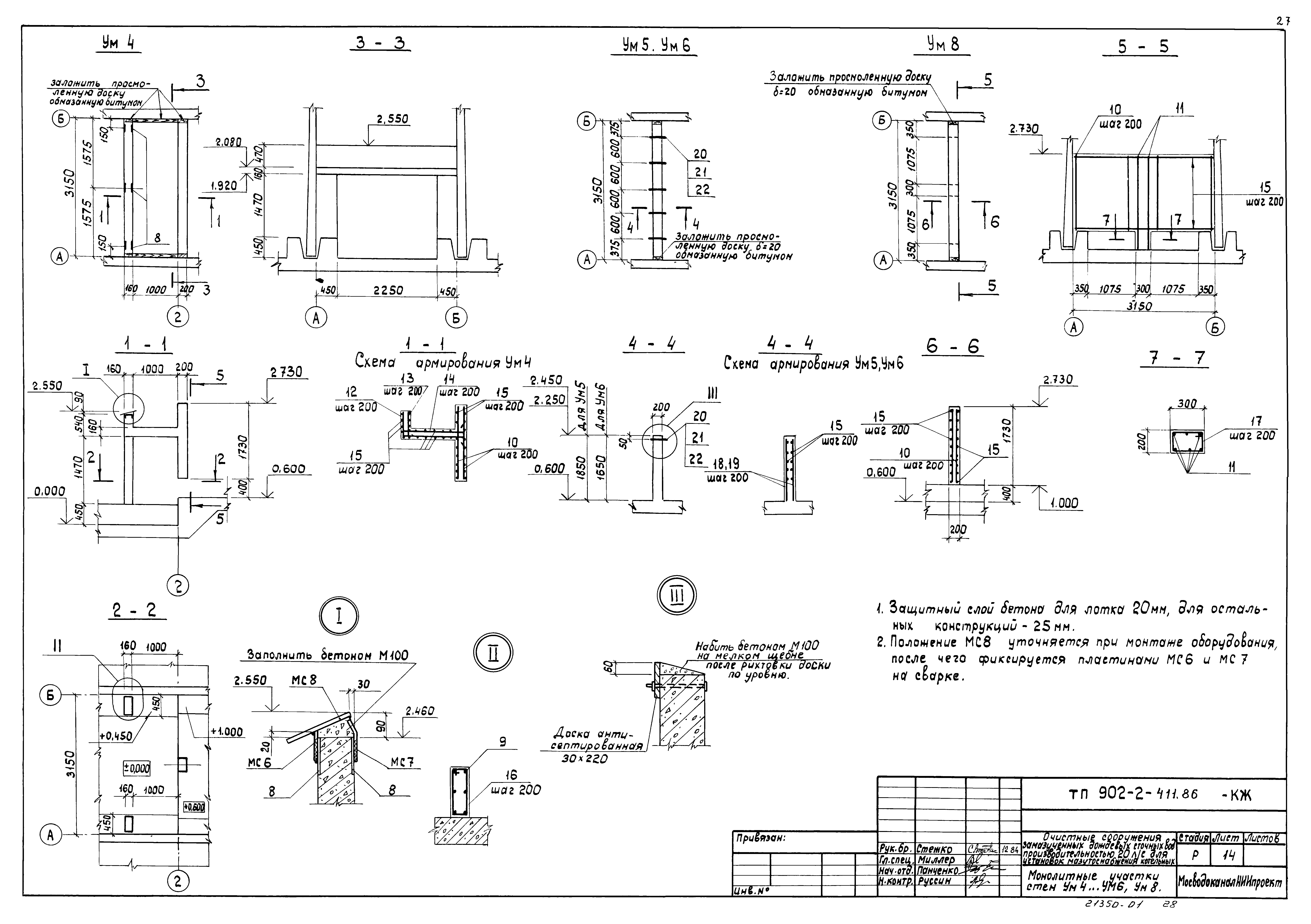
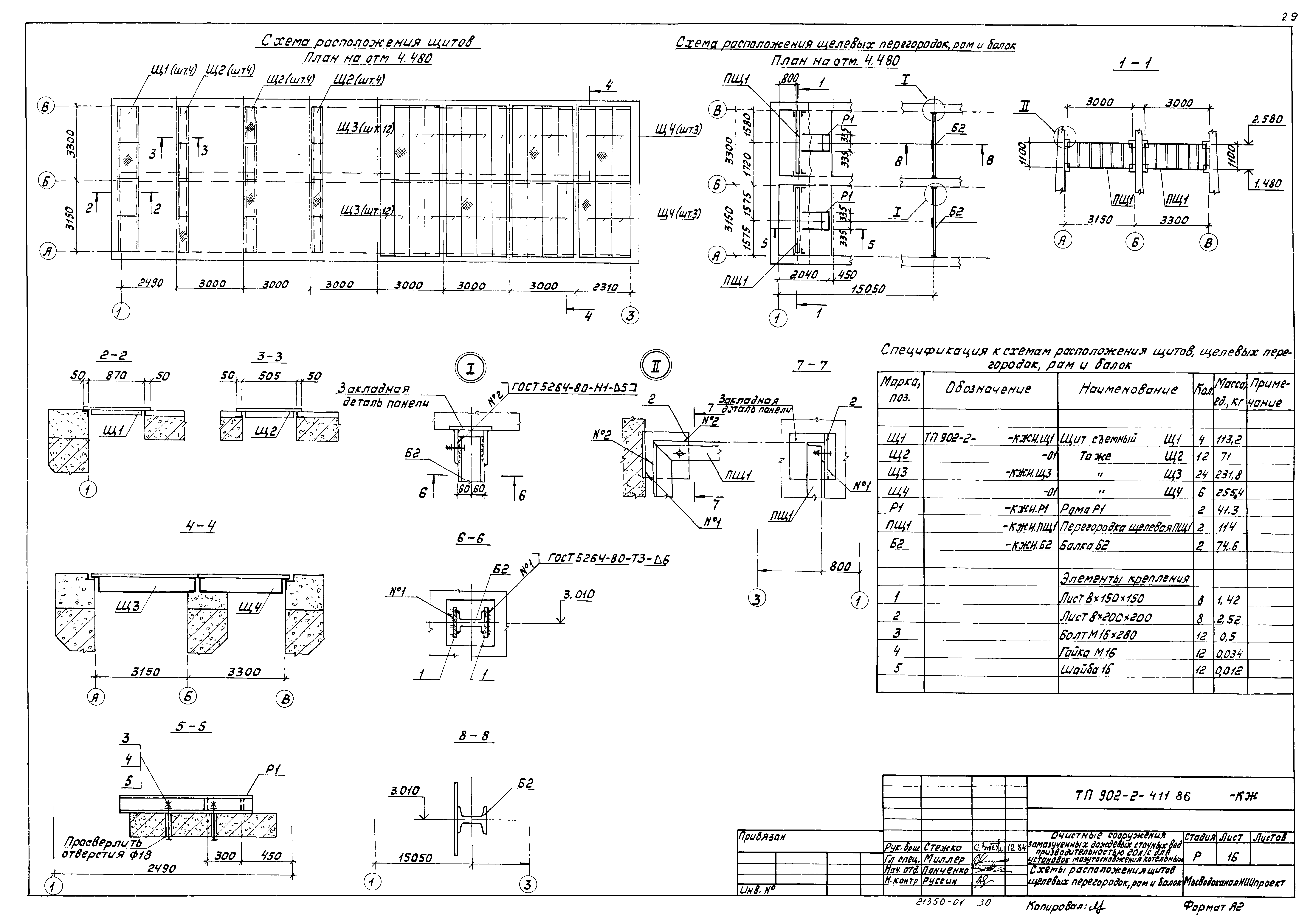
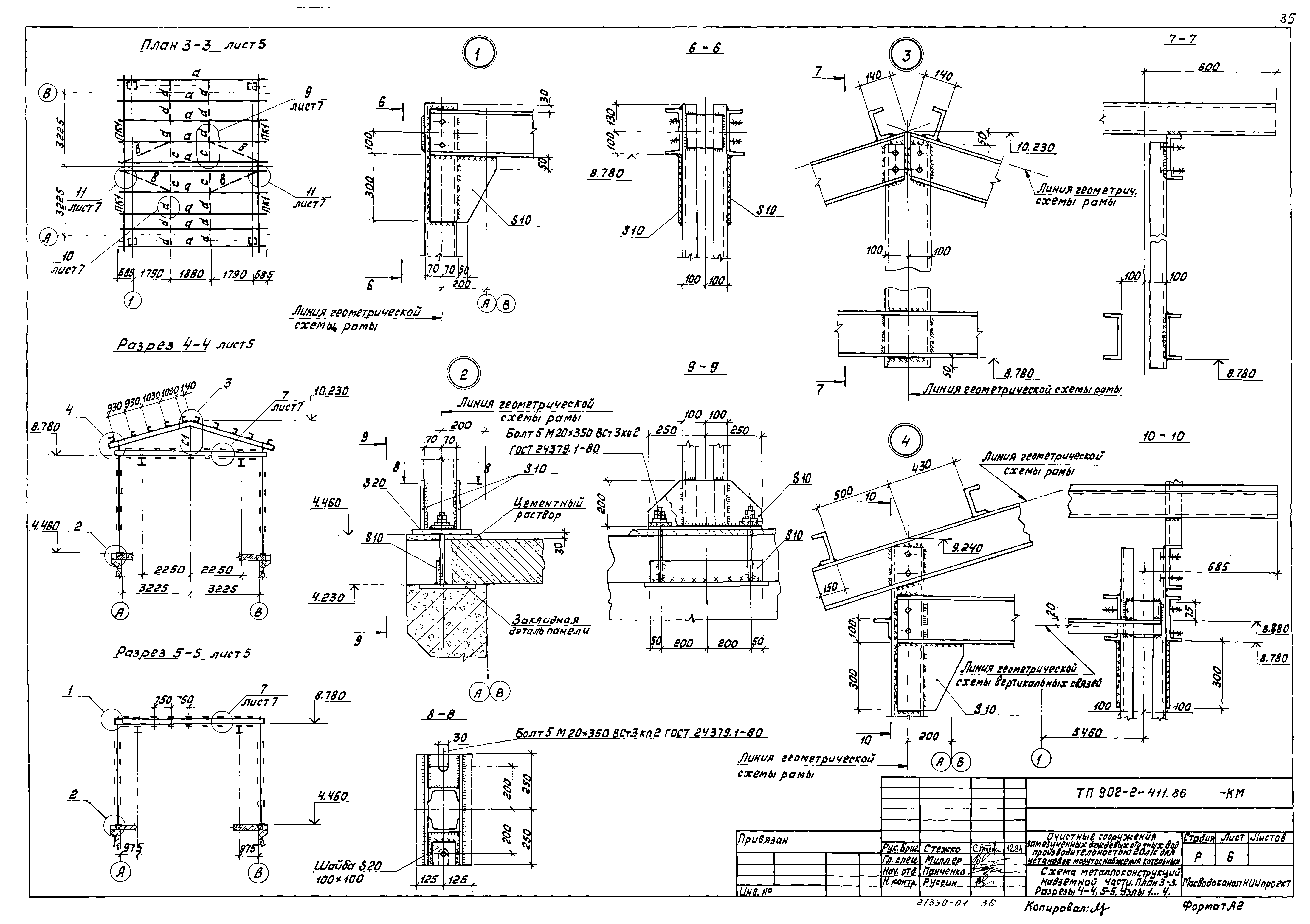
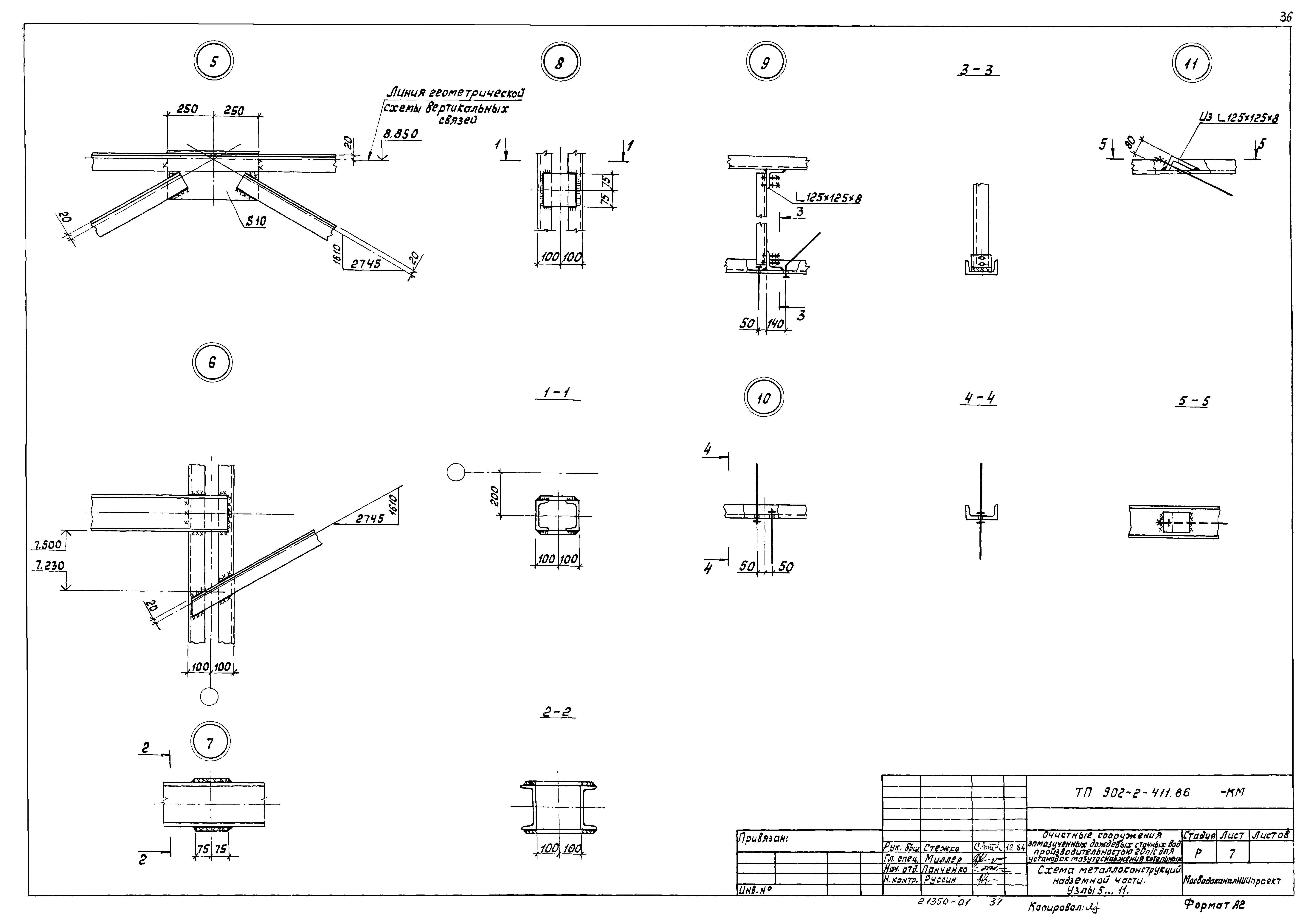
| Оглавление: | ТП-902-2-411.86 Содержание альбома ТП-902-2-411.86-ТХ Рабочие чертежи основного комплекта ТП-902-2-411.86-ТХ. Технология производства ТП-902-2-411.86-ТХ-1 Общие данные (начало) ТП-902-2-411.86-ТХ-2-8 Общие данные (продолжение) ТП-902-2-411.86-ТХ-9 Общие данные (окончание) ТП-902-2-411.86-ТХ-10 Схема генерального плана участка ТП-902-2-411.86-ТХ-11 План. Разрезы ТП-902-2-411.86-КЖ Рабочие чертежи основного комплекта ТП-902-2-411.86-КЖ. Конструкции железобетонные ТП-902-2-411.86-КЖ-1 Общие данные (начало) ТП-902-2-411.86-КЖ-2 Общие данные (окончание) ТП-902-2-411.86-КЖ-3 Планы 1-1,2-2 ТП-902-2-411.86-КЖ-4 Разрезы 3-3...5-5 ТП-902-2-411.86-КЖ-5 Днище. План. Разрезы. Узлы ТП-902-2-411.86-КЖ-6 Днище. Схема армирования ТП-902-2-411.86-КЖ-7 Днище. Схема армирования. Узлы 1...7н ТП-902-2-411.86-КЖ-8 Схема расположения стеновых панелей и монолитных участков. План. Разрезы ТП-902-2-411.86-КЖ-9 Схема расположения стеновых панелей и монолитных участков. Разрезы 1,2 ТП-902-2-411.86-КЖ-10 Монолитные участки УМ1,УМ1н ТП-902-2-411.86-КЖ-11 Монолитные участки УМ2,УМ2н ТП-902-2-411.86-КЖ-12 Спецификация монолитных участков стен УМ3...УМ8 ТП-902-2-411.86-КЖ-13 Монолитные участки стен УМ3,УМ7 ТП-902-2-411.86-КЖ-14 Монолитные участки стен УМ4...УМ6,УМ8 ТП-902-2-411.86-КЖ-15 Схема расположения плит перекрытия на отм. 4.480 ТП-902-2-411.86-КЖ-16 Схема расположения щитов, щелевых перегородок, рам и балок ТП-902-2-411.86-КЖ-17 Мазутосборный колодец ТП-902-2-411.86-КМ Рабочие чертежи основного комплекта ТП-902-2-411.86-КМ. Конструкции металлические ТП-902-2-411.86-КМ-1 Общие данные ТП-902-2-411.86-КМ-2 Ведомость металлоконструкций по видам профилей ТП-902-2-411.86-КМ-3 Техническая спецификация металла (начало) ТП-902-2-411.86-КМ-4 Техническая спецификация металла (окончание) ТП-902-2-411.86-КМ-5 Схема металлоконструкций надземной части. План. Разрезы 1-1;2-2 ТП-902-2-411.86-КМ-6 Схема металлоконструкций надземной части. План 3-3. Разрезы 4-4;5-5. Узлы 1...4 ТП-902-2-411.86-КМ-7 Схема металлоконструкций надземной части. Узлы 5...11 ТП-902-2-411.86-ОВ Рабочие чертежи основного комплекта ТП-902-2-411.86-ОВ. Отопление и вентиляция ТП-902-2-411.86-ОВ-1 Общие данные ТП-902-2-411.86-ОВ-2 План на отм. 0.000. Разрезы ТП-902-2-411.86-ЭМ Рабочие чертежи основного комплекта ТП-902-2-411.86-ЭМ. Силовое электрооборудование ТП-902-2-411.86-ЭМ-1 Общие данные ТП-902-2-411.86-ЭМ-2 Электронасос. Схема электрическая принципиальная управления. Схема подключения ТП-902-2-411.86-ЭМ-3 План установки электрооборудования и прокладки кабелей. Кабельный журнал. Электроосвещение ТП-902-2-411.86-АТХ Рабочие чертежи основного комплекта ТП-902-2-411.86-АТХ. Технологический контроль ТП-902-2-411.86-АТХ-1 Общие данные ТП-902-2-411.86-АТХ-2 Схема электрическая принципиальная аварийной сигнализации ТП-902-2-411.86-АТХ-3 План установки датчиков уровня и прокладки кабелей. Схема подключения датчиков уровня. Разрез 1-1 |
| Разработан: | МосводоканалНИИпроект |
| Утверждён: | 15.01.1986 Главстройпроект Госстроя СССР (АЧ-4) |













































