Скачать Типовой проект 904-1-78.87 Альбом 2. Технология производстваДата актуализации: 01.01.2021
|
| Обозначение: | Типовой проект 904-1-78.87 |
| Обозначение англ: | 904-1-78.87 |
| Статус: | не действует |
| Название рус.: | Альбом 2. Технология производства |
| Дата добавления в базу: | 01.09.2013 |
| Дата актуализации: | 01.01.2021 |
| Дата введения: | 11.09.1987 |
| Дата окончания срока действия: | 01.01.1990 |
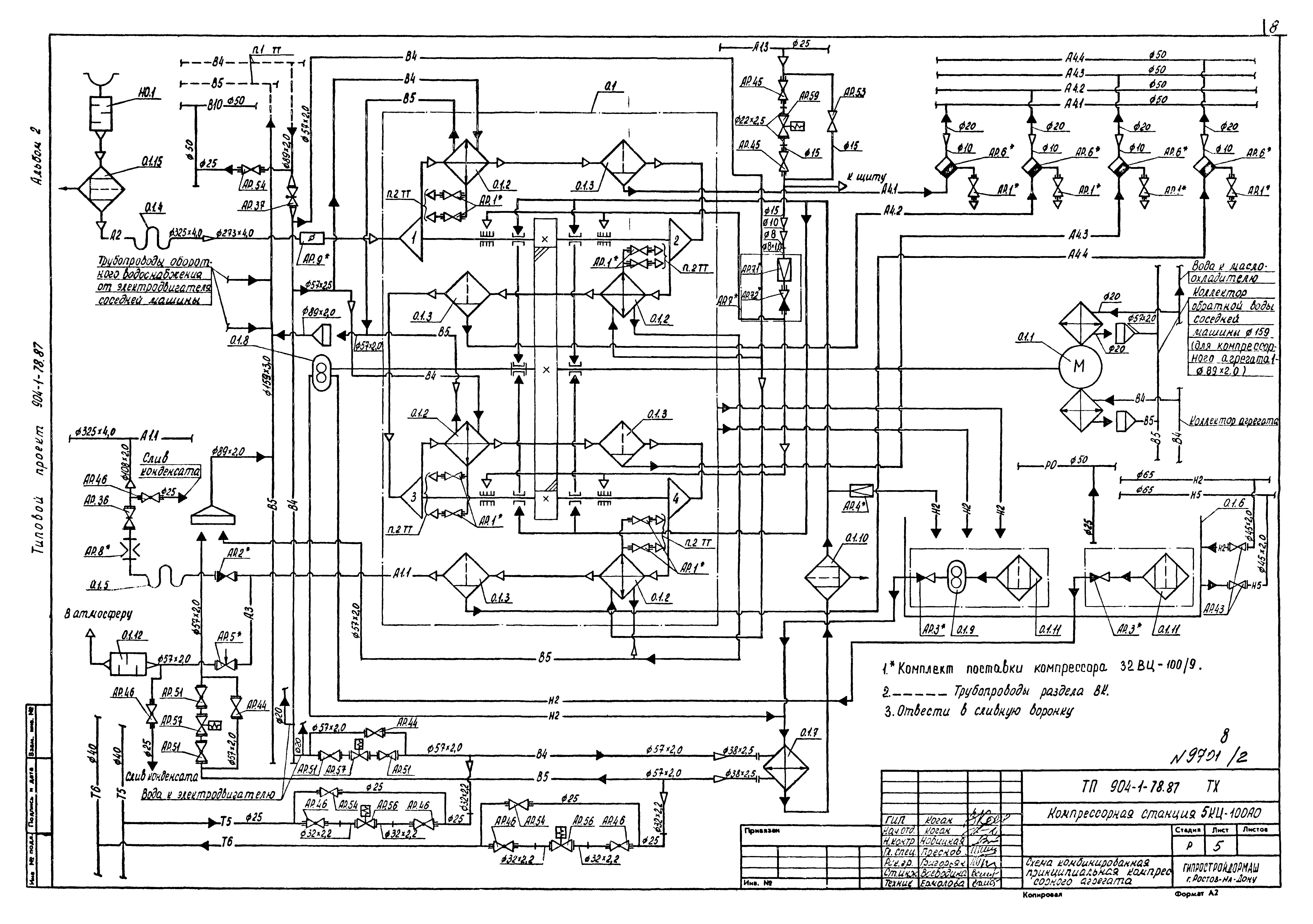
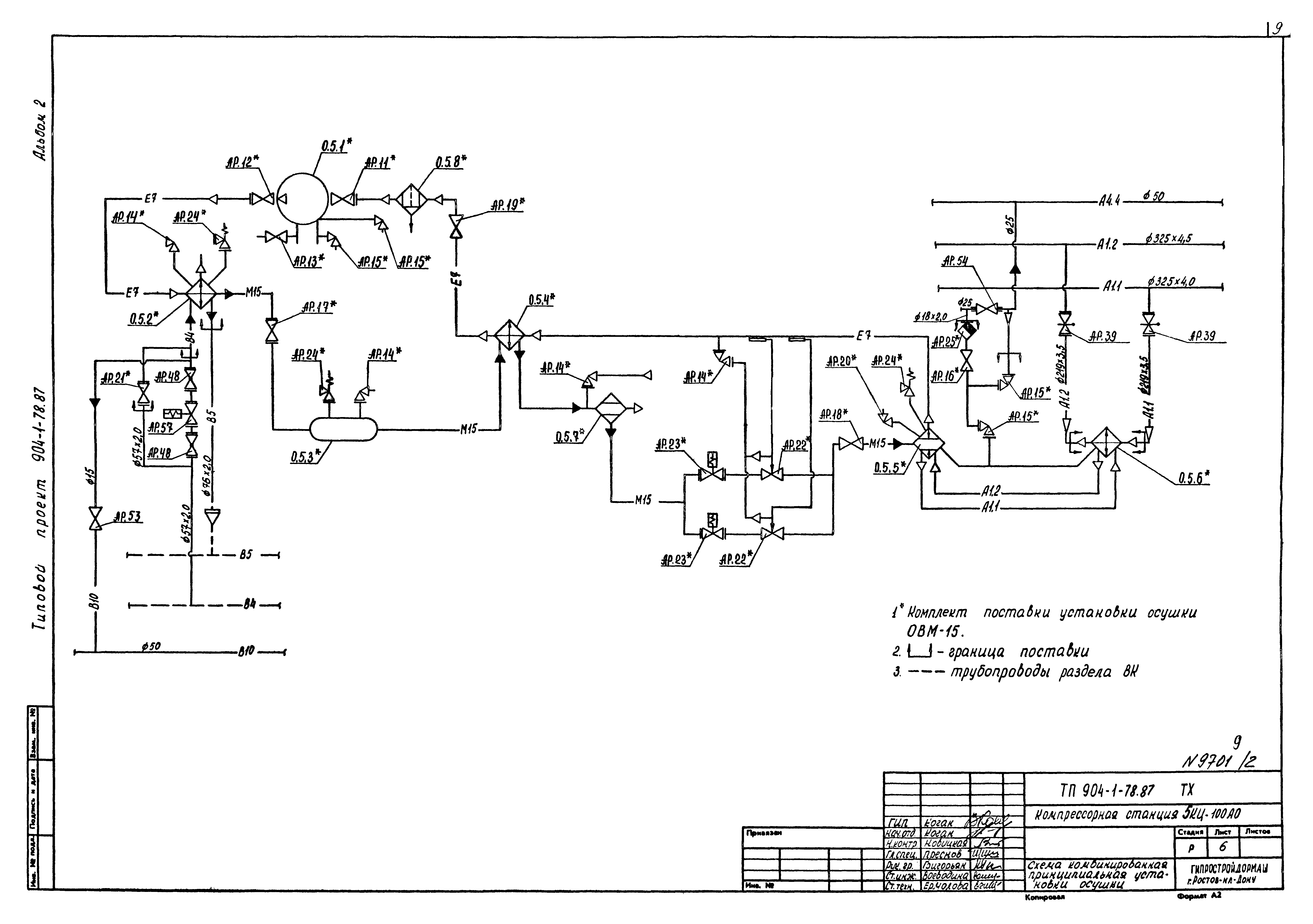
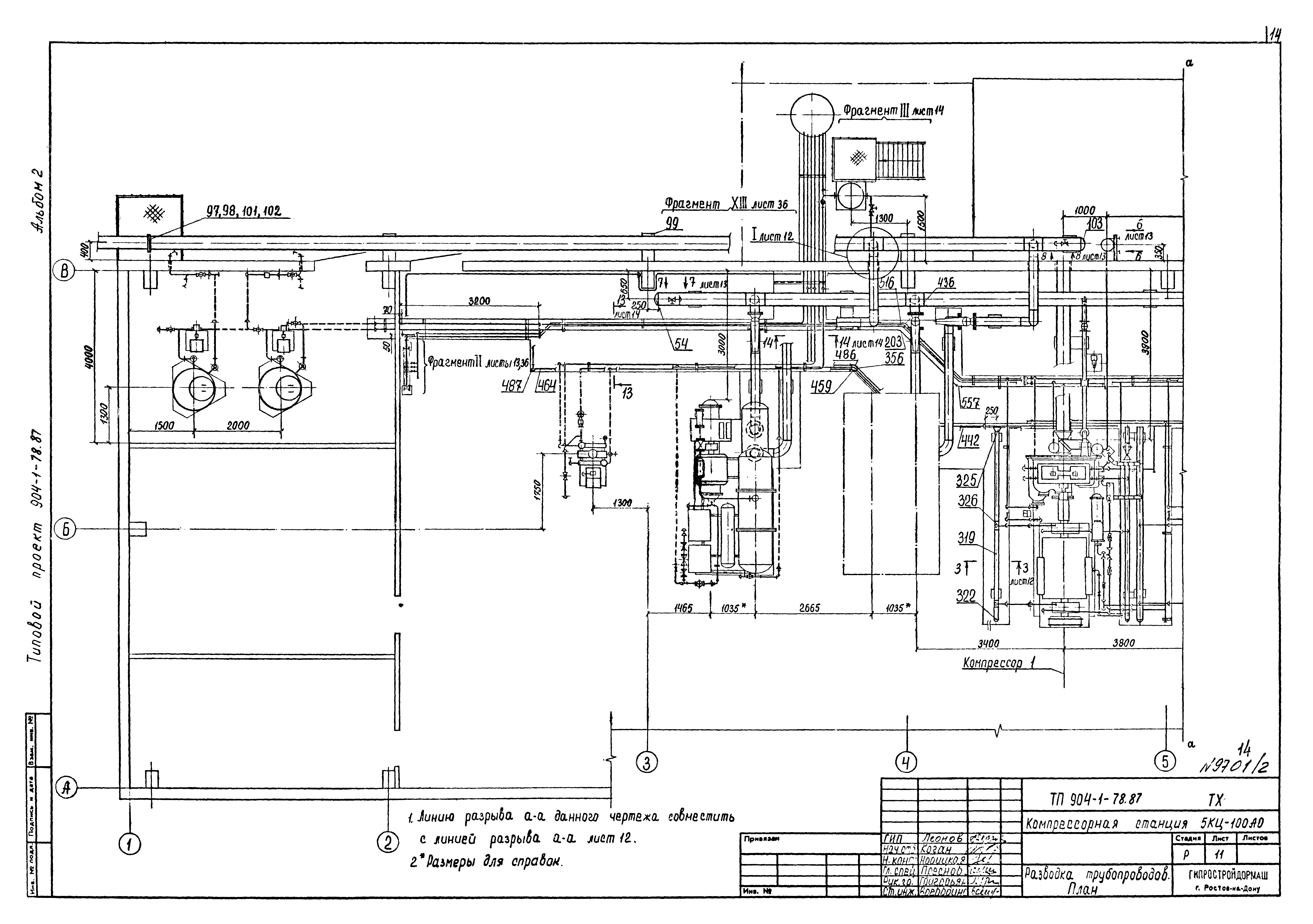
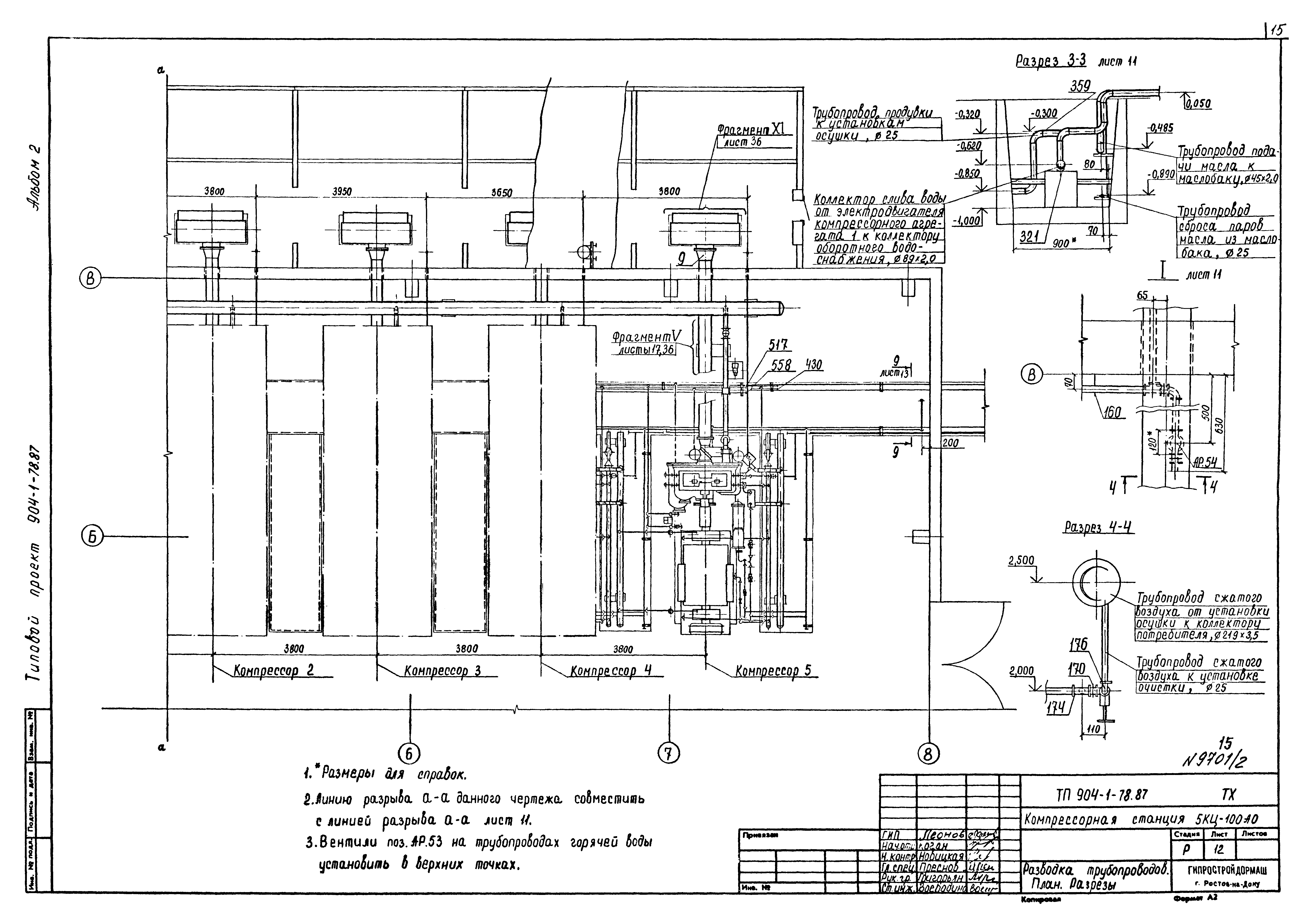
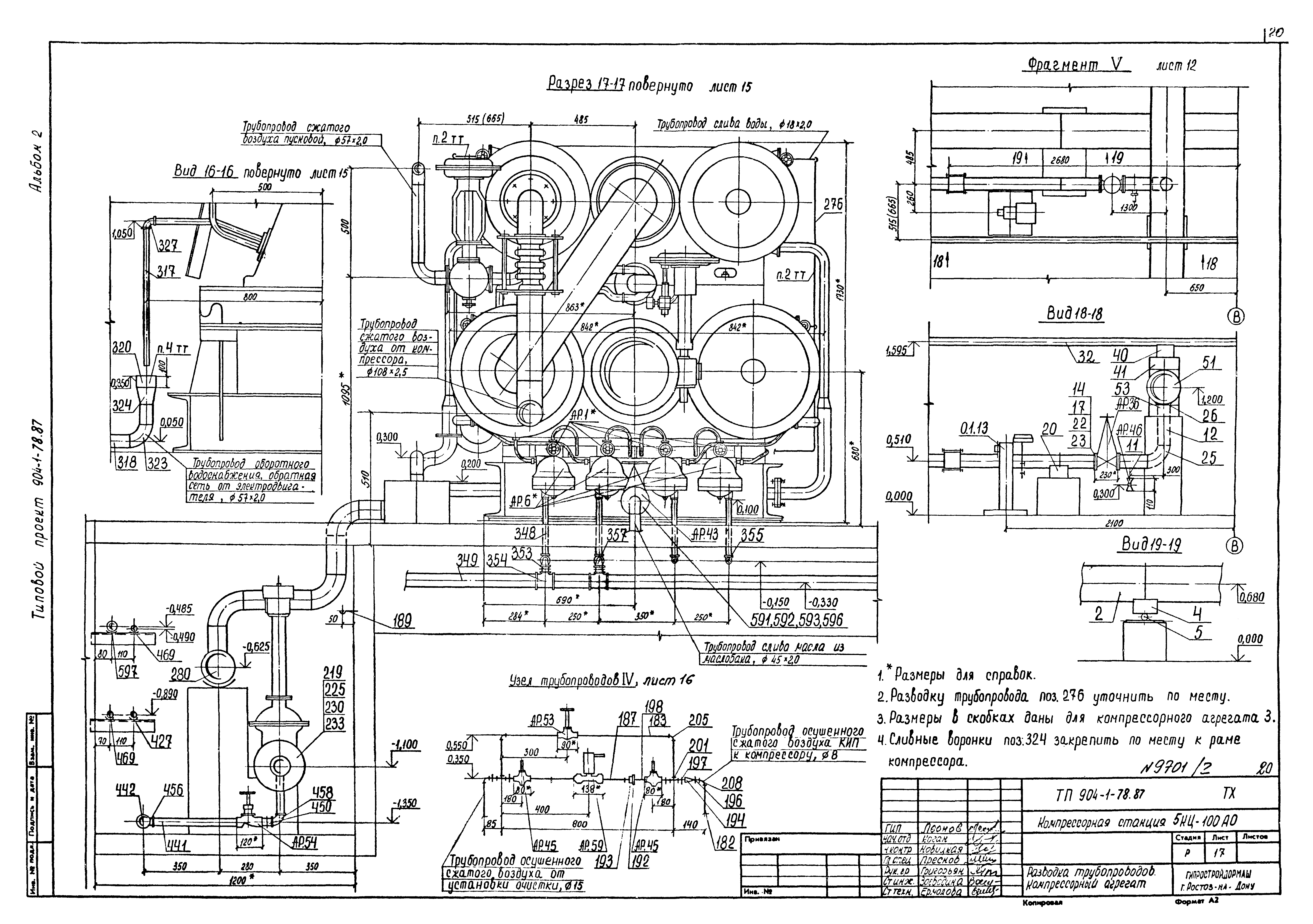
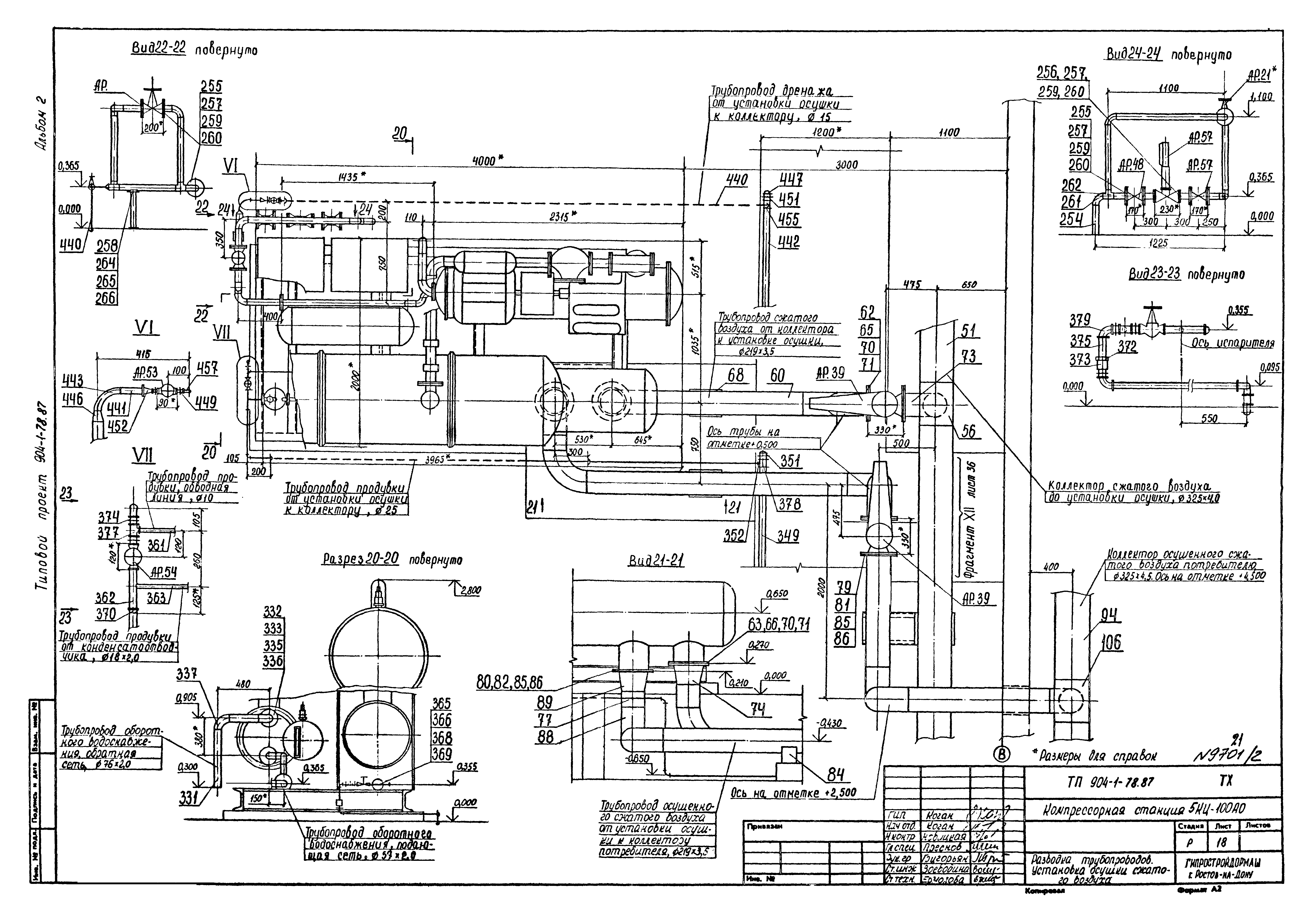
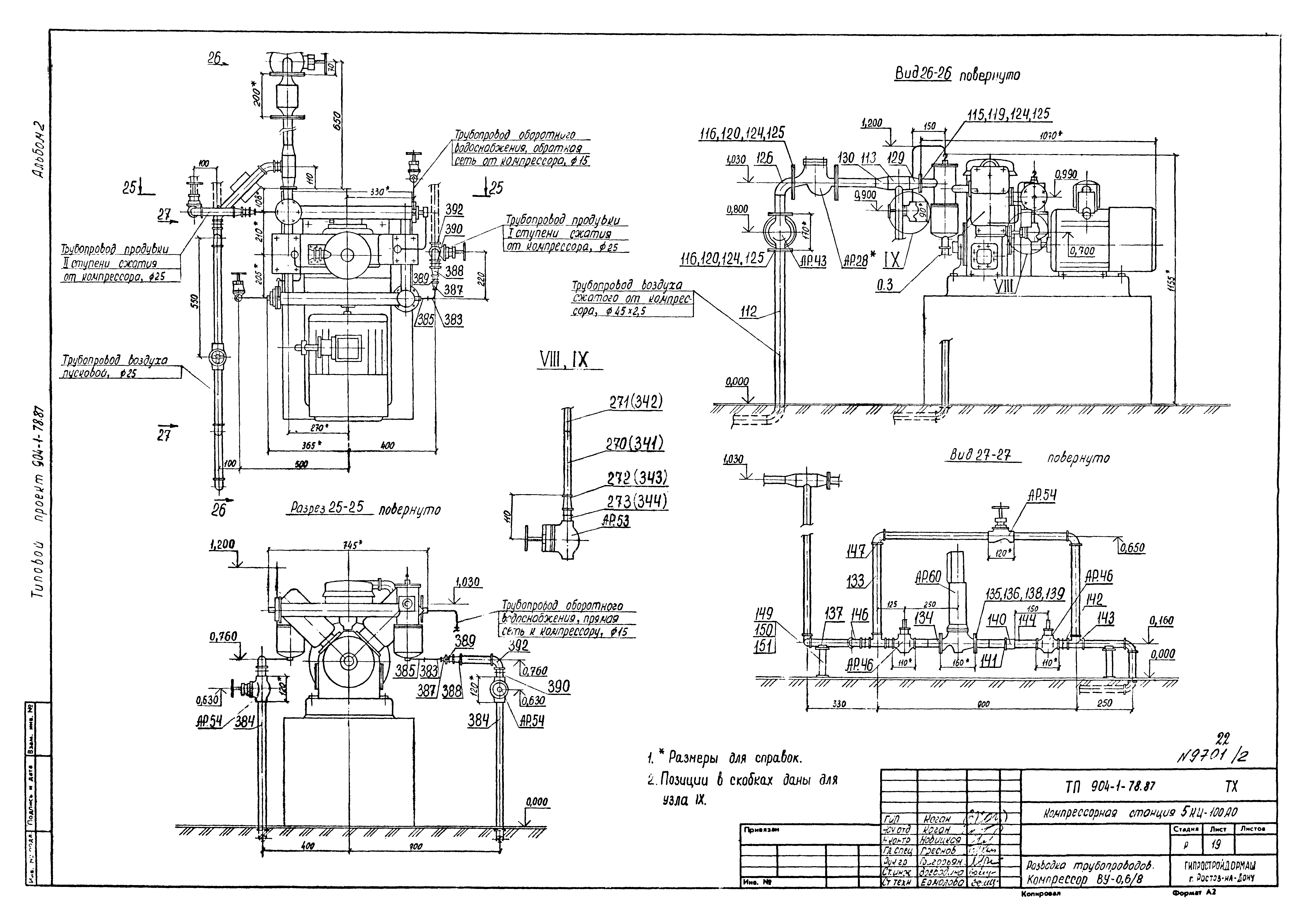
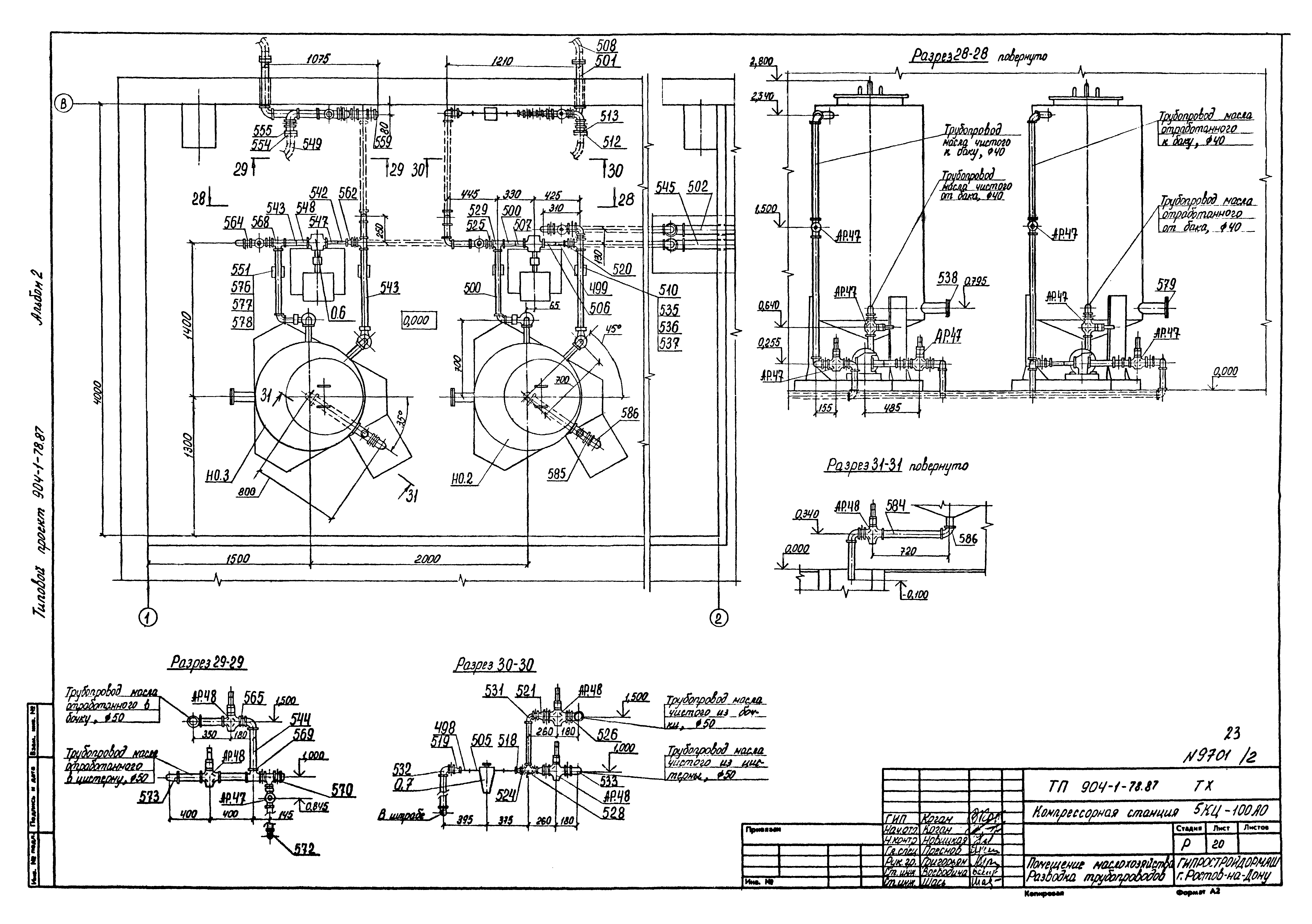
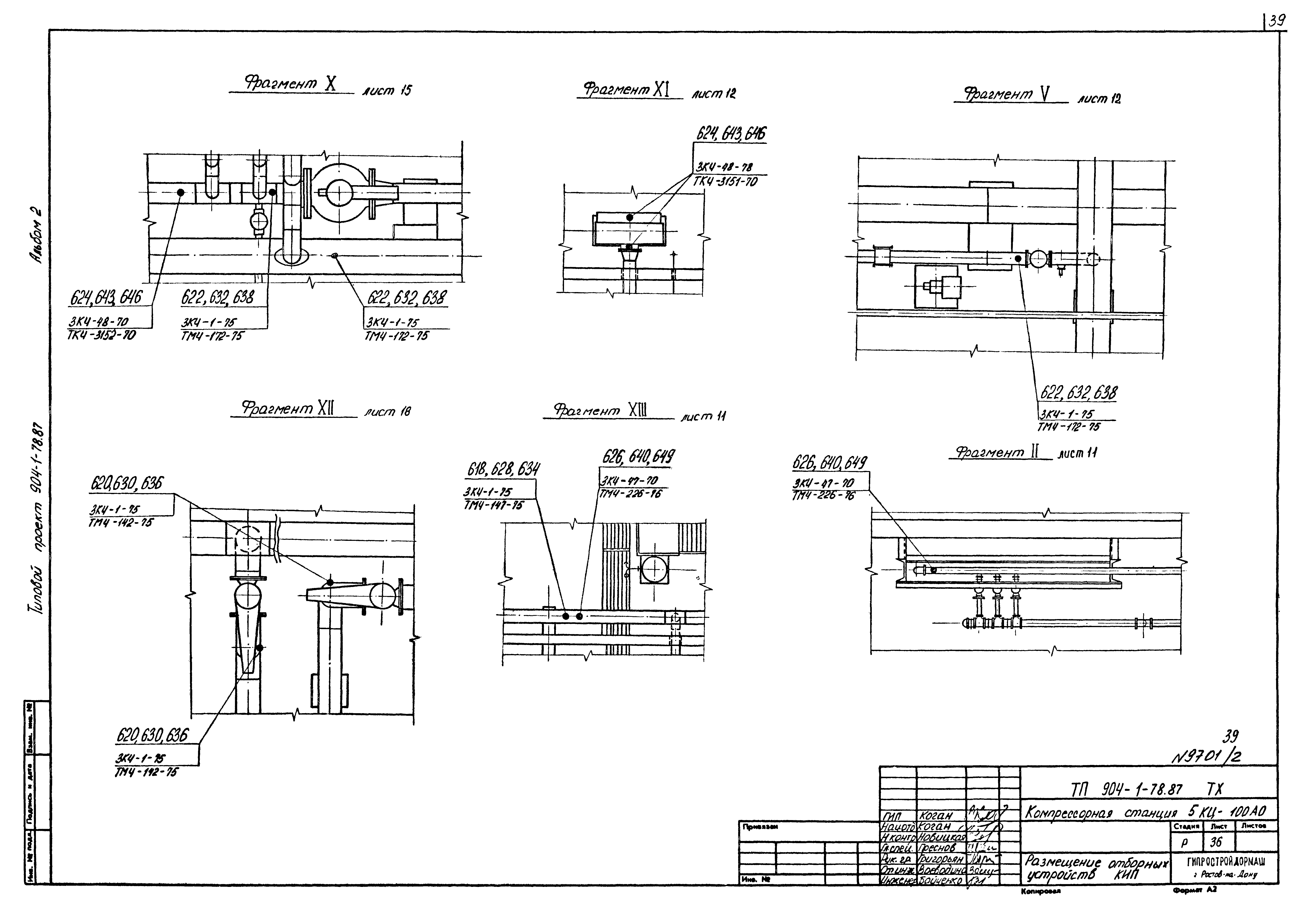
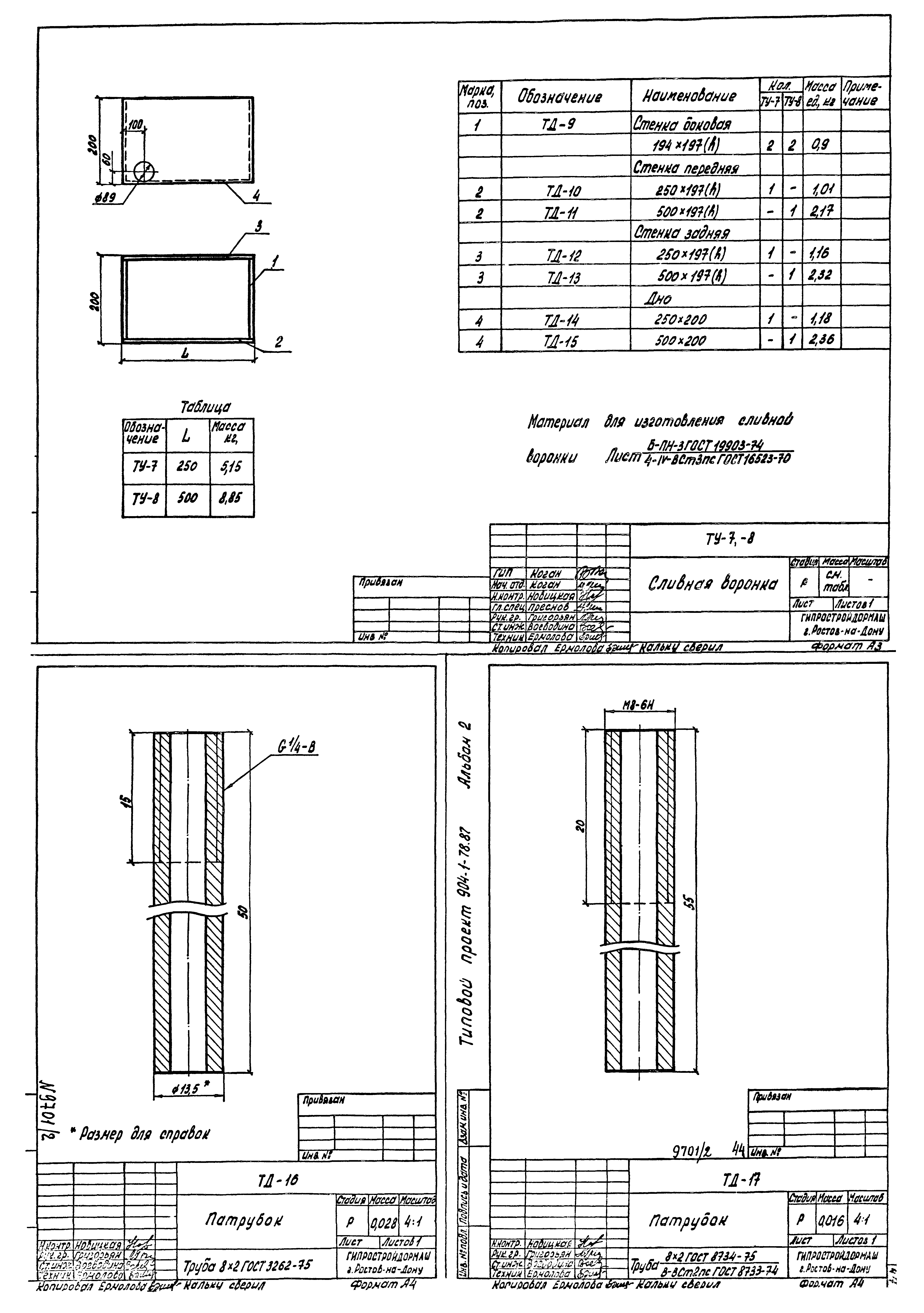
| Оглавление: | ТП 904-1-78.87 Обложка ТП 904-1-78.87 Титульный лист ТП 904-1-78.87 Содержание ТП 904-1-78.87-ТХ-1-2 Общие данные ТП 904-1-78.87-ТХ.ОП3 Опросный лист на установку осушки воздуха ОВМ-15 ТП 904-1-78.87-ТХ-3 План расположения оборудования ТП 904-1-78.87-ТХ-4 Разрезы 1-1,2-2 ТП 904-1-78.87-ТХ-5 Схема комбинированная принципиальная компрессорного агрегата ТП 904-1-78.87-ТХ-6 Схема комбинированная принципиальная установки осушки ТП 904-1-78.87-ТХ-7 Схема комбинированная принципиальная компрессора ВУ-0.6/8 и устройства очистки ТП 904-1-78.87-ТХ-8 Схема комбинированная принципиальная станции ТП 904-1-78.87-ТХ-9-10 Условные обозначения ТП 904-1-78.87-ТХ-11 Разводка трубопроводов. План ТП 904-1-78.87-ТХ-12 Разводка трубопроводов. План. Разрезы ТП 904-1-78.87-ТХ-13-14 Разводка трубопроводов. Фрагменты. Виды. Разрезы ТП 904-1-78.87-ТХ-15-17 Разводка трубопроводов. Компрессорный агрегат ТП 904-1-78.87-ТХ-18 Разводка трубопроводов. Установка осушки воздуха ТП 904-1-78.87-ТХ-19 Разводка трубопроводов. Компрессор ВУ-0.6/8 ТП 904-1-78.87-ТХ-20 Разводка трубопроводов. Помещение маслохозяйства ТП 904-1-78.87-ТХ-21-33 Спецификация оборудования, арматуры и монтажных материалов трубопроводов ТП 904-1-78.87-ТХ-34-35 Ведомость теплоизоляционных конструкций ТП 904-1-78.87-ТХ-36 Размещение отборных устройств КИП ТП 904-1-78.87-ОК.00.000 Опорная конструкция ОК.00.000 ТП 904-1-78.87-ТХ.ОП2 Опросный лист на компрессор 32ВЦ-100/9 ТП 904-1-78.87-ТХ.ОП1 Опросный лист на кран ТП 904-1-78.87-ТУ-1,-2,-3,-4,-5,-9 Опора ТУ-1,-2,-3,-4,-5,-9 ТП 904-1-78.87-ТУ-6 Подставка ТУ-6 ТП 904-1-78.87-ТУ-7,-8 Сливная воронка ТУ-7,-8 ТП 904-1-78.87-ТД-16 Патрубок ТД-16 ТП 904-1-78.87-ТД-17 Патрубок ТД-17 ТП 904-1-78.87-ТД-18 Переход ТД-18 ТП 904-1-78.87-ТД-19 Пластина ТД-19 ТП 904-1-78.87-ТД-20 Заглушка фланцевая ТД-20 ТП 904-1-78.87 ГШВ.100.00.00.000 Глушитель шума всасывания ГШВ.100.00.00.000 ТП 904-1-78.87 ГШВ.100.00.00.000 СБ Глушитель шума всасывания. Сборочный чертеж ГШВ.100.00.00.000 СБ ТП 904-1-78.87 ГШВ.100.00.00.000 ТУ Глушитель шума всасывания. Технические условия ГШВ.100.00.00.000 ТУ ТП 904-1-78.87 ГШВ.100.01.01.003 Перекладина ГШВ.100.01.01.003 ТП 904-1-78.87 ГШВ.100.01.02.000 Мат звукоизолирующий ГШВ.100.01.02.000 ТП 904-1-78.87 ГШВ.100.01.02.000 СБМат звукоизолирующий. Сборочный чертеж ГШВ.100.01.02.000 СБ ТП 904-1-78.87 ГШВ.100.01.00.000 Кассета звукопоглощающая ГШВ.100.01.00.000 ТП 904-1-78.87 ГШВ.100.01.00.000 СБКассета звукопоглощающая. Сборочный чертеж ГШВ.100.01.00.000 СБ ТП 904-1-78.87 ГШВ.100.01.01.000 Каркас ГШВ.100.01.01.000 ТП 904-1-78.87 ГШВ.100.01.01.000 СБ Каркас. Сборочный чертеж ГШВ.100.01.01.000 СБ ТП 904-1-78.87 ГШВ.100.01.00.001 Лист перфорированный ГШВ.100.01.00.001 ТП 904-1-78.87 ГШВ.100.01.01.002 Перекладина ГШВ.100.01.01.002 ТП 904-1-78.87 ГШВ.100.02.00.000 Кассета звукопоглощающая ГШВ.100.02.00.000 ТП 904-1-78.87 ГШВ.100.02.00.000 СБ Кассета звукопоглощающая. Сборочный чертеж ГШВ.100.02.00.000 СБ ТП 904-1-78.87 ГШВ.100.02.01.000 Каркас ГШВ.100.02.01.000 ТП 904-1-78.87 ГШВ.100.02.01.000 СБ Каркас. Сборочный чертеж ГШВ.100.02.01.000 СБ ТП 904-1-78.87 ГШВ.100.03.00.000 Кассета звукопоглощающая ГШВ.100.03.00.000 ТП 904-1-78.87 ГШВ.100.03.00.000 СБ Кассета звукопоглощающая. Сборочный чертеж ГШВ.100.03.00.000 СБ ТП 904-1-78.87 ГШВ.100.03.01.000 Каркас ГШВ.100.03.01.000 ТП 904-1-78.87 ГШВ.100.03.01.000 СБ Каркас. Сборочный чертеж ГШВ.100.03.01.000 СБ ТП 904-1-78.87 МБ.00.000.ТО Бак для масла. Техническое описание МБ.00.000.ТО ТП 904-1-78.87 МБ.00.000 СБ Бак для масла. Сборочный чертеж МБ.00.000 СБ ТП 904-1-78.87 МБ.00.000 Бак для масла МБ.00.000 ТП 904-1-78.87 МБ.00.001 Штуцер МБ.00.001 ТП 904-1-78.87 МБ.00.002 Втулка МБ.00.002 ТП 904-1-78.87 МБ.01.000 Корпус МБ.01.000 ТП 904-1-78.87 МБ.01.000 СБ Корпус. Сборочный чертеж МБ.01.000 СБ ТП 904-1-78.87 МБ.01.001 Обечайка МБ.01.001 ТП 904-1-78.87 МБ.01.002 Крышка нижняя МБ.01.002 ТП 904-1-78.87 МБ.01.003 Скоба МБ.01.003 ТП 904-1-78.87 ГШВ.100.00.00.000. ИТ Глушитель шума всасывания. Исходные требования ГШВ.100.00.00.000. ИТ ТП 904-1-78.87 МБ.02.000 Крышка МБ.02.000 ТП 904-1-78.87 МБ.02.000 СБ Крышка. Сборочный чертеж МБ.02.000 СБ ТП 904-1-78.87 МБ.02.001 Крышка верхняя МБ.02.001 ТП 904-1-78.87 МБ.02.002 Трубка дыхательная МБ.02.002 ТП 904-1-78.87 МБ.03.000 Днище МБ.03.000 ТП 904-1-78.87 МБ.03.000 СБ Днище. Сборочный чертеж МБ.03.000 СБ ТП 904-1-78.87 МБ.03.001 Обечайка МБ.03.001 ТП 904-1-78.87 МБ.00.000. ИТ Бак для масла. Исходные требования МБ.00.000. ИТ ТП 904-1-78.87 МБ.04.000 Опора МБ.04.000 ТП 904-1-78.87 МБ.04.000 СБ Опора. Сборочный чертеж МБ.04.000 СБ ТП 904-1-78.87 МБ.04.001 Косынка МБ.04.001 ТП 904-1-78.87 МБ.04.002 Пластина МБ.04.002 |
| Разработан: | Гипростройдормаш |
| Утверждён: | 11.09.1987 Минстройдормаш (Minstroydormash 518) |

































































